
Многим любителям доступен достаточно простой способ получения поистине потрясающих давлений. Зачем это нужно и как это можно использовать — в этой статье.
Электрогидравлический эффект с первых дней его открытия был и остается постоянным источником рождения множества прогрессивных технологических процессов, которые сейчас уже широко применяются во всем мире. Этим обусловливаются его непреходящее значение и все возрастающий интерес, проявляемый к нему в самых различных отраслях науки, техники и экономики.
В данном видео использован взрывной метод. Однако в данном применении, электрогидравлический способ — является более эффективным и дешевым
В первой половине 20 века, формование многих крупных корпусных деталей (в том числе, деталей кузовов автомобилей) — происходило с использованием взрывного метода. Суть которого достаточно подробно описана в этом видео:
Однако в дальнейшем, новое открытие дало ученым и промышленности — уникальные возможности по обработке материалов.
При создании внутри объема жидкости специально сформированного импульсного высоковольтного электрического разряда в зоне последнего развиваются сверхвысокие давления, которые можно широко использовать в практических целях,— так, впервые в 1950 г. Л. А. Юткиным был сформулирован предложенный им новый способ трансформации электрической энергии в механическую, названный автором электрогидравлическим эффектом (ЭГЭ).
Последние 30 лет жизни Л. А. Юткин активно и плодотворно работал в области электрогидравлики. За этот период им были разработаны теоретические основы явления, определены методы управления процессом, значительно расширяющие возможности и обеспечивающие высокий КПД электрогидравлической обработки материалов, было предложено более 200 способов и устройств практического применения ЭГЭ, получено 140 авторских свидетельств на изобретения, издано 50 публикаций по электрогидравлике. Под его руководством были разработаны принципиальные конструкции промышленных установок различного назначения, проведены поисковые работы, подготовлены к внедрению и частично внедрены устройства и технологические процессы, позволяющие эффективно использовать электрогидравлический эффект во многих областях народного хозяйства.
❒ Электрогидравлический эффект (ЭГЭ) — новый промышленный способ преобразования электрической энергии в механическую, совершающийся без посредства промежуточных механических звеньев, с высоким КПД. Сущность этого способа состоит в том, что при осуществлении внутри объема жидкости, находящейся в открытом или закрытом сосуде, специально сформированного импульсного электрического (искрового, кистевого и других форм) разряда вокруг зоны его образования возникают сверхвысокие гидравлические давления, способные совершать полезную механическую работу и сопровождающиеся комплексом физических и химических явлений.
Для электрогидравлического эффекта характерен режим выделения энергии на активном сопротивлении контура, близком к критическому, т. е. когда 1/С<R^2/4L, где С — емкость конденсатора, К и L — активное сопротивление и индуктивность контура.
В основе электрогидравлического эффекта лежит ранее неизвестное явление резкого увеличения гидравлического и гидродинамического эффектов и амплитуды ударного действия при осуществлении импульсного электрического разряда в ионопроводящей жидкости при условии максимального укорочения длительности импульса, максимально крутом фронте импульса и форме импульса, близкой к апериодической.
Отсюда следует, что основными факторами, определяющими возникновение электрогидравлического эффекта, являются амплитуда, крутизна фронта, форма и длительность электрического импульса тока. Длительность импульса тока измеряется в микросекундах, поэтому мгновенная мощность импульса тока может достигать сотен тысяч киловатт. Крутизна фронта импульса тока определяет скорость расширения канала разряда. При подаче напряжения на разрядные электроды в несколько десятков киловольт амплитуда тока в импульсе достигает десятков тысяч ампер.
❒ Все это обусловливает резкое и значительное возрастание давления в жидкости, вызывающее, в свою очередь, мощное механическое действие разряда.

Осуществление электрогидравлического эффекта связано с относительно медленным накоплением энергии в источнике питания и практически мгновенным ее выделением в жидкой среде.
Основными действующими факторами электрогидравлического эффекта являются высокие и сверхвысокие импульсные гидравлические давления, приводящие к появлению ударных волн со звуковой и сверхзвуковой скоростями; значительные импульсные перемещения объемов жидкости, совершающиеся со скоростями, достигающими сотен метров в секунду; мощные импульсно возникающие кавитационные процессы, способные охватить относительно большие объемы жидкости; инфра- и ультразвуковые излучения; механические резонансные явления с амплитудами, позволяющими осуществлять взаимное отслаивание друг от друга многокомпонентных твердых тел; мощные электромагнитные поля (десятки тысяч эрстед); интенсивные импульсные световые, тепловые, ультрафиолетовые, а также рентгеновские излучения; импульсные гамма- и (при очень больших энергиях импульса) нейтронное излучения; многократная ионизация соединений и элементов, содержащихся в жидкости.
Все эти факторы позволяют оказывать на жидкость и объекты, помещенные в нее, весьма разнообразные физические и химические воздействия. Так, ударные перемещения жидкости, возникающие при развитии и схлопывании кавитационных полостей, способны разрушать неметаллические материалы и вызывать пластические деформации металлических объектов, помещенных вблизи зоны разряда.
Мощные инфра- и ультразвуковые колебания, сопровождающие электрогидравлический эффект, дополнительно диспергируют уже измельченные материалы, вызывают резонансное разрушение крупных объектов на отдельные кристаллические частицы, осуществляют интенсивные химические процессы синтеза, полимеризации, обрыва сорбционных и химических связей. Электромагнитные поля разряда также оказывают мощное влияние, как на сам разряд, так и на ионные процессы, протекающие в окружающей его жидкости. Под их влиянием могут происходить разнообразные физические и химические изменения в обрабатываемом материале.
Понятие жидкости как среды для возникновения электрогидравлических ударов должно быть расширено на все эластичные и даже твердые (например, сыпучие) материалы.
Форма разряда, вызывающая возникновение импульсных давлений, может быть самой разнообразной: искровой, кистевой, совсем без кистей (так называемый импульсный электрический ветер).
Высокий КПД электрогидравлического эффекта, а также уникальные возможности электрогидравлического воздействия являются основой для широкого применения электрогидравлического эффекта во всех областях экономики.
Самодельщики — тоже не отстают от ученых мужей. Например:
Делают ракеты на этом эффекте
Пробуют штамповать металл
Брызгают водой
Юткиным исследовались явления, возникающие в зоне высоковольтного искрового разряда в жидкой среде. В начальной стадии эти исследования подтвердили существующие данные о том, что такой разряд легко возникает только в диэлектрических жидкостях, а в жидкостях с ионной проводимостью происходит лишь в случаях очень малой длины искрового промежутка и всегда сопровождается обильным газо- и парообразованием.
Механическое воздействие жидкости на объекты, помещенные вблизи канала разряда, получаемого по традиционной схеме с прямым подключением конденсатора на разрядный промежуток в жидкости, практически ничтожно для жидкостей с ионной проводимостью и сравнительно ощутимо лишь в среде жидких диэлектриков. Оно определяется весьма незначительными давлениями внутри парогазового пузыря, возникающего вокруг зоны разряда. Создающиеся в жидкости гидравлические импульсы имеют пологий фронт и значительную длительность протекания, при этом обладают небольшой мощностью.
В связи с этим необходимо было найти условия, в которых действие гидравлических импульсов могло бы быть резко усилено. Для этого требовалось уменьшить толщину парогазовой оболочки и сократить продолжительность разряда, в течение которого она создается. Одновременно необходимо было повысить мощность единичного импульса.
Решить эту задачу оказалось возможным путем разработки принципиальной электрической схемы, которая обеспечила подачу тока на рабочий промежуток в виде короткого импульса при помощи мгновенного «ударного» подключения накопителя энергии.
С этой целью автором был введен в электрическую схему формирующий воздушный искровой промежуток, что позволило в жидкостях с ионной проводимостью изменить характер искрового разряда, резко усилить его механическое действие.
Дополнительный формирующий воздушный промежуток позволяет накапливать заданное количество энергии с импульсной подачей ее на основной промежуток, значительно сократить длительность импульса и предотвратить возникновение колебательных процессов, создавать крутой фронт импульса, исключая возможность перехода к дуговому разряду; получать при заданном основном межэлектродном промежутке любые из допустимых для используемого источника питания значения тока и напряжения; регулированием длины формирующего промежутка изменять форму импульса и характер разряда на основном рабочем промежутке в жидкости. Именно формирующий промежуток явился обострителем импульса тока, позволившим перейти к напряжениям гораздо большим, чем напряжение пробоя рабочего промежутка в жидкости.
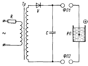
Таким образом, для создания электрогидравлических ударов была предложена схема:

Рисунок 1
Включающая источник питания с конденсатором в качестве накопителя электрической энергии.
Напряжение на конденсаторе повышается до значения, при котором происходит самопроизвольный пробой воздушного формирующего промежутка, и вся энергия, запасенная в конденсаторе, мгновенно поступает на рабочий промежуток в жидкости, где и выделяется в виде короткого электрического импульса большой мощности. Далее процесс при заданных емкости и напряжении повторяется с частотой, зависящей от мощности питающего трансформатора.
Автором также были предложена схема с двумя формирующими промежутками. Как оказалось, введение двух формирующих искровых промежутков позволяет получить некоторое повышение крутизны фронта импульса, а главное, делает схему симметричной, более управляемой и безопасной в обращении:

Рисунок 2
Но, поскольку при этом возрастание крутизны фронта импульса невелико, а сложность изготовления схемы повышена, на практике ее почти не применяют.
В дальнейшем автором были предложены и другие схемы.
Однако, формирующий промежуток (в различных его модификациях, например, в виде игнитрона) применяют во всех современных электрогидравлических силовых установках.
Опытным путем была установлена возможность широкого варьирования параметрами принципиальной электрической схемы, воспроизводящей электрогидравлический эффект.
Это дало основание ввести понятие «режим работы» силовой установки, подразумевая под этим значения основных параметров схемы: емкости и напряжения.
❒ Были определены три основных режима:
- жесткий: U>=;50кВ; С<=0,1 мкФ;
- средний: 20кВ<=U<=50кВ; 0,1 мкФ<=С<=1,0 мкФ;
- мягкий: U<=20 кВ; С>=1,0 мкФ.
Способ увеличения КПД электрогидравлического эффекта:
Электрогидравлический удар даже в очень больших объемах жидкости вызывает появление давлений в десятки и сотни тысяч атмосфер, т. е. на два-четыре порядка выше давлений в канале разряда.
Известно, что давления в жидкости при осуществлении электрогидравлических ударов возникают вследствие передачи жидкости энергии от расширяющегося в ней с космической скоростью канала разряда.

Рисунок 3
Основой, обеспечивающей многообразные технологические возможности электрогидравлического эффекта, является предложенный в 1950 г. способ получения сверхдлинных разрядов в проводящих жидкостях, осуществляемый путем предельного уменьшения активной (т. е. соприкасающейся с жидкостью) площади положительного электрода при одновременном увеличении активной площади отрицательного электрода. Способ позволяет получать в проводящих жидкостях прорастание стримеров на значительные расстояния, в силу чего возникают разряды с большой длиной и поверхностью канала, способной интенсивно отдавать свою энергию в окружающее пространство. К выводу о возможности получения таких разрядов автор первоначально пришел в результате логических рассуждений.
Усилить эффект гидравлического удара можно, лишь создав все условия для максимально эффективного преобразования электрической энергии в механическую, имея в виду, что искра есть то орудие, которое передает энергию в окружающую жидкость. А поскольку энергия передается жидкости через поверхность канала искрового разряда, то очевидно, что энергия будет тем больше, чем больше будет поверхность.
Создать такие условия оказалось возможным без сложных и дорогостоящих устройств и изменения химического состава воды благодаря изменению формы электродов.
Действительно, при резком уменьшении активной, соприкасающейся с водой поверхности положительного электрода (путем максимальной его изоляции по всей длине, кроме переднего конца) и одновременном резком увеличении активной поверхности отрицательного электрода в воде между электродами возникает значительная асимметрия поля и, как следствие этого,— особая ионная атмосфера (преимущественно одного знака), способствующая интенсивному прорастанию стримера в жидкости.
С применением данного способа разряды в проводящей жидкости типа воды становятся при равных параметрах импульса в десятки раз длиннее и осуществляются при напряжении в 100 кВ с градиентом около 1 кВ/см длины рабочего искрового промежутка. С повышением напряжения градиент нелинейно падает, что позволяет при напряжениях в несколько сотен киловольт получать в воде многометровые разряды.
Таким образом, простое уменьшение активной поверхности положительного электрода с одновременным резким увеличением активной поверхности отрицательного электрода позволило полностью решить все поставленные задачи, в результате чего обычный, наблюдавшийся Т. Лейном, Д. Пристли, Ф. Фрюнгелем и другими исследователями маленький и слабый искровой разряд в воде превратился в сверхдлинный искровой разряд, способный легко передавать энергию наружу, обеспечивая этим высокий механический КПД нового способа промышленной трансформации электрической энергии в механическую.
Электрические схемы генераторов импульсов тока электрогидравлических устройств
Генератор импульсов тока (ГИТ) предназначен для формирования многократно повторяющихся импульсов тока, воспроизводящих электрогидравлический эффект. Принципиальные схемы ГИТ были предложены еще в 1950-х годах и за истекшие годы не претерпели существенных изменений, однако значительно усовершенствовались их комплектующее оборудование и уровень автоматизации. Современные ГИТ предназначены для работы в широком диапазоне напряжения (5—100 кВ), емкости конденсатора (0,1 —10000 мкФ), запасенной энергии накопителя (10—106 Дж), частоты следования импульсов (0,1 —100 Гц).
Приведенные параметры охватывают большую часть режимов, в которых работают электрогидравлические установки различного назначения.
Выбор схемы ГИТ определяется в соответствии с назначением конкретных электрогидравлических устройств. Каждая схема генератора включает в себя следующие основные блоки: блок питания — трансформатор с выпрямителем; накопитель энергии — конденсатор; коммутирующее устройство — формирующий (воздушный) промежуток; нагрузка — рабочий искровой промежуток. Кроме того, схемы ГИТ включают в себя токоограничивающий элемент (это может быть сопротивление, емкость, индуктивность или их комбинированные сочетания). В схемах ГИТ может быть несколько формирующих и рабочих искровых промежутков и накопителей энергии. Питание ГИТ осуществляется, как правило, от сети переменного тока промышленной частоты и напряжения.
ГИТ работает следующим образом. Электрическая энергия через токоограничивающий элемент и блок питания поступает в накопитель энергии — конденсатор. Запасенная в конденсаторе энергия с помощью коммутирующего устройства — воздушного формирующего промежутка — импульсно передается на рабочий промежуток в жидкости (или другой среде), на котором происходит выделение электрической энергии накопителя, в результате чего возникает электрогидравлический удар. При этом форма и длительность импульса тока, проходящего по разрядной цепи ГИТ, зависят как от параметров зарядного контура, так и от параметров разрядного контура, включая и рабочий искровой промежуток. Если для одиночных импульсов специальных ГИТ параметры цепи зарядного контура (блока питания) не оказывают существенного влияния на общие энергетические показатели электрогидравлических установок различного назначения, то в промышленных ГИТ КПД зарядного контура существенно влияет на КПД электрогидравлической установки.
Использование в схемах ГИТ реактивных токоограничивающих элементов обусловлено их свойством накапливать и затем отдавать энергию в электрическую цепь, что, в конечном счете, повышает КПД.
Электрический КПД зарядного контура простой и надежной в эксплуатации схемы ГИТ с ограничивающим активным зарядным сопротивлением (рис. 4, а) весьма низок
(30—35%), так как заряд конденсаторов осуществляется в ней пульсирующими — напряжением и током. Введением в схему специальных регуляторов напряжения (магнитного усилителя, дросселя насыщения) можно добиться линейного изменения вольт-амперной характеристики заряда емкостного накопителя и тем самым создать условия, при которых потери энергии в зарядной цепи будут минимальны, а общий КПД ГИТ может быть доведен до 90 %.
Для увеличения общей мощности при использовании простейшей схемы ГИТ кроме возможного применения более мощного трансформатора целесообразно иногда использовать ГИТ, имеющий три однофазных трансформатора, первичные цепи которых соединены «звездой» или «треугольником» и питаются от трехфазной сети. Напряжение с их вторичных обмоток подается
на отдельные конденсаторы, которые работают через вращающийся формирующий промежуток на один общий рабочий – искровой промежуток в жидкости (рис. 4, б).
При проектировании и разработке ГИТ электрогидравлических установок значительный интерес представляет использование резонансного режима заряда емкостного накопителя от источника переменного тока без выпрямителя. Общий электрический КПД резонансных схем очень высок (до 95%), а при их использовании происходит автоматическое значительное повышение рабочего напряжения. Резонансные схемы целесообразно использовать при работе на больших частотах (до 100 Гц), но для этого требуются специальные конденсаторы, предназначенные для работы на переменном токе. При использовании этих схем необходимо соблюдать известное условие резонанса:

где ω — частота вынуждающей ЭДС; L — индуктивность контура; С — емкость контура.

Рисунок 4
Однофазный резонансный ГИТ (рис. 4, в) может иметь общий электрический КПД, превышающий 90%. ГИТ позволяет получать стабильную частоту чередования разрядов, оптимально равную либо однократной, либо двукратной частоте питающего тока (т. е. 50 и 100 Гц соответственно) при питании током промышленной частоты. Применение схемы наиболее рационально при мощности питающего трансформатора 15—30 кВт. В разрядный контур схемы вводится синхронизатор — воздушный формирующий промежуток, между шарами которого расположен вращающийся диск с контактом, вызывающим срабатывание формирующего промежутка при проходе контакта между шарами.
При этом вращение диска синхронизируется с моментами пиков напряжения.
Схема трехфазного резонансного ГИТ (рис. 4, г) включает в себя трехфазный повышающий трансформатор, каждая обмотка на высокой стороне которого работает как однофазная резонансная схема на один общий для всех или на три самостоятельных рабочих искровых промежутка при общем синхронизаторе на три формирующих промежутка. Эта схема позволяет получать частоту чередования разрядов, равную трехкратной или шестикратной частоте питающего тока (т. е. 150 или 300 Гц соответственно) при работе на промышленной частоте. Схема рекомендуется для работы на мощностях ГИТ 50 кВт и более. Трехфазная схема ГИТ экономичнее, так как время зарядки емкостного накопителя (той же мощности) меньше, чем при использовании однофазной схемы ГИТ. Однако дальнейшее увеличение мощности выпрямителя будет целесообразно только до определенного предела.
Повысить экономичность процесса заряда емкостного накопителя ГИТ можно путем использования различных схем с фильтровой емкостью. Схема ГИТ с фильтровой емкостью и индуктивной зарядной цепью рабочей емкости
(рис. 4, д) позволяет получать, практически любую частоту чередования импульсов при работе на небольших (до 0,1, мкФ) емкостях и имеет общий электрический КПД — около 85 %. Это достигается тем, что фильтровая емкость работает в режиме неполной разрядки (до 20 %), а рабочая емкость заряжается через индуктивную цепь — дроссель с малым активным сопротивлением — в течение одного полупериода в колебательном режиме, задаваемым вращением диска на первом формирующем промежутке. При этом фильтровая емкость превышает рабочую в 15—20 раз.
Вращающиеся диски формирующих искровых промежутков сидят на одном валу и поэтому частоту чередования разрядов можно варьировать в очень широких пределах, максимально ограниченных лишь мощностью питающего трансформатора. В этой схеме могут быть использованы трансформаторы на 35—50 кВ, так как она удваивает напряжение. Схема может подсоединяться и непосредственно к высоковольтной сети.
В схеме ГИТ с фильтровой емкостью (рис. 4, е) поочередное подсоединение рабочей и фильтровой емкостей к рабочему искровому промежутку в жидкости осуществляется при помощи одного вращающегося разрядника — формирующего промежутка.
Однако при работе такого ГИТ срабатывание вращающегося разрядника начинается при меньшем напряжении (при сближении шаров) и заканчивается при большем (при удалении шаров), чем это задано минимальным расстоянием между шарами разрядников. Это приводит к нестабильности основного параметра разрядов—напряжения, а следовательно, к снижению надежности работы генератора.
Для повышения надежности работы ГИТ путем обеспечения заданной стабильности параметров разрядов в схему ГИТ с фильтровой емкостью включают вращающееся коммутирующее устройство — диск со скользящими контактами для поочередного предварительного бестокового включения и выключения зарядного и разрядного контуров.
При подаче напряжения на зарядный контур генератора первоначально заряжается фильтровая емкость. Затем вращающимся контактом без тока (а значит, и без искрения) замыкается цепь, на шарах формирующего разрядника возникает разность потенциалов, происходит пробой и рабочий конденсатор заряжается до напряжения фильтровой емкости. После этого ток в цепи исчезает и контакты вращением диска размыкаются вновь без искрения. Далее вращающимся диском (также без тока и искрения) замыкаются контакты разрядного контура и напряжение рабочего конденсатора подается на формирующий разрядник, происходит его пробой, а также пробой рабочего искрового промежутка в жидкости. При этом рабочий конденсатор разряжается, ток в разрядном контуре прекращается и, следовательно, контакты вращением диска могут быть разомкнуты вновь без разрушающего их искрения. Далее цикл повторяется с частотой следования разрядов, задаваемой частотой вращения диска коммутирующего устройства.
Использование ГИТ этого типа позволяет получать стабильные параметры неподвижных шаровых разрядников и осуществлять замыкание и размыкание цепей зарядного и разрядного контуров в бестоковом режиме, тем самым улучшая все показатели и надежность работы генератора силовой установки.
Была разработана также схема питания электрогидравлических установок, позволяющая наиболее рационально использовать электрическую энергию (с минимумом возможных потерь).
В известных электрогидравлических устройствах рабочая камера заземлена и поэтому часть энергии после пробоя рабочего искрового промежутка в жидкости практически теряется, рассеиваясь на заземлении. Кроме того, при каждом разряде рабочего конденсатора на его обкладках сохраняется небольшой (до 10 % от первоначального) заряд.
Опыт показал, что любое электрогидравлическое устройство может эффективно работать по схеме, в которой энергия, запасенная на одном конденсаторе С1, пройдя через формирующий промежуток ФП, поступает на рабочий искровой промежуток РП, где в большей своей части расходуется на совершение полезной работы электрогидравлического удара. Оставшаяся неизрасходованной энергия поступает на второй незаряженный конденсатор С2, где и сохраняется для последующего использования (рис. 5). После этого энергия дозаряженного до требуемого значения потенциала второго конденсатора С2, пройдя через формирующий промежуток ФП, разряжается на рабочий искровой промежуток РП и вновь неиспользованная часть ее попадает теперь уже на первый конденсатор С1 и т. д.

Рисунок 5
Поочередное подсоединение каждого из конденсаторов то в зарядную, то в разрядную цепь производится переключателем П, в котором токопроводящие пластины А и В, разделенные диэлектриком, поочередно подсоединяются к контактам 1—4 зарядного и разрядного контуров.
Колебательный характер процесса способствует тому, что переход энергии при разряде одного конденсатора на другой совершается с некоторым избытком (для заряжаемого конденсатора), что также положительно сказывается на работе этой схемы.
Для некоторых частных случаев указанную схему можно построить таким образом, чтобы после каждой подзарядки конденсатора (например, С1) энергией, «оставшейся» от предыдущего разряда на него конденсатора С2, последующий разряд конденсатора СУ шел через рабочий промежуток на землю, не поступая на подзарядку конденсатора С2. Такая работа будет эквивалентна работе сразу на двух режимах, что может быть эффективно использовано на практике (в технологических процессах дробления, разрушения, измельчения и др.)
А для тех, кто хочет подробно ознакомиться с данным эффектом, рекомендуется найти в сети книгу и прочитать: Л.А. Юткин — «Электрогидравлический эффект и его применение в промышленности».
Как можно видеть по многообразию применений, которые описаны в этой книге, данный эффект имеет полезное применение для множества областей и ситуаций:

Ниже, вы можете посмотреть ряд фильмов об этом замечательном эффекте и его изобретателе:
Автор: DAN_SEA

