- PVSM.RU - https://www.pvsm.ru -

Как передать сигнал по кабелю правильно? Что подразумевается под словом «правильно»? В технике правильно – это передать сигнал в целости и сохранности, наловив по пути по-минимуму помех. Итак, какие у нас есть варианты?
Самый минимальный – просто по двум проводам. Сигнал – это электрический ток, а как многие, наверное, помнят из физики, чтобы замкнулась цепь прохождения электрического тока, необходимо как минимум два провода – прямой и обратный проводник. Эти два провода обычно называют: сигнальный (на разъеме обычно пишется наименование конкретного сигнала) и общий (или ноль, нейтраль, или минус, или корпус, или земля, или масса, на англоязычных схемах можно найти обозначения GND или EARTH (заземление)). Как видим, у второго провода очень много наименований. Давайте для начала с ними разберемся. В разработке электронных (да и электрических) схем сложилась такая практика, что обычно выбирают какую-то одну точку схемы и назначают ее точкой отсчета, нулем, опорой.
В современных схемах и электрооборудовании в подавляющем большинстве случаев это минус источника питания. Относительно этой точки указывают все напряжения в схеме, эта точка является общей точкой соединения всех обратных проводов входных и выходных сигналов, эта точка обычно заземляется для обеспечения норм электробезопасности устройства, эта точка соединяется с металлическим корпусом устройства для защиты от помех и т. д. и т. п. Поэтому у этой точки так много названий, и это не должно вводить в заблуждение, так как, по сути, это одна и та же точка. Если разъем является разъемом питания, то эта точка может иметь название «минус», если в этой точке сходятся все обратные сигнальные провода ее могут назвать «общий», на электросхемах такая точка называется ноль или нейтраль (N), название «корпус» часто можно было встретить в советских схемах электроники, хотя корпус самого устройства мог быть и пластиковым. А термин «масса» обычно встречается в автомобильной тематике. В англоязычных схемах разнообразия заметно меньше, такую точку обычно обозначают единственной аббревиатурой GND от слова ground (земля). И это оказалось удобно! Настолько удобно, что и в отечественной схемотехнике почти повально стали использовать эту трехбуквенную комбинацию. Кстати, аналогично и в китайской и в других языках. Если открыть любое китайское описание какого-либо устройства, среди иероглифов и закорючек скорее всего будет только единственное знакомое слово - это GND. Поэтому далее будем использовать эту аббревиатуру и мы. Но все ее синонимы необходимо помнить и держать в голове.
Кстати, за нулевую точку не всегда брали минус источника питания. Где-то полвека назад, в эпоху германиевых транзисторов, это мог быть и плюс. Это ни на что не влияет, за общую точку, за точку отсчета можно взять абсолютно любую точку. Только вот все напряжения в схеме относительно этой точки получались отрицательными, что было не очень удобно считать. Также и в автомобилях – некоторое время, давным давно, с кузовом автомобиля (массой) соединялся плюс аккумуляторной батареи. Но, как оказалось, это ускоряет коррозию кузова и вместо плюса уже давно повсеместно соединяют минус.
Да, мы говорим про двухпроводное подключение, но также часто встречается и однопроводное. Тут никаких чудес нет, законы физики никоим образом не нарушаются, просто в качестве второго проводник используется не электрический провод, а любой другой проводник электричества, например, металлический кузов автомобиля. Или корпус устройства (его шасси). Или проводимость Земли (при связи на длинные расстояния, например).
Или иные токопроводящие конструкции, внешне даже не похожие на электрический провод. Это тоже не должно вводить в заблуждение. Чтобы цепь замкнулась должен быть и прямой и обратный проводники.
Продолжаем про двухпроводное подключение. Можно ли по нему передать, например, звуковой сигнал? Можно конечно, почему бы и нет! Но так никто обычно не делает, по крайней мере, на длинные расстояния, и причина тому – наводки.
Если я просто схвачусь рукой за сигнальный провод, то на проводе помимо полезного сигнала появляются помехи. Как на фото ниже.
Я взялся пальцами за провод, причем даже не за токопроводящую часть, а за его изоляцию. И осциллограф показал огромного уровня сигнал, размахом почти 1,5 вольта! Такая помеха может легко задавить полезный сигнал в кабеле. Откуда же она взялась в изолированном проводе? Все дело в емкости. Нас повсюду окружают различного рода источники помех. Раньше, в основном, это были силовые кабели электроснабжения, они давали наводку частотой питающей сети – 50 Гц. Теперь к ним добавились и различные импульсные источники питания. Они работают на более высокой частоте – 50…500 кГц. Вот и на осциллограмме мы видим периодическое колебание с периодом 20 мс – это помеха от сетевых проводов, и на него наложено высокочастотное колебание (у меня примерно 160 кГц), видимо, от какого то рядом находящегося импульсного источника питания.
Как мы знаем из уроков физики, электрическая емкость способна проводить переменный электрический ток. Человеческое тело является одной обкладкой конденсатора, а источник помех – другой обкладкой. И между этими обкладками течет переменный ток помехи. Емкость такого импровизированного конденсатора напрямую зависит от площади его обкладок и расстояния между ними. Чем больше площадь обкладок и меньше расстояние – тем больше емкость и выше ток наводки. Сам провод имеет маленькую площадь, и если он расположен далеко от источника помехи, на него наведется очень мало. Осциллограф, подключенный к этому проводу, просто лежащему на столе, покажет маленький уровень помехи. Но вот человеческое тело имеет большую площадь и потому ловит на себе большой уровень помех. Поэтому когда я беру провод пальцами и плотно их сжимаю, уменьшая расстояние и увеличивая обхват – уровень помехи кратно возрастает.
Если по такому проводу передавать звуковой сигнал, то мы будем постоянно слышать наводку 50 Гц (наводка 160 кГц находится за пределами звукового диапазона и, скорее всего, отфильтруется еще на входе). Что же можно сделать с этой помехой? Можно ее зашунтировать. Шунт — устройство, которое позволяет электрическому току (либо магнитному потоку) протекать в обход какого-либо участка схемы. Поскольку, помеха наводится через емкость и эта емкость, на наше счастье, довольно крошечная (примерный порядок - пикофарады), помеху можно существенно уменьшить, зашунтировав проводники обычным резистором. Показанную ранее на осциллограмме помеху можно уменьшить на порядки, просто включив между проводниками относительно высокое сопротивление 10 кОм.
Причем, даже физически добавлять такое сопротивление в кабель нет необходимости, поскольку у источника сигнала есть некое выходное сопротивление, а у приемника сигнала есть определенное входное сопротивление. Эти сопротивления шунтируют кабель передачи и не дают на нем наводится помехе. В профессиональной аппаратуре обычно входное и выходное сопротивление делают равным 600 Ом. Однако, в бытовой этого правила не всегда придерживаются и делают входное сопротивление порядка нескольких единиц-десятков кОм, а выходное порядка десятков – сотен Ом. Это делается для того, чтобы к одному выходу можно было без проблем подключить несколько входов и чтобы уровень сигнала при этом не сильно проседал. Таким образом, если радикально уменьшить входные и выходные сопротивления можно передавать даже слабые сигналы по двухпроводному кабелю без каких либо проблем. На него ничего не наведется. Примером тому может служить акустический кабель, соединяющий выход усилителя мощности и акустическую систему. Он двухпроводный. С одной стороны у него выходное сопротивление усилителя величиной порядка долей Ом, с другой стороны сопротивление динамика порядка 4…16 Ом. Сколько бы и каким-либо образом мы не хватались за этот кабель, навести что-либо слышимое в динамике не удастся.
При передаче звукового сигнала сильно уменьшать входные и выходные сопротивления не получится, так как если сильно уменьшить входное сопротивление приемника, источник сигнала может его и не потянуть. Также сильно просядет и уровень сигнала, что может оказаться недопустимым.
Однако, как мы можем заметить из предыдущих фотографий, при подключении резистора осциллограмма помехи сильно изменилась. Помеху 50 Гц стало совсем не видно, а вот высокочастотный шум остался. И это логично. Ток помехи, протекающий через емкость очень сильно зависит от ее частоты. Для определенной, фиксированной емкости, чем ниже частота, тем меньше ток. Поэтому низкочастотная помеха полностью подавилась резистором 10 кОм, а вот высокочастотная – нет, так как ток, создаваемый ею, на порядки больше. Для подавления высокочастотной наводки параллельно шунтирующему резистору необходимо поставить шунтирующий конденсатор.
Например, добавление конденсатора всего 3,3 нФ к вышеуказанному резистору превращает осциллограмму наводки на экране почти в прямую линию. Емкость шунтирующего конденсатора должна быть такова, чтобы не мешать прохождению основного сигнала. Для звукового сигнала, например, слишком большая шунтирующая емкость приведет к завалу высоких частот.
Дополнительную емкость можно также и не ставить, а вместо этого свить оба проводника двухпроводного кабеля. Свитые проводники всегда будут находиться весьма близко друг к другу и при достаточной длине такого кабеля могут образовать существенную распределенную емкость.
Также свивка дает еще один положительный эффект – теперь невозможно схватиться только за один из проводов и навести помеху только на один провод. Помеха более-менее одинаково наведется сразу на оба провода. Поскольку полезный сигнал в одном проводнике течет в одном направлении, а во втором – в обратном, а помеха в обоих проводах потечет только в одном, то на входе приемника она автоматически вычитается! Это, так называемая дифференциальная передача сигнала, которая очень широко используется, например, в кабелях передачи данных сети Ethernet.
Если радикально уменьшать входные и выходные сопротивления нельзя (источник сигнала высокоомный), увеличивать емкость тоже нельзя (сигнал широкополосный), то применяют другой способ подавления помех – экранирование.
Экранирование кабеля заключается в том, что провод помещают в плотную оплетку из токопроводящего материала. Иногда, в целях экономии, оплетку делают редкой, но компенсируют это, оборачивая провод токопроводящей фольгой. Оплетка является для провода клеткой Фарадея [1] и экранирует его от внешних электрических полей. Помеха может навестись только на сам токопроводящий экран. Поэтому при передаче сигнала по экранированному проводу экран всегда соединяют с общим проводом соединяемых устройств. По оплетке течет обратный сигнальный ток, но, поскольку сигнальный ток обычно очень мал, а оплетка обычно имеет весьма существенное сечение, (и, соответственно, очень низкое сопротивление) никакого существенного влияния на прохождение сигнала это не оказывает. Это один из самых распространенных способов передачи сигнала. Звуковые сигналы, видеосигналы, цифровые сигналы – почти все они чаще всего передаются по одиночному экранированному проводу. Кабели с разъемами для видеосигналов типа RCA (тюльпаны), аудиосигналов типа jack 3.5, jack 6.3, с комбинированными разъемами VGA, SCART – все они имеют в составе экранированные провода и прекрасно выполняют свою функцию.
Какие могут быть подводные камни при таком подключении? Оплетка обычно подключается к общему проводу приемника и общему проводу передатчика. А общие провода устройств обычно соединяются с клеммой или выводом заземления. Если соединение длинное, приемник и передатчик находятся в разных подсетях электропитания, а местный электрик что-то начудил с заземлением, может образоваться разность потенциалов на клеммах заземления и, соответственно, на точках подключения оплетки. И через оплетку может потечь уравнивающий ток, часто весьма существенной величины. Этот ток создаст падение напряжения на оплетке и это падение напряжения приплюсуется к передаваемому сигналу. Уравнивающий ток, помимо гармоник сетевого напряжения также может содержать и помехи от работы импульсных источников питания. Таким образом, помеха, которую мы рассмотрели ранее, может пролезть в передаваемый сигнал, но уже совершенно другим путем.
Уравнивающий ток также может потечь через оплетку и в случае, если одно из устройств заземлено, а второе – нет. И второе устройство содержит в своем составе импульсный источник питания. А в импульсном источнике питания имеются помехоподавляющие конденсаторы между нулем, фазой и заземлением. Их емкость невелика, ток через них крошечный. Но если этот ток потечет по оплетке, он также вызовет хоть и небольшое, но падение напряжения и добавится к передаваемому сигналу. И если передаваемый сигнал невелик, такая помеха может оказаться существенной.
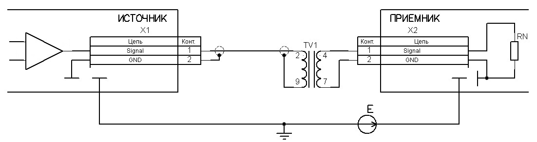
Для решения этой проблемы применяют гальваническую развязку на одной из сторон. Да, достаточно гальванической развязки только с одной стороны, но часто для симметричности ее делают как со стороны приемника, так и со стороны передатчика. Чаще всего гальваническая развязка реализуется с помощью трансформатора. Трансформатор имеет первичную обмотку и вторичную обмотку, намотанные на магнитном сердечнике. Обмотки изолированы друг от друга и сигнал между ними передается магнитным полем. Работает это следующим образом:
Экранированный провод подсоединяется к верхнему выводу трансформатора, оплетка – к нижнему. Оплетка с общим проводом приемника не соединяется! А вот вторичная обмотка верхним концом подключается на вход устройства, а нижним к общему проводу, замыкая цепь прохождения сигнала. Таким образом, устройства получаются гальванически изолированными друг от друга и никакие лишние уравнивающие токи между ними не текут. Такое решение достаточно широко применяется в профессиональной звуковой аппаратуре. Минусом такого решения являются габариты разделительного трансформатора, его цена и довольно таки ощутимые искажения, которые он вносит. Также трансформатор обладает ограниченной рабочей полосой частот и не позволяет передавать напряжения произвольной амплитуды – его сердечник может войти в насыщение и тогда искажения могут увеличиться еще больше.
Другим способом является передача сигнала по дифференциальной паре. Дифференциальная пара – это, как было показано выше, свитая пара двух проводов. Эта пара обычно также помещается в оплетку. Оплетка соединяется с общими проводами приемника и передатчика. В этом случае и прямым и обратным проводником передачи сигнала является диффпара, оплетка в передаче сигнала никак не участвует. Поэтому, текущие по оплетке какие-либо токи или наводки никак на сам сигнал не влияют.
Иногда применяют сразу оба этих решения – и разделительный трансформатор и дифференциальную пару. Например, в интерфейсе Ethernet. В этом случае часто даже не используется экранирующая оплетка (она была добавлена только в кабели категории 6 и выше). Если оплетка есть, иногда возникают вопросы, как ее правильно подключить. Если ее подключить к заземляющему контакту с обеих сторон кабеля, то, как было показано выше, по оплетке могут потечь выравнивающие токи из-за возможной разницы в потенциалах земли в разных точках здания. Оплетка никак не влияет на передачу сигнала, так как сигнал передается по дифференциальной паре и, вдобавок, гальванически развязан. Однако, выравнивающие токи могут оказаться существенными и просто расплавить заземляющий проводник. Чтобы не было таких эксцессов, обычно оплетку заземляют только с одной стороны. В этом случае, ток по оплетке в принципе не течет, но оплетка продолжает работать клеткой Фарадея для передаваемых сигналов. А разница в потенциалах устройств при трансформаторной гальванической развязке также никак не влияет.
Гальваническая развязка с обоих (приемной и передающей) сторон позволяет осуществить очень полезный лайфхак – дополнительно передавать питание постоянным током поверх самого сигнала.
Другим путем проникновения нежелательной помехи являются магнитные поля. Для примера пропустим экранированный провод сквозь магнитное поле силового трансформатора, как на фотографии ниже. На оплетке наведется довольно существенная ЭДС.
Но и на центральной жиле наводится точно такая же ЭДС!
Экранирование или клетка Фарадея в магнитных полях не работает. Она защищает только от электрических полей. К чему может привести ЭДС, наведенная в оплетке? Это ровно та же ситуация, аналогичная рассмотренным выше, когда оплетка подключена с двух сторон, а по ней текут какие-либо уравнивающие токи. Если в вышеописанном случае источником этих токов были разные потенциалы точек заземления или же токи блокировочных конденсаторов фильтра импульсного блока питания, то тут источником тока является ЭДС, создаваемая электромагнитной индукцией.
Как бороться с такой наводкой? Проще всего, не располагать кабели рядом с источниками магнитного излучения. Чтобы получить такого уровня наводку пришлось протащить провод непосредственно через сердечник трансформатора, там, где создаваемое им магнитное поле максимально. Снаружи качественно изготовленного трансформатора поля практически не должно быть.
Осциллографом удается засечь едва видимые колебания амплитудой в единицы мВ. Однако, расслабляться тут не следует. ЭДС в единицы мВ на проводе, сопротивлением в десятки мОм может дать паразитный ток величиной в сотни мА. Помочь тут сможет тот факт, что ЭДС наводится на оба провода совершенно одинаково, следовательно передача сигнала по дифференциальной паре полностью избавит нас от этой наводки. А чтобы вообще по проводу не тек лишний ток, можно применить гальваническую развязку.
Часто необходимо передать по кабелю стерео сигнал, или же, другими словами – два отдельных сигнала для левого и правого каналов. Возникает соблазн применить для этого кабель как на рисунке.
Это витая пара в экране. Такие кабели очень широко распространены и весьма доступны. По одному проводу пары можно передавать левый канал, по второму проводу – правый. Оплетка - общий провод. В принципе, рабочий вариант, но не очень хороший. Из-за плотной свивки проводов пары, между ними образуется сильная емкостная связь, которая становится довольно существенной при большой длине кабеля. Через эту распределенную емкость сигнал левого канала может проникать в правый и наоборот. При передаче стереозвука это не так существенно, поскольку сигналы левого и правого каналов отличаются слабо. Но вот при передаче иных сигналов этого способа следует избегать.
Лучше все таки использовать такой кабель для передачи только одного сигнала, например включив так
Здесь сигнал передается по витой паре, а экранирующая оплетка подключена к общему проводу только в одной точке.
По второму проводу можно также передавать питание постоянным током. Постоянный ток не проходит через распределенную емкость и потому влияния на сигнал не оказывает.
Но тут надо озаботиться тем, чтобы по питанию не передавались помехи от источника питания, поставить фильтра по входу и по выходу в кабель. Таким образом, например, подается питание 48 В на студийные микрофоны.
А для передачи стерео лучше все же использовать отдельные экранированные провода. Экраны этих проводов можно соединить с общим проводом.
Отдельно необходимо рассмотреть передачу различных цифровых сигналов по дифференциальной паре. Это интерфейсы RS485, CAN, LVDS и т. д. Для них тоже применяется описанная выше дифференциальная пара с экраном. Часто для таких кабелей даже нормируется волновое сопротивление витой пары в 110…120 Ом, что указывается в маркировке. Разумеется, такие кабели без проблем можно применять и для аналоговых сигналов, также как и ненормированные кабели можно применять для цифровых. Нормированное волновое сопротивление это, конечно, хорошо, но не настолько принципиально. Интерфейсы RS485, CAN, LVDS – дифференциальные, но с гальванической связью с общим проводом. Иными словами, для их корректной работы необходимо чтобы общие провода соединяемых приборов также были соединены. Некоторые драйверы некоторых интерфейсов допускают довольно существенный разбег потенциалов общих проводов устройств, но на это лучше не рассчитывать. В итоге, схема подключения этих интерфейсов следующая:
Дифференциальный сигнал передаются по диффпаре, а общие провода соединяются оплеткой кабеля. Если между соединяемыми устройствами возможно протекание больших уравнивающих токов, необходимо применить драйверы вышеупомянутых интерфейсов с гальванической развязкой. Если токи небольшие, то этим заморачиваться не обязательно.
Передача ВЧ сигналов по коаксиальным кабелям, в принципе, ничем не отличается от передачи по экранированному кабелю. С теми же самыми проблемами и аналогичными решениями. По сути, коаксиальный кабель это тот же самый экранированный кабель, в нем изолированный проводник окружен оплеткой. Единственное отличие – этот кабель имеет строго определенные геометрические размеры – его диаметр проводника и расстояние от центральной жилы до оплетки определяют волновое сопротивление, которое обычно составляет либо 50 либо 75 Ом. Оплетка коаксиального кабеля также обычно соединяет общие провода или корпуса приборов, а потому по ней возможно протекание уравнивающего тока и, соответственно, наведение помех. Но, поскольку по коаксиалу обычно передают ВЧ или РЧ сигнал, рабочая частота которого может отстоять очень далеко от частоты токов помех, такие помехи могут совершенно никак не мешать. Поэтому, гальваническую изоляцию сигналов, передаваемых по такому кабелю применяют очень редко и в исключительных случаях.
Для таких кабелей большей важностью является необходимость сохранять «коаксиальность» по всей длине прохождения сигнала. Иными словами, геометрические размеры, характерные для того или иного волнового сопротивления должны быть неизменными по всей длине проводника, чтобы не происходило переотражений сигнала от неоднородностей этого сопротивления. По всей длине тракта должны использоваться разъемы строго только того или иного волнового сопротивления. Заделка кабеля в эти разъемы должна быть выполнена правильно, не допускаются никакие скрутки или переход коаксиала в двухпроводную линию. Для соединения кусков коаксиального кабеля необходимо использовать коаксиальные муфты такого же волнового сопротивления, что и кабель.
Итак, резюмируем. Есть два основных пути проникновения наводки в передаваемый по кабелю сигнал – через электрическое поле и через магнитное поле. Основные способы борьбы с наводками: шунтирование (уменьшение входного и выходного сопротивлений источника и приемника), передача сигнала по дифференциальной паре, экранирование, гальваническая развязка. Эти способы можно применять как по отдельности, так и комбинировать, в зависимости от решаемой задачи. Пример решения, когда применяются все описанные методики – высокоскоростной (> 1 Гбит) Ethernet. Там и низкие сопротивления источника и приемника (100…120 Ом), использование дифференциальной пары, присутствует гальваническая развязка и экранирование (причем, в некоторых кабелях помимо общего экрана еще и экранируется каждая пара в отдельности).
Вопросы и замечания прошу писать в комментариях.
Автор: zatim
Источник [2]
Сайт-источник PVSM.RU: https://www.pvsm.ru
Путь до страницы источника: https://www.pvsm.ru/e-kranirovanie/444146
Ссылки в тексте:
[1] клеткой Фарадея: https://ru.wikipedia.org/wiki/%D0%9A%D0%BB%D0%B5%D1%82%D0%BA%D0%B0_%D0%A4%D0%B0%D1%80%D0%B0%D0%B4%D0%B5%D1%8F
[2] Источник: https://habr.com/ru/companies/timeweb/articles/985158/?utm_campaign=985158&utm_source=habrahabr&utm_medium=rss
Нажмите здесь для печати.