Когда смотришь различные статьи радиолюбителей, о изготовлении устройств, то там обычно устройство выполняет различные функции, делает это красиво и изящно. Но в 90% случаев само устройство представляет собой, сколхоженное на коленке, с кучей проводов, непонятное нечто. Всё это связанно как правило с тем, что люди даже не задумываются как будет выглядеть их будущее устройство.

В качестве ответа к заголовку поста скажу, что любое устройство начинается с корпуса. И можно легко и просто сделать стильный качественный корпус имея голову, немного денег и желание.
В своё время ЖЖ-юзер, товарищ
leoniv показал мне, что любое более-менее серьёзное устройство начинается с корпуса. При чём, чем лучше корпус, тем презентабельнее будет выглядеть данный девайс.
Зачем это надо
Что же означает, что устройство начинается с корпуса? Надо конечно понимать, что разработка устройства, как правило делится на два этапа: тап макетирования и производство конечного продукта. На этапе макетирования не важно, как же будет выглядеть устройство, здесь может быть любой колхоз. Но вот мы отмакетировали и в общих чертах представляем какие же детали и компоненты будут составлять наш конечный продукт. На этом этапе стоит задуматься о подборе или даже проектировании корпуса для вашего устройства.

Этап макетирования
Как правило данный этап многие опускают, делают платы, мол, потом куда-нибудь запихаем. И у очень многих творцов их поделки представляют собой просто платы с детальками и кучей проводов. Да что говорить творцов, я такие вот конечные изделия встречал сплошь и рядом в производствах и промышленных применениях.
На деле же, изначально нужно прикинуть какие компоненты будут установлены на плату, примерный размер будущей ПП. Затем разработать, купить корпус, и уже по результатам посадочных мест в корпусе приниматься за разработку конечной ПП, контуры которой должны точно вписываться в данное корпусное изделие.
Этапы реализации
У меня дома всегда есть несколько купленных корпусов. Как правило я их покупаю, когда бываю в различных РЭ магазинах. И вот тут, как раз для моего девайса оказался отличный алюминиевый корпус, купленный в Чип-дип www.chipdip.ru/product/k3-03-80mm.aspx. Корпус был всем хорош, и отличное посадочное место для платы (вставляется в него как картридж и держится с двух сторон лицевыми панелями), и прекрасный презентабельный внешний вид, и приличный вес. При чём, в случае необходимости можно его ещё и как радиатор использовать.
Однако, у него оказались ужасные лицевые панели. Такое ощущение, что их делал пьяный дядя Вася. Там даже отверстия просверлены достаточно криво и косо. Да и внешне они смотрелись очень уныло. А хотелось праздника и красоты!
Надо было там разместить дисплей, светодиоды, разъёмы. Ещё хотелось предусмотреть возможность добавления ещё одного технологического отверстия, типа как у комповых корпусов, чтобы можно было выломать область при необходимости. В общем, стало понятно, что из этих боковых пластин напильником и дрелью такой красоты не получить в домашних условиях.
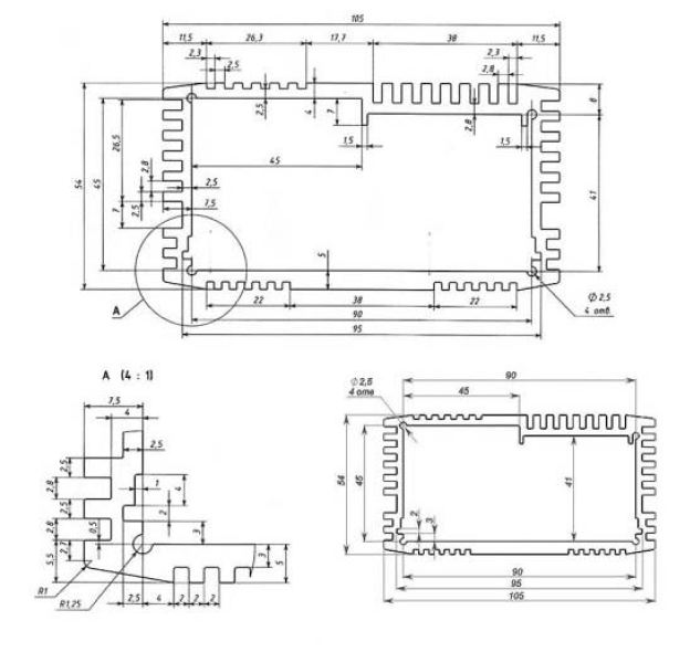
Стало ясно, что переднюю панель нужно изготавливать снуля. Я не зря дал ссылочку на сайт Чип-дипа, там прямо на этой страничке есть размеры корпуса, которые позволяют сделать чертёж будущей передней панели.

Чертёж корпуса
На момент изготовления передней панели, я уже чётко себе представлял где у меня будет располагаться какие компоненты (разъём, плата, кнопка) и имел примерный эскиз. И я обратился к своему коллеге
v-michurin с просьбой расчертить мне эти две передние панели. Что он достаточно быстро сделал в SolidWorks (можно было сделать и в автокаде или другом CAD-чертёжнике).

Чертёж лицевой панели

Чертёж задней панели. Красной стрелкой показана выламываемая часть, для дополнительного технологического отверстия.
Разумеется, что я ему предоставил все типоразмеры устанавливаемых деталей. Говоря простым языком, я ему дал эти детальки, они были измерены штангенциркулем и перенесены на чертёж.
После чего, я заказал через знакомых, лазерную резку этих заготовок. Для красоты, сделал ещё гравировку названия прибора. В качестве материала взял 2 мм нержавеющую сталь и не прогадал. Результат превзошёл все мои ожидания.

Свежеизготовленные панели
За качество фотографии приношу свои извинения, фотографировал на телефон сразу после получения. А разбирать для поста готовое устройство уже было лениво. По деньгам, изготовление этих панелей, мне стало около пятисот рублей (~17$). Думаю, если заказывать сие изделие официально, то это станет не на много дороже. Зато, получается прибор совершенно иного качества. Нержавейка оказалась прекрасным материалом для изготовления лицевых панелей. Единственный заметный недостаток — её очень легко поцарапать даже отвёрткой при закручивании винтов. Сорвалась и опа — царапина.
Конечный результат
В общем, после радости от получения, я приступил к сборке. Для крепления дисплея и разъёма типа DIN, я использовал нержавеющие винты. К сожалению нержавеющий саморезов у меня нет, по сему пришлось использовать оцинкованные, и они, конечно, немного портят вид. Быть может, заморочусь и куплю таки себе таковых 8 штук. Итак (барабанная дробь) представляю вашему вниманию конечный результат:

Общий вид

Лицевая панель (обратите внимание на мелкие царапины, полученные во время сборки)

Задняя панель
Результат поразителен. В домашних условиях получить такую красотень почти невозможно. Единственное, что технологическое отверстие, которое предполагалась сделать с выламываемым куском металла, оказалось совершенно непрактичным. Усилие, которое потребуется чтобы его выломать, просто испортят саму пластину. В результате это несёт скорее декоративную функцию, мол вот что могло бы быть.
Вывод
В качестве вывода могу сказать, что я жалею, что не придумал какой-нить травянистый рисунок в качестве контура. Это значительно бы украсило лицевую панель. Плюс, как я уже говорил, для серийных образцов нержавейка конечно не годится. Во первых, она дорогая, а во вторых легко царапается. В данном случае лучше использовать крашенный чёрной порошковой краской алюминий (материал, из которого изготовлен сам корпус). При гравировке получаются очень яркие белые буквы на чёрном фоне.
Так же хочу сказать, что «Чип-Дип» не самое лучшее место для покупки чего-либо. Это барыжнический магазин. Корпуса лучше покупать в других организациях (http://www.efind.ru/ поможет найти корпус даже в вашем городе), или на ебее и иже с ним. Порой можно найти по истине очень удачные корпуса, как нельзя лучше подходящие для вашего устройства.
К слову, надо сказать, что корпус вообще можно изготовить с нуля по чертежам. И даже выгнуть его или отлить. Правда тут будут уже совершенно другие суммы, но не такие недоступные, как это может показаться.
На всякий случай, если вдруг кто захочет изготовить аналогичные передние панели для этого типа корпусов, выкладываю чертежи этих панелей. chertezh.zip
Пользуясь случаем, хочу выразить отдельную благодарность моему коллеге
v-michurin за посильную помощь в проектировании этого корпуса. Обращайтесь к нему, быть может он сможет помочь и вам :).
Так же хочу показать, как только своими силами можно сделать корпус промышленного качества. Почитать об этом можно у товарища
leoniv в комментариях по ссылке leoniv.livejournal.com/80594.html?thread=390866#t390866. Там всё хорошо иллюстрированно и описано.
З.Ы. Назначение прибора я пока опущу, т. к. это не относится к данной статье. В дальнейшем, если прибор будет доделан, хабр узнает о нём одним из первых.
З.З.Ы. Я не очень грамотный человек, и всегда с большой благодарность принимаю замечания по орфографии и пунктуации (а если ещё и ссылку на правило… ;) ). Но не портите себе карму, присылайте замечания по орфографии личным сообщением.
Автор: dlinyj
