Проблема в том, что люди верят во все, что написано в Интернете (В.И.Ленин)
Очередная зарисовка, как всегда, выросшая из практической задачи.
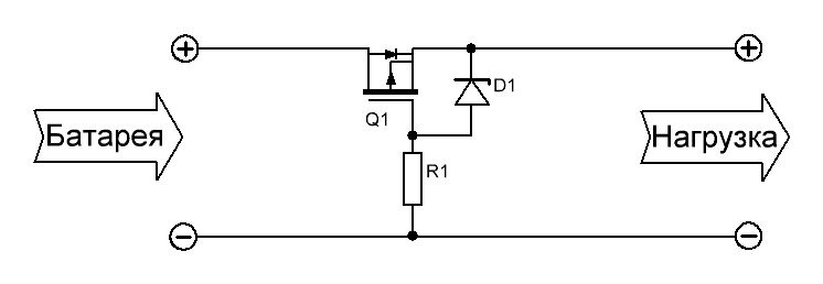
Имеется устройство -аккумуляторная батарея, состоящая из трех секций аккумуляторных ячеек (АЯ) (литий-ионных, хотя это неважно) и необходимо обеспечить их совместную работу на общую нагрузку. Для решения данной задачи поставлены три ключа на полевых транзисторах, индивидуально управляемых с микроконтроллера. Естественно, что каждый ключ образован двумя последовательно включенными транзисторами, управляемыми минусом на затворе (я постоянно путаю буквы n и p, так что пользуюсь такой терминологией), так что стоят они в плюсах батарей - пока ничего нового, таких схем двенадцать на дюжину, см рис.1.
Но случилась беда - при попытке включиться при глубоком минусе (-40) батареи неожиданно начали отключаться под нагрузкой, хотя всего лишь год назад вполне выдерживали такой режим. Связано это было с изменившимися параметрами ячеек.
Примечание на полях (пнп): сама по себе история весьма занимательная — года два назад в один прекрасный день нам приходит письмо от дилера известной французской фирмы, название которой начинается на букву S, выпускающей АЯ (это было до весны 2022 года и мы спокойно покупали эти изделия), в котором нас извещают, что упомянутая фирма провела улучшения технологии и готова поставлять модифицированные ячейки, которые имеют несколько иное напряжение (3.65В против 3.7В), зато количество допустимых циклов зарядки увеличилось в разы. В конце письма было написано, что остальные технические параметры ячеек остались без изменений. Ну что же, замечательное предложение и мы, конечно же, согласились на него.
Как известно, дьявол кроется в деталях и в данном случае это было приложение к письму, в котором технические параметры новых ячеек явно указывались. Мне трудно представить логику человека, считающего, что допустимый ток разряда 1С при -40 в старых ячейках и допустимый ток разряда ячейки 0.1С при -40 в новых - это отсутствие изменений, но, видимо, такие наличествуют в штате упомянутого дилера. Тем не менее, "покупатель, будь осторожен" - нужно было внимательно изучать указанные параметры, а не верить на слово, но к настоящему моменту поезд не просто ушел, а стоял на следующей станции и на складе лежали ячейки нового типа.
Ладно, надо что-то делать, а для начала понять происходящее. Установлено, что в новых ячейках повышается внутреннее сопротивление при низких температурах, из-за чего падает напряжение на выходе ячейки при значительных рабочих токах и происходит отключение за счет срабатывания защиты от глубокого разряда. Пнп: и, разумеется, схема защиты заново откроется только при подаче на АЯ зарядного напряжения. Очевидное решение - снизить ток нагрузки, для чего включить все три секции одновременно. Но нельзя просто так взять и соединить аккумуляторные батареи (АБ) параллельно - может начаться «кросс-заряд» и мы лишь усугубим проблему, да и загонять в АБ с меньшим напряжением зарядный ток при отрицательных температурах - так себе идея. Поэтому необходим элемент, предотвращающий протекание обратного тока и он хорошо известен - это диод.
Можно было просто добавить по диоду в цепь каждой АБ и тогда поста бы не было, но ... падение на диоде никуда не денется, а у нас при минусе, похоже, каждая сотня милливольт на счету. Пнп: это падение не страшно с точки зрения срабатывания защиты, поскольку расположено снаружи защищаемой секции батареи, но нагрузка его точно почувствует. Да и сама по себе идея взять и отдать просто так 3-4% накопленной мощности акумулятора (0.8В/24В) при НКУ (и почти 5% при низких температурах 1.0В/20В) не вдохновляет.
Поэтому нам нужен "идеальный диод" (ИД), который мы и сконструируем. Прежде всего данный прибор должен иметь:
-
минимально возможное падение при смещении в прямом направлении и
-
минимально возможный ток при смещении в обратном направлении.
Реализовывать управление ИД мы будем на правом транзисторе и первый кандидат на эту роль - схема защиты от пере-полюсовки (схема Писа), вот она на рисунке 2.

Пнп: обратим внимание на "обратное" включение транзистора - ток бежит от стока к истоку, иначе параллельный диод все испортит при обратном смещении.
С первым свойством все хорошо, если напряжения питания достаточно для устойчивого открывания транзистора Up>>Ugs0. Иногда нам может даже понадобиться дополнительный элемент - стабилитрон, чтобы ограничить напряжение затвор-исток допустимыми значениями при Up>Ugsmax.
Со вторым свойством тоже все хорошо (на первый взгляд) - если мы подадим на входные клеммы обратную полярность, то транзистор надежно закрыт (конечно, если Up<Udsmax) и мы видим только небольшой обратный ток диода. К сожалению, данная схема ИД не является, поскольку не препятствует протеканию обратного тока, если напряжение на выходе схемы превышает входное. Пнп: я всегда рисую схему слева направо, поэтому вход всегда слева, а выход всегда справа, но в данном случае ток совершенно точно пойдет в обратном направлении. Ведь полевой транзистор довольно таки условно имеет сток и исток (особенно если забыть про встроенный диод) и ток вполне себе протекает как от истока к стоку, так и в обратном направлении. Значит, схему управления транзистором придется дополнить и достичь этого можно разными способами.
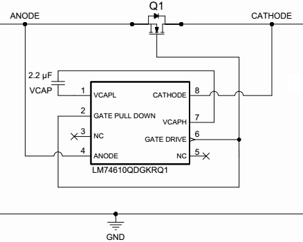
Первый способ - это классический ИД, когда мы применяет специальную микросхему, которая сравнивает напряжение слева и справа от ключа и при превышении второго над первым отключает транзистор (схема 3). Пнп: в качестве примера я взял одно из последних творений сумрачного западного гения, которое может работать без третьей точки подключения (минуса питания).
Таких микросхем довольно-таки много от различных фирм-изготовителей. Кроме указанной функции предотвращения обратного тока, они могут иметь защиту по току, выполнять функцию ограничения выходного напряжения, обеспечивать "мягкое" включение и так далее. Обратим внимание на то, что в составе данной схемы присутствует компаратор и выходное напряжение подается на него с небольшой вольт-добавкой. Пнп: интересно, как ее реально делают, маловероятно, чтобы в схеме присутствовал настоящий "плавающий" источник на десяток милливольт. PS. Недавно увидел такую схему – это просто генератор тока и последовательный резистор, все просто.
Эта часть схемы гарантирует, что при работе в прямом направлении компаратор точно не включится (ведь у реального компаратора есть напряжение смещения) и не начнет стабилизировать напряжение на открытом транзисторе, создавая дополнительное падение. Правда, теперь и отключение транзистора произойдет не сразу же по превышению выходного напряжения, а оно должно будет вырасти более, чем на величину вольт-добавки, до этого момента будет протекать небольшой обратный ток, но за все в этом мире надо платить. Данный вариант хорош и вполне может быть выбран при реализации схемы прибора, но, как доработка готового устройства, не очень привлекателен - у микросхемы много ножек и их надо куда-то подключать, далеко не всегда такие микросхемы имеются в запасе в достаточном количестве, зато у радиоинженера всегда есть достаточный запас дискретных элементов - транзисторы, диоды, резисторы.
Второй вариант будем делать "на рассыпухе", приняв за основу уже имеющуюся схему защиты от пере-полюсовки. Очевидное решение представлено на рисунке 5 - компаратор, управляющий транзисторным ключом. Здесь тоже все просто и понятно, но есть и недостатки и главный из них в нашей ситуации - тоже много монтажа.
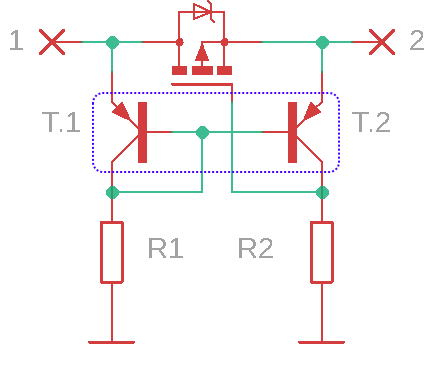
Постараемся сделать компаратор "из веток и палочек", тем более, что это несложно. Нам поможет ключевое слово "дифференциальный каскад" и без особых усилий мы создаем схему 6, где компаратор реализован на паре транзисторов (лучше, конечно, на согласованной паре) и блокирует открывающее ключевой транзистор напряжение на затворе своим правым выходом при превышении выходного напряжения над входным.
К сожалению, мы не сможем простыми средствами реализовать вольт-добавку в одном из плеч, но использование зависимости напряжения на эмиттерном переходе от протекающего базового тока нам дает определенные возможности. Так что схема получается несложная, не требующая настройки, простая в исполнении и потребует (на каждый ключ) два биполярных транзистора малой мощности и три резистора. Пнп: у этой схемы есть свои особенности, и они очень подробно рассмотрены в материале https://www.mobipower.ru/modules.php?name=News&file=article&sid=616, настоятельно рекомендую. Но есть еще и третий вариант, собственно на него я наткнулся первым и был слегка удивлен, вот он на рисунке 6а.
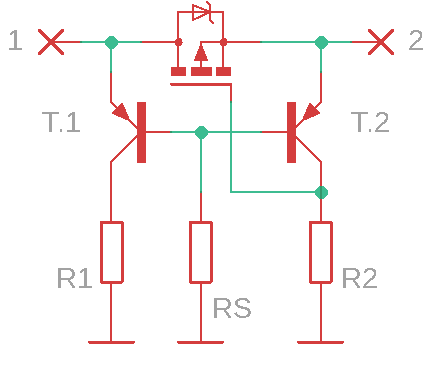
Рис.8 Сначала непонятно, что это вообще за "загадочная шняга" и как оно может работать, но, если перерисовать схему правильно, как показано на рисунке 6б, то мы сразу же узнаем аналог предыдущей схемы, в которой не очень нужный нам левый транзистор (ведь нам нужен только положительный выход компаратора) заменен на диод.
Да, при этом требуется согласование напряжения открывания двух приборов разного типа, хотя мы вполне вместо диода можем использовать переход база-эмиттер первого транзистора (как и сделано на рисунке 9), зато третью ножку левого транзистора можно не припаивать к плате, и мы еще экономим целый резистор, который надо где-то расположить при доработке.
Так что схема вполне рабочая и близкая к идеальной, может быть рекомендована к использованию, особенно если ее правильно отобразить.
Пнп: в последнее время (наверное, это возрастное) мне стало особенно неприятно смотреть на неправильно нарисованные схемы, где вход справа, а выход слева, где вверху минус, а внизу плюс и ток течет снизу-вверх, где определяющий параметры устройства настроечный резистор рисуют не возле регулируемого элемента, а на другом листе схемы и так далее. Впрочем, как заметил классик: "Это раздражает тех немногих, кто еще помнит, как должно быть" и в ближайшие два-три десятка лет (а может быть, и больше, я оптимист) прекратится.
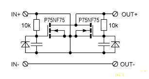
Ну и в завершение - то, что, собственно, и подвигло написать данный пост. На просторах Интернета первой в выдаче на запрос "идеальный диод" представлена следующая схема (рисунок 10), которая, по мнению ее авторов из КНР (но это не точно), тоже является идеальным диодом.
Совершенно очевидно, что, если бы эта схема работала как идеальный диод (спойлер - она не работает), то она нарушала бы все законы электроники и электротехники заодно. Поэтому я настоятельно предостерегаю читателей от бездумного копирования из Интернета что схем, что программных модулей и рекомендую помнить сакраментальный фразу "В Интернете нельзя верить никому, даже проверенным сайтам. Мне - можно."
Автор: Автушенко Игорь
