Не так давно я уже рассказывал про отечественные домофоны, построенные исключительно на микросхемах логики 561 серии. Но сейчас мы отойдём от древних «Визитов» и рассмотрим совершенно иной по конструкции девайс, который в чём-то даже интереснее предыдущих.
Итак, в сегодняшней статье поговорим про аналоговые домофоны Cyfral M-2, M-4, M-10 и M-20. Узнаем, чем они так примечательны, и детально рассмотрим их схемотехнику. Традиционно будет много интересного.
❯ Суть такова

То ли дело наш сегодняшний экземпляр. В плане подключения он ничем не отличается от более поздних «Цифралов»: нужен только блок питания и контроллер замка. Как же он работает? Давайте разбираться.
❯ Обзор оборудования
На опыты ко мне попали сразу две панели: М-2 и М-10. Впрочем, по принципу работы они идентичны, так что можно говорить о них как об одной.

Домофон на два абонента.

А вот его версия на десять квартир.

С обратной стороны облезшая крышка и три регулировочных потенциометра. Подключается панель обычным шлейфом.
❯ Внутренности
Самое время посмотреть на начинку.
Первым взглянем на М-2. Крышки здесь то ли в принципе не было, то ли она была утрачена ещё до меня. На плате всего четыре микросхемы логики, также виден операционный усилитель К157УД2, использующийся тут как компаратор, а также УМЗЧ MC34119P.

С обратной стороны платы кнопки, два светодиода подсветки и стабилизатор. Интересно, что плата для домофонов М-2 и М-4 унифицирована, здесь даже стоят «лишние» кнопки, нажать которые в собранном виде, правда, не получится. Идея использовать зелёные светодиоды вместо чаще всего применяемых для этого красных довольно интересная, но неудачная: светят они слишком уж тускло.

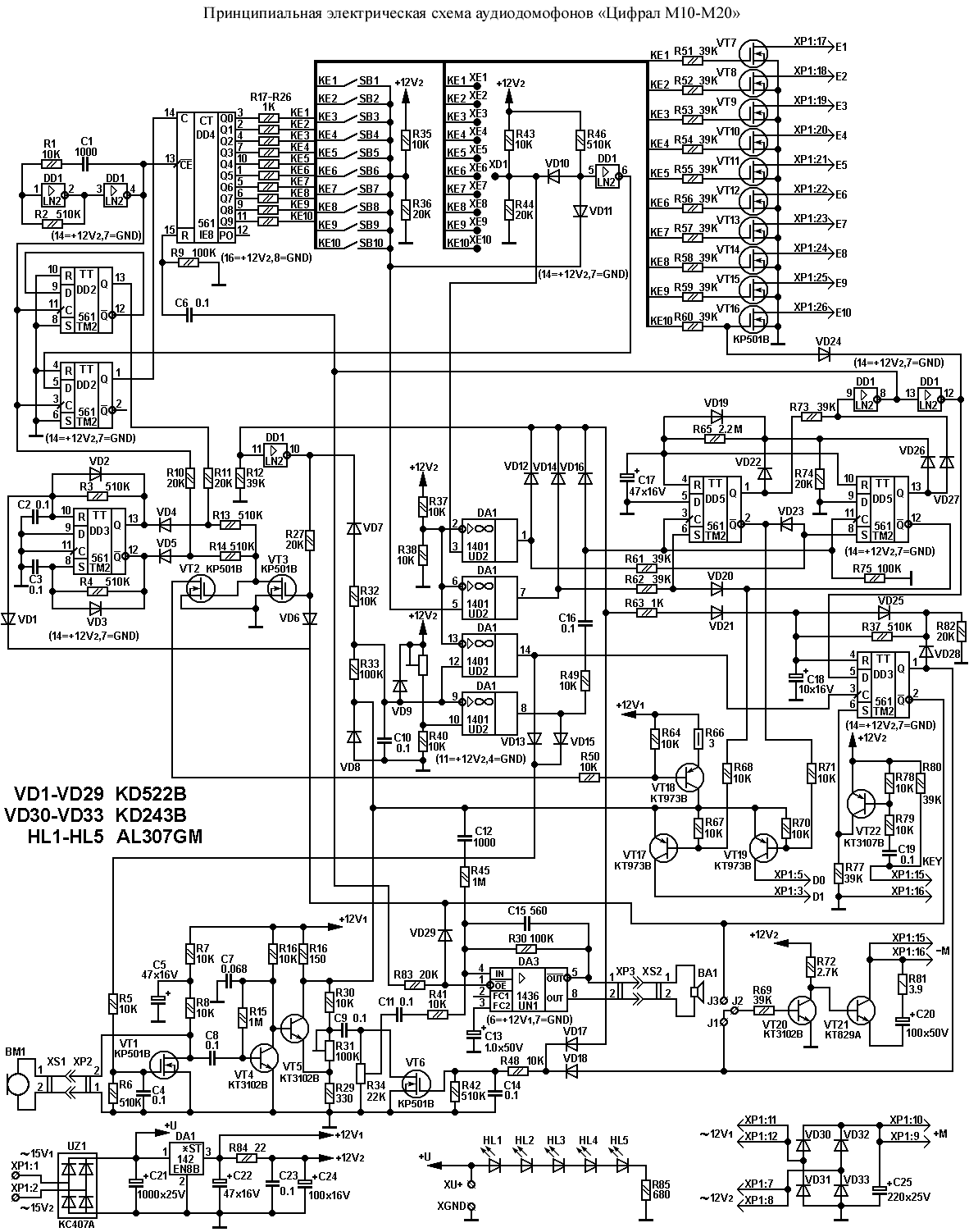
Теперь очередь М-10. Здесь стало на один чип логики больше, в остальном же всё ожидаемо.
❯ Ключи
Как вы уже заметили, имеющаяся у меня панель оснащена контактным считывателем. Впрочем, в самом домофоне ничего для поддержки чтения ключей нет: предполагалось использовать внешний контроллер.

Помимо M-10/t существовала и М-10/0, в которой был оптический считыватель. Что у неё внутри и какой там контроллер, мне неведомо, если вдруг попадётся нечто подобное, то обязательно разберу и покажу.
❯ Подключение
Теперь разберёмся с тем, как же запустить этот девайс.

С M-2 проблем не возникло. Питание нашлось по диодному мосту, земля — по выводам микросхем, остальное — опытным путём. К слову говоря, несмотря не то, что в М-2 нет третьей и четвёртой кнопки, отводы для этих трубок всё равно есть.

Существовало четыре версии такой панели, все на разное число абонентов. Распиновка у них, впрочем, идентичная.

Также была модификация с контактным считывателем. Был ли там встроенный контроллер, мне неведомо. Что же до оптических, то малоабонентских панелей с такими ключами не выпускалось.

Куда сложнее оказалось с М-10: распиновки на него нет. Её удалось добыть благодаря товарищу, у которого имелся знакомый, некогда обслуживавший такие панели. Отсюда узнаём, к каким контактам подключается питание, считыватель и трубки.

От него же удалось заполучить фотографии установленной панели.

Этот экземпляр всё ещё включён, но уже не эксплуатируется.
❯ Запускаем
Самое время увидеть в работе оба моих экземпляра. Никаких проблем с этим не возникло, обе панели завелись сразу же и без каких-то проблем. И я даже снял видео, дабы показать, как они звонят.
Первым запускаем Cyfral M-2.
А вот и М-10.
Как видно, по работе он практически ничем не отличается от нынешних экземпляров. Единственное отличие в том, что для звонка кнопку надо удерживать. Впрочем, во время разговора держать её нажатой уже не нужно. Проще говоря, для вызова необходимо подержать кнопку пару секунд, дождаться, пока абонент подойдёт к двери и снимет трубку, после чего говорить. Некоторым будет интересно: а что, если нажать две кнопки сразу? Ничего особенного, просто звонок будет идти в несколько квартир, а ответить можно будет в той, кнопка которой была отпущена последней.
❯ Схемы
У «Цифрала» очень хорошая поддержка, даже на старые модели (за исключением совсем уж раритетов вроде CCD 20947, CCD 2097, CCD 2094/TC и TM) есть инструкции и схемы.

Этот экземпляр не стал исключением, схема, хоть местами и нечитабельная, также имеется (кликабельно).

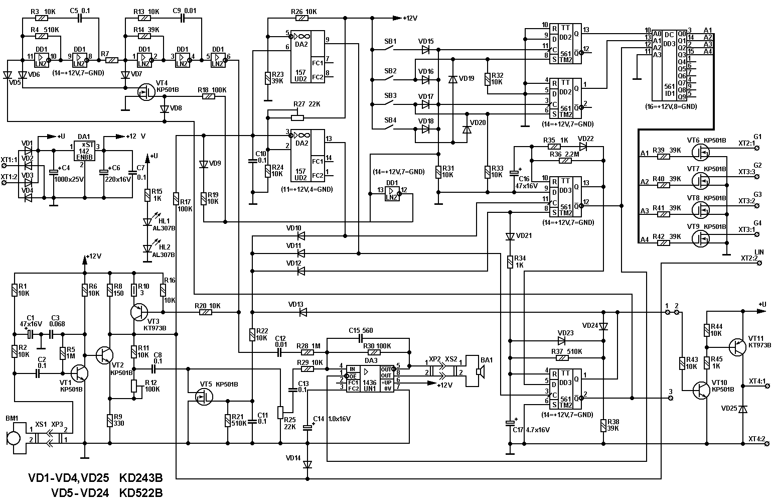
Но совершенно случайно удалось найти схему в лучшем качестве. Вот, например, для панелей М-2 и М-4…

… а вот — для М-10 и М-20.
Также нашлась инструкция для малоабонентских панелей (увы, без единого рисунка).
Домофоны выполнены по принципу прямой адресации абонента т.е. каждому абоненту соответствует своя кнопка на блоке вызова.

Для вызова абонента необходимо нажать соответствующую кнопку на блоке вызова. При этом двухтональный вызывной сигнал звучит в переговорном устройстве абонента и в громкоговорителе блока вызова. Длительность сигнала зависит от длительности удержания кнопки вызова. После снятия трубки переговорного устройства, абонент может переговорить с посетителем и дистанционно открыть электрозамок кратковременным нажатием соответствующей кнопки. Дистанционное открывание подтверждается однотональным звуковым сигналом в громкоговорителе блока вызова. Связь с посетителем прекращается по окончании отведенного времени ( около 1 мин.) или при возвращении переговорной трубки на подставку
Монтаж устройства осуществляется в соответствии с прилагаемой монтажной схемой. Неверное подключение приводит к выходу изделия из строя.
Особо внимательно следует относиться к правильности подключения полярности абонентских переговорных устройств. Плюс следует подключать к клемме “линия”, минус – к клеммам абонентов. Ошибка приводит к неправильной адресации и сбою в работе. Неиспользуемую линию необходимо нагрузить резистором 100 Ом 0,25 Вт.
Сопротивление провода, соединяющего блок вызова и блок питания не должно превышать 1 Ом. Невыполнение требования приводит к появлению фона переменного тока при работе устройства.
Схема подключения домофонов CYFRAL M-1….М-4 представлена на рис. 1 и является общей для всех моделей.
На задней крышке блока вызова предусмотрено два отверстия для регулировки звукового тракта домофона. Регулировка производится отверткой с шириной рабочей части не более 2,5 мм и толщиной не более 0,5 мм.
Больше на них ничего найти не удалось. Впрочем, большего нам и не нужно.
❯ Как работает «Цифрал»
Устроены эти девайсы достаточно просто. В их основе лежит компаратор, усилитель и немного микросхем логики.

Вот напряжение в линии типичного координатно-матричного домофона. Как можно видеть, при положенной трубке оно довольно мало. При снятии оно повышается до какой-то средней точки, а домофон переходит в режим разговора. При нажатии кнопки открытия внутри трубки отключается разговорная цепь, напряжение в линии подскакивает, а домофон открывает дверь. Таким образом, необходимо два компаратора: один отслеживает нижний порог, другой — верхний.
В нашем случае (на примере М-10) за это отвечает микросхема DA1 (К157УД2), сигналы от которой подаются на триггеры DD3 и DD5 (К561ТМ2). К слову, именно поэтому в инструкции сказано, что «ненужные» квартиры надо зашунтировать резисторами, иначе при попытке позвонить туда домофон будет сразу открывать дверь или просто глючить.
На триггере DD3 собран генератор гудка. Реализован он довольно интересно: сам по себе он непрерывно пищит, а для того, чтобы при вызове раздавался характерный звук, он прерывается отдельной цепью. А вот при открытии двери раздаётся тот же самый звук, только на этот раз взятый напрямую со входа генератора. На счётчике DD4 (который также снабжён своим генератором импульсов, на этот раз на микросхеме К56ЛН2) построена цепь выбора абонента. При отжатии кнопки выход генератора гудка отключается (при этом сам он продолжает работать, если снять трубку, слышно, как в динамике панели он продолжает тихонько пищать) а подача импульсов на счётчик останавливается, отчего транзистор, управляющий полевиком для соответствующего абонента, остаётся открытым, позволяя снять трубку и ответить на звонок. После того, как трубка будет положена, все триггеры сбрасываются, возвращая девайс в исходное состояние.
❯ Что же было дальше?
Домофоны на микросхемах логики выпускались до начала нулевых. После этого Цифрал выкатил новые модели: М-1М, М-2М, М-4М, М-10М, М-20М. В отличие от предыдущих, они были построены на базе микроконтроллера.

У меня даже отыскался такой домофон. Это М-20М/T. Здесь уже совершенно другой, куда более современный дизайн, другие звуки вызова.

Красные светодиоды подсветки.

Впрочем, подключение осталось таким же, как у любого другого координатно-матричного домофона.

Внутри теперь мало интересного: куча транзисторов, управляющих трубками, микроконтроллер, пустующее место для камеры.
А вот как он звонит. Возможно, такой домофон даже стоит на подъезде у кого-то из вас.
В нём даже есть режим программирования, состоящий из единственной функции: блокировка и разблокировка квартир. Панель совершенно простая и дубовая и используется во многих городах.

Модель на десять квартир я видел даже у себя в Челябинске.
❯ Вот как-то так
Как видно, эти панели были, пожалуй, самыми простыми многоабонентскими домофонами из ныне существующих. Проще только советские реликты, собранные на транзисторах и реле. Но про них поговорим уже в следующий раз, если вдруг мне доведётся раздобыть такой экземпляр.
Такие дела.
Автор: Лев
