Закупили как-то на нашем предприятии интеллектуальные реле (далее в тексте — контроллеры) Zelio Logic. Контроллеры с питанием от сети 220 вольт. Распределили по подразделениям, снабдили инструкциями, программным обеспечением, приказали освоить и придумать, куда бы внедрить.
На всю партию купили всего один кабель для прошивки через COM-порт. Стоимость кабеля очень высокая. Кабель этот, сразу же, забрали коллеги - конкуренты. Сказали, что все прошивания только через их ПК.

ПО мы установили, инструкции изучили, часть контроллеров внедрили в производственный процесс, а хотелось поэкспериментировать, по прошивать, и чтобы никто через плечо не заглядывал.
Со временем возникла необходимость иметь свой кабель для прошивки контроллеров.
Начал я изучать вопрос, как устроен кабель. Когда он попал ко мне в руки, я его разобрал, внутри было: пара оптопар, пара диодов, конденсатор — ничего сложного. Можно попробовать изготовить что-нибудь подобное.
Поискав в интернете, нашел две статьи по данной теме.
В этих статьях умельцы прошивали контроллеры с помощью USB-TTL адаптеров, преобразователя уровней ST232BN, телефонного шнура. Только все это подключалось напрямую, без гальванической развязки. На контроллерах с запиткой от 24 вольт это прокатит, а у меня 220 и ни какой гальванической развязки по питанию (я вскрывал). Не просто так оптопары в шнуре стоят.
В общем, USB-TTL адаптер у меня есть, распиновка разъема на контроллере мне известна, нужно собрать оптическую развязку.

На сайте https://radiokot.ru/circuit/digital/pcmod/34/ я нашел схему гальванической развязки COM-порта.
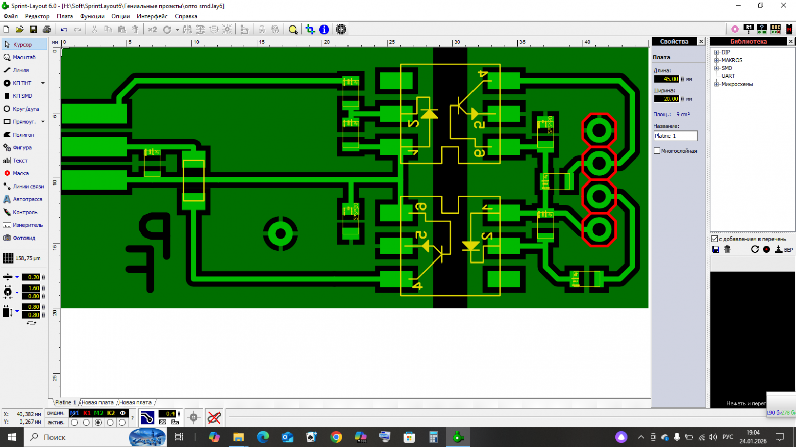
Схема целиком мне не нужна, а только оптопары с обвязкой — по три резистора и конденсатор с каждой стороны. Оптопары H11L1 у меня имелись. Макетной платы у меня тогда не было, и я решил, не проверяя работоспособность схемы, изготовить печатную плату.
Я нарисовал двухстороннюю плату в Sprint-Layout, вытравил, распаял детали. Оптопары H11L1 у меня были в DIP-корпусах, я укоротил ножки и выгнул для планарного монтажа. Получилось не без ошибок, вместо того чтобы подтянуть выход оптопары к плюсу питания резистором 450 кОм, я этот резистор включил последовательно. Но, как ни странно, всё заработало, контроллер соединился с ПК и прошился. Позже я доглядел и исправил.
Сейчас на нашем предприятии, из-за импортозамещения, постепенно внедряются программируемые реле ОВЕН. Но Zelio Logic ещё работают, и моя доработка мне ещё пригодится.
Автор: fpavelv
