Мне попалось объявление о продаже крохотного чипа, обеспечивающего 5 В изолирующего питания (гальваническая развязка). Вы подаёте 5 В с одной стороны, и получаете 5 В с другой. Примечательно в нём то, что разница напряжений между этими двумя сторонами может достичь 5000 В. В чипе установлен преобразователь DC-DC и крохотный изолирующий трансформатор, поэтому между сторонами нет прямого электрического соединения. Меня потрясло, что они смогли впихнуть всё это в корпус размером меньше ногтя, поэтому я решил заглянуть внутрь.

Многие люди жалуются на контекстную рекламу, но в данном смысле она идеально подошла к моим интересам. Чип UCC12050; спецификация. Чип выдаёт 5 В, 3,3 В, 5,4 В, или 3,7 В – это можно выбрать при помощи резистора. Такие значения, как 5,4 и 3,7 В, кажутся случайными, однако они выдают дополнительные 0,4 В, благодаря чему напряжение можно регулировать LDO-регулятором [линейный регулятор напряжения, отличающийся малым падением напряжения на регулирующем элементе / прим. перев.]. Мощность у него небольшая, всего полватта.
Я раздобыл себе этот чип от Texas Instruments. Роберт Барух из project5474 расковырял его для меня, прокипятив в серной кислоте при температуре 210 °C. Эпоксидный корпус растворился, и осталась кучка крохотных компонентов – они показаны ниже на фото, с одноцентовой монетой для масштаба [диаметр монеты 19,05 мм / прим. перев.]. Сверху – два крохотных кремниевых кристалла, один для первичной схемы, второй – для вторичной. Под ними – две намагниченных ферритовых пластины трансформатора. Справа – один из пяти кусочков стекловолоконной ткани. Внизу – медный радиатор, частично растворившийся в процессе.

Из-за внутренней структуры чипа в него может проникнуть влага и остаться внутри. А при пайке чипа влага может испариться, из-за чего чип лопнет, как семечко попкорна. Во избежание этого чип был упакован в водонепроницаемый пакет с карточками, показывающими уровень влажности. Уровень чувствительности чипа к влаге 3-й, что означает, что его нужно припаять не позднее, чем через неделю после извлечения из пакета – иначе его нужно будет предварительно пропечь.
Также в чипе нашлись две восьмиугольные медные катушки – обмотки трансформатора. На фото ниже показаны остатки одной из них. Это, вероятно, медные дорожки на крохотных печатных платах. Стекловолокно – это остатки этих плат после растворения эпоксидки. Судя по всему, обмотка состояла из нескольких проводников, идущих параллельно.

Чтобы разобраться в том, как сопряжены компоненты, я изучил патенты Texas Instruments и нашёл похожий чип гальванической развязки (ниже). Обратите внимание на строение кристаллов и катушки. Ключевая особенность патента – контакты подняты внутри, а кристаллы крепятся вверх ногами. Это улучшает электромагнитную изоляцию от печатной платы.

Корпус чипа выполнен по типу SOIC, и по размеру меньше ногтя. Ниже показан вид чипа – кристаллы и обмотка сделаны такими мелкими, чтобы они уместились в корпусе (было бы интересно посмотреть на него в разрезе). Он примерно в два раза толще стандартного корпуса SOIC, чтобы вместить несколько слоёв трансформатора.

Репрезентация внутренностей чипа. Вторая ферритовая пластина должна стоять над катушками. В реальном чипе кристаллы, вероятно, стоят вверх ногами. Размеры чипа: 7,5 мм ×10,3 мм, толщина – 2,7 мм.
Вторичный кристалл и его компоненты
В чипе стоят два кремниевых кристалла – один для первичной схемы, получающей питание, и второй для вторичной, выдающей питание. На фото ниже показан кристалл вторичной схемы. Виден металлический слой сверху чипа; думаю, что в сумме для связи всех компонентов там используется три металлических слоя. Кремний не виден на фото, он спрятан под металлом. Слева вверху проводники припаяны к площадкам кристалла. На левой части чипа гораздо больше металла, чем на правой; в левой части находится аналоговая электроника питания, поэтому там требуются проводники, поддерживающие большие токи.

Если удалить металлические слои (я чередовал соляную кислоту для удаления металла и специальную смесь для травления для удаления диоксида кремния), под ними станет видно кремний (см. ниже). Видны транзисторы, резисторы и конденсаторы. Металлический слой визуально не сильно похож на лежащий снизу кремний, однако некоторые особенности у них общие.

Одна из интересных особенностей чипа – заполнение пустот для химико-механической планаризации (CMP). На производстве слои чипа полировали до плоского состояния при помощи этой технологии. Однако участки без металлических проводников мягче, и они слишком сильно бы сточились. Во избежание этого пустые участки заполняются квадратной решёткой, гарантирующей однородный уровень полировки чипа. Наполнитель виден на фото ниже – это квадратики, расположенные под углом. У чипа много металлических слоёв, и в каждом из них есть свой наполнитель, лежащий под своим углом (угол не даёт наполнителю выстраиваться параллельно другим компонентам, что минимизирует паразитную ёмкость и индуктивность).

Логотип на первичном кристалле, окружённый наполнителем. P означает первичный, primary.
Внизу чипа, под металлическими слоями, у кремния тоже есть CMP-наполнитель. Эти квадратики – часть кремния, а линии между ними заполнены неким материалом, вероятно, поликремнием. Хотя эта решётка стоит под углом, квадратики параллельны чипу.

На диаграмме ниже размечена часть компонентов кристалла. Слева – компоненты питания, подсоединённые к трансформатору, справа – управляющая логика.

Логика чипа, судя по всему, состоит из двух блоков стандартных ячеек, где каждый логический элемент взят готовым из библиотеки, а ячейки выстраиваются в сетку. На фото ниже показана логика крупным планом. Каждый блок – МОП-транзистор, а соединяются они металлическими слоями сверху. Самые мелкие подробности имеют размер порядка 700 нм в ширину – длина волны красного света (поэтому картинка размыта). Для сравнения, самые передовые чипы сегодня переходят на техпроцесс 5 нм — это в 140 раз меньше.

Довольно большую часть площади чипа занимают конденсаторы, состоящие из металлического слоя, лежащего на кремнии и отделённого диэлектриком. Большие квадратные участки на фото ниже – это конденсаторы; диэлектрик выглядит желтоватым, красноватым или зеленоватым, в зависимости от толщины. Соединяются они металлическим слоем, формирующим более крупные конденсаторы. Квадратный рисунок – это CMP-наполнитель. Диэлектрик растворить не получилось – подозреваю, что это может быть нитрид кремния, а не диоксид кремния, из которого сделана большая часть изоляции между слоями.

Горизонтальные полоски на кремнии ниже – это резисторы, сформированные примесями, повышающими сопротивление отдельных участков. Сопротивление пропорционально длине, делённой на ширину, поэтому для получения значительного сопротивления резисторы сделаны длинными и тонкими. Соединяя полоски резисторов на концах зигзагом, можно получить резистор ещё большего номинала.

На фото ниже показана часть транзисторов чипа. На чипе используется широкий спектр разных транзисторов, от крупных силовых (внизу) до коллекции крохотных логических транзисторов слева от метки «10 µm». Все транзисторы даны в одном масштабе, чтобы вы оценили значительную разницу в размерах (там могут быть и диоды).

Первичный кристалл
На фото ниже показан первичный кремниевый кристалл. Некоторые из выводов подсоединены к чипу сверху. Для фото удалена часть металлического слоя, и в этих местах видно проводники. В верхней части чипа расположена аналоговая схема питания, в основном конденсаторы, и покрыта практически однородным металлическим слоем (я случайно уронил кристалл во время чистки в канализацию, поэтому фотографий его осталось немного).

Крупным планом ниже показан кристалл в процессе удаления металлического слоя и слоя оксида кремния. Обратите внимание – некоторые кусочки металла и поликремния отломились от кристалла и повернулись на случайные углы. Видно, что структура кристалла трёхмерная, в нём множество слоёв лежат друг на друге. После удаления оксида кремния структуры слоя могут отпасть.

Как работает чип
Основная концепция чипа прямолинейна. Он работает DC-DC преобразователем с гальванической развязкой. Первичная сторона преобразует входящее напряжение в импульсы, и передаёт их в трансформатор. Вторичная сторона выпрямляет импульсы и выдаёт выходное напряжение. Поскольку между первичной и вторичной стороной стоит трансформатор, прямого электрического соединения у них нет, и напряжение электрически изолировано. Но детали его работы подробно не описаны: существует много возможных "топологий" генерирования и выпрямления импульсов: обратноходовой преобразователь, прямоходовой преобразователь, мостовой преобразователь. Ещё один вопрос связан с управлением выходным напряжением.
Управлять выходным напряжением можно несколькими способами. Распространён подход, в котором обратная связь передаётся с вторичной стороны через оптрон, благодаря которому первичная сторона может регулировать напряжение. В другом подходе первичная сторона использует отдельный трансформатор для мониторинга напряжения. В этом чипе использовать эти варианты, судя по всему, невозможно: пути обратной связи тут нет, а выходное напряжение выбирает вторичная сторона. Можно было бы применить неэффективный подход, и поместить линейный регулятор напряжения на вторичную сторону, чтобы уменьшать напряжение до нужной величины.
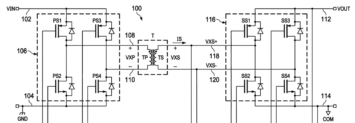
Я изучал различные патенты TI, и думаю, что этот чип использует технологию под названием «двойной активный мост со сдвигом по фазе» [phase-shifted dual-active-bridge] (см. ниже). Первичная сторона использует Н-мост из четырёх транзисторов (слева) для отправки положительных и отрицательных импульсов в трансформатор (в середине). Похожий Н-мост на вторичной стороне (справа) преобразует выход трансформатора обратно в постоянный ток. Н-мост вместо диодов на вторичной стороне используется потому, что можно менять количество передаваемой энергии, меняя тайминг. Иначе говоря, напряжение можно регулировать сдвигом фазы между первичным и вторичным мостом. В отличие от большинства преобразователей, здесь не меняется ни частота импульсов, и их ширина.

Диаграмма из патента 10122367
Каждый Н-мост состоит из четырёх транзисторов: два n-канальных и два p-канальных МОП-транзистора. На фото ниже показано шесть крупных силовых транзисторов, занимающих большую часть вторичного кристалла. Я изучил их структуру, и мне кажется, что два транзистора справа – это n-канальные MOSFET, а остальные четыре – это p-канальные MOSFET. Получается четыре транзистора, необходимые для Н-моста, и ещё два для других целей.

Использование чипа
Я подключил чип через макетную плату, и он работал, как и обещали. Использовать его чрезвычайно легко – нужна лишь пара фильтрующих конденсаторов, на входе и выходе. Хотя в кристаллах полно конденсаторов, для фильтрации они слишком малы. У внешних конденсаторов ёмкость выше. Я подал 5 В на вход (слева внизу) и получил 5 В на выходе (справа вверху), которые зажгли светодиод. В электронике, связанной с питанием, важно следовать рекомендациям расположения элементов, чтобы избежать шума и осцилляций. Однако хотя моя доска и не удовлетворяла ни одной из них, чип прекрасно работал. Я измерил выход в 5 В, и шум был минимальным.

Заключение
Когда я увидел чип, содержащий полноценный трансформатор DC-DC, я решил, что внутри него точно должна быть какая-то интересная технология. Раскрытие корпуса открыло мне его компоненты, включая два кремниевых кристалла и крохотные плоские обмотки трансформатора. Изучая компоненты и сравнивая их с патентами Texas Instrument, я пришёл к выводу, что для передачи энергии чип использует топологию двойного активного моста со сдвигом по фазе. Интересно, что эта технология набирает популярность у зарядных устройств для электромобилей, хотя там речь идёт о гораздо более высоких энергиях.
Кристаллы оказались сложными, с тремя слоями металла и мелкими компонентами, которые не видны в оптический прибор. Обычно я изучаю чипы на несколько десятков лет старше, в которых гораздо легче разобраться, поэтому в данной статье больше моих догадок, чем обратного инжиниринга (то бишь, где-то я мог и ошибиться).
Автор: Вячеслав Голованов
