Фундаментальный строительный блок современных цифровых схем празднует своё столетие
Многим инженерам знакомы имена Ли де Фореста, изобретателя усиливающей электронной лампы, Уолтера Браттейна и Уильяма Шокли, изобретателей транзистора. Однако мало кто знает Уильяма Экклза и Ф.У. Джордана, зарегистрировавших патент на триггер 100 лет назад, в июне 1918-го. Триггер – ключевой строительный блок цифровых контуров: он работает как электронный переключатель, который можно установить в положение вкл или выкл, в котором он и останется даже после прекращения подачи контрольного сигнала. Это позволяет схемам запоминать и синхронизировать их состояния, и следовательно, выполнять секвенциальные логические операции.
Триггер был создан до цифровой эры в виде реле для радиосхем. О его существовании рассказала статья в выпуске журнала The Radio Review от декабря 1919 года, а два десятилетия спустя триггер окажется в компьютере "Колосс", созданном в Англии для взлома немецких военных кодов, и в компьютере ENIAC в США.
Современные триггеры в неисчислимых количествах изготавливаются из транзисторов в интегральных схемах, но в честь столетия триггера я решил воспроизвести изначальную схему Экклза и Джордана как можно ближе к оригиналу.
Контур построен на двух электронных лампах, поэтому я начал с них. Экклз и Джордан, скорее всего, использовали лампы Аудион или их британские копии. Аудион изобрёл де Форест, и это была первая электронная лампа, демонстрировавшая усиление, и позволявшая слабому сигналу, подаваемому на сетку, контролировать гораздо более сильный электрический ток, текущий с катода на анод. Но ранние лампы изготавливались вручную и были ненадёжными, и сегодня приобретать работающую пару таких ламп было бы непрактично.
Вместо этого я обратился к UX201A, улучшенному варианту UV201, которую General Electric начала производить в 1920-м. По времени UV201 недалеко ушла от оригинального патента, отметив при этом начало массового производства электронных ламп, что привело к скачку надёжности и доступности. Мне удалось заказать две лампы 01A по $35 за штуку.


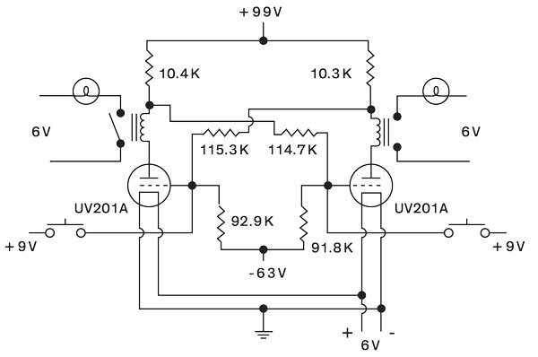
Работая по рисункам, взятым из разных источников, включая патент Экклза и Джордана (внизу), я воссоздал их схему и подобрал сопротивления методом проб и ошибок (вверху).
В триггере лампы перекрёстно соединены так, чтобы соблюдался баланс, при помощи пары резисторов, управляющих напряжением. Балансировка означает, что отключение, даже мгновенное, одной лампы, включает вторую, и удерживает первую выключенной. Такое состояние держится до тех пор, пока вторую лампу не отключает контрольный сигнал, что заставляет первую лампу включиться, а вторую держит выключенной.
Для достижения нужного баланса необходимо было точно подобрать значения резисторов. В лаборатории Экклз и Джордан использовали бы инструмент под названием «магазином сопротивлений» [resistor decade box], громоздкое устройство, позволяющее при помощи рукоятки подключать различные сопротивления в различные точки схемы. Из соображений экономии места я решил использовать фиксированные резисторы модели, подходящей по времени для патента.
Я смог достать такие резисторы из коллекции старинных радиоприёмников, собранной мною за много лет. В 1920-х произошёл взрывной рост производства радио, в результате чего у меня есть довольно много старых радиоприёмников, не поддающихся классификации и восстановлению, поэтому я не очень огорчился, разбирая их на запчасти. Резисторы, изготовленные до 1925 года, обычно располагались в гнёздах, а не припаивались на плату, поэтому извлекать их было нетрудно.
Трудность была в том, что эти резисторы ужасно неточные. Их вручную делали из углерода, находящегося между зажимами в стеклянном корпусе. Один из способов приблизить величину сопротивления к желаемой – вскрыть корпус, вынуть полоску углерода, сделать на ней зарубки для увеличения сопротивления, и вставить её обратно. Я подправил несколько резисторов таким способом, но для других он был слишком сложным, поэтому я смухлевал, и поместил современные резисторы в винтажные стеклянные корпуса.
Батарейки я использовал современные, чтобы не связываться с жидкими батареями, которыми наверняка пользовались изобретатели. Одна из проблем ламповых схем связана с необходимостью наличия нескольких различных напряжений. Четыре батарейки D, установленные последовательно, дают 6 В, необходимые для ламп-индикаторов и нитей. Последовательно соединив одиннадцать батареек на 9 В, я получил 99 В, необходимые для пластины лампы. Сходным образом сделанный источник питания на 63 В необходим для отрицательного тока смещения сеток. Старомодные кнопки дверного звонка позволили мне подключить 9 В для контрольных импульсов. Для демонстрации состояния триггера я использовал чувствительные старинные телеграфные реле, управляющие миниатюрными лампами накаливания.
После множества проб, ошибок и подстроек моих компонентов, которым почти по 100 лет, спустя год я, наконец, сумел достичь стабильной работы этой почтенной схемы!
Если вы хотите повторить моё достижение, и готовы пренебречь исторической точностью в пользу упрощения поисков надёжных компонентов, то есть несколько неплохих вариантов. Отлично подойдут лампы 6J5, которые впервые начали производить в конце 1930-х. Они надёжные и продаются гораздо дешевле, чем 01A, по $5-$7 за штуку.
Телеграфные реле и лампы можно заменить недорогими неоновыми лампами NE-2. Их нужно подключить между пластинами 6J5 и батарейками, чтобы они светились, когда лампа не проводит, и гасли, когда она проводит, опуская напряжение пластины. Учтите, что 6J5 – лампы косвенного накала, поэтому катод необходимо заземлить, а на накал отдельно подавать 6 В, в отличии от оригинальной схемы.
Выбор батареи для тока смещения потребует экспериментов, и для 6J5, скорее всего, будет нужно меньше, чем 63 В, использовавшихся для 01A. Что до использовавшихся сопротивлений, их значения необходимо полагать приблизительными, и для точного совмещения трёх пар придётся приложить некоторые усилия.
Автор: SLY_G

