
В конце девяностых появилась ещё одна схема, использовавшаяся в малораспространённых питерских домофонах. Чем она была примечательна и почему она так и не получила распространения? Сейчас и узнаем.
❯ О чём это я?

Что это за Лидеры?
В отличие от «Цифралов» или «Метакомов», история этих девайсов довольно коротка. Существовало две модели этих «Лидеров» (с камерой и без), каждая из них отличалась двумя модификациями.

Более старые имели чёрный корпус.

Более новые - коричневый. Отличались они незначительными изменениями в схемотехнике и чуть другой прошивкой.
Ставились такие домофоны в основном в некоторых районах Питера (на тех домах, которые обслуживал тот самый «Диполь-сервис»), небольшое их количество было в Ленинградской и в Мурманской области. Из-за их не самой высокой надёжности (типичная проблема для таких «локальных» моделей) и небольшого количества уцелело необычных экземпляров совсем немного.
❯ Обзор оборудования

А вот и мой экземпляр. Он первой модификации, со старым корпусом и старой прошивкой.


Трубка. У «Лидера» не было своих трубок, вместо них брались экземпляры производства Vizit, которые дорабатывались путём установки декодера.

Трубка очень маленькая, раза в полтора меньше тех, к каким мы привыкли. Вместо концевика тут геркон и магнит.
Внутренности
Поскольку пароль от этого домофона неизвестен, для его чтения надо разобрать панель и прочитать память.

Снимем крышку. На обратной стороне платы стабилизатор и микруха памяти - 24C256. Плата подключена на разъёмах, что не может не радовать.

Снимем плату. На ней микроконтроллер AT89S52, индикатор, словно позаимствованный у какого-то простенького DVD-плеера, таймер NE555 и матрица кнопок ПКН-125, которые очень быстро продавливаются и дохнут.

Разговорные цепи построены на достаточно распространённой в схемотехнике домофонов связке из двух микросхем - контроллера спикерфона MC34118P и усилителя MC34119P.

Обратная сторона корпуса.
❯ Декодер
Теперь очередь трубки.

Разбираем её.

Внутри неё две платы - самой трубки и декодера.

Плата трубки никаких изменений не претерпела.

В разрыв линии подключен декодер - мелкая плата из гетинакса. На ней два неких элемента в корпусе TO-92 с затёртой наждачкой маркировкой, резистор, диод и три конденсатора.

Бывают декодеры и такого, более простого исполнения. В чём их отличие, мне неведомо, работают они совершенно одинаково.
❯ Реверсим декодер
Одной из самых распространённых проблем с этим домофоном является утеря этого самого декодера.

Если подключить к такой панели обычную трубку, то он, как и любой другой цифровой домофон, будет выдавать ошибку, жалуясь на короткое замыкание линии.

Схемы этого декодера я не нашёл, поэтому её надо отреверсить.

Поскольку трубка записывается как ключ, то, вероятно, декодер общается с домофоном по шине 1-Wire. Быстрая проверка это подтвердила. Можно даже приложить контакты трубки к считывателю и убедиться, что домофон реагирует так же, как и на не записанный в его память ключ.

Прочитал ID этого чипа.

Действительно, эта микруха - не что иное как адресный выключатель.

Внутри неё полевой транзистор, который позволяет коммутировать маломощные цепи по 1-Wire.

Эти микросхемы очень старые и давно не выпускаются. Сейчас их нет даже в ЧиД и на Али. Однако в лучшие годы их применяли даже в любительских проектах.

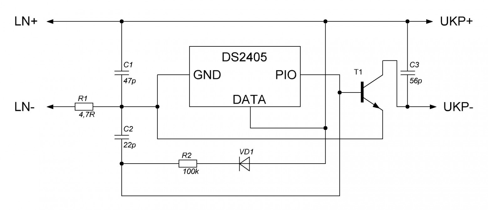
А вот и схема декодера.

Более простой вариант.
❯ Запускаем
Прочитав пароль, можно попасть в режим программирования. Из забавного: у этого домофона есть несколько разделов режима программирования, для каждого из которых есть свой пароль. Эти коды обязательно должны быть разными, если этим пренебречь и поставить одинаковые, то панель окирпичится и вернуть её к жизни можно будет только программатором.
А вот так он выглядит в работе. **Увы, у моего телефона сдох микрофон, а отдельной камеры у меня нет, так что пока что бахнул видео с другого канала.**
❯ Что же в итоге?
Вот такой интересной штукой оказался этот домофон. Из преимуществ этой системы сразу видится возможность подключения сколь угодного количества трубок - по сути их число ограничено только объёмом памяти домофонов и сопротивлением линии (но это можно решить увеличением напряжения и добавлением стабилитрона в цепь декодера).

В неактивном состоянии эти ключи потребляют микроамперы, так что повесить таких трубок на линию можно будет достаточно много. Впрочем, конкретно в данном домофоне это реализовано не было - он поддерживает всего двести квартир, что даже меньше, чем «польские» цифровые системы. А проблемы с самостоятельной заменой трубки (нужно было переставить декодер или записать новый) и дороговизна самих декодеров стали окончательной причиной, почему никакого распространения он так и не получил.
Такие дела.
Автор: MaFrance351
