
Так как предыдущая статья‑эксперимент по задаванию вопросов коллегам была воспринята сообществом Хабра достаточно позитивно и участники были не прочь повторить, то новое мероприятие не спеша достигло ленты статей Хабра :)
Всё просто: 12 участников написали 20 вопросов и дали на них 202 ответа. Авторство вопросов и ответов анонимно, а ответы свёрнуты под спойлеры, чтобы читатели могли поотвечать на вопросы без подсказок.
-
Что такое триггер?
Ответы
-
Устройство с двумя или более устойчивыми состояниями.
-
Цифровое устройство с двумя устойчивыми состояниями.
-
Триггер это схема с несколькими стабильными состояниями, переключение между которыми происходит при помощи внешних сигналов.
-
Элементарный логический элемент многих схем. Как правило, имеет тактирующий вход, несколько входов данных или сброса, один или несколько выходов. Меняет своё состояние только по фронту на входе тактирования.
-
Триггер — электронное устройство, которое имеет один или несколько входов и один выход, который может находится в одном из двух устойчивых состояний.
-
Электронное устройство, логический уровень на выходе которого зависит не только от текущих уровней на входах, но и от предшествующих состояний. Можно сказать, что триггер это одна из разновидностей элементарного запоминающего устройства.
-
Триггер – это логический элемент, который при подаче на него логической единицы срабатывает и удерживает её на выходе пока не будет подан сигнал сброса.
-
Элемент с двумя устойчивыми состояниями. Бывают RS, DL, D, JK, синхронные, асинхронные, Шмитта.
-
Триггер в электронике (flip-flop (не путать со щлёпанцами:))) это элемент с памятью. Триггер имеет два устойчивых состояния и называется бистабильным элементом. Состояние на выходе изменится при изменении состояния на входе. То есть он сохраняет предыдущее состояние своих входов. Наверное, самые популярные – это RS и D триггеры. Но существуют JK и T триггеры.
-
(А). Электронная схема с двумя стабильными состояниями. Используется для хранения отдельных битов. Иногда — для примитивной обработки (счетный триггер).
(Б). Внешнее событие, запускающее какой-нибудь процесс.
-
-
Когда печатная дорожка греется меньше, когда она идет на внешнем слое платы или на внутреннем?
Ответы
-
Наверное — на внешнем меньше.
«греется меньше», наверное, лучше заменить на «имеет меньшую температуру»? -
Зависит от тперлопроводности изолятора платы. Если изолятор имеет теплопроводность выше чем воздух, то меньше грется будет внутренняя дорога.
-
На внешнем слое. Во первых, она охлаждается воздухом, во вторых, там медь толще, в третьих идет теплоотвод на радиокомпоненты.
-
На внешнем. Как минимум, там к ней можно припаять медную жилу, что существенно увеличит толщину.
-
Кажется, вопрос с подвохом :) Не знаю, есть доводы для каждого варианта.
-
Думаю, однозначного ответа нет, так как это зависит от теплопроводности материала печатной платы, а также других факторов: может плата обдувается кулерами?
-
Вопрос немного не полный, так как некоторые условия могут повлиять на нагрев дорожки. Если плата изготовлена так, что от неё с помощью термоинтерфейса отводится тепло, то на такой плате дорожка будет меньше греться на внешнем слое. Если считать, что плата находится просто в воздухе, то дорожка внутри будет греться меньше, так как будет передавать своё тепло печатной плате, которая за счёт своей теплоёмкости и площади будет передавать его во внешнее пространство. Есть ещё сюжет, когда с одной стороны платы расположен сильно греющийся элемент, а дорожка проходит под ним; в этом случае возможно, что дорожка будет меньше греться на внешнем противоположном слое, но это уже стоит моделировать.
-
Допустим, толщина и ширина дорожки одинаковые. Теплопроводность текстолита не помню, но вроде она хуже, чем у воздуха. Тогда дорожка по внешнему слою будет греться меньше при прочих равных, чем по внутреннему, потому что по внешнему в отводе тепла участвуют конвекция, излучение, теплоперенос, а по внутреннему только теплоперенос с последующим излучением и конвекцией.
-
При равной толщине и ширине дорожки, меньше будет греться дорожка на внешнем слое. Есть графический способ определения геометрии дорожки в зависимости от необходимого тока, температуры. Зависимость эта описывается номограммой в каком-то зарубежном стандарте, но гуглить не буду, не по правилам… Кроме того, сильноточные трассы прокладывают на внешнем слое, чтобы можно было вскрыть маску и за счёт финишного покрытия и дополнительного лужения увеличивать толщину трассы для увеличения максимального тока.
-
IPC‑2221 утверждает, что меньше греется дорожка на внешнем слое. IPC‑2152 утверждает, что IPC‑2221 не прав и что меньше греется дорожка на внутреннем слое.
-
-
Как подключить балансный выход синтезатора частоты к небалансному входу радиочастотного усилителя?
Ответы
-
Не знаю.
-
Не знаю.
-
не знаю
-
Увы. Не специалист в РЧ/СВЧ.
-
Поставить балун.
-
Через балун.
-
Необходимо использовать согласующий трансформатор.
-
BalUn + согласование импеданса
-
Например — через трансформатор. Хотя, ЕМНИП, в схемах DDS Analog Devices допускалось и несимметричное подключение с одного из выходов синтезатора.
-
Вижу несколько разных вариантов. Для нахождения верного решения необходимо точно знать PN синтезатора и усилителя. В общем могу предположить: 1) использование Balun (от «balanced to unbalanced») 2) Просто подключить один из балансных выходов к входу, а второй через терминатор подключить к земле 3) Использовать дифференциальный усилитель. У каждого из способов есть свои плюсы и минусы, поэтому надо конкретизировать вопрос и выбрать лучшее решение.
-
-
Какой ток течет в этой схеме?

Ответы
-
(А) Нижний по схеме элемент — источник напряжения (возможно, пытались изобразить источник тока, но он выглядит иначе). Обозначим его напряжение как U. Тогда ток вычисляется как корень квадратного уравнения I² — (U+12)I + 11 = 0. Поскольку U нам неизвестно, чисел назвать не могу.
(Б) Если предположить, что нижний элемент все-таки источник тока, то I=sqrt(11/Rн), где Rн — сопротивление нагрузки. Которого в условии тоже нет, поэтому численное решение снова невозможно. -
На мой взгляд задачка немного странная… Указана мощность нагрузки, ну а что нам с того? Указан источник тока, а какая его величина? То есть ответа в виде одного числа не вижу я здесь… Ток в цепи будет равен току источника тока, а напряжение будет равно сумме напряжения источника напряжения и падения напряжения на резисторе 1 Ом и нагрузке.
-
ток будет 12 / (внутреннее сопротивление батареи + 1ом + внутрнее сопротивление детали 11ватт, чтобы это не значило + внутреннее сопротивление измерительного прибора)
-
Ток в схеме 1А
-
1 А.
-
1А
-
У меня получилось два варианта: 1 А и 11 А.
-
Аналитически или 1 или 11 Ампер. А вот почему LTSpice считает, что 11.451224A я не очень понимаю.
-
P=UI, или иначе P=I²RL. Тогда RL=P/I².
С другой стороны, I=V/(R+RL).
Тогда I(R+RL)=V, R+RL=V/I и RL=(V/I)-R
Приравниваем RL: P/I²=(V/I)-R
Домножаем на I²: P=VI-RI²
Переносим всё в левую сторону: RI²-VI+P=0
Подставляем числа: I²-12I+11=0 Решаем квадратное уравнение.
У него два корня: I=1А и I=11А.
Да, у функции «мощность от сопротивления нагрузки» есть экстремум. Максимальная мощность выделяется на нагрузке только тогда, когда сопротивление нагрузки равно сопротивлению источника. Если же попробовать пересечь график этой функции прямой, параллельной оси X не на уровне максимальной мощности, а ниже, то такая прямая пересечёт график дважды. -
Можно попытаться найти ответ на глаз, и просто для проверки задав 1А, быстро убедиться, что ответ подходит: на верхнем резисторе будет 1 В, нагрузка это 11 Ом, на ней будет 11 В и 11 Вт.
Теперь напишем уравнения, код для Maxima:
RLOAD : PLOAD / I^2$
eq : E = I R + I RLOAD$
solve( eq, I );
[I=-((sqrt(E^2-4*PLOAD*R)-E)/(2*R)),I=(sqrt(E^2-4*PLOAD*R)+E)/(2*R)]
Подставляем значения и получаем:
numer : true$
PLOAD : 11$
E : 12$
R :1$
RLOAD : PLOAD / I^2$
eq : E = I R + I RLOAD$
solve( eq, I );
[I=1,I=11]
То есть правильных ответа два: 1А или 11А
-
-
Что это? Как это называется в англоязычной терминологии?

Ответы
-
Подпружиненные контакты чтобы тыкаться в специальные площадки на печатной плате для ее тестирования. Как называются по-английски не помню.
-
Spring pin?
-
Похоже на flying probe для тестов печатных плат на производстве. Но могут быть и штыри какого-нибудь модульного коннектора.
-
Это подпружиненные контакты, игольчатые контакты. В англоязычной литературе не знаю…
-
Point Tip Spring PCB Testing Contact Probes Pin
-
На длинные Pogo-pin похоже.
-
Подпружиненные контакты для тестирования печатных плат. Pogo pins.
-
Подпружиненные тест-выводы. По-английски pogo pin. Бывают с разной формой кончика (корончатые, конусные, плоские и др.), с разным усилием пружинки. И под них есть еще специальные втулки-держатели, которые могут паяться на плату. Используются как в тестовой оснастке для проверки плат (ложе гвоздей, оно же bed of nails), так и, например, в разъемах для программирования типа tag-connect.
-
Это подпружиненные контакты: внутри золотистой трубки пружина, а серебристый конец может уйти в трубку почти на всю свою длину. Эти контакты нужны для создания контактирующих устройств или другой тестово‑программирующей оснастки, а также иногда для коммутации нестандартных соединителей, подключаемых к устройству.
По английски они называются pogo pins. -
Это подпружиненные иглы для тестирования. Применяются часто в JIG стендах или жгутах для серийного программирования. Часто называются Pogo-Pin.
-
-
Что на схеме?

Ответы
-
не знаю
-
Операционный усилитель. Больше, увы, не знаю.
-
Какой-то очередной усилитель.
-
ООС по току
-
Похоже на стабилизатор тока, но не уверен. Какой-то он сложноватый.
-
Инвертор сигналов.
-
Судя по наличию постоянного источника напряжения и положительной обратной связи скорее всего это какой-то генератор, ввиду отсутствия конденсаторов, полагаю, частота будет зависеть от быстродействия ОУ.
-
ЕМНИП, источник тока по схеме Howland. Капризный...
-
Это преобразователь напряжения в ток по схеме Хоуленда (Howland Current Pump). Возможно, автор и не он, но мне казалось так называется. Работа описывается формулой: ток через RL=-V/R5, если R1 - R4 равны, а R5 многократно меньше их.
-
В зависимость от номиналов резисторов, это может быть либо источник тока, Improved Howland Current Pump, либо драйвер с синтезированным выходным сопротивлением, Active Termination Driver.
-
-
Что такое HAL?
Ответы
-
Это имя компьютера из Космической Одиссеи.
-
Не знаю) набор библиотек для stm?
-
hardware abstraction layer
-
Hardware abstraction layer. Набор библиотек для более или менее унифицированной работой с периферией.
-
Hardware Abstraction Layer. Название библиотеки, для ARM, позволяющей, типа, абстрагироваться от конкретных реализаций ARM‑а и уделить всё внимание написанию прикладного кода. А также обеспечить его переносимость с МК на МК.
Получается не всегда. -
Hardware abstraction layer. Слой абстракции от конкретного железа. Позволяет писать относительно переносимый, аппаратно независимый код логики устройств. Задумка хорошая, но некоторые конкретные реализации очень хромают.
-
Уровень абстракции периферии, программный драйвер, разделяющий аппаратную часть микроконтроллера и набор функций для еë настройки, облегчает перенос приложений между платформами.
-
Hardware Abstraction Level, как вариант.
-
Библиотеки для программирования контроллеров. Пришли на смену CMSIS, если не путаю.
-
Hardware Abstraction Level. Прячет от программиста работу с аппаратурой для облегчения перенесения ПО на другое «железо».
-
-
Какая толщина меди под маской у двусторонней печатной платы с переходными отверстиями, если за основу взят стеклотекстолит fr-4 1 мм и толщиной фольги 18 мкм?
Ответы
-
не знаю
-
18 мкм.
-
18 мкм?
-
Ну если толщина фольги 18 мкм, то толщина одного слоя фольги 18 мкм. Если имелась в виду какая-то конкретная топология (скажем, суммарная толщина всех слоев меди, или на срезе переходного отверстия), это стоило уточнить отдельно. Уж больно много вариантов.
-
Надо смотреть в бланке заказа производителя печатной платы — толщина даётся до меднения переходных отверстий или после.
-
Около 35 мкм.
-
Надо всегда уточнять у технолога, так как она зависит от времени нанесения и толщины меди, которая осаждается на переходные отверстия. Примерно будет от 25-35мкм. Но я встречал и другие значения.
-
Зависит от производства, где делаем плату и класса IPC (один из трёх), по которому производим. Или по ГОСТу. У Резонита, например, для двухслойки с гальваникой будет 45 микрон финишная толщина. У китайцев может быть меньше, надо уточнять.
-
В процессе металлизации переходных отверстий, в них гальваническим путём осаждают медь. При этом медь также осаждается и на дорожках. В результате чего они становятся толще. Резонит пишет, что у них при номинале в 18 мкм дорожки утолщаются до 40 мкм.
-
Здесь стоит взглянуть на технологический процесс производства печатной платы. Операция металлизации отверстий связана с гальваническим осаждением слоя меди. Причем, по ГОСТ толщина этого покрытия в отверстиях должна составлять 20-30 мкм. При этом, осаждение происходит ещë и на проводящем рисунке, поэтому его толщина также увеличивается на 20-30 мкм. Итоговая толщина меди под маской на внешнем слое может равнялся 40-45 мкм (при толщине базовой фольги 18 мкм). Это если говорить о печатных платах, изготовленных в РЕЗОНИТе. Возможно на других производствах есть иная последовательность операций и толщин будет отличаться.
-
-
Что это? Что будет в точке, указанной стрелкой?

Ответы
-
не знаю
-
Непонятно, что это вообще такое
-
Не знаю что это вообще
-
Что-то HDL'ное.
-
Думаю это что-то из программирования ПЛИС, но точно не скажу.
-
Что-то из квартуса? Какая-то магия из ПЛИСов, не знаю.
-
Это похоже на кусок лабвьюшной блок-схемы. На выходе, вероятно, значение 2-го элемента массива, число 2.
-
Похоже на функциональный блок с разными вкладками. Возможно, эта точка означает переход сигналов от одной вкладки в другую.
-
Отличный вопрос, но не знаю ответа. Это какой-то цикл из LabVIEW.
-
Это LabVIEW. Весьма популярный проприетарный графический язык программирования среди инженеров‑испытателей. Белая стопка листов — это цикл for. С двумя итерациями. Раньше вывести значения из цикла for можно было двумя путями:
- Вывести значение из последней итерации (Last Value).
- Автоматически накапливать значения по итерациям в массиве и вывести его целиком (Indexing).
При этом, если к правой стенке цикла изнутри подключено единичное значение, то из цикла вышел бы одномерный массив;
если к стенке изнутри подключен одномерный массив, то выйдет двумерный и так далее.
Но примерно с 2015 года появилась третья опция: если к стенке изнутри подключен N‑мерный массив, то значения к нему могли как‑бы «подклеиваться», не меняя его размерность (Concatenting).
В данном случае из цикла выйдет одномерный массив {1,2,3,1,2,3}.
-
-
Почему на материнских платах шина памяти проводится, в основном, по верхнему и нижнему слою печатной платы, а не прячется на внутренние слои?

Ответы
-
Не знаю.
-
возможно для доступа в процессе наладки или контроля качества
-
Возможно, для минимизации длины stub на ножках и/или контактах разъемов.
-
Скорость распространения сигнала на внешних слоях больше, чем на внутренних.
-
Думаю, снаружи гораздо проще контролировать импеданс линий.
-
Хз, возможно для согласования. Следующий слой - земляной, является опорой для диффпары.
-
На внутренних слоях обычно разводят линии питания и земли, которые хорошо экранируют сигнальные линии друг от друга. Собственно, за этим — чтобы наводок было поменьше.
-
Точно не уверен, но есть несколько предположений: 1) укорочение длины волны на внешних слоях минимально, и так сохраняется бОльшая скорость шины, 2) Что бы не высверливать стабы в переходных отверстиях, так можно использовать всю длины переходного и сэкономить на производстве платы, 3) бОльшая стабильность волнового на внешних слоях, так как использование стеклотекстолита из-за своей структуры «плетения» может давать в два раза больше неравномерности, чем когда слой только нижний.
-
По-разному бывает, на самом деле. Зависит от "спланированности" камня, к которому нужно добавить память и свободного для трассировки места. Вероятно, автор вопроса хотел прочитать "потому что на внешнем слое проще вести проводники с контролем импеданса и корректно учитывать временнЫе задержки". Тут можно начать рассуждать о толщинах препрегов и ядер в плате, но это уже частности. Всегда можно сделать не так, как все. Но нужно ли?
-
Существует ряд технологических процессов изготовления печатных плат. Эти техпроцессы в целом похожи, но несколько различаются последовательностью операций и некоторыми отдельными элементами. Наименее трудозатратной является такая последовательность:
-сначала делаются тонкие двухсторонние платы
-затем они склеиваются в пакет
-в них сверлятся переходные отверстия
-в отверстия заливается активатор
-на активатор осаждают медь
Проблема в том, что при сверлении инструмент (сверло) немного отрывает платы внутри пакета друг от друга. Получается микрощель, в которую может затечь активатор. И если на внутреннем слое расстояние от стакана переходного отверстия до соседней дорожки не велико, то при металлизации может вырасти игла, которая замкнёт стакан и дорожку.
Поэтому на внешних слоях ограничение на расстояние между отверстием и соседней дорожкой на десятки процентов, а то и кратно меньше, чем такое же ограничение на внутренних слоях.
Соответственно, та группа переходных отверстий, через которую на внешних слоях можно легко пропустить дорожку, на внутренних слоях может стать непроходимой преградой для трассировки.
-
-
Чем обусловлена рекомендация подключать светодиоды катодом к выводу микросхемы (чтобы зажигались подачей лог.0)?
Ответы
-
не знаю
-
Такое решение часто можно увидеть в фирменных отладочных платах. Полагаю, это связано с нагрузочной способностью внутренних линий питания микросхемы. При таком подключении для зажигания светодиода ток течёт через транзистор в нижнем плече двухтактного выхода микросхемы и через земляную шину внутри неё, которая скорее всего, значительно обширнее шины питания. Кроме того, такой способ является единственно возможным для подключения светодиодов к открытому коллектору.
-
NMOS и NPN транзисторы имеют лучшие нагрузочные характеристики при прочих равных (размер и т.п.). В современных ИМС — это почти не актуально. А вот для TTL логики — отношение допустимых втекающего и вытекающего токов нагрузки составляет около 5-10 раз. Добавляем низкую эффективность ранних светодиодов и получаем рекомендацию.
-
Ничем, просто так повелось. У древних микрух ток лог. 0 был больше тока лог. 1. С тех времен привычка осталась.
-
Возможно тем, чтобы исключить утечки тока в режиме сна, или исключить непроизвольные моргания в процессе прошивки или конфигурации микросхемы.
-
Предположу, что если...
-микросхема имеет вход, устойчивый к напряжению, превышающему напряжение питания микросхемы
-и предполагается, что именно эта микросхема в процессе работы может запитываться различным напряжением
...то подобная конфигурация (режим open drain) позволяет зафиксировать яркость включённого светодиода. Один раз номинал последовательного токоограничивающего резистора светодиода подбирается под необходимую яркость и фиксированное напряжение питания самого светодиода. И дальше, чем бы ни была запитана микросхема, она просто открывает исток, позволяя фиксированному току протечь через светодиод. -
Скорее всего это связано со схемотехникой портов внутри микросхемы. Предполагаю, что там разные подтягивающие резисторы и в случае логического нуля она может держать больше тока.
-
Вот одно из возможных объяснений: если светодиодов много, а выход у нас устроен как пуш-пулл, то если мы будем зажигать светодиод единичкой, то ток этой единички будет проходить через ножку питания всей микросхемы и создавать на неё дополнительную нагрузку. Если же ноликом, то ток тоже будет проходить через питание микросхемы, но уже через её землю.
-
По большей части — наследние ТТЛ-логики. У нее ток лог.0 был значительно выше лог.1. У КМОП нагрузочная способность нижнего плеча тоже выше, но очень незначительно.
-
Это может быть связано с: 1) большей допустимой токовой нагрузкой общего провода м/с, 2) большей нагрузочной способностью нижнего ключа выхода, а также возможностью программирования выхода в режим "открытый сток", который также в некоторых случаях может выдерживать бОльшее напряжение, 3) недостаточным уровнем логической 1 из-за низкого напряжения питания.
-
-
Код на Си. Что он делает?
reg = PERIPH_REG; reg >>= 16; reg <<= 16; reg |= val; PERIPH_REG = reg;Ответы
-
На самом деле не знаю, но предположу, что сравнивает какую-то величину с 16.
-
код обнуляет нижние 16 бит PERIPH_REG а потом дополнительно к уже выставленным битам выставляет в 1 биты из переменной val
-
Чтение, обнуление и присвоение нового значения регистра
-
Обнуляет 16 младших битов PERIPH_REG и записывает значение val. Если в val записано значение больше 65535, в коде, вероятно, ошибка.
-
Не знаю, не программист, но могу предположить, что так перезаписываются последние 16 бит.
-
Обнуление 16 младших битов PERIPH_REG, ИЛИ с переменной val, сохранение обратно.
-
Присвоение, сдвиг вправо на 16 бит (теряем их), потом сдвиг влево на 16 бит (получаем нули), потом установка в регистре бит в единицы там, где они стояли в переменной val, потом присвоение. Не знаю, что хотел спросить автор.
-
Построчно будет так:
- берём переменную reg, объявленную ранее и присваиваем ей значение какого-топ регистра периферии;
- сдвигаем значение reg на 16 бит влево;
- сдвигаем значение reg на 16 бит вправо; // после этой операции если в младших 16 разрядах reg что то и хранилось, то теперь этого там нет
- складываем то, что получилось в reg с каким-то значение из переменной val;
- кладём содержимое reg обратно в регистр периферии.
О смысле этих операций не могу ничего сказать. -
Если мы точно знаем, что регистр PERIPH_REG имеет больше 16 бит, а переменная val имеет ровно 16 бит, то мы бы могли сказать, что данный код элегантно выставляет в регистре PERIPH_REG нижние 16 бит в соответствие с битами в переменной val, не трогая остальные биты в PERIPH_REG. Однако, если предположить, например, что и регистр PERIPH_REG и переменная val являются 32‑битными, и верхние 16 бит у переменной val частично установлены в лог.единицы, то такая операция вполне замусорит регистр PERIPH_REG. Если же предположить, что и PERIPH_REG и val оба 16‑битные, то почему бы просто не приравнять PERIPH_REG = val?
-
Запись 16ти битного значения VAL в младшие биты в регистр PERIPH_REG
Тем не менее, типы и разрядность переменных не указаны, поэтому возможны другие эффекты.
reg = PERIPH_REG;
reg >>= 16;
reg <<= 16; // здесь 16 младших бит = 0
reg |= val; // здесь 16 младших бит reg = val, но возможно изменение и старших битов
PERIPH_REG = reg;
-
-
По даташиту волновое сопротивление витой пары 120 Ом. Какое, примерно, будет сопротивление такого кабеля длиной 100 м?
Ответы
-
Любое.
-
не знаю, но вопрос сформулирован странно, если только при втором упоминании сопротивления тоже не имеется в виду волновое
-
Зависит от толщины жил
-
Здесь вопрос про волновое сопротивление? Тогда оно будет таким же – 120 Ом.
-
Волновое сопротивление не зависит от длины и останется также 120 Ом*. (*Но это только в идеальной теории. На практике же оно может меняться в зависимости от того в какой среде кабель находится).
-
Волновое - такое же, на постоянном токе - зависит от диаметра провода, на переменном - зависит от частоты.
-
Волновое так и будет 120 Ом. Активное будет разным в зависимости от площади сечения используемых проводов.
-
Волновое сопротивление определяется отношением погонной индуктивности к ёмкости кабеля. Поэтому волновое сопротивление кабеля и на 100м будет 120 Ом. Для разных кабелей, с одним и тем же волновым сопротивлением, активное сопротивление будет совершенно разным на длине 100м. Но есть какой-то стандарт, который определяет сопротивление витой пары на 100 м. Что-то кололо 10 Ом. То есть на 100 м будет около 10 Ом (наверное, меньше).
-
(А, включаем троллфейс: в условии не скзаано «найти волновое сопротивление», сказано просто «сопротивлеие») Предположим, речь о ethernet паре с сечением 0.2мм². Удельное сопротивление меди 0,018 мкОм*м. Если арифметика меня не подводит, омическое сопротивление по постоянному току будет 9 Ом. (Б) А если серьезно, волновое сопротивление должно быть одинаковым для кабеля любой длины, то есть 120 Ом.
-
Сопротивление будет 50 Ом :)
Нет, конечно, волновое сопротивление будет 120 Ом. И так как это не погонная характеристика, то эти 120 Ом будут хоть у метровой, хоть у километровой витой пары.
Но если говорить об активном сопротивлении, то по памяти (могу ошибаться, но) у 10‑сантиметровых сигнальных дорожек на плате обычно сопротивление что‑то порядка 0,1 Ом. Если предположить, что у более толстой витой пары погонное сопротивление раз в десять меньше, чем у дорожек, то сопротивление 100 метров будет исчисляться десятками Ом. Так что почему бы и не 50 Ом? :)
-
-
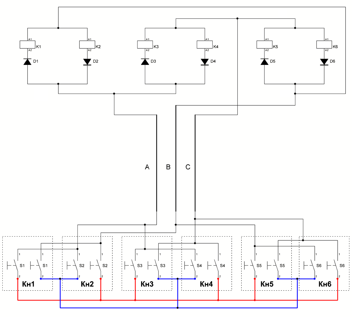
Однажды, в ночную смену электрики в своей каморке пили чай и ворчали на отдел закупки, который купил пятижильный кабель вместо восьмижильного. Кабелем нужно было соединить кран-балку с пультом управления у которого шесть кнопок. Вопрос был в том, можно ли поставить кабель, который уже куплен или нет? Начальник отдела говорил, что это невозможно даже теоретически. Ведь на каждую кнопку требуется как минимум один провод и ещё два провода на пульт с питанием и землёй. Но электрик Василий был с этим категорически не согласен. В итоге они поспорили на новогоднюю смену, что найдёт решение.
Условия задачи такие: есть шкаф управления краном. В нём есть шесть контакторов (К1-К6), которые включают три двигателя, позволяя перемещать груз вверх-вниз, каретку крана влево-вправо и весь кран-балку вперёд-назад. В пульте висящем на кабеле есть шесть кнопок (Кн1-Кн6), и каждая из них должна активировать один контактор. Кнопки имеют модульную конструкцию и к ним можно подключать любое разумное количество нормально открытых и нормально-закрытых контактов. Чтобы не усложнять, будем считать, что одновременно кнопки нажимать нельзя и что два контактора подключенные в цепь последовательно не срабатывают. Василий не умеет программировать микроконтроллеры, и на склад АСУ‑шников где лежат ПЛК его не пускают. Зато у него есть доступ к складу электриков, где есть простые электротехнические компоненты буквально всех сортов и расцветок. А вот кабель на складе только пятижильный, и два кабеля пускать конечно же нельзя.
Смог ли Василий решить задачу?

Ответы
-
не знаю, что такое контактор, но если бы можно было использовать реле думаю задачу можно было бы решить.
-
Вероятно, это условие "два контактора подключенные в цепь последовательно не срабатывают." может позволить создать схему управления.
-
Я уверен, что можно исхитриться решить эту задачку, но вот будет ли решение соответствовать каким-то гостам и нормативам – вопрос.
-
«Чтобы продать капусту — надо думать как капуста!»
Наверное — можно изобразить что-то вроде charlieplex, раз Василий забился на новогоднюю смену. Но надо проверять. -
(А, снова с троллфейсом) Лично я с Василием не знаком, поэтому кто ж его знает, решил он задачу в реальности или нет. (Б, серьезно) Если на складе есть реле, то можно собрать шифратор — дешифратор. Состояние «нажато не более одной из 6 кнопок» кодируется 3 битами. Значит, теоретически, решить задачу он мог.
-
Задача интересная, но я честно откажусь от её решения, так как пока нет времени заниматься этим. А она у меня потребует больше всего времени из всех представленных здесь вопросов. Схемотехнические решения можно было бы сделать разные: с шифратором и дешифратором, с аналоговым управлением и связью по токовой петле и т.д. и т.п.
-
Устал читать условие)
-
Хочется верить, что смог.
-
Как на картинке.
Но... делать так я бы ни в коем случае не стал.
Так как:
1. Когда один из контакторов поломается, электрик Кузьма, вместо того, чтобы установить строго идентичный контактор, подключит первый попавшийся, каннибализировав законсервированную установку. Или вообще намотает якорь сам и сделает самопальный контактор при помощи зубила и тисков ("я же рукастый мужик").
И когда будет подано питание пара контакторов замкнётся друг через друга и кран поедет. Крановщик Петрович будет истерично жать на тельфер, но реакции не будет.
И кран раздавит, возможно, самого Василия.
2. Другой вариант, что схема будет работать идеально и без единого нарекания. Но крановщик Петрович прибухнув уронит что-нибудь на электрика Кузьму.
А когда труднадзор будет разбираться в ситуации, Петрович скажет, что был трезв как стёклышко, а виноват электрик Василий "что-то там нахимичивший".
-
Василий взял со склада контакторы, работающие на постоянном токе, блок питания и мощные диоды. Их он расположил внутри шкафа управления краном так как показано на схеме. По двум проводам пятижильного кабеля он пустил питание от блока питания (D, E). Для простоты рисовать их не станем. Каждая кнопка с двумя нормально-открытыми контактами коммутирует ток разной полярности в пары из оставшихся трёх проводов: AB, AC, BC. В зависимости от направления тока в проводах активируется соответствующий контактор и направление вращения двигателя. На пояснительной схеме я отразил только пути основного тока. Внимательный электротехник заметит, что ток также будет течь через два других последовательно включенных контактора, чего, к счастью, недостаточно для их активации. Также в данной схеме очевидно нет защиты от короткого замыкания при нажатии двух кнопок одновременно. Эта проблема решается подключением дополнительных нормально закрытых контактов, которые я также не стал изображать для того, чтобы не перегружать схему. Как видите решение оказалось вполне рабочим, хоть и явно не самым простым.

-
-
Что это за штуки и как их использовать?

Ответы
-
не знаю
-
Не знаю(
-
На желтой штуке написано «Измеритель RLC». Вероятно, это и есть измеритель R, L и C. Что за зеленые платки в таком разрешении не видно. Может быть просто «удлиннитель», может емкостный датчик, может образец проверки нагрузочной способности. Может, вообще шкала для цифрового штангенциркуля.
-
Похоже на датчики влажности или уровня жидкости. Но контакты с обоих сторон против этой версии. Тогда предположу, что это для каких-то химических тестов, где RLC-метром можно косвенно измерить химические характеристики через вариацию ёмкости этих дорожек, когда на них что-то нанесено.
-
Приборчик на фото – RLC метр. Думаю, назначение его ясно. А вот платочки – скорее всего какие-то тестовые платки с образцами линий передачи.
-
Измеритель сопротивлений, ёмкости и индуктивности. Второе и третье, вероятно, «тестовые купоны» от производителя печатных плат для определения параметров проводников.
-
RLC метр, измерение сопротивлений, емкостей, индуктивностей.
Ниже платы похожи на измерительные купоны. Там что-то написано, но видно плохо. -
Сверху измерительный пинцет, в частности RLC-метр. Ниже тест-купоны от производителя печатных плат, по которым смотрят, попали в целевой импеданс при изготовлении платы или нет. Обычно для этого используют TDR-метры за много денег. Поскольку купоны показаны вместе с RLC-метром, видимо, им тоже можно что-то с ними измерить.
-
Это RLC‑метр и тестовые образцы дорожек. Всё это нужно для определения фактически получившегося импеданса (волнового сопротивления).
Так как в процессе производства геометрические параметры дорожек (толщина) могут заметно отличаться от номинальных, а также своё влияние на импеданс может внести паяльная маска и текстолит, имеющие определённый допуск на свои электрические характеристики, то для определения фактических значений волнового сопротивления в едином с печатной платой техпроцессе производятся стандартные образцы дорожек, импеданс которых нужно измерить.
Затем RLC‑метром измеряется ёмкость и индуктивность дорожек на образцах и по формуле Z=sqrt(L/C) определяется фактическое значение их волновых сопротивлений. -
Сверху лежит измеритель иммитанса. С ним всё понятно. А ниже представлены тестовые купоны печатных плат. Это часть заготовки, для оценки получившегося волнового сопротивления проводников на печатной плате. Они отделяются от платы в конце производства и на них проводят контроль с помощью рефлектометра. К ним прикладывают отчёт о импедансе.
Как правило, импеданс должен попасть в окно +/-10% На верхнем тестовом купоне видно, что структура платы гибко-жесткая. Лежащий сверху измеритель иммитанса намекает на то, что примерные измерения можно произвести с его помощью, не используя рефлектометр. Для этого необходимо измерить ёмкость проводника и индуктивность. По формуле волнового сопротивления высчитать значение.
Пример отчёта:
-
-
В сети порой находятся весьма странные жалобы на конструкцию хорошо себя зарекомендовавших и ставших классическими микросхем.
Например, в datasheet на LM317 указан минимальный ток нагрузки в 3,5 мА. При меньшем токе LM317 неработоспособна.
«Значит ли это, что надо следить не только за максимальным током нагрузки, но и за минимальным тоже?», недоумевает автор жалоб.
Так надо или нет?Ответы
-
Вероятно, да
-
Никогда не обращал внимание на эту характеристику при применении любых LDO. Теперь уже не знаю, может и стоило :) Интересно будет почитать другие ответы.
-
По-хорошему, надо. На практике это может быть и не критичным.
-
Надо. Иначе схема может стать нестабильной или работать неправильно.
-
Надо. Как и в TL431, например.
-
Я считаю, что на все параметры надо обращать внимание. Производитель точно гарантирует все параметры изделия при заданных параметрах. При меньшем токе микросхема будет работать, но с бОльшими погрешностями и отклонениями от заданных параметров. В данном случае это обусловлено цепями внутренних измерителей и сравнений.
-
Так как LM-ка контролируется резисторами, подключаемыми к ней, то скорее всего есть минимальный уровень тока после которого этот контроль перестаёт работать нормально. Я бы сказал, что это важно.
-
Да, следует. Не только микросхемы обладают минимальными значениями токов и напряжений, но и базовые полупроводниковые приборы. В частности стабилитроны. У них есть номинальный ток стабилизации. Если ток стабилитрона будет ниже номинального тока стабилизации, то на нём может существовать и совсем другое падание напряжение, отличное от номинального напряжения стабилизации.
-
Надо. Потому, что токи потребления всех внутренних узлов стабилизатора типа 317 (за исключением тока источника опорного напряжения) протекают через вывод OUT, что и приводит к требованию по минимальному току нагрузки. Этот момент — отдельно разъясняется в документации фирмы National Semiconductor.
-
Допускаю, что есть нижний предел тока, кода стабилизатор перестает работать.
-
-
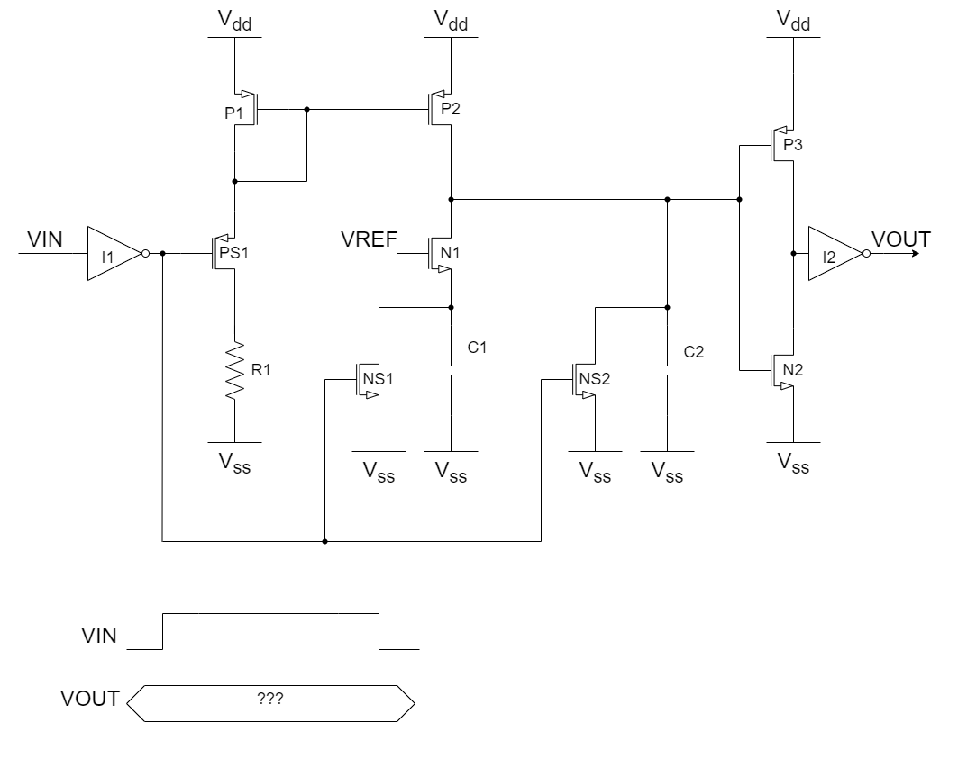
Нарисуйте временную диаграмму на выходе схемы при подаче ступеньки на вход. Что вообще эта схема делает?

Ответы
-
Не знаю.
-
Не знаю.
-
не знаю
-
Не знаю. Возможно, это узел какого‑нибудь навороченного регулируемого PLL.
-
Недостаточно вводных… чем отличаются транзисторы с «S» от обычных(?), чему равно Vref?
Перед приходом 1 на вход — на выходе 0. Если не брать в расчёт N1-C1 (неизвестно Vref), то импульс на выходе будет задержан примерно на С1R1/2. Смена 1 на 0 — будет передана на выход с минимальной задержкой. -
Похоже на схему задержки. Лог.1 появится на выходе с некоторым запозданием относительно лог.1 на входе. Лог.0 появится без запоздания. Правда, для этого хватило бы правой половины. Зачем нужна левая не знаю.
-
Без LTSpice не смогу ответить. Могу предположить, что так как в схеме есть конденсаторы, то похоже они служат для создания задержки переключения транзисторов. Также двухполярное питание намекает что выход будет переключаться между Vdd и Vss. Как вариант, может генерирует биполярный импульс из одного входящего положительного.
-
Вероятно, схема задержки логической 1, на выходе фронт будет задержан, а спад будет практически сразу.
-
Меня немного сбило обозначение P и N типов транзисторов и их подписи. В привычном мне варианте стрелки обозначаются наоборот для таких типов N и P. Предположу, что данная схема делает укорочение сигнала и его задержку. То есть VOUT будет отставить от VIN и будет короче по длительности.
-
В начальный момент времени VIN = 0. I1 – инвертор, поэтому у него на выходе будет напряжение питания VDD. PS1 – полевой транзистор с изолированным затвором. Он будет заперт выходом инвертора I1. Соответственно токовое зеркало P1 – P2 работать не будет. Транзистор NS2 будет открыт положительным потенциалом на выходе I1 и надёжно притянет затворы P2 и N2 (двухтактный выход) к минусу питания, что приведёт к открытию P3. На выходе инвертора I2 будет 0. Итого, в начальный момент времени VIN = 0, VOUT = VSS.
После подачи ступеньки на вход (VIN = VDD) на выходе инвертора I1 будет VSS, что приведёт к открытию PS1. Через транзистор P1 начнёт протекать ток, ограниченный резистором R1. Транзистор P2 является выходом токового зеркала и он начнёт открываться. К этому моменту транзисторы NS1 и NS2 закроются потенциалом земли на выходе I1. Конденсатор С1 начнёт заряжаться током через P2 и N1. Причём VREF будет определять сопротивление канала N1 и соответственно регулировать скорость заряда C1. По мере роста напряжения на C1 потенциалы сток-исток транзистора N1 будут выравниваться, что приведёт к его закрытию.
Дальше могу быть не точен. C2 также должен начать заряжаться током транзистора P2. И после достижения определённого порогового напряжения, транзистор P3 закроется, а вот N2 наоборот откроется. На выходе инвертора I2 появится напряжение питания VDD.
Итого, восходящий фронт появится на выходе VOUT с некоторой временной задержкой, определяемой VREF.
Итого, эта схема задерживает передний фронт (восходящий фронт) ступеньки на время, определяемое напряжением VREF, а вот задний фронт (нисходящий) фронт поступает на выход без задержки.
А вот на нисходящем фронте ступеньки транзисторы NS1 и NS2 мгновенно разряжают ёмкости, что приводит к мгновенному переводу выхода в исходное состояние. -
Схема представляет собой асимметричную задержку.
При переходе сигнала VIN из нуля в единицу, ключ PS1 замыкается, и токовое зеркало P1-P2 начинает заряжать конденсаторы C1 (большой) и C2 (маленький). Напряжение на верхней обкладке C1 линейно повышается до тех пор, пока не достигнет уровня VREF – Vth(N1). Время зарядки T = C1 (VREF-Vth(N1)) R / (Vdd – Vth(P1)). После отключения конденсатора C1 заряжать нужно только маленький конденсатор C2, и инвертор N2-P3 быстро переключается.
При переходе сигнала VIN из единицы в ноль ключ PS1 размыкается, а ключи NS1 и NS2 замыкаются, разряжая оба конденсатора и практически мгновенно переключая выход схемы в логический ноль.
Бонусный вопрос: как существенно улучшить энергопотребление схемы при помощи одного транзистора?
-
-
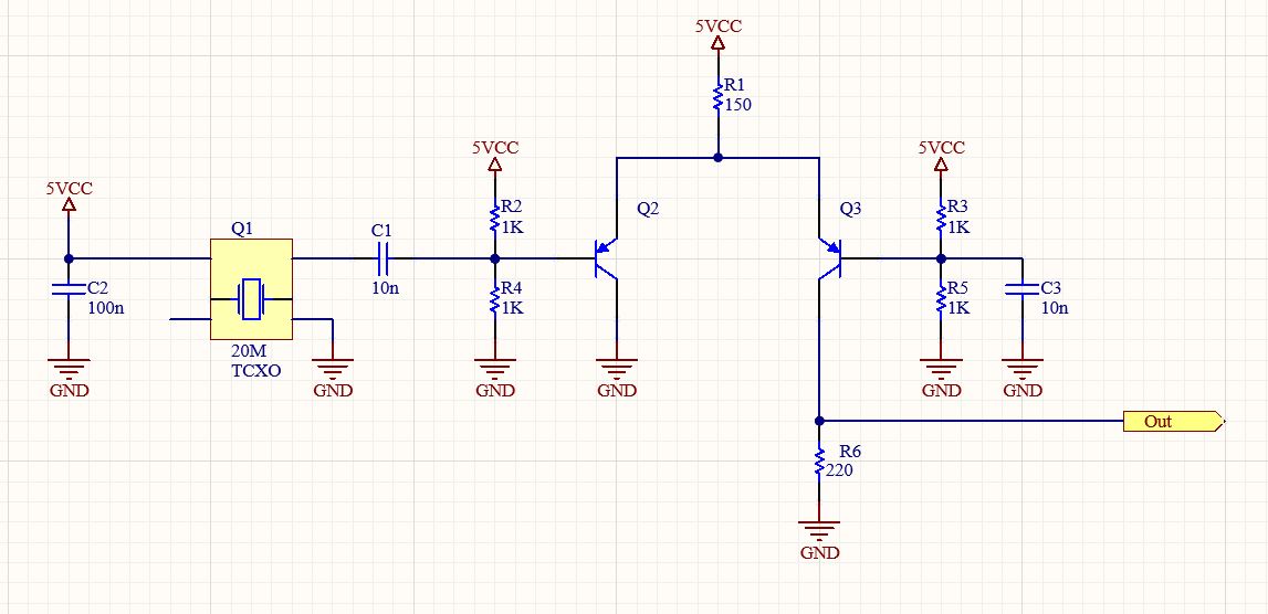
Что это?

Ответы
-
Не знаю.
-
Не знаю.
-
не знаю
-
Усилитель.
-
Не знаю. Нет даже сколько‑нибудь разумных предположений.
-
На выходе схемы будет та же 20 МГц синусоида, что на выходе генератора. Схема нужна, вероятно, чтобы выход не влиял на генератор. Точно не знаю.
-
Похоже на источник опорного сигнала на 20 МГц.
-
Функциональное назначение – генератор.
Q1 – кварцевый генератор. C2 – блокировочный конденсатор по питанию генератора. Дальше разделительный конденсатор С1. R2 и R4 формируют половину напряжения питания на транзисторе Q2, который включен по схеме эмиттерного повторителя. А дальше Q3 включен по схеме с общей базой.
Частота, правда, относительно низкая, поэтому зачем здесь двойная буферизация выхода кварцевого генератора ещё и с усилителем с общей базой не совсем понятно. -
Folded cascode, на выходе сигнал с частотой генерируемой Q1.
-
Это схема преобразования синусоидального сигнала в прямоугольный. Дифференциальный усилитель обеспечивает хорошую прямоугольную форму для широкого диапазона синусоидальных сигналов, так как обладает достаточным коэффициентом усиления. Подход с дифференциальным усилителем позволяет избежать насыщения транзисторов, которое часто ограничивает быстродействие однотранзисторных схем. Конечно, можно использовать быстрые диоды для предотвращения насыщения в однотранзисторном усилителе, но сейчас достаточно легко найти два транзистора в одном корпусе, что облегчает задачу.
-
-
Ухо (как, впрочем, и другие органы чувств) имеет логарифмическую характеристику чувствительности. Как в аналоговой аудиоаппаратуре обеспечивается логарифмическое изменение коэффициента усиления при линейном изменении положения тех или иных регуляторов?
Ответы
-
Не знаю, с акустикой не работал.
-
Очень интересный вопрос, никогда об этом не задумывался. Я слышал, что есть схемы логарифмических усилителей, но вроде как они делают наоборот. Теоретически должна быть конфигурация на операционном усилителе с каким-нибудь нелинейным элементом в обратной связи чтобы достигать такого эффекта.
-
Не знаю. Например, специальными регуляторами с логарифмической зависимостью от положения. Наверняка есть и электронные схемы с подобным эффектом.
-
Сам регулятор может иметь логарифмическую или показательную характеристику.
-
Используются переменные резисторы с нелинейной характеристикой сопротивления.
-
Переменные резисторы с логарифмической характеристикой от угла поворота.
Либо при использовании с линейной характеристикой применяется схема включения в цепь ОС чтобы получить около логарифмическую кривую. -
В качестве элементов регулировки часто используются переменные резисторы. Они как раз и выпускаются с логарифмической зависимостью сопротивления от положения рычажка.
-
Существуют регуляторы, у которых зависимость регулировки и выставления значения уже логарифмическая. Очень много резисторов и потенциометров выпускаются с такой зависимостью. И есть схема логарифмических усилителей, с диодами или транзистором в обратной связи, которые преобразуют логарифм в линейную функцию и наоборот.
-
Для этого используются специальные переменные резисторы с логарифмической зависимостью сопротивления вместо линейной. В цифровой аппаратуре появляется возможность использовать в качестве элемента управления линейный резистор (или вообще энкодер), а логарифмическую характеристику создавать программным способом. Парадоксально, но заметное количество прикладного ПО (проигрыватели, сайты и т.д.) используют линейную характеристику из-за чего пользоваться регуляторами в этом ПО невозможно.
-
для превращения линейного потенциометра в почти логарифмический надо ползунок соединить с общим проводом через постоянный резистор номиналом примерно 0.092 от номинала потенциометра.

-
-
Где в серверной должна замеряться температура?
Сколько градусов ставить на пульте управления кондиционером в серверной?
Как связана температура в серверной с надёжностью работы серверов?Ответы
-
не знаю
-
Без понятия.
-
Вверху помещения, тепло поднимается вверх. Обычно ставят минимум - 17-18 градусов.
-
Мало вводных о конструкции серверной, поэтому сказать где замерять и какую температуру устанавливать — нельзя. Чем выше температура — тем выше частота отказов.
-
Не знаю. Из общих соображений — достаточно чтобы оборудование не перегрелось, не переохладилось и не выпадал конденсат.
-
Не имел опыта работы в этой области. Но готов предположить, что измерение температуры хорошо бы разбить на зоны. Наверняка в серверной есть система вывода горячего воздуха наружу, там тоже имеет смысл контролировать температуру. Интересно услышать правильный ответ.
-
Я честно признаться никогда не был в настоящей серверной, только в кустарных, где из климатики был только обычный бытовой кондиционер. Предположу, что все современные климатические системы уже имеют встроенные датчики температуры. Также наверняка есть датчики в каждом сервере. Я бы поставил 17 градусов. Обычно компьютерному железу чем холоднее – тем лучше. Если нигде нет жидкостного охлаждения, то по идее минимальная температура ограничена только бюджетом.
-
Вероятно, на выходе горячего воздуха из серверов. Ставить минимальное количество градусов. Чем холоднее до точки выпадения росы, тем лучше.
-
Наверно, 2 датчика, один снизу или у выхода подачи охладителя, второй сверху или у выдува.
Таким образом можно будет увидеть, что система охлаждения работает,
и что она охлаждает как надо. -
Температуру в серверной желательно замерять на входе серверов. Независимым датчиком.
По умолчанию температура замеряется датчиком на входе кондиционера. Что приводит к неадекватной холодопроизводительности. Т.к. кондиционер не видит температуры воздуха поступающего в серверы.
Выставлять температуру следует: по правильному - согласно паспорту сервера; реально - не ниже 24С.
Напрямую абсолютная величина температуры связана слабо. Важнее стабильность температуры. Желательно поддерживать стабильность температуры, с допустимым изменением не более 5 градусов в час! Опять же на входе в оборудование (серверы). -
-Полагаю, что измерение температуры должно производится у решётки, через которую самый высоко расположенный сервер засасывает воздух для охлаждения.
-Выставлять, думаю, нужно +1°C или, если минимум на кондиционере выше +1°C, то этот самый минимум.
-Думаю, до некоторого предела температура не сказывается никак, а с определённой температуры некоторые серверы как бы «упрутся» в ограничение температуры процессора, выставленное внутри серверов. Самый нагруженный сервер начнёт периодически нагреваться, отключаться, сбрасывать температуру (свою и окружающего воздуха) и затем снова нагреваться. Чем выше температура, тем чаще и с большим количеством серверов это будет происходить.
-
В квизе любезно согласились принять участие:
@AlexM2001
@amartology
@Astrei
@COKPOWEHEU
@Flammmable
@MechanikArtem
@quaer
@RV3EFE
@VT100
@zatim
@Karlson_rwa
@kt97679
Сердечно благодарю их всех!
И призываю всех заинтересовавшихся данным форматом присоединяться, вне зависимости от специализации и регалий. Пишите в личные сообщения на Хабре, либо flammmable.habr@gmail.com.
Автор: Flammmable
