Новый год - хороший повод положить под ёлочку любознательному ребенку полезный подарок, например, тот, который может заинтересовать изучением основ электроники.
Когда-то давно на Хабре публиковали обзор электронных конструкторов для детей. Думаю, было бы неплохо актуализировать эту информацию. Все написанное ниже не претендует на истину, и отражает лишь мой опыт проведения занятий с детьми в кружке по электронике. Надеюсь, вы тоже поделитесь своим мнением, опытом, списком подарков в комментариях. Возрастные рамки для конструкторов и книг указаны ориентировочно, наверняка, вы лучше знаете способности и интересы ребенка, которому покупаете подарок.
Конструкторы и наборы без пайки
Самый популярный в России электронный конструктор “Знаток” по прежнему остается выбором номер один для знакомства с электроникой для мальчишек и девчонок в возрасте от 5 лет и старше. На смену конструктору “Для школы и дома (999 схем)” пришла версия “979 схем”. У “Знатока” есть и другие конструкторы, но именно этот вариант является наиболее полноценным из их классической серии. В младших версиях крайне скудный набор элементов и можно собрать совсем небольшое число схем. Конструкторы из других серий “Знатока” либо не подходят для первого знакомства с электроникой, либо имеют узкий функционал.
Как минимум, этот конструктор научит вашего ребенка запускать летающий пропеллер с помощью электромотора ) А если серьезно, то игра с этим конструктором - хорошая школа для понимания устройства электрических цепей и знакомства с электронными компонентами.
Освоив “Знаток”, можно переходить к сборке схем на макетной плате без пайки. Этот процесс требует от ребенка развитой мелкой моторики, терпения и внимательности, поэтому такое конструирование подходит для детей старше 8 лет. Выбор таких конструкторов (наборов) на макетных платах без использования микроконтроллеров, к сожалению, невелик. Предлагаю рассмотреть подробнее серию из двух наборов - “Позитроник” и “Позитроник цифровой”. О других похожих конструкторах - “Микронике” и наборе от “Мастер Кит” уже писали на Хабре.
Электронный конструктор “Позитроник” от производителя Pinlab давно и хорошо известен, есть множество отзывов о нём. Основа набора - беспаечная макетная плата на 400 точек (breadboard half). Также в состав входят электронные компоненты, печатная инструкция по сборке 34 схем, батарея Крона, пинцет и провода. Большой плюс этого набора - доступность, продается во многих оффлайн и онлайн магазинах, а цена на момент написания этого поста составляет около тысячи рублей.

В инструкции есть как принципиальные, так и монтажные схемы, краткие пояснения - как это работает, несколько вопросов для самопроверки в конце.
Самые сложные схемы, которые можно собрать из набора - полицейская сирена с использованием двух 555 таймеров, и мультивибратор на трёх транзисторах.
“Позитроник цифровой” - новинка этого года, позиционируется для детей в возрасте от 12 лет. На самом деле, если ребенок разобрался с первым набором серии и понял, как собирать схемы на макетке, можно сразу выдавать ему и второй - цифровой “Позитроник”, даже если он младше возраста, указанного на коробке набора. Цифровой набор в полтора раза дороже предыдущего набора, так как включает в себя полноразмерную макетную плату на 830 точек и цифровые микросхемы.

Бумажная инструкция в этом наборе, по сути лишь, справочник. К сожалению, содержит ряд опечаток (см. рисунок), но для учебных целей это даже хорошо - пусть юный электронщик сам разберется и найдет эти ошибки, они некритичные и на сборку схем не влияют. А основные схемы находятся в электронном виде на сайте производителя. Решение неоднозначное - разумеется, это позволяет снизить цену набора, быстро фиксить возможные ошибки, но не всегда и не для всех такое размещение инструкции удобно. Идеальный вариант - всё же комбинация полноценной бумажной и электронной версии.
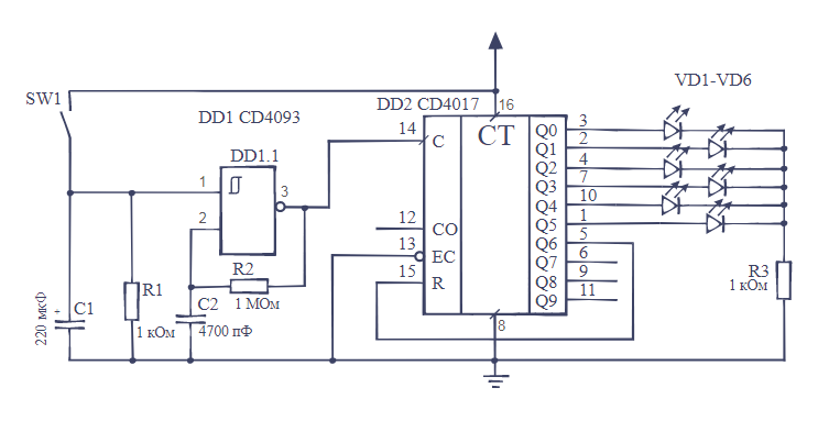
Самые сложные схемы в “Позитронике цифровом” - это колесо фортуны (генератор импульсов в связке со счетчиком 4017 и светодиодами) и секундомер (генератор импульсов, счетчик с дешифратором - микросхема 4026 и семисегментный индикатор).
Образовательную ценность этого набора можно значительно повысить, если купить вместе с ним книгу Павла Кириченко “Цифровая электроника для начинающих”. Это будет отличная комбинация, но уже для детей постарше - от 12 лет.

Разобравшись с теорией и схемами из набора и книги, и не потеряв при этом интерес к электронике, можно задуматься о серьезном изучении цифровой схемотехники и архитектуры компьютера в старших классах. Но это я уже забежал далеко вперёд, ведь далеко не каждый начинающий электронщик, который научился мигать светодиодом, станет в итоге, например, проектировщиком микросхем. Вернемся к конструкторам для детей.
Юным ардуинщикам в возрасте от 12 лет предлагается большой и самый разнообразный выбор конструкторов и наборов. Немного позанудствую - это не самый лучший вариант для детей, начинать знакомство с электроникой через Arduino. Идеальная образовательная траектория должна показать ребенку еще до того, как он взял в руки плату с микроконтроллером, красоту искусства схемотехники - как проектировать простые схемы из дискретных компонентов и логических микросхем, иначе есть вероятность, что микроконтроллер так и останется для него настоящим “чёрным ящиком”. Но мир не идеален, поэтому - пусть растут все цветы, будем считать, что любые точки входы для знакомства детей с электроникой имеют право на существование.
Из всего многообразия конструкторов на базе Ардуино, рекомендую обратить внимание на набор “Arduino. Восьмибитная академия” от компании “Амперка”.
Упаковка набора красиво, “по подарочному”, оформлена, но всё же главная ценность этого набора - увесистая, на плотной бумаге, с великолепным дизайном, подробнейшая бумажная инструкция на 200 страницах.
В ней есть даже принципиальные схемы. Не просто картинки, перерисованные из Fritzing, чем обычно грешат большинство наборов для ардуинщиков, а электрические схемы, которые приучают детей к чтению технической документации. Помимо печатной версии инструкции, есть и удобное электронное приложение к набору на сайте, но оно гораздо менее информативно в части теории. Электронная версия удобна, чтобы быстро скопировать код и комментарии к нему, посмотреть принципиальную или монтажную схему проекта.
Всего из набора предлагается собрать 64 проекта, один из самых сложных и самых интересных - электронная игра на тренировку памяти “Саймон говорит”, с сохранением лучшего результата игрока в энергонезависимой памяти EEPROM.
Наборы для пайки
Учиться искусству пайки с нуля можно с 10 лет, и даже раньше, но, разумеется, под присмотром взрослых. Лучше всего начинать обучение с готовых наборов. Несмотря на низкую цену китайских наборов, они не будут лучшим выбором в качестве первой самостоятельно спаянной схемы. У меня в кружке дети спаяли больше сотни разных китайских наборов - их купил на aliexpress и подарил нам один хороший человек. Это был великолепный опыт, но не для новичков, там множество подводных камней. Начните учить паять детей с более “дружелюбных”, пусть и чуть более дорогих наборов, например, с техномедальона “Робот”.

Это комплект для пайки бейджика с изображением робота и мигающими светодиодами под управлением мультвибратора на двух транзисторах. В наборе не только красивая подробная инструкция, но и бумажная версия цветного комикса “Паять просто!” Дети легко справляются с пайкой на таких платах - контактные площадки достаточно крупные, хорошо залужены.
Кроме простых бейджиков, у этого производителя есть и более сложные наборы для пайки - например,”Деревня”. Обещают, что в случае правильной пайки Хрюша будет радоваться солнечному свету и весело повизгивать - “неконтролируемая радость бытия”, так гласит надпись на плате )
Также советую обратить внимание на недорогие российские наборы для пайки от “Robotclass” из Екатеринбурга. На рисунке представлен симпатичный жук-виброид, который активизируется в темноте.
Для того, чтобы научиться паять, нужен минимальный набор оборудования, инструментов и расходных материалов:
-
Паяльная станция - может быть самой простой и недорогой, главное, чтобы она обеспечивала безопасность: гальваническую развязку и низкое напряжение питания для паяльника. Обычный паяльник, к нагревательному элементу которого поступает напряжение 220 вольт от сети, небезопасен для детей.
Паяльная станция
Вполне подойдет даже простенькая станция типа Element-936 с жалом из серии 900М. Она позволит даже новичкам без проблем паять как выводные компоненты, так и SMD. Конечно, можно выбрать и более современные модели - для этого обратитесь к коллективному разуму на форумах электронщиков, где обсуждают паяльное оборудование.
-
Флюс - для начала подойдет ЛТИ-120. Лучше брать в упаковке с кисточкой
-
Припой ПОС-61 с флюсом внутри или аналоги с маркировкой Alloy 60/40, диаметром 0,8 - 1 мм
-
Термостойкая губка для чистки жала паяльника
-
Зажим “Третья рука”
-
Пинцет
-
Бокорезы - лучше покупать с клипсой безопасности, чтобы разлетающиеся откусываемые выводы не нанесли травму
-
Защитные очки
-
Активатор для жал паяльников, медная оплётка для выпайки - желательны, но на первых порах вполне можно обойтись и без них
Помните, что при пайке можно обжечься. Самая эффективная первая помощь при этом - подержать обожженную часть руки в течение 10 минут под струей проточной холодной воды, но не использовать лёд.
Книги
Для тех, кто считает, что книга - лучший подарок, привожу небольшую подборку книг для юных электронщиков разных возрастов.
Книга "Простая электроника для детей и взрослых" от команды детского технического центра "Инженерка" в Ульяновске.

Подойдет для детей от 8 лет, и уверен, им понравится - яркая, цветная, красивые иллюстрации. Не ждите от книги глубоко погружения в теорию, тут ее практически нет, зато есть подробные инструкции для изготовления 40 поделок из электронных компонентов как без пайки, так и с пайкой. В книге три раздела: свет, звук и движение. Для каждого устройства есть QR-код, ведущий на видео его работы. А на сайте авторов книги электроникадетям.рф можно купить набор электронных компонентов для проектов из книги.
Книга “Простая электроника для детей. Девять простых проектов с подсветкой, звуком и многое другое”. Автор - норвежец Эйвинд Нидаль Даль

Эта книга научит будущих инженеров собирать простые схемы на макетной плате без пайки и также подойдет для детей от 8 лет. Теории в ней гораздо больше, чем в предыдущей книге, но все же основной упор сделан на практику. Самая сложная схема из этой книги - это макет гирлянды (бегущие огни). Используется 555 таймер в качестве генератора импульсов, счетчик 4017 и 10 светодиодов. Компоненты нужно приобретать самостоятельно, готовых наборов нет. Однако, все компоненты, используемые в схемах из книги - доступные и недорогие, проблем с их покупкой не возникнет.
Книга “Электроника для начинающих”. 3-е издание. Автор - Платт Чарльз.
Пожалуй, это самая популярная книга для начинающих электронщиков на протяжении последнего десятилетия. И хотя это не совсем детская книга, она может оказаться вполне по силам юным электронщикам от 10 лет и старше. Лучше выбрать именно 3-е издание - оно полноцветное, в предыдущих были цветными лишь вкладки.

Подробно описываются такие схемы на цифровых микросхемах как кодовый замок, измеритель скорости реакции человека, а также проекты на Ардуино. Не заменит книг, которые дают хорошую теоретическую базу, но дает возможность новичкам сразу же погрузиться в практическую работу с реальными проектами. Для проведения экспериментов и сборки схем из книги выпускаются готовые наборы электронных компонентов - как самим издательством БХВ, так и уже упоминавшейся компанией “Амперка”.
Особенность книги, о которой надо знать - автор несколько своеобразно изображает электрические схемы в книге, нечто среднее между принципиальной и монтажной схемами. Перфекционистам от вида таких схем может стать плохо. И это, пожалуй, единственный недостаток книги, однако автор считает, что новичкам так будет проще читать и собирать схемы.
Что еще можно подарить?
Тем юным электронщикам, кто уже перерос конструкторы, можно и нужно подарить хороший мультиметр, а самым продвинутым можно вручить и цифровой осциллограф. Всегда пригодится лабораторный блок питания, хороший инструмент и паяльное оборудование, мини-сверлильный станок… Список можно продолжать бесконечно. Здесь я опасаюсь давать рекомендации конкретных брендов и моделей, дабы не вызвать споры в комментариях, но всё же попробую дать пару советов.
Мультиметр - однозначно могу сказать, что не стоит в качестве подарка тратить деньги на дешевые мультиметры самого распространенного 830 семейства. Сами по себе они не так уж и плохи для начинающих, но качество их изготовления всё портит. Особенно ненадежны щупы. Посмотрите в сторону бюджетных моделей от брендов Uni-T, Mastech, Owon, Aneng и других. Есть огромное число обзоров и веток обсуждения на форумах про такие мультиметры. Мне лично кажутся интересными мультиметры с Bluetooth и регистратором - они умеют сохранять измерения во внутренней памяти, а потом передавать их по Bluetooth в смартфон или компьютер. Детям всегда нравится, если в экспериментах задействована их любимая игрушка - смартфон.
Подросткам, возможно, будут интересны так называемые смарт мультиметры с сенсорным экраном, которые, опять же, так похожи на привычные им смартфоны.
Выбирать цифровой осциллограф начального уровня для новичков в электронике, скорее всего, придется по цене, но среди более-менее зарекомендовавших себя брендов. Присмотритесь к младшим сериям от Rigol, Hantek, Owon. Полезнее и практичнее выбрать настольный осциллограф, не USB-приставку и не портативную модель. На мой взгляд, в качестве первого учебного прибора желательно приобрести хотя бы двухканальный осциллограф.
Подведу итоги написанного выше - что же можно купить в подарок юному электронщику:
-
в 5 лет и старше: конструктор Знаток “979 схем”
-
в 8 лет: набор “Позитроник”, книгу "Простая электроника для детей и взрослых" (и набор по книге), книгу “Простая электроника для детей. Девять простых проектов с подсветкой, звуком и многое другое”
-
в 10 лет: набор “Позитроник цифровой”, наборы для пайки, паяльное оборудование и инструменты, измерительные приборы, книгу “Электроника для начинающих” (и набор по книге)
-
в 12 лет: набор “Arduino. Восьмибитная академия”, книгу “Цифровая электроника для начинающих”
Поделитесь вашим опытом - покупали ли вы электронный конструктор? Ребенок (ваш внутренний ребенок тоже считается) был в восторге, разочаровался или не заинтересовался? А что бы вы купили из моего списка? У вас в детстве был любимый электрический или электронный конструктор?
Автор: tirus
