
Почти два года назад компания Google объявила конкурс Little Box Challenge с призовым фондом 1 миллион долларов на разработку самого эффективного компактного инвертора, преобразующего постоянный ток в переменный. Для победы нужно было создать двухкиловаттный инвертор с удельной плотностью мощности не менее 50 ватт на кубический дюйм (3,05 Вт на см3).
Для сравнения, обычный DC-инвертор для автомобильного прикуривателя обладает плотностью 1-2 ватта на дюйм, а очень дорогие инверторы для солнечных батарей — примерно 5 ватт на кубический дюйм. То есть Google хочет, чтобы кто-то предложил дизайн, на порядок превышающий характеристики тех, что доступны сейчас.
Поразительно, но победитель Little Box Challenge не только выполнил условия конкурса, но показал гораздо лучший результат. Победителем стала команда фирмы CE+T Power. Опубликовано также техническое описание устройства.
Предложенный инвертор поставляется в корпусе объёмом 225,6 см3 (6,35 х 4,1 х 8,7 см), то есть двухкиловаттный инвертор можно держать в руке. С таким объёмом плотность энергии выходит 8,87 Вт/см3.
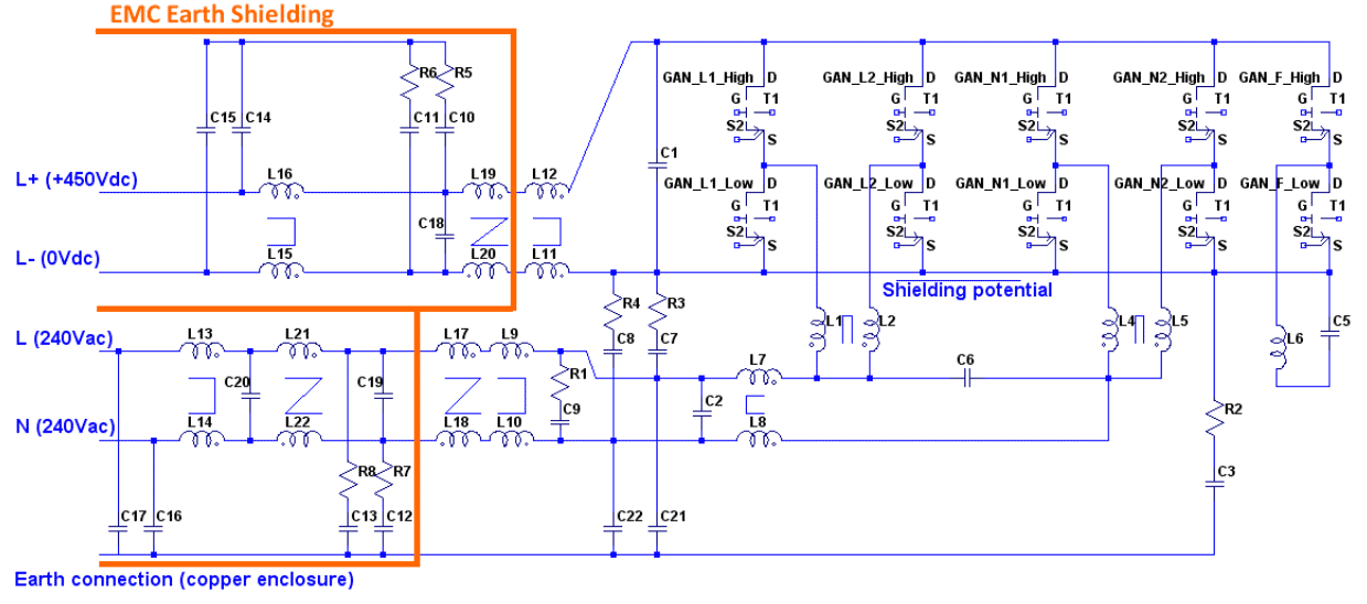
Главной технической инновацией в изобретении стало использование транзисторов на основе нитрида галлия (GaN) и очень эффективная система охлаждения.
Нитрид-галлиевые транзисторы обладают уникальными электрическими характеристиками — это большая ширина запрещённой зоны, высокие значения подвижности носителей заряда и их скоростей насыщения, большие коэффициенты теплопроводности и т.д., что обеспечивает создание на их основе приборов с рекордными значениями мощности, напряжения и тока, а также даёт им преимущество перед распространёнными устройствами MOSFET и IGBT.
Инженерами из команды CE+T Power удалось устранить недостатки нитрид-галлиевых транзисторов — сложность в управлении, чувствительность к электромагнитному шуму и серьёзное падение напряжения при отключении транзистора.

Для эффективного охлаждения все компоненты расположены вокруг кулера. Движение потоков воздуха тщательно просчитано.

Даже форму отверстий в радиаторе специально продумали, чтобы найти компромисс между эффективным охлаждением и минимальным сбором пыли у мусора в отверстиях.

По условиям конкурса, температура корпуса снаружи не должна превысить 60ºC. 3D-модели всех радиаторов проверили в симуляторе и выбрали наиболее эффективную форму в виде пчелиных сот.

Грамотный инженерный подход принёс команде CE+T Power заслуженный миллион долларов.
Среди других финалистов конкурса — инвертор команды Schneider Electric (6,1 Вт/см3) и инвертор Virginia Tech (3,7Вт/см3).
Автор: alizar
