Приветствую всех!
Месяц назад тут очень активно обсуждали довольно колхозно сделанный лифт с контроллером на Arduino. И вот, посмотрев на всё это, мне захотелось показать, как же вообще собраны нормальные лифты и как они работают.

Итак, в сегодняшней статье на примере одной из самых распространённых станций управления посмотрим на работу электронных лифтов. Заодно выясним, из каких компонентов она сделана и что в ней примечательного. Как водится, будет много интересного.
❯ Суть такова
Как известно, ещё с конца восьмидесятых релейные станции управления начали постепенно вытесняться электронными.

Конечно, релейные выпускаются даже сейчас (для модернизации существующих), однако электронные победили их практически окончательно.
И, как я замечал не раз, в комментариях практически к любому видео про оборудование таких лифтов кто-то нет-нет, да спросит: «А почему всё так сложно? В чём проблема взять Arduino или какой-то дешёвый МК и собрать всё на нём?». И, как показало то самое видео, есть даже те, кто всерьёз в это верит и кто собрал такое на рабочем объекте.
Также много лет назад на Хабре была нашумевшая статья про грузовой лифт на Arduino, где автор поясняет, сколько неожиданных проблем вызвала схема из таких комплектующих. Самое время рассказать, из чего сделаны промышленно выпускаемые станции управления и почему они куда более надёжны, чем большинство таких кустарных изделий.
❯ Что же мы будем рассматривать?
Речь пойдёт про такие станции, как УЛ и УКЛ. Они довольно простые, весьма распространённые, так что для обзора подойдут отлично.

Вот так выглядит станция УКЛ в сборе. Она представляет собой шкаф, внутри которого расположились плата управления, платы ключей, платы контроля, промежуточные реле, автоматы, пускатели, пульт управления и трансформатор питания.

Станция УЛ.

А вот станция УЭЛ. По сути это несколько урезанная УЛ, несмотря на то, что прямо они несовместимы, очень многие схемотехнические решения у них схожие.
❯ Из чего состоит эта станция?
Перед началом опытов рассмотрим поподробнее, что же вообще находится в этом шкафу.

Внутри шкафа находится микропроцессорная плата управления МПУ (в случае с УЛ — ПУ), большой железный трансформатор ОСМ-0,25 220/110/20/8, пульт управления, плата контроля фаз ПКФ, плата питания ПП, платы симисторных ключей ПСК, плата температурной защиты ПТЗ, плата управления тормозом ПУТ и плата RC-цепочки.

Трансформатор, как нетрудно догадаться, обеспечивает питанием всю систему. Также он выдаёт напряжение 110 В для питания цепей блокировки и некоторых силовых устройств (например, пускателей и контакторов).

Плата МПУ. Это главная плата в данной станции — здесь расположен управляющий микроконтроллер, она же обрабатывает и выдаёт все необходимые сигналы.

Плата температурной защиты. Помимо цепей контроля термодатчика здесь расположились источник питания 24 В (в виде линейного стабилизатора на огромном радиаторе), цепь контроля охраны шахты и RC-фильтр телефонной связи. Производитель заявляет, что стабилизатор защищён от перегрузки и замыкания, но на деле вся защита сводится к тому, что LM7824 просто греется, пока не сдохнет.

Плата питания. По сути она идентична предыдущей, только здесь также присутствует контроль тока в цепях ~110 В.

Плата контроля фаз. Как ясно из названия, она следит за асимметрией фаз и правильным подключением сети ~380 В.

Плата управления тормозом. Помимо управления электромагнитом тормоза она также отвечает за включение и выключения мотор-вентилятора охлаждения главного привода.

В некоторых станциях вместо этой платы применяется вот такой модуль.

Плата симисторных ключей. На ней расположены оптосимисторы, управляющие приводом дверей и пускателями главного привода.
❯ Обзор оборудования
Вообще то, что будет показано дальше, на самом деле древнее старьё. Очень многое в этих станциях давным-давно устарело, сама по себе эта система довольно ненадёжная (УЛ — ужас лифтовика). Тем не менее, они до сих пор выпускаются и эксплуатируются, а в большинстве городов это самые распространённые электронные станции управления. Также на все эти платы и блоки легко ищутся принципиальные схемы, чего не скажешь о многих новых станциях, поэтому сегодня будем рассматривать именно их.

Перво-наперво идёт плата МПУ от станции УКЛ. Она уже мельком фигурировала в одном из предыдущих постов про лифтовое табло.

Плата оптосимисторных ключей от станции УКЛ.

Плата ЦПУ от станции УЭЛ. Её функции идентичны плате МПУ...

Плата контроля (ПК) от станции УЭЛ. Она объединяет в себе мелкие платы станции УКЛ/УЛ — это плата контроля фаз, наличия нужных напряжений и температуры двигателя.
❯ Запускаем УКЛ
Начнём с платы МПУ.

Микроконтроллер. Здесь это самый обычный AT89S52.

Индикатор, отображающий положение кабины, код ошибки и рабочий режим.

А вот и распиновка. В первую очередь нас интересуют разъёмы X1 и X2. На них подаётся переменное напряжение ~10 В для питания платы и постоянное 24 В для формирования управляющих сигналов.

Подаём питание. Загораются светодиоды, индикатор показывает FF 41. FF здесь — неизвестное положение кабины, 41 — отсутствие напряжения 24 В. Отлично, плата работает.

Подав 24 В, обнаруживаем новую ошибку: b7. Это неисправность одного из входов. Причина тут банальна: тот, кто отправлял мне плату, плохо её упаковал, отчего одна из оптопар была вырвана при перевозке.

В этой плате используются оптопары TLP181.

В Челябинске таких не нашёл, в ЧиДе обнаружились дорогие TLP181 и более дешёвые (8 рублей против 170, но кратность заказа 50 штук) аналоги HPC357D. Подумав немного, заказал дешёвые. Запаял отсутствующую на место, и плата ожила.
❯ Матрица
Почему же я назвал эти станции древним старьём? Один из главных их недостатков — схема подключения. Безусловно, на момент создания это было не самым плохим решением, но сейчас есть варианты лучше и надёжнее.

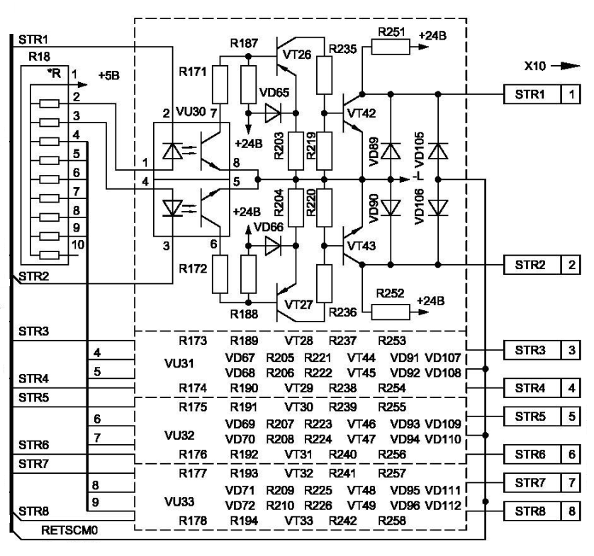
Взглянем снова на распиновку платы. Справа видим все основные провода: питание платы, управление двигателем, выбор направления движения, открытие и закрытие дверей (ОД и ЗД), выбор первой и второй, то есть малой и большой скорости (МС и БС), диспетчеризация, цепи блокировки, сигналы от частотного преобразователя. А вот никаких контактов для подключения датчиков, кнопок и индикаторов здесь нет. С остальными разъёмами всё тоже интересно: какие-то загадочные для обывателя пронумерованные провода с обозначениями STB и STR.

Всё дело в том, что все эти устройства подключаются по матричной схеме, абсолютно так же, как кнопки в цифровой клавиатуре или светодиоды на электронном табло. А эти провода, как нетрудно догадаться, означают строки и столбцы. Каждый узел этой матрицы состоит из диода и самого устройства (кнопки, тумблера, ключа, индикатора, датчика...). Схема эта довольно капризная (при выходе чего-то из строя диагностируется матрица порой довольно сложно), и неудобная (нужно большое количество проводов для подключения), однако довольно простая, отчего и используется даже сейчас. В более новых лифтах применяется более совершенная система — шина CAN (Kone, Arcode, ШК6000, ЛиРа), RS-485 или проприетарные интерфейсы (OTIS Remote Link).

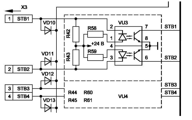
Вот к примеру, вызывной пост ПВЛ-Н1 для применения совместно с такими станциями.

А вот и его схема. Контакты подключаются к строкам и столбцам матрицы.

Само собой, работает всё это от 24 В, стандартного напряжения для практически всех лифтов с электронными станциями управления.

Из интересного: на плате УЭЛ даже есть встроенная система диагностики, позволяющая определять пробитые диоды или неисправность матрицы при помощи подключенного к специальному контакту щупа.

Этот щуп нужно установить на неисправный столбец, а загоревшийся светодиод строки укажет на вылетевший узел.
❯ Как работает МПУ
Самое время взглянуть на схему.

Хотя эти станции старые, у них есть немалый плюс — все схемы и документация есть в открытом доступе.

Вся электроника питается от стабилизатора LM7805. Поскольку плата запитана от отдельной обмотки трансформатора, гальванической развязки тут нет.

Аналогичным образом это реализовано и на плате УЭЛ.

Отдельно на плату приходят 24 В от платы питания. От них запитывается матрица и дискретные выходы. Для контроля наличия этого напряжения предусмотрена отдельная оптопара. Если этого питания нет, плата выдаст ошибку.

В качестве управляющего МК здесь используется самый обычный КР1830ВЕ31, он же просто 8031. В более новых ревизиях используется AT89S52. Настроек у платы ПУ или МПУ немного, большая часть их захардкожена в прошивке.

Нельзя, к примеру, взять плату для жилых домов и поставить в административное здание, для этого потребуется поменять и МК с прошивкой. Если требуется какие-то особые условия работы (например, пропуск определённых этажей или что-то подобное), придётся заказывать спецпрошивку.

Выходы матрицы. Для гальванической развязки каждый из них подключен через оптопару.

Сигнал с оптрона управляет не напрямую выводом матрицы, а силовым транзистором.

Для контроля исправности матрицы предусмотрен сигнал RETSCM.

А это входы.

Часть дискретных входов (цепи блокировки, двери кабины, двери шахты) выведены на отдельные оптопары со своим общим выводом (не соединённым с общим проводом матрицы с маркировкой -L). Сюда приходит напряжение ~110 В. Из забавного: если индикаторный светодиод вдруг выйдет из строя, соответствующий вход тоже сдохнет.

Не избежал гальванической развязки и интерфейс для связи с диспетчерским блоком.
❯ Датчики
Помимо кнопок и индикаторов вызова и приказа к матрице подключаются ещё и некоторые датчики. Поскольку матрица опрашивается достаточно быстро, задержка тут некритичная. К матрице подключены датчики крыши кабины, концевики дверей, реверс дверей, а также датчик загрузки кабины. Конкретно в этой станции сигналов загрузки всего три — 15 кг (в лифте кто-то есть), 90% загрузки (лифт может ехать, но не останавливается на попутные вызовы), 110% загрузки (загорается индикатор перегрузки, лифт никуда не едет).

На крыше кабины установлены датчики, благодаря которым станция управления определяет её положение. В старых лифтах датчики были герконовыми, сейчас применяются индуктивные. Для более надёжной работы (чтобы в самый неподходящий момент лифт не заглючил из-за плохого контакта) датчики работают на размыкание, а не замыкание. Также это защищает от нештатных ситуаций при внезапном выходе датчика из строя: если он сам или отвечающая за него оптопара внезапно сдохнет, то лифт не будет ехать, пока не уткнётся в потолок, а просто встанет.

В данной схеме датчиков три: верхнего этажа, нижнего этажа и точной остановки.

При подаче питания станция управления не знает, где находится лифт (выглядит это как два прочерка на этажном табло), поэтому требуется совершить корректировочный рейс: кабина едет на один из этажей (обычно самый верхний или самый нижний), пока не сработает ДВЭ или ДНЭ.

Нечто подобное могли видеть все, у кого был матричный или струйный принтер: при первом запуске головка едет до тех пор, пока не уткнётся в концевик.

Если подать на плату сигнал одного из этих датчиков, положение кабины сразу определится.
❯ Цепи безопасности
На самом деле все эти концевики — лишь малая часть датчиков в лифте.

Отдельно идут цепи безопасности (концевики дверей кабины и каждой из дверей шахты) и блокировки (ловители, устройство контроля слабины подъёмных канатов и прочее оборудование). Если хоть что-то из этого неактивно или неисправно, лифт не поедет.
Самое важное: контроль этот полностью аппаратный, цепь блокировки собрана полностью на реле и сухих контактах. Плата же просто отслеживает состояние этих сигналов, чтобы, например, выдать ошибку и заблокировать работу лифта до приезда электромехаников при нештатной ситуации.
❯ Что же в итоге?
Как видно, с виду довольно простая железка оказалась намного сложнее, чем могут подумать обыватели. Самое главное, что позволяет обеспечить эта схема, так это полную безопасность работы практически при любых условиях. Даже если электроника вдруг заглючит, никакого происшествия не случится, так как механические и релейные блокировки не дадут кабине тронуться. А благодаря оптопарам, защитным диодам, гальванической развязке цепей питания, цепей управления и цепей блокировки вероятность глюков снижается ещё на порядок.
И всё-таки есть одно место, где различные поделки на Arduino использовать можно. Это вот такие вот лифты, использующиеся исключительно для демонстрации.
Такие дела.
Автор: MaFrance351
