Приветствую всех!
Раннее летнее утро, пригородная платформа на вокзале одного неназванного города. Пассажиры садятся в стоящую на пути электричку, занимают места и достают обязательную для любой поездки на железной дороге еду. В это время машинист готовится к отправлению, закрывает двери, отпускает тормоза и, наконец, переводит ручку контроллера в ходовое положение.

Казалось бы, всё просто, но многие даже не подозревают, сколько интересного в этот момент происходит. Итак, сегодня разберёмся, как всё это работает, как устроены отвечающие за это блоки и как сжатый воздух помогает электричке плавно трогаться. Заодно запустим один из блоков и увидим его в работе.
❯ Суть такова
Уверен, абсолютно каждый из нас хоть раз в жизни, да ездил на электричке. Вот на такой:

Кто-то наверняка ездит на них и вовсе каждый день и даже не догадывается, сколько всего интересного у них внутри. Вот именно об одной из их составляющих сейчас и поговорим.
Так уж получилось, что всё, о чём пойдёт речь далее, применимо практически ко всем электропоездам постоянного тока в нашей стране.

Начиная от таких, уже ушедших в историю...

...и заканчивая такими.
Так вот. Как известно, практически на всех электричках постоянного тока, на которых мы ездим, применяются коллекторные двигатели и реостатно-контакторная система управления.

Конечно, есть исключения (например, на «Иволге» или на ныне ушедшей в историю ЭТ4А стоит асинхронный привод), но большинство электропоездов так и остались с коллекторными двигателями и электрооборудованием, во многом идентичным тому, что ставилось на рижские ЭР2Т. Первые их модификации (с оборудованием производства РЭЗ) так и назывались — «рижская схема».

Даже в совсем новых составах (ЭП2Д, ЭП2ДМ) наследие этой системы не ушло. Хорошо это или плохо, вопрос достаточно интересный и заслуживающий отдельного обсуждения. Некоторые даже называют новые поезда «ЭР2Т в современном обличье».
❯ Реостатный контроллер и реле ускорения
В отличие от, например, трамваев или вагонов метро, в интернете ищется куча фотографий и прочей информации по электрооборудованию электропоездов. Поэтому проблем с описанием в этот раз не будет.
Итак, как известно, нельзя просто взять и подать напряжение из контактной сети напрямую на тяговый двигатель. Для плавного пуска (вывода сопротивлений из цепи), добавления сопротивлений в цепь возбуждения и для изменения схемы соединения двигателей и используется реостатный контроллер (он же просто РК).

Выглядит он как вот такое устройство.
Слева располагается пневматический привод, который прокручивает кулачковый вал, замыкающий низковольтные (слева) и высоковольтные (справа) контакты.

А это механизм вращения контроллера — так называемый пневмопривод Решетова. Встречал упоминания, что были попытки заменить его на электромотор (как это сделано в трамваях, троллейбусах и вагонах метро), но успехом они не увенчались.
Минусом такой конструкции является то, что прокручивать РК можно только в одну сторону. Из-за этого единственным возможным вариантом вернуть его на первую позицию является отключить силовые цепи и прощёлкать его по кругу, пока тот не вернётся в начальное положение.
РК располагается в одном из подвагонных ящиков и при работе издаёт очень характерный звук, который, возможно, вы даже слышали при отправлении электрички.
❯ Блок регулировки ускорения
Перейдём к самому интересному: к тому, что же заставляет вращаться РК.

Для его управления предусмотрен так называемый блок регулировки ускорения, он же просто блок РУ, он же БРУ (встречается и тот, и другой вариант).

Существовало несколько их видов, самые поздние (от фирмы «Контур-НИИРС», устанавливаемые на ЭП2Д, ЭП2ДМ, последние номера ЭД4М) сделаны на базе микроконтроллера. Но у меня такого блока нет, поэтому рассматривать его подробно не будем.

А вот и распиновка блока. На вход подаются сигналы +110 В из цепи управления (при подаче которых блок сразу же запускается), напряжения с датчика тока якоря и с регулятора уставки в кабине.

Регулятор этот установлен на пульте машиниста (справа от контроллера) и отвечает за то, при каком токе двигателей РК будет прощёлкиваться на следующую позицию. От его положения напрямую зависит плавность разгона электрички: если поставить минимальное значение, то поезд будет трогаться очень медленно и словно через силу, а если максимальное, то наоборот слишком резко.

На более поздних машинах этот семипозиционный переключатель находится на том же блоке, где расположились тумблеры управления дверями, и на пульте обозначен значком стабилитрона. Сделано это неспроста: по сути задатчик уставки реле ускорения представляет собой группу последовательно соединённых стабилитронов, количество которых выбирается тем самым переключателем.

Помимо задатчика уставки к блоку подключён датчик тока якоря.
Как он выглядит, я найти не смог, но скажу, что он представляет собой магнитный усилитель. Когда между контактами Р и С протекает ток, меняется индуктивное сопротивление рабочей обмотки, что приводит к изменению напряжения на контактах блока РУ.
❯ Обзор оборудования
Взглянем поподробнее на тот самый блок регулировки ускорения.

А вот и он.
Это самый ранний вариант такого блока, выпускался он на Рижском электромашиностроительном заводе. Предприятие это живо и сейчас и до сих пор занимается выпуском электрооборудования для транспорта.
Сам блок представляет собой стандартный для всех рижских блоков для электропоездов металлический ящик достаточно внушительных размеров. Снизу в отверстии размещён мелкий потенциометр «Н.У.» (нормальная уставка), отвечающий за подстройку тока срабатывания блока для всех уставок сразу.
С обратной стороны корпуса ничего интересного, только глухая металлическая стенка.

Заводская табличка. Блок имеет тип 1Б-438.2, в документации обозначается «блок реле ускорения БРУ-045».

Сбоку разъём для подключения к цепям управления. Это вилка типа РП10-11.

А вот это тот самый задатчик реле ускорения ЗРУ-050, тот самый переключатель из кабины.

Представляет он собой металлическое основание, к которому прикручен галетный переключатель и монтажная пластина из текстолита.

Это не печатная плата, детали просто прикручены винтами с гайками.
❯ Внутренности
Что мы делаем, когда к нам в руки попадает какая-то интересная железка? Правильно: мы её разбираем.

Открутив два винта сверху и снизу, разделяем корпус на две половинки. В крышке ничего интересного, вся электроника смонтирована на основании.
Слева несколько мощных резисторов, дроссель, конденсатор и держатель предохранителя. Справа три платы, воткнутые в разъёмы РШ: устройство управления УУ-170, источник питания ИП-171 и тиристорный триггер ТТ-172.

Первая плата отвечает непосредственно за измерения.
На ней два трансформатора и два диодных моста, выпрямляющих напряжение с них. Один отвечает за регулятор уставки, другой — за датчик тока якоря. Слева в углу тот самый потенциометр. Конденсатор регулирует задержку переключения вентилей и заряжается до значения, пропорционального сумме напряжений с датчика тока якоря и регулятора уставки в кабине. Таким образом, чем выше напряжение на входе регулировки, тем при меньшем значении тока будет прощёлкиваться реостатный контроллер.

Как и многие другие отрасли, движение электропоездов не обходится без синей изоленты.

Вторая плата — источник питания.
Стабилизатор построен на стабилитронах и мощном транзисторе. К этому же модулю подключены те самые компоненты, прикрученные к раме.

Мощный транзистор КТ809А.

Ремонтировалось всё это, конечно, не раз и не два...

Третья плата — силовая, управляющая контроллером.

Тиристоры КУ202Н, щёлкающие электропневмовентилями в реостатном контроллере. На базе этих тиристоров собран счётный триггер, переключающийся при очередном импульсе с платы УУ.

Лак на обратной стороне платы немало повидал на своём веку.

В корпусе остаётся пластина с разъёмами и некоторыми силовыми элементами.

Те самые мощные резисторы и дроссель, составляющие часть источника питания.

На обратной стороне куча проводов и суровые советские стяжки.

Больше в нижней части корпуса ничего нет. Можно сказать, что блок внутри наполовину пуст.
❯ Задатчик реле ускорения
Теперь рассмотрим поподробнее переключатель. Он тоже не так прост.

На монтажной пластине разместились шесть стабилитронов Д815А и Д815Б, диодный мост, конденсатор МБГЧ, мощный резистор и держатель предохранителя.

Предохранитель тут аж на 3,15 А, устанавливается вот в такой держатель ДВП8 очень внушительных размеров.

Галетному переключателю заметно поплохело.


Увы, она отличается от оригинала направлением вращения, поэтому пришлось поставить её другой стороной. Но хороший контакт обеспечивается, ничего не коротит, и это главное.

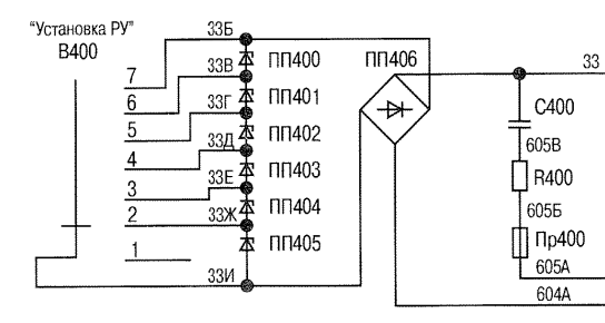
А вот схема этого блока.
На контакты 605А и 604А подаётся переменное напряжение 220 В, с 33 и 34 (соединённым в одном из переключателей с 604А) снимается выходной сигнал. Такая схема позволяет одним переключателем задавать уставку на всех моторных вагонах сразу.
❯ Запускаем
Итак, для того, чтобы увидеть данный блок в работе, понадобится источник питания на 110 вольт и какая-нибудь нагрузка, которую тот будет коммутировать. Для первого раза просто подключил щупы осциллографа (само собой, обязательно с делителем).

Также понадобится и ответная часть от разъёма.

При подаче питания блок начинает выдавать импульсы амплитудой около 100 В.
Если подать переменное напряжение на вход датчика тока, то при достижении определённого порога подача сигналов на вентили прекратится. Этот порог можно менять задатчиком реле ускорения.

На втором канале при этом инвертированный сигнал.

Таким образом, когда питание снимается с одного вентиля, оно сразу же подаётся на другой. Также в схеме реализовано, что при начале работы первым срабатывает всегда вентиль номер один. Это требуется для правильной работы пневмопривода.
Одним из недостатков данной системы является то, что блок РУ щёлкает вентилями, не получая никаких сигналов о том, провернулся ли РК или нет. Если контроллер заклинит, блок будет пытаться прощёлкнуть его до тех пор, пока это не получится или пока не сломается что-то ещё.
❯ Что же в итоге?
Несмотря на то, что такая схема довольно сильно устарела, она до сих пор используется даже на изготавливаемых сейчас электропоездах из-за простоты и относительной лёгкости в обслуживании. Но всё же, как по мне, время её уже уходит, а составы с асинхронными приводами лишены кучи имеющихся у рассмотренного тут железа недостатков.
Такие дела.

Автор: MaFrance351
