
— Вовочка, перестань пускать в глаза людям зайчики!
И вообще, отойди от лазера!
Светодиоды и полупроводниковые лазеры можно увидеть практически везде — от бытовых пультов управления и лазерных указок до промышленных установок и космических приборов. Наверное, это одни из самых распространенных полупроводниковых приборов.
Но как они устроены, как работают и для чего используются?
В этой статье я расскажу об устройстве и подключении светодиодов и лазеров, а также о том, какие эксперименты с лазерами можно проводить дома.
Еще в 1907 году британский экспериментатор Генри Раунд обнаружил, что при прохождении тока в паре «металл — карбид кремния» на катоде прибора возникает свечение желтого, зеленого и оранжевого света.
На рис. 1 показана реконструкция эксперимента Генри Раунда.
Здесь игла контактировала с кристаллом карбида кремния (карборунда). Отрицательный контакт источника питания 9 В был подключен к игле, а положительный — к кристаллу. В цепи проходил ток 30 мА, при этом в точке контакта наблюдалось зеленое свечение. Более подробное описание эксперимента можно найти здесь.
Хотя впервые этот эксперимент проводился давно, только в начале 60-х годов появились светодиоды, пригодные для промышленного производства. Они были очень дорогие, около $200 за штуку.
Свое знакомство со светодиодами я начал в 80-х годах с АЛ102 (рис. 2), созданного в СССР. Это был светодиод красного свечения небольшой яркости, но по сравнению с миниатюрными лампочками накаливания он выглядел довольно необычно. Еще можно было встретить зеленые и желтые светодиоды.
В те времена появились электронные часы и калькуляторы с красными светодиодными 7-сегментными индикаторами. Эти индикаторы потребляли слишком большую мощность и включались в часах на короткое время нажатием кнопки. Несмотря на такой недостаток, они выглядели очень круто!
Сейчас светодиоды сильно подешевели и во много раз улучшили свои характеристики. Они используются не только для индикации, но и для оформления, в елочных гирляндах, как источники света в квартирах, на производстве и даже в мощных фонарях и уличных прожекторах.
Как работает светодиод
В предыдущей статье «Магия полупроводниковых диодов: начало» я рассказал, что диоды образуются из p-n перехода. Материалы с избытком валентных электродов обладают электропроводностью типа n (negative), а с недостатком — электропроводностью типа p (positive).
Для обычных диодов используются такие материалы, как германий и кремний (Ge, Si). Когда через диод идет ток, электроны встречаются с дырками в области p-n перехода, и этот процесс называется рекомбинацией. В процессе рекомбинации электрон занимает место в валентной зоне, где была дырка. Электрон и дырка исчезают, но при этом выделяется энергия.
Но куда девается эта энергия?
Здесь мы должны разобраться с таким термином, как запрещенная зона. Эта зона описывает разницу в энергиях между валентной зоной и зоной проводимости. Ширина такой зоны — это количество энергии, которое нужно электрону, чтобы перейти из валентной зоны в зону проводимости. Энергия измеряется в электрон-вольтах (эВ).
Запрещенные зоны бывают прямые и непрямые (рис. 3).
В прямозонном полупроводнике электроны и дырки имеют одинаковый импульс, а рекомбинация приводит к излучению света.
В непрямозонном полупроводнике электроны и дырки обладают разными импульсами, энергия выделяется в виде фонона, то есть тепла. Такая зона образуется в обычных диодах из германия и кремния.
Для того чтобы p-n переход излучал видимый свет, ширина запрещенной зоны в активной области светодиода, измеряемая в электрон-вольтах, должна быть близка к энергии квантов света видимого диапазона. Кроме того, полупроводниковый кристалл должен содержать мало дефектов.
Чтобы удовлетворить этим условиям, создают многослойные полупроводниковые структуры — гетероструктуры.
Для светодиодов используются такие материалы, как арсенид галлия, нитрид галлия, фосфид алюминия-галлия (GaAs, GaN, AlGaInP) и другие. Эти материалы имеют прямую запрещенную зону, где энергия превращается в фотоны, то есть в свет.
На рис. 4 показано устройство наиболее распространенных светодиодов.
Корпус этого светодиода эпоксидный. Он защищает внутренние компоненты светодиода, а также служит линзой для фокусировки излучаемого света.
Внутри корпуса находится арматура, поддерживающая полупроводниковый кристалл, излучающий свет. Кристалл находится в углублении, отражающем свет. Арматура выходит наружу, образуя проволочные выводы анода и катода.
Вывод анода длиннее вывода катода. Если вам достался светодиод, бывший в употреблении и с обкусанными выводами, полярность можно определить при помощи фаски со стороны катода, а также разглядывая форму арматуры внутри корпуса светодиода.
От чего зависит цвет свечения светодиода
Светодиоды могут светиться разными цветами. На рис. 5 показаны светодиоды различного цвета — красный, желтый, зеленый, а также белый.
Цвет свечения светодиода зависит от ширины запрещенной зоны, где происходит рекомбинация электронов и дырок, а эта ширина, в свою очередь, определяется материалом полупроводника.
Для получения более коротковолнового цвета ширина запрещенной зоны должна быть больше. Однако из-за трудностей получения высокого КПД и проблем с перегревом только в конце 90-х годов компания Nichia смогла наладить выпуск голубых и белых светодиодов.
На рис. 6 приведена таблица, в которой для разных цветов указан соответствующий диапазон длин волн, падение напряжения на переходе при номинальном токе, а также полупроводниковые материалы и соответствующие им длины волн излучения.
Инфракрасные светодиоды часто применяются в пультах управления, в щелевых оптопарах, состоящих из светодиода и фотодиода, в инфракрасных камерах, в приборах ночного видения. Ультрафиолетовые светодиоды используются, например, в бактерицидных лампах, для затвердевания композитных зубных пломб, для проверки денежных купюр.
Обратите внимание, что в таблице на рис. 6 нет белого и пурпурного цвета, хотя вам наверняка встречались светодиоды с таким цветом свечения.
Чтобы сделать белый светодиод, применяется два подхода. В первом из них используются три полупроводниковых излучателя красного, зелёного и синего свечения, объединённые в одном корпусе. Второй подход предполагает использование люминофоров, подсвечиваемых синим, фиолетовым или ультрафиолетовым светодиодом (рис. 7).
Что касается пурпурного светодиода, то он может быть создан с применением синего светодиода с красным люминофором, либо как синий и красный светодиоды в одном корпусе.
Кстати, если светодиод состоит из красного, синего и зеленого светодиодов в одном корпусе, то его называют RGB-светодиодом. Цвет свечения такого светодиода можно изменять, используя, например, широтно-импульсную модуляцию (ШИМ). С помощью ШИМ вы можете задавать яркость свечения каждого из трех светодиодов.
Осветительные светодиодные лампы и ленты
Хотя выбор и применение светодиодных ламп для освещения заслуживает отдельных статей, приведу некоторые соображения по этой теме.
Если вы заметили, что ежемесячный платеж за электроэнергию стал слишком большим, возможно, стоит обратить внимание на осветительные лампы, установленные в квартире или в доме. Заменив лампы накаливания светодиодными (рис. 8), можно заметно сэкономить на ежемесячных платежах. Особенно если у вас дом или квартира с большим количеством комнат.
Помимо напряжения, типа цоколя и мощности, при выборе лампы следует учитывать несколько других важных факторов.
Прежде всего, нужно выбрать цветовую температуру, измеряемую в градусах Кельвина и определяющую оттенок цвета:
-
2700 K – 2800 K — тёплый жёлтый,
-
3000 K — тёплый белый,
-
4000 K — нейтральный белый,
-
6000 K — холодный белый.
Для жилых помещений больше подходят тёплые оттенки, а для рабочих — нейтральные или холодные.
Ещё один важный параметр — уровень пульсации света. Если этот параметр не обозначен на упаковке лампы, его можно оценить с помощью камеры смартфона. Если уровень пульсации высокий, на экране смартфона будет заметно мерцание.
Ещё учтите, что не все светодиодные лампы допускают управление яркостью с помощью диммеров. Если у вас используются такие регуляторы, нужно искать диммируемые светодиодные лампы.
На сайте lamptest.ru можно узнать параметры лампы по её производителю и названию. Также в интернете много обзоров, посвящённых выбору светодиодных ламп.
Помимо светодиодных ламп, в продаже есть светодиодные ленты. Для подключения таких лент не обойтись без специального устройства — драйвера светодиодной ленты (рис. 9).
На рис. 10 показан рулон со светодиодной лентой, подключённый к сети 220 В через аналогичный драйвер.
Этот рулон можно размотать, а ленту приклеить в нужное место, например, над рабочей областью в кухне, в коридоре или где-то ещё.
В продаже также есть светодиодные панели самого разного размера и формы, пригодные, например, для освещения рабочего стола или аналогичного применения.
Подключение светодиода к источнику питания
Раз уж мы упомянули про драйверы светодиодных лент, то нужно рассказать и о том, как правильно подключать светодиоды к источнику питания.
Вольтамперная характеристика (ВАХ) светодиода схематично показана на рис. 11.
Видно, что, начиная с некоторого порогового напряжения (зависящего от типа и цвета светодиода), ток через светодиод очень быстро возрастает. Это может привести к перегреву светодиода и выходу его из строя.
Кроме того, у светодиода очень небольшое допустимое обратное напряжение, превышение которого также приведёт светодиод в негодность.
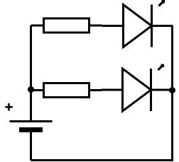
Отсюда два вывода — необходимо ограничивать ток, проходящий через светодиод, а также исключать подключение питания в обратной полярности (переполюсовку).
Для ограничения тока можно использовать резисторы (рис. 11).
Если нужно подключить несколько светодиодов, то лучше всего каждый светодиод подключать через свой резистор. У светодиодов даже одного типа может быть разная яркость. Если все светодиоды подключить через один резистор, ток может распределиться неравномерно. При отказе одного из светодиодов схема с индивидуальными резисторами сохранит свою работоспособность.
Для расчёта сопротивления используется формула:
где UF — прямое напряжение на светодиоде, Uпит — питающее напряжение, I — ток через светодиод.
Ранее на рис. 6 мы приводили диапазоны напряжений для светодиодов различного цвета. Для расчёта сопротивления резистора вы также можете воспользоваться калькулятором.
Последовательное соединение нескольких светодиодов с одним токоограничивающим резистором возможно, однако при этом через все светодиоды будет течь один ток. Кроме того, при выходе из строя одного из светодиодов все светодиоды погаснут.
Если есть вероятность, что на светодиод будет подано питание в обратной полярности, подключите параллельно ему обычный диод (рис. 12).
Этот диод ограничит обратное напряжение очень небольшой величиной, и светодиод не выйдет из строя из-за переполюсовки.
Подключение светодиодов к микрокомпьютеру
При разработке различных систем на микрокомпьютерах светодиоды часто подключаются к интерфейсу ввода-вывода общего назначения (General-Purpose Input/Output, GPIO).
Обычно нагрузочная способность контактов интерфейса GPIO не превышает единиц мА, поэтому речь может идти только о подключении маломощных светодиодов через резистор сопротивлением от 220 Ом до 1 кОм. При расчете величины сопротивления учитывайте, что, в зависимости от типа микрокомпьютера, на контактах GPIO может быть напряжение 3,3 В или 5 В.
Если нужно управлять мощными светодиодами, используйте транзисторные ключи или интерфейсные драйверы.
Ошибки при подключении светодиодов могут привести к выходу из строя микрокомпьютера, поэтому тут нужно соблюдать осторожность как при расчёте токоограничивающего резистора, так и в процессе самого подключения.
Изучаем лазеры
Сегодня полупроводниковые лазеры не менее популярны, чем светодиоды. И это не только лазерные указки. Лазеры нашли применение во многих областях — от медицины и связи до промышленности и развлечений. В медицине это хирургия, диагностика и косметология, в промышленности — 3D-печать, маркировка, резка и сварка. Лазеры нужны для принтеров, для систем оптоволоконной связи, для лазерных шоу, они применяются в строительстве, в военном деле, в космосе и много где еще. Невозможно перечислить все области применения лазеров.
Когда я был ещё студентом, нас возили на экскурсию на один из ускорителей заряженных частиц. Чтобы управлять оборудованием под напряжением порядка 700 кВ, использовался лазерный луч. Через него передавались управляющие команды прямо внутрь металлического шара с небольшим отверстием, размещенного сверху на огромном высоковольтном изоляторе.
Чем же интересен лазер и почему он так широко применяется?
Основные свойства лазерного луча — это монохроматичность и высокая когерентность. Лазерный луч узконаправленный и поляризованный.
Обычный свет от лампы накаливания или светодиода состоит из многих цветов, или многих длин волн. Монохроматичный свет лазера состоит из волн одной длины.
В обычном свете все волны распространяются в разных направлениях и никак не согласованы друг с другом. В когерентном свете лазера все волны синхронизированы по фазе и направлению.
Монохроматичный и когерентный свет лазера распространяется на большие расстояния без искажений. Возьмите лазерную указку и попробуйте вечером посветить на стены многоэтажного дома. Вы увидите пятно на очень большой высоте!
С помощью лазера можно получать интерференционные картины, что применяется, например, в голографии.
Экспериментируя с лазерами, даже маломощными, никогда не светите на окна, людей, машины или самолёты, чтобы не создать аварийную ситуацию и не нажить себе неприятностей. Берегите глаза — лазеры способны их повредить.
Устройство и работа рубинового лазера
Работа лазера основана на квантовой теории Эйнштейна, предсказавшего ещё в 1916 году существование так называемого вынужденного излучения. Такое излучение возникает при переходе квантовой системы с более высокого на более низкий энергетический уровень под воздействием индуцирующего фотона. Далее мы рассмотрим это явление на примере рубинового лазера.
Не углубляясь в историю, отметим, что впервые создать лазер оптического диапазона удалось Теодору Мейману в мае 1960 года. Конструктивно такой лазер состоял из кристалла рубина, с одного торца которого было нанесено непрозрачное зеркало, а с другого — полупрозрачное зеркало. Рядом с кристаллом была расположена мощная лампа-вспышка, излучающая интенсивный импульсный свет под воздействием высокого напряжения.
На рис. 13 показан подобный рубиновый лазер в разобранном и собранном виде.
По центру расположен рубиновый кристалл с напыленными зеркалами, а по бокам от него — две лампы-вспышки, обеспечивающие накачку.
Шаги процесса накачки и излучения показаны на рис. 14.
На шаге A атомы рабочей среды (в нашем случае это рубин) находятся в исходном состоянии. Когда под воздействием высокого напряжения лампа накачки вспыхивает, атомы хрома, которые есть в рубине, переходят в возбуждённое состояние. На этом этапе (шаг B) кристалл рубина как бы «зарядился». Электроны в атомах хрома попадают на более высокий энергетический уровень.
При возврате атомов хрома в обычное состояние выделяется энергия в виде света (шаг C). Когда этот свет (в виде фотона) попадает на другие возбуждённые атомы, они тоже излучают свет. Важно, что излучается свет с такой же длиной волны, с тем же импульсом, поляризацией и направлением распространения, что и у исходного фотона. Такой процесс и называется вынужденным излучением.
На шаге D происходит усиление света. Излучаемый атомами свет «бегает» между зеркалами, отражаясь и усиливаясь с каждым проходом. В итоге усиленный свет выходит через полупрозрачное зеркало в виде луча лазера. Зеркала представляют собой оптический резонатор.
Кстати, слово «лазер» (Laser) расшифровывается как «Light Amplification by Stimulated Emission of Radiation», то есть усиление света посредством вынужденного излучения.
Полупроводниковые лазеры
Изучив историю изобретения лазера, можно узнать, что в качестве рабочей среды использовался не только рубин. Был создан гелий-неоновый лазер, полупроводниковые лазеры на арсениде галлия, на газе CO2, а также лазеры с другими рабочими средами.
Когда я был ещё школьником и впервые узнал про рубиновый лазер из замечательной книги Сергея Седова «Занимательно об электронике», мне, конечно же, захотелось заполучить его или сделать самому. К сожалению, тогда всё это было для меня недоступно. Но и сейчас сделать рубиновый или газовый лазер сможет далеко не каждый. Желающих попробовать адресую к статье «Строим твёрдотельный лазер без регистрации и СМС».
Хорошая новость в том, что сегодня практически всем доступны эксперименты с недорогими и довольно мощными полупроводниковыми лазерами. Такие лазеры могут излучать как в видимом диапазоне, так и в инфракрасном.
В качестве рабочей среды в полупроводниковых лазерах используется полупроводник. Накачка может выполняться электрическим током, электронным пучком или электромагнитным излучением.
В лазерном диоде рабочей средой будет p-n-переход. Излучение здесь происходит из-за рекомбинации электронов и дырок (рис. 15).
Между разными материалами в лазерном диоде формируется гетеропереход с повышенной концентрацией носителей. В лазерах гетеропереходы применяются для создания активных областей, где происходит усиление света. Также существуют мощные гибридные лазеры, в которых твердотельная среда накачивается мощным светодиодом.
В полупроводниковом лазере оптическим резонатором служит волноводная структура активной области полупроводника и зеркальные грани полупроводникового кристалла. Размеры этой области в полупроводниковых лазерах очень малы, что приводит к концентрации излучения высокой мощности в малом объеме. Чтобы не произошло разрушение кристалла, в нем не должно быть дефектов.
Лазерные диоды компактны и эффективны. Но, к сожалению, у них есть и недостатки, например, довольно заметное расхождение луча на выходе диода, что компенсируется собирающими линзами. Также может быть невысокая когерентность, ограниченный диапазон излучаемых волн, деградация характеристик со временем и чувствительность к температуре.
Несмотря на это, полупроводниковые лазеры применяются очень широко — от лазерных указок и дальномеров до медицины и промышленных систем.
Подключение лазерного диода
Для питания лазерных диодов, как и светодиодов, необходимо использовать источники тока. В простейшем случае (например, в лазерной указке) подойдет резистор, но для специальных применений придется использовать контроллер. Нужно позаботиться о защите от переполюсовки, статического электричества, перегрева и бросков тока.
Лазерные диоды могут быть установлены в скоростных устройствах передачи данных. В этом случае к контроллеру будут предъявляться особые требования по быстродействию. Например, на выходе контроллера не должно быть выбросов тока в момент включения или переключения — такие выбросы могут вывести лазерный диод из строя.
Также необходимо контролировать температуру лазерного диода, для чего может применяться термокомпенсация, термостатирование и охлаждение с помощью элементов Пельтье.
На рис. 16 показан в разобранном виде лазерный диод трансивера GBIC Nortel Networks AA1419001. Сам по себе лазерный диод — это маленький чип с правой стороны. Слева от него находится фотодиод, используемый для контроля выходной мощности.
В продаже есть не только лазерные диоды, но и готовые лазерные модули, как недорогие с малой мощностью, так и очень мощные, пригодные для резки материалов (рис. 17).
В составе лазерного модуля могут уже находиться токоограничивающие резисторы или контроллеры. Мощные лазерные модули комплектуются блоками питания.
Для экспериментов можно купить очень недорогой модуль KY-008, который уже содержит в себе токоограничивающий резистор (рис. 18).
Если подключить модуль к источнику напряжения 3.3-5 В, он будет излучать красный свет. Вы можете изучить даташит этого модуля перед использованием. Обратите внимание, что рабочий ток составляет 30 мА. Если вы будете подключать такой модуль к порту GPIO микрокомпьютера, убедитесь, что он может выдержать такой ток. В противном случае используйте транзистор.
В этой статье я не буду рассматривать подключение лазерных диодов в сложных применениях, таких, например, как передача данных. Более подробную информацию о подключении вы найдете в этой статье и в комментариях к ней.
Простые опыты с лазерами
Когда-то в детстве я проводил эксперименты с оптикой, используя в качестве источника света замочную скважину в двери, выходящей в темный коридор. В солнечные дни из этой скважины вырывался довольно яркий солнечный луч. На его пути я размещал линзы от диапроектора, банки с водой, картонки с отверстием небольшого диаметра и другие аналогичные оптические «приборы», которые мне удавалось раздобыть или сделать самостоятельно.
Сейчас в продаже есть наборы для проведения оптических экспериментов, в которые входят светодиоды и лазеры. На рис. 19 показано, как лучи от трех лазеров из такого набора проходят через двояковыпуклую линзу.
Как видите, такая линза собирает лучи в точку. Аналогично, двояковогнутая линза рассеивает лучи (рис. 20).
Прямоугольный брусок стекла демонстрирует преломление и отражение лазерных лучей (рис. 21).
И, наконец, на рис. 22 показано прохождение лучей через брусок и упомянутые выше линзы.
Разобрав довольно дорогой, но сломанный проектор, мне удалось «добыть» полупрозрачное зеркало. На рис. 23 показано, как направленный на это зеркало лазерный луч расщепляется на два луча.
Интересные опыты можно провести, если направить луч лазера в среду с переменной плотностью. Луч лазера изогнется дугой!
В интернете можно найти описания и других домашних опытов с лазерами, например, в статье «Опыты с лазерной указкой». Надеюсь, вы получите настоящее удовольствие от этих опытов, и, может быть, придумаете свои собственные. Главное — соблюдайте технику безопасности. Вместе с мощными лазерами, которые могут зажечь спичку или прожечь отверстие в картоне, продаются защитные очки, и это неспроста. Берегите глаза и не светите лазером на людей, машины и самолёты!
Автор @AlexandreFrolov
НЛО прилетело и оставило здесь промокод для читателей нашего блога:
-15% на заказ любого VDS (кроме тарифа Прогрев) — HABRFIRSTVDS.
Автор: FirstJohn
