Идея этой статьи с сантехническим уклоном у меня возникла после просмотра в Ютубе видеоролика о монтаже нового секционного биметаллического радиатора при замене старого отопительного прибора типа «гармошка» в старой однотрубной системе отопления, которую с советских времён применяют в подавляющем количестве панельных домов.
В том видеоролике сошлись в смертельной схватке два «блогера‑сантехника», каждый из которых считал, что только он прав.
По результатом этой баталии у меня возникли альтернативные решения, не совпадающие полностью ни с одним из дуэлянтов.
Своё видение решения я описал в комментариях к видеоролику, но ответа не получил. В итоге решил написать эту статью для прояснения сути проблемы широкой массе жителей панельных домов.
Особый интерес к этой теме у меня возник потому, что я сам лично как‑то собрался поменять такую старую облезлую «гармошку» (см.рис.1) на новый белый и красивы биметаллический радиатор (см.рис.2).
Рис.1. Примерный вид моего старого конвектора «гармошка» в панельной 9-ти этажке, который я собирался поменять на секционный радиатор.
Купил радиатор подходящего размера по рекомендации местных сантехников (см.рис.2).
Это не реклама, а лишь надёжный образец продукции российского производства, допущенного и сертифицированного под московские системы отопления высокого давления (до10 атм) и высокой температуры (до +105С).

Рис.2. Секционный биметаллический радиатор, который я купил по рекомендации ЖЭК‑овских сантехников.
Выбор биметаллического радиатора данного типа не случаен. Это важно, так как не все радиаторы подходят по критериям прочности и надёжности для установки в однотрубных системах в панельных домах с городским теплоснабжением от ТЭЦ.
Когда ко мне пришли ЖЭК‑овские сантехники договариваться о монтаже, то при взгляде на мой 14-ти секционный длиннющий (1120мм по секциям) и низкий радиатор (415мм по секциям) они произнесли следующую фразу:
«Зачем вы купили такой длинный радиатор? Последние секции всё равно греться не будут!»
После чего я задал вопрос про направление потока теплоносителя в стояке данной однотрубной системы.
На что получил ответ, что в данном радиаторе происходит подача снизу по данному стояку в П‑образной системе с нижним розливом теплоносителя.
Надо сделать маленькое отступление сообщив, что по роду деятельности я инженер‑проектировщик как раз по системам отопления, а потому суть проблемы мне была абсолютно понятна.
В итоге я отказался от замены своей исправно работающей «гармошки» на новый и красивый, но неработающий радиатор. А сам радиатор я через какое‑то время продал на Авито с потерей половины цены.
Именно из‑за такого личного столкновения с проблемой я так заинтересовался данным обсуждением вопроса замены «гармошки» на «секционный радиатор» в «однотрубке» с нижней подачей теплоносителя.
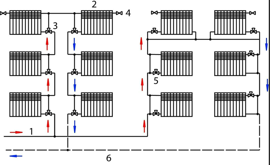
Краткий обзор технической стороны системы отопления с П‑образной однотрубной подачей теплоносителя
Системы отопления в панельных высотных дома ещё с советского времени выполняются по однотрубной схеме. Однотрубная схема применяется в различных вариантах.
1. Розлив сверху.

2. Розлив снизу с П‑образными стояками и нижним розливом, где.

Рис.3 Совмещена картинка с различными видами вертикальных однотрубных систем из какого‑то учебного пособия.
В первом варианте подача горячей воды в стояк производится сверху из коллектора на чердаке. Такие схемы практиковались ещё со сталинских времён, а в качестве отопительного прибора использовались широко известные всем «чугунные гармошки» с низким сопротивлением потоку, то есть секционные радиаторы из чугуна с секциями большого внутреннего объёма (см.рис.4)
Рис.4. Пример установки чугунного радиатора в вертикальной однотрубке со смещённым байпасом в «сталинке».
Особенности физики работы секционных радиаторов
Подача сверху в старых «сталинках» была обязательной, что объясняется физикой работы секционных радиаторов. Так в большой по объёму радиатор поступает сравнительно небольшое количество теплоносителя, а именно около 40л/ч на радиатор в 6 секций или 42л/ч на 1 кВт теплоотдачи радиатора при графике теплоносителя +90/70С).
Так 42л/ч — это очень слабенький поток ( 12мл/с) идущий по трубе Ду 15 (полдюйма) со скорость всего 7 см/с.
Далее эта медленная струйка затекает в большой верхний коллектор, где практически совсем останавливается и дальше начинает крайне медленно опускаться по секциям, постепенно остывая. При этом распределение теплоносителя по отдельным секциям определяется не гидравлическим сопротивлением (оно крайне мало на сверх малых скоростях потока в секциях), а естественной тягой остывающего теплоносителя, подобно естественной тяге горячего воздуха в дымовой трубе.
В случае радиатора тяга направлена вниз и создаётся за счёт увеличения плотности воды по мере её остывания в радиаторных секциях. Чем больше остынет вода в отдельной секции, тем большую тягу она создаст в этой секции и тем большее количество горячей воды в неё сверху засосётся.
Таким образом естественная гравитационная тяга в радиаторе обеспечивает наилучшее распределение потока теплоносителя по секциям радиатора.
Но что произойдёт если в радиатор подачу сделать снизу, а обратку забирать сверху?
В этом случае естественная тяга тоже будет работать, но чуть иначе. Так горячий поток из бокового нижнего подключения сразу устремляться в вверх по одной ближайшей секции в верхний коллектор, откуда сразу будет уходить в трубу обратки ещё не успев остыть. При этом остальные секции радиатора будут лишены горячего теплоносителя и останутся холодными.
То есть чтобы радиатор работал правильно нужно обязательно отсасывать холодную обратку только снизу радиатора, где находится самая холодная вода. При этом место входа горячей воды в радиатор принципиального значения не имеет, так как горячая вода всё равно под действием естественной тяги устремится вверх к верхнему распределительному коллектору радиатора.
При подаче горячего теплоносителя в секционный радиатор снизу необходимо и остывшую обратку забирать тоже снизу. Именно так получилась схема подключения «низ‑низ» (см.рис.8 ‑а-б‑в).
Дополнительной положительная особенностью схемы «низ‑низ» в том, что радиатор прогревается даже в случае сильного завоздушивания, включая ситуаци частичного заполнения с полным осушением верхнего коллектор. В этом случае прогрев секций осуществляет естественная конвекция в отдельных секциях за счёт возникновения встречных потоков внутри отдельных патрубков: Горячий поток идёт по центру, а охлаждающийся поток опускается по стенкам секции, отдавая тепло наружу.
На таком же принципе «естественно‑гравитационной тяги» делали безнасосные системы водяного радиаторно отопления деревенских домах в прошлом веке, используя в качестве источника тепла водяные котлы внутри обычных кирпичных печек (на дровах или угле).
Подключение секционных радиаторов в системы отопления с подачей снизу
Изначально в однотрубные системы с нижней подачей ставились конвекторы типа «оребрённая труба» (см.рис.1 и рис.5), так ка они не были чувствительны к направлению хода теплоносителя в подключении, и совсем не предполагалось устанавливать секционные радиаторы из‑за их врождённых особенностей.
Тем не менее по собственной инициативе жильцы заменяли родные оребрённые конвекторы на чугунные «гармошки» (см.рис.6)
Рис.5. Низкий конвектор типа «оребрённая труба» в однотрубной вертикальной системе. Для такого отопительного прибора направление потока теплоносителя в стояке не имеет значения.
Рис.6 Чугунный секционный радиатор, установленный вместо конветора в однотрубную систему с розливом сверху.
Данную фотографию я выбрал не случайно, так на ней ярко продемонстрирована вся суть проблемы, которая может возникнуть при замене низенького конвектора типа «труба с оребрением» (см.рис.5) на высокий секционный радиатор (см.рис.6).
На фото (рис.6.) хорошо видно отличие в высоте подводок к низкому старому конвектору и к новому секционному радиатору.
Теоретически возможен более аккуратный монтаж нового высоко радиатора, но уже с вмешательством в центральный стояк и с заменой большого участка стояковой трубы для увеличения высоты радиаторного «байпаса» (см.рис.7).
Байпас — это короткий участок вертикальной трубы в обход радиатора.
Рис.7. Боковое подключение секционного радиатора в вертикальной однотрубной системе со смещённым байпасом и верхним розливом теплоносителя.
На рис.7 изображено классическое «боковое подключение секционного радиатора в вертикальной однотрубной системе со смещённым байпасом».
Именно такой монтаж я предполагал для своего нового секционного радиатора взамен «гармошки». Но есть проблема: данное подключение работоспособно только при «верхнем розливе» теплоносителя.
В случае нижнего розлива требуется иная схема подключения секционного радиатора (см.рис.8–9–10)
Рис.8. Подключение секционного радиатора по схеме «снизу‑вниз» в вертикальной однотрубной системе отопления с нижним розливом и подачей «снизу ‑вверх»: Древняя замена конвектора на секционный чугунный радиатор в старой «хрущёвке». В верхнем левом углу на радиаторе прикручен кусок трубы с краном‑ это кран для выпуска воздуха из верхней части радиатора («воздушник»).
Рис.9. Подключение секционного радиатора по схеме «снизу‑вниз» в вертикальной однотрубной системе отопления с нижним розливом и подачей «снизу». Современная замена конвектора на секционный биметаллический радиатор в относительно современном «брежневском» панельном доме. В верхнем левом углу на радиаторе виден «кран Маевского» для выпуска воздуха из верхней части радиатора.
Рис.10. Классическое подключение радиатора «низ‑низ» в вертикальную однотрубную систему отопления с нижней подачей, где прогон трубы подачи к дальнему краю радиатора осуществляется под радиатором. 3- воздухоотводчик типа «кран маевского» .(«воздушник»).. 4- угловой термостатический клапан.
На рис.8–9–10. снизу радиатора проходит труба подачи теплоносителя к дальнему от стояка концу радиатора, ибо только при таком монтаже радиатор остаётся работоспособным и горячим по всем секциям.
Чтобы не городить эти длинные корявые прогоны под радиатором я и принял решение об отказе от замены своего конвектора «гармошки» на секционный радиатор.
Если не сделать такой горизонтальный прогон от стояка и не подключить секционный радиатор «снизу‑вниз», то последствия будут печальными: сначала радиатор не будет греть по всей длине, а потом придётся применять жуткие по «красоте» решения по оживлению радиатора как на ниже приведённой картинке (см.рис.11)
На картинке присутствуют координаты автора этого «шедевра», но это скорее антиреклама, чтобы вы знали к кому точно не надо обращаться.
Хотя случаются и более аккуратные исполнения такого «лечебного» монтажа в боковом перекрёстном подключении труб (см.рис.12-13)
Рис.11. Переподключение радиатора с боковым подключением на схему «сверху‑вниз» на однотрубном стояке с подачей снизу. Ранее тут явно уже заменили отопительный прибор типа «оребрённая труба‑ конвектор», на секционный радиатор с классическим боковым подключением, после чего новый радиатор не захотел греться целиком, а нагревалась только первая секция и верхний коллектор радиатора (см.термограмму на этом же рис.11-б). На картинке присутствуют координаты автора этого «шедевра», но это скорее антиреклама, чтобы вы знали к кому точно не надо обращаться.
Рис.12. Тот же перекрёстный монтаж, но в более приличном исполнении. Фрагмент кадра из видео про монтаж радиатор в однотрубный стояк с нижней подачей теплоносителя. https://youtu.be/61lcFrttNxE
Рис.13. Тот же автор с перекрёстным монтажом труб по схеме подключения » верх‑низ по диагонали», но с прогоном горизонтальной трубы под радиатором. Рядом теплограмм равномерного прогрева радиатора с таким монтажом. Фрагмент кадра из видео про монтаж радиатор в однотрубный стояк с нижней подачей теплоносителя. https://youtu.be/61lcFrttNxE
Рис.14. Схема отоков в классическом подключении радиатора «по диагонали верх‑низ» в вертикальную однотрубную систему отопления с нижней подачей, где прогон трубы подачи к дальнему краю радиатора осуществляется под радиатором:. 3- воздухоотводчик типа «кран маевского». 4- угловой термостатический клапан.
Рис.15. Термограмма неравномерного прогрева секционного радиатора при неправильном подсоединении «по диагонали» в однотрубке с нижней подачей по стояку.
Возникает вопрос: Можно ли сделать работоспособное, но не уродливое подключение радиатора в однотрубку с нижней подачей?
Чтобы ответить себе на этот вопрос мне потребовалось некоторое время, но изящное решение я всё же нашёл!
Чтобы убедится в работоспособности такого решения, я решил поискать существующие аналоги у известных производителей.
И какого же было моё удивление (приятное), когда я нашёл почти точные аналоги по схеме предлагаемого мною решения, но неподходящие к конкретным вертикальным однотрубным системам по исполнению.
Суть моего решения очень проста: Необходимо прогон до дальнего нижнего подключения радиатора тащить трубой не под самим радиатором, а проложить трубу «удлинитель потока» от нижнего подключения сбоку сквозь нижний коллектор самого радиатора.
На запрос в поисковике «удлинитель потока» мне вывалились различные узлы как от иностранных фирм‑производителей, так и от отечественного «Рифар» (радиатор которого я и пытался себе поставить).
«Удлинитель потока»‑ это отрезок трубы с резьбовым концом, который вкручен радиаторную пробку с удлинённым резьбовым участком внутренней резьбы под кран, а с внешней стороны к этой пробке прикручен отопительный кран и подвод от стояка отопления (см.рис.16–17–18).
Рис.16. Удлинитель потока внутри нижнего коллектора для «классического» бокового подключения длинного секционного радиатора. Такой удлинитель потока внутри коллектора нужен в длинных и низких секционных радиаторах, чтобы повысить их эффективность по теплоотдаче до уровня подключения типа «по диагонали».
Рис.17. Фото. Удлинитель потока из куска металлопластиковой трубы внутри разрезанного секционного радиатора.
Рис.18. Удлинитель потока из подручных стандартных деталей. Такие удлинители легко сделать из подручных материалов самостоятельно, при этом внутренняя трубка может быть практически из любой трубы (сталь, медь, металлопласты, пластик).
Правда, сам по себе удлинитель потока не решает проблему подключения в вертикальную однотрубку с подачей снизу (см.рис.19), так как нужно ещё организовать и второй выход снизу для создания схимы подключения «низ‑низ».

Рис.19. Неравномерный прогрев секционного радиатора при «одностороннем боковом» подсоединении к однотрубке с нижней подачей по стояку и «удлинителем потока» внутри верхнего коллектора радиатора. Неравномерности прогрева радиатора будут аналогичными картине с «диагональным подключением снизу‑ вверх» (см.рис.15).
Такое подключение сразу двух подводок в один нижний боковой порт секционного радиатора возможно самостоятельно сделать с помощью тройника и удлинителя потока (см.рис.20).
При дальнейшем поиске в сети обнаружилось, что почти такие же узлы серийно выпускаются для горизонтальных однотрубных систем повышенного сопротивления.
Именно такое однотрубное подключение в один нижний порт оказалось сделано на заводском узле европейского производителя, который я нашёл при дальнейшем изучении вопроса (рис.21).
У данного серийного узла есть много достоинств: регулировка сопротивления байпаса, регулировка сопротивления радиатора, компактность, подвод из пола пластиковой трубой.
Вот только использовать его в российских вертикальных однотрубных системах не получится как раз из‑за выше названых достоинств, а именно: из‑за избытка регулировок и компактности.
Компактность узла приводит к его недопустимо высокому гидравлическому сопротивлению на больших расходах через общий стояк отопления.
Гораздо большим расходом и меньшим сопротивлением может похвастаться самосборный узел из тройника и удлинителя потока с ниже приведённой картинки (см.рис.20).
Рис.20. «Однопортовое» подключение радиатора «низ‑низ», где прогон подачи к дальнему краю радиатора осуществляется с помощью трубки «удлинителя потока» (1) внутри нижнего коллектора радиатора. 1- Трубка «удлинитель потока» внутри радиатора. 2- кольцевое уплотнение между «удлинителем потока» и внешней трубой. 3- воздухоотводчик типа «кран маевского».
Рис.21. Серийный узел однотрубного подключения снизу в один боковой вход секционного радиатора: Внешний вид, разрез и схема потоков в радиаторе.
Кроме однопортового подключения по схеме «низ‑низ» можно выполнить и другие сложно комбинированные схемы подключения секционного радиатора с имитацией режима «низ‑низ». Так можно организовать выход обратки из нижнего коллектора через верхнее присоединение в первую секцию радиатора, заглушив внутренней резиновой пробкой верхний коллектор радиатора между 1-й и 2-й секцией. (см.рис.22), или сделать подъём подачи по первой секции радиатора, а обратку брать снизу удлинителем потока из изолированного кольцевым уплотнением (2) нижнего коллектора радиатора (см.рис.23–24).
Рис. 22. Боковое «двухпортовое» подключение радиатора «низ‑низ», где прогон подачи к дальнему краю радиатора осуществляется с помощью трубки «удлинителя потока» (1) внутри нижнего коллектора радиатора, а подъем холодной обратки из нижнего коллектора осуществляется по изолированной первой секции радиатора к верхнему выходу бокового подключения радиатора. Первая секция изолирована от всего радиатора с помощью пробки (5) в верхнем коллекторе между 1-й и 2-й секций. 1- Трубка «удлинитель потока» внутри радиатора. 2- кольцевое уплотнение между «удлинителем потока» и внешней трубой. 3- воздухоотводчик типа «кран маевского». 4- прямой термостатический клапан. 5- пробка между секциями радиатора.
В этой схеме нет необходимости использовать тройник и сложным образом соединять несколько труб в крайне малом пространстве от байпаса на стояке до ближнего нижнего подключения к радиатору. Вместо этого можно поднять холодную обратку из нижнего коллектора по изолированной первой секции радиатора до верхнего бокового подключения, так что внешне подключение будет почти не отличимым от вида на фото (см.рис.6.)
Правда, у такой схемы тоже есть недостаток, а именно: воздухоотводчики придётся ставить на обоих верхних концах радиатора. Это значит, что дополнительный тройник в такой схеме подключения всё же понадобится, но уже сверху и меньшего размера (Ду15, а не Ду 20–25), где в него будет установлен воздухоотводчик для первой изолированной секции радиатора.
При использовании внутри коллекторных межсекционных пробок можно организовывать весьма замысловатые формы потока в радиаторе, включая установку термостата вдали от места подключения труб к радиатору (см.рис.20–21).
Рис.23. «Однопортовое» подключение радиатора «низ‑низ», где подъём горячей подачи осуществляется по первой секции радиатора, а изогнутый «удлинитель потока» подключен к обратке и нижнему коллектору радиатора. 1- Трубка «удлинителя потока» внутри радиатора. 2- кольцевое уплотнение между «удлинителем потока» и внешней трубой. 3- воздухоотводчик типа «кран маевского». 4- термостатический клапан.
Рис.24. «Однопортовое» подключение радиатора «низ‑низ», где подъём горячей подачи осуществляется по первой секции радиатора, а короткий «удлинителя потока» подключен к обратке стояка и нижнему коллектору радиатора. 1- Трубка «удлинитель потока» внутри радиатора. 2- кольцевое уплотнение между «удлинителем потока» и внешней трубой. 3- воздухоотводчик типа «кран маевского». 4- термостатический клапан внутри коллектора первой секции радиатора.
Заключение по Части №1
О целесообразности замены конвекторов на секционные радиаторы в однотрубных системах многоэтажных многоквартирных зданий
-
Если у вас в квартире температура уже +22С и выше, то надо задуматься об отказе от замены имеющегося конвектора на новый секционный радиатор, так как у вас и так всё хорошо. Если вы всё же мёрзнете при таких температурах, то надеть меховые тапочки и шерстяной свитер будет куда более разумным выходом в данной ситуации, чем ввязываться в замену радиаторов.
-
Если температура в квартире у вас и у соседей меньше +22С, то надо не радиатор новый себе ставить, а поднимать на 3–5 градусов отопительный график в системе отопления целиком за счёт настройки ИТП дома силами управляющей компании, чтобы тепло стало всему подъезду, а не только вам за счёт других соседей. При этом неизбежно у всех жильцов вырастут платежи за отопление, причём непропорционально подъёму графика. Так подъём температуры в помещении всего на 2 градуса (что соответствует 4% перепада температуры с улицей в максимальный холод зимой) вызовет рост расход тепла за отопительный сезон уже на 8–10% с соответствующим ростом графы «отопление» в платёжках. Такой непропорциональный рост расходов связан с тем, что средняя температура за отопительный период теплее расчётной. Так например для Москвы расчётной температуры зимой считается минус 26С (дТ=+24-(-26)=50С), при этом средняя за отопительный период температура составляет всего минус 2,6С (дТ=+24-(-2,6)=26,6С), то есть при расчёте затрат тепла используют именно среднюю за период температуру, а это значит что подъём температуры на 2 градуса от дТ=26,6С составит уже 2/26,6*100%= 7,5%. При этом в потеплевших квартирах жильцы начнут сильнее открывать окна для вентиляции, тем самым ещё сильнее поднимая расход тепла на отопление.
-
Если вы всё же решились повысить теплоотдачу своих отопительных приборов, чтобы добиться повышения температуры от +20С до хотя бы +24С, то вам надо знать, что при этом вы начнёте отапливать своими радиаторами соседей сверху, снизу и с боков через большие площади тонких межкомнатных стен и перекрытий. При этом на разнице температуры всего в 3–5 градусов между вами и соседями тепловой поток от вас к соседям будет столь велик, что для его поддержания вам придётся увеличить теплоотдачу своих приборов не на проценты, а в разы. То есть поставив за свой счёт огромные радиаторы вы получите минимальны эффект лично для себя, вернув отнятое у соседей тепло им обратно через потеплевшие стены и бетонные плиты перекрытий (расчёт данного тезиса смотрите в следующей части).
-
Сменив исходный конвектор типа «оребрённая труба» на свой новый секционный радиатор, вы осуществите вмешательство в общедомовую собственность (общий вертикальный стояк отопления сквозь весь подъезд), тем самым возложив лично на себя всю ответственность за возможные поломки и протечки в вашем новом радиаторе. Так как вы поставите как минимум два новых шаровых крана на подводках к своему новому секционном радиатору, то все силовые нагрузки от тепловых деформаций вертикальных стальных труб в стояках отопления обрушаться именно на них. В итоге ваши красивые, но слабенькие по прочности латунные шаровые краны будут выламываться знакопеременным циклическими нагрузками от внешних труб до момента их внезапного катастрофического разрушения. В результате в скором времени на кранах возникнут трещины, из которых горячая отопительная вода затопит вас и соседей под вами, а отвечать за последствия будете лично вы, а не ЖЭК.
Часть №2
Наладка однотрубных систем отопления в высотных многоквартирных домах
После выдачи заключения об опасности замены стандартного конвектора в однотрубной системе отопления высотного дома на новый красивый секционный радиатор на меня нахлынули воспоминания о содержании учебников по системам отопления, которые я почти забыл.
Но оказалось, что ранее полученные знания не исчезают бесследно, а в какой‑то момент старые знания всплывают в новом качестве в случае столкновения с подходящей проблемой.
Так у меня всплыл вопрос возможности балансирования вертикальной системы однотрубного отопления по теплоотдаче при постоянно меняющейся температуре от +95С на первом радиаторе до +65С на выходе из последнего радиатора в П‑образной или любой другой длинной однотрубной системе отопления.
В результате у меня получились следующие технические варианты решения данного вопроса.
Метод-1
Гидравлический терморегулятор с термостатом
Так очевидным способом может быть установка термостатических клапанов с автоматическими термоголовками. Сейчас об этих термостатах только глухой и слепой не знает, если имел хоть какое‑то касательство к ремонту в квартире.
Правда этот метод не используется в старых однотрубных системах, о модернизации которых мы начали говорить в этой статье.
Как же тогда регулировали переменную теплоотдачу в однотрубках в советское время, когда в СССР с мелкой регулирующей арматурой были большие проблемы?
Метод-2
Переменный типоразмер прибора отопления по номинальной мощности
Вторым методом можно считать применение разных по размеру конвекторов, чтобы теплоотдача их была равной при изменении температуры теплоносителя.
Казалось бы «Метод-2» разумен.
Но это так кажется только до момента, пока вы не дойдёте до решения реально прикладной задачи с подбором нужного типоразмера прибора под расчётные параметры.
Рассмотрим пример современного панельного дома высотой 22 этажа с системой отопления по схеме «П‑образная однотрубка».
Так при высоте в 22 этажа в одной ветви будет находится 22*2=44 конвектора.
Если же перепад температуры от начал +95С и конца +65С составляет всего 95–65=30С, то на каждый конвектор в П‑стояке придётся перепад температуры всего дТ=30/44=0,68С
Теплоотдачу прибора отопления определяет «Тепловой напор», то есть разница температуры его поверхности и температуры в отапливаемом помещении.
Так для квартиры в качестве «расчётной температуры» принято считать комнатную температуру +20С.
Реально комфортной можно считать диапазон +22..+25С в зимнее время.
Далее будем считать на комфортную температуру +25С.
Учитывая что расчётные теплопотери средней комнаты в современном панельном доме составляет около 350Вт (панельный дом типа П-44), то именно эту мощность мы должны обеспечить плавно изменяя размер прибора отопления от самого маленького на температуре +95С в трубе отопления, до самого большого прибора при температуре теплоносителя +65С.
Так величина тепловых напоров конвекторов составит:
-
в начале Тн=95–25=70С
-
в конце Тк=65–25=40С
Отношение напоров Тн/Тк= 70/40= 1,75
То есть первый горячий прибор должен быть в 1,75 раза меньше по номинальной мощности, чем последний холодный.
Если первый радиатор имеет номинальную мощность N1=350вт, то последний должен иметь номинальную мощность N22=N1*1,75=350*1,75=613 Вт
Если учитывать плавное падение температуры по стояку, то разницу 0,75 раза надо поделить на 44 ступени и получим шаг типоразмера по мощности
(0,75/44)*100%=1,7%
Шаг 1,7% при номинале первого в 350Вт составит дN=350*1,7%=5,95 Вт.
Ближайший по размеру низкий секционный радиатор имеет мощность одной секции 100Вт.
То есть при применении секционных радиаторов от мощности 350 Вт до мощности 613 Вт будет всего 4 ступени типоразмеров: 400–500–600–700 Вт.
Какая‑то уж очень грубая настройка получается.
Если считать, что теплоотдачу с шагом 6 Вт на этаж можно регулировать за счёт изменения теплоотдачи по длине подводящих к радиатору горизонтальных труб, то такое удлинение подводок Ду 20 составит всего 6 см для температуры +95С (начало стояка) и 10см для последнего радиатора с температурой +65С.
Хотя было бы странно видеть съезжающий куда‑то в сторону от окна конвектор при подъёме с этажа на этаж. И действительно такой «изменчивой» картины реально не наблюдается, так как во всех квартирах одинаковые конвекторы стоят в одинаковых положениях под окнами.
Метод-3
Воздушное регулирование теплоотдачи
Так как мы не смогли использовать дефицитную гидравлическую арматуру и отказались от плавного изменения типоразмера конвектора, то имеется метод «воздушного регулирования» теплоотдачи конвекторов.
Таким методом пытались регулировать конвекторы с кожухами, где внутри кожуха ставили поворотную пластину для изменения потока воздуха через пластины оребрения (см.рис.22).
Правда жильцы тоже не дураки, а потому сразу выламывали эти регулирующие пластинки совсем или просто поворачивали их в полностью открытое положение.
Таким образом получилось, что регулирующая функция легкодоступных для жильцов систем себя не оправдала, а система осталась совсем без регулировки.
Рис.25. Конвектор с кожухом, где внутри кожуха установлена поворотная заслонка для регулировки воздушного потока через конвектор. На фото видна поворотная ручка сбоку кожуха.
Часть №3
Задача индустриального упрощения «по-СССР-овски»
Допустим, что мы вообще не будем менять радиаторы по размеру, а поставим на всех этажах одинаковые стандартные конвекторы без каких‑либо регулировок.
Такая система будет предельно простой в монтаже и упростит снабжение объекта, заменив 44 типоразмера малоразличимых на глаз приборов на один единственный тип стандартного конвектора на 400Вт.
Строители будут неслыханно рады такой однообразной унификации!
Но тогда какая температура будет получаться в квартирах в такой нерегулируемой системе?
Понятно, что в первой нижней квартире, там где теплоноситель +95С, будет очень жарко.
Но ведь в этой же квартире на кухне за стенкой теплоноситель уже всего +65С!
То есть в рамках одной квартиры в комнате будет жара, а на кухне холодно!
Равномерное отопление будет достигнуто только на последнем этаже, где разница температур батарей на кухне и в комнате будет всего 0,7С, а в обоих помещениях будет одинаковая вполне комфортна температура +22С.
Именно от верхнего этажа будет проще всего сводить температурный баланс по системе в дальнейшем.
Теперь нужно рассчитать на сколько велика будет разница по температуре между комнатой и кухней на первом этаже, где разница температур максимальна?
Расчёт ведём при минус-26С на улице (дТ=22-(-26)=48С).
Прямой расчёт показывает, что теплоотдача прибора на первом этаже будет на 75%/2=37% больше, чем на верхнем этаже с температурой +22С в помещении.
Но тогда и температура на первом этаже должна повысится в такой же пропорции на 37% или до +38 С в комнате.
Полученная по расчёту температура +38С просто ужасающая, неправдоподобная и ОШИБОЧНАЯ.
Дело в том, что при повышении температуры в комнате не только растут теплопотери на улицу через наружные стены, но и возникает сильный переток тепла в соседние более холодные помещения через тонкие межкомнатные перегородки. К тому же и сам прибор отопления при росте температуры в комнате начинает снижать свою теплоотдачу.
В итоге расчёт такой многофакторной системы с многосторонними связями становится отдельной достаточно сложной задачей.
Решать её надо как систему уравнений перетоков тепла:
-
от конвектора в комнате к помещению;
-
от помещения к улице через наружную стену;
-
от помещения через перегородку в соседнее помещение.
Для кухни будет такой же набор уравнений, только с иными параметрами температуры в помещении кухни и с притоком тепла через стенку из комнаты.
При сведении баланса получается, что переток между комнатой и кухней через стену достигает 100Вт, при этом в комнате получается слегка повышенная температура +27С, а на кухне допустимая по нижнему пределу +20С.
Небольшой перегрев в комнате легко снимается перетоком тёплого воздуха из комнаты в вытяжку кухни в количестве всего 4 м3/ч. Такой расход обеспечивается щелями в окнах даже без открывания форточки.
Тепловой поток 100Вт через стену на перепаде в дТ=7С обеспечивается на тонкой бетонной стенке толщиной 15см ( как в доме П-44) площадью около 5м.кв (длина 2м в кухне при потолке 2,5м)., c сопротивление стены R=0,35 м2/Вт*С.
Разница температуры «комнат‑кухня» может быть сильно уменьшена если длина стенок прямого соседства будет увеличена.
Так если равномерно чередовать «тёплые» и «холодные» помещения по длине фасада, то при резком росте площади теплопередающих соседних стен между помещениями будет также обратно пропорционально падать разница температур до дТ=1..2С между «греющим» и «нагреваемым» помещениями. В итоге во всех помещениях на всех этажах будет обеспечен нормативно допустимый диапазон температур на уровне комфортных величин +22…+24С.
Получается, что в домах с нерегулируемыми конвекторами в вертикальных П‑образных однотрубках в качестве дополнительных «радиаторов‑ распределителей» используют внутренние перегородки самих помещений.
Стоит отметить, что и эта идея уже была отработана ещё в ранних «хрущёвках», где трубы отопления замуровывали в перегородки между комнатами вблизи наружных стен, используя теплоотдающую поверхность самих стен как гигантские низкотемпературные конвекторы.
система получилась надёжной и равномерно прогреваемой при бифилярной П‑образной прокладкой труб в одной стене с розливом из подвала.
Правда, у такой системы с «тёплыми стенами» были свои недостатки:
-
замурованные в стенках трубы оказались непригодны для ремонта. Так что через 25 лет, когда система износилась, то всю систему отопления пришлось менять на обычные радиаторы с открытой прокладкой стояков в однотрубке. А ведь дома тех серий простояли уже по 50 и более лет.
-
система отопления без радиаторов под окнами оказалась физиологически менее комфортной, так как обращённая к холодным окнам части тела испытывали некомпенсированное охлаждение, подобно тому как при нахождении в деревенском доме между печкой и уличной стеной: «одна щека мёрзнет‑ другая жарится».
В итоге от системы «панельного отопления» с замурованными в стену трубами в дальнейшем отказались.
Итого: советская модель предельного упрощения П‑образной однотрубной системы позволила добиться достаточно стабильного и комфортного регулирования системы по средней теплоотдаче. При этом не применялось никаких систем регулирования отдельного отопительного прибора, а сами конвекторы имеют один единственный общий типоразмер по всем этажам одного стояка. Именно по этой причине не нужно влезать в «советские однотрубки» с современными радиаторами и терморегуляторами.
Часть№4
Двухтрубные системы отопления современных домов
На фоне проведённого выше анализа возникает вопрос про современные «Двухтрубные системы радиаторного отопления с термостатическими клапанами».
Могут ли эти современные «двухтрубки» оказаться лучше старых «однотрубок» по теплоотдаче и комфорту?
Для ответа на этот вопрос представим себе простую расчётную ситуацию, где в идеально отрегулированной системе отопления многоэтажного дома один жилец решить поднять температуру воздуха у себя в квартире всего‑то на 3 градуса от нормальных +22С до тёплых +25С.
При этом возникнут перетоки тепла из «подогретой» комнаты в соседние «холодные» комнаты.
Предположим, что утечки тепла пойдут только через бетонные перекрытия к соседям сверху и снизу (боковые стенки хозяин квартиры смог как‑то утеплить).
Тогда на дТ=3С возникнет поток тепла к соседям по всей площади пола и потолка квартиры.
Предположим 3-х комнатную квартиру с общей площадью 60м2.
Тогда через площадь 120м2 на дТ=3С возникнет тепловой поток через перекрытия с сопротивлением теплопередаче R=0,5 м2/Вт*С (что соответствует бетонной плите перекрытия со слоем ламината на полу).
Итого мощность перетока N=120*3/ 0,5= 760Вт
Если считать что номинальная мощность всех отопительных приборов в квартире всего 350*4=1400Вт
То данный переток тепла в 760 Вт к соседям составит более 50% мощности радиаторов.
Надо учитывать, что увеличить теплоотдачу на 50% от номинала в большую сторону методом регулирования термостатом невозможно, так как при подборе прибора отопления запас мощности по номиналу прибора не должен быть более 10–15% от расчётных теплопотерь помещения.
Вывод: если не менять приборы на в два раза более мощные, то вы не сможете поднять температуру в помещении более чем на 1 градус Цельсия даже открыв на максимум регулятор с термоголовкой на своих радиаторах. При этом ваши соседи не заметят изменения температуры в своих квартирах, а их радиаторы начнут экономить тепло, чуть прикрыв термостатические клапаны на радиаторах.
Часть№5
Деструктивное влияние персональных поквартирных теплосчётчиков на тепловой режим в многоквартирном доме в целом
Из ранее приведённого расчёта видно, что даже при наличии термоголовок на ваших радиаторах в многоквартирном доме вы не можете произвольно менять температуру в своей квартире.
И если даже в доме будет современная «поквартирная двухтрубная система отопления с теплосчётчиками», то ситуация принципиально не поменяется.
Так любящие жару «теплолюбивые» жильцы начнут отапливать «экономных» соседей через перекрытия и боковые стены.
Возможна даже ситуация, что кто‑то из «холодолюбивых» соседей вообще избавится от платежей за отопление по счётчику, так как его будут отапливать «теплолюбивые» соседи со всех сторон, что достигается на разнице температуры всего в 3–5 градусов между квартирами.
Так у «теплолюбивых» соседей будет +23..24С в их квартирах, а у «экономного» будет +20С. (см.рис.26)
Общий баланс по дому почти не изменится, а потому управляющей компании будет всё равно, что кто‑то почти не платит.
Заметной проблема с «экономными» станет в доме тогда, когда «экономных» станет слишком много, а именно: более 15% от общего числа квартир.
Эти 15% «экономных» соседей полностью «съедят» 15% запас мощности приборов отопления у своих соседей, 15% запас мощности у который заложен в проекте изначально в виде избыточной мощности приборов отопления в доме. Ведь только этим 15% запасом мощности радиаторов могут пользоваться «экономные» на нужды своего отопления.
Также могут возникнуть локальные переохлаждения в доме, если несколько «экономных» соседе окажется рядом, совместно вымораживая малое количество «теплолюбивых» соседей.
При превышении общего числа «экономных» порога в 15% начнёт падать температура в доме в целом.
В итоге даже «теплолюбивые» начнут мёрзнуть при +20С, а «экономные» будут подсчитывать барыши при +16С.
Температура +16…+20С опасна тем, что начинает развиваться плесень по всем «холодным» квартирам из‑за возникновения избыточной влажности от отсутствия проветривания.
Ведь при +16..+20С в квартире даже мысли об открывании окон для проветривания не возникает, ибо «и так холодно».
Итогом внедрения поквартирного учёта на отопление станет превращение «Элитного ЖК» в аварийный дом с протечками и плесенью.
Рис.26. Пример распределения температур в квартирах с «экономными» (синим) и «теплолюбивыми» (красным) жильцами в доме с поквартирным учётом тепла и «поквартирной горизонтальной двухтрубной системой отопления», где индивидуальные теплосчётчики установлен возле центральных стояков отопления в общем коридоре. В данном примере на картинке примерно выдержана доля в 15% «экономных» среди 85% «теплолюбивых» соседей.
Заключение по Части №5 и статье в целом
В соответствии с выше приведёнными аргументами Я выступаю сторонником «советских» нерегулируемых однотрубных систем отопления и ярым противником каких‑либо замен «холодных конвекторов» по проекту на «тёплые радиаторы» для себя любимых.
Социальная стабильность и групповой комфорт всех жильцов дома в целом гораздо важнее, чем мелкий индивидуализм отдельного владельца квартиры.
Хочешь индивидуальную жару‑ строй себе индивидуальный дом загородом и тащи на себе все проблемы самостоятельно как персональная УК‑ ЖЭК!
Таким образом, я считаю, что социально справедливым будет режим оплаты за отопление по площади квартиры, а не по фактически потреблённому теплу через радиаторы отдельной квартиры.
Так «Либеральная» система с поквартирными счётчиками тепла на отопление входит в жёсткий конфликт с инженерным расчётом и социальной справедливостью.
Наиболее разумно было бы отдельно через теплосчётчик учитывать расход тепла на приточную вентиляцию, так как приточная вентиляция в квартире «по нормативу» (30 м3/чел*час) способна съедать в разы больше тепла, чем система отопления. Но в квартирах «эконом класса» специальные дополнительные вентиляционно‑приточные системы ставят крайне редко, ограничиваясь минимальным проветриванием через форточки и по щелям в окнах.
Именно из‑за недогрева квартир штатными системами отопления в новых хорошо утеплённых панельных дома типа П-44 создаётся «душная атмосфера», которая может быть решена при «перетопе» всего здания до температуры в +25С и с соответствующим увеличением на 10–20% по расходу тепла за отопительный сезон. Ведь только в «перетопленых» квартирах люди по своей инициативе будут открывать окна зимой для проветривания, ну, хотя бы изредка.
Автор:
iMonin
