Хотите собрать радиоприёмник с минимумом деталей? Тогда вам пригодится микросхема TA7642 в трёхвыводном корпусе TO92. Внешне неотличимая от обычного транзистора, она содержит готовый радиотракт прямого усиления — усилитель высокой частоты с амплитудным детектором на выходе.
Включите перед TA7642 колебательный контур с антенной, а после микросхемы усилитель звуковой частоты или высокоомный наушник, — и радиоприёмник готов!
За плечами этой удивительной микросхемы стоит захватывающая история, которую я сегодня вам расскажу. И, разумеется, соберу и испытаю приёмник.
Магия радио
Когда на вашем столе под жалом паяльника рождается радио, это воспринимается как волшебство. Наверное, это потому что приёмник открывает для нас невидимый мир радиоволн, который всегда рядом и даже пронизывает нас. Однако без специального оборудования мы его не воспринимаем.
И вот, кучка молчаливых деталей превращается в устройство, доносящее до нас голоса людей, находящихся в других местах. Это просто архетипично. В эпоху смартфонов и всемирной паутины мы перестали ценить такие вещи. А когда собираем радио, снова переживаем «первобытное» откровение.
Может быть, именно поэтому мы до сих пор называем DIY-комплекты для сборки электронных устройств «радиоконструкторами». А сегодня я соберу радиоконструктор в полном смысле слова — приёмник прямого усиления.
Почти как в детстве, если в вашем детстве были наборы типа «Зорька», как был у меня, либо более распространённые «Юность» или «Мальчиш». В моём — были. И в вашем могут быть. Потому что взрослея, мы не обязаны совсем переставать быть детьми.

Журнал «Новые товары» № 11, 1971 г., стр. 12
Пионеры электротехники
Не каждая микросхема может похвастаться долгой и славной предысторией. Благодаря школьным учебникам и массовой культуре все мы прекрасно знаем имена Николы Теслы и Томаса Эдисона.

Скриншот из игры «Тесла против Лавкрафта» (2018)
Многие вспомнят великого электрификатора и разработчика железнодорожных тормозов Джорджа Вестингауза.

Постер художественного фильма «Война токов» (2017)
Хочется надеяться, что мы не забыли изобретателя гениальной электродуговой «свечи» Павла Яблочкова и Александра Лодыгина, разработавшего не только конструкцию лампочки накаливания, но и водолазный аппарат, прообраз современного акваланга.

Билет на презентацию лампочки Лодыгина. 1873 год
Имя британского пионера электрификации Себастьяна Ферранти гораздо менее известно в мире, хотя он, его потомки и созданная им компания сделали для человечества очень много. Может быть, потому что многие британцы долгое время предпочитали газовое освещение и относились к электротехнике несерьёзно, если не враждебно.

Некролог Себастьяна Ферранти. 1930 год. С мемориального сайта sebastiandeferranti.co.uk
Династия изобретателей и творцов
Дед будущего доктора Себастьяна Марк Аврелий Ферранти был знаменитым классическим гитаристом и композитором, которого высоко ценили Берлиоз, Россини, Паганини и Дюма-отец.
Правнучка Себастьяна Ферранти Валерия Хантер Гордон является изобретательницей первого в мире экологичного подгузника c одноразовым биоразлагаемым вкладышем «Paddi Pads». Вряд ли кто-то будет оспаривать важность такого изобретения, освободившего время, силы и чувства миллионов родителей от необходимости ежедневно отстирывать органические вещества с тканых изделий.

Валерия Хантер Гордон. Фото Daily Record
Такова династия Ферранти, сумевшая передать по наследству не обязанность повторять дело предка, а способность начинать и развивать своё дело. Есть чему поучиться.
Электрификация Великобритании
Итак, внук великого музыканта и прадед бизнес-леди, которая подарит сотням миллионов матерей, отцов и детей плюс к гигиене, свободе и самоуважению, в возрасте 13 лет создаёт собственную конструкцию электродуговой лампы.

Эскизы электродуговой лампы Себастьяна Ферранти с пневматическим регулятором. 1881 год. С мемориального сайта sebastiandeferranti.co.uk
По мере сгорания нижнего минусового электрода его масса уменьшалась, соответственно снижалось давление в левом цилиндре, соединенном с правым посредством шланга.
Поршень правого цилиндра опускался, а с ним и держатель верхнего плюсового электрода. Это было гораздо проще и дешевле часовых механизмов и электромеханических регуляторов, применявшегося в дуговых лампах, но сложнее и дороже, чем свеча Яблочкова, состоявшая из двух угольных стержней, скрепленных полоской глины или гипса.
В 16 лет, с помощью будущего Лорда Кельвина Уильяма Томсона, Ферранти разрабатывает высокоэффективную динамо-машину, которую впоследствии патентует. А ещё через два года, в 1882 году, основывает в Лондоне мастерскую под названием «Ferranti, Thompson and Ince».

Динамо-машина Ферранти-Томсона. The Board of Trustees of the Science Museum. Экспонат № Y1996.10.626
В 1885 году доктор Себастьян регистрирует компанию S. Z. de Ferranti, занимающуюся производством и распределением преимущественно переменного тока. Однако компания производила и счётчики постоянного тока на основе ртутного мотора.

Электросчётчик постоянного тока разработки Себастьяна Ферранти. The Board of Trustees of the Science Museum. Экспонат № Y1996.10.235
Электросчётчики в Великобритании до сих пор ассоциируются с именем Ферранти, как мы привыкли называть чертёжную доску «кульманом», бесфитильную бензиновую или керосиновую горелку «примусом», автономный подводный дыхательный прибор (SCUBA, Self-Contained Underwater Breathing Apparatus) «аквалангом» и фотокопировальный аппарат «ксероксом». И это хорошо, потому что историческая память учит и вдохновляет.

Однофазный счётчик электроэнергии переменного тока Ferranti Type F2K100. Выпускался с 1970 по 1985 гг. The Board of Trustees of the Science Museum. Экспонат № Y1996.10.621
Доктор Ферранти прекрасно понимал, что такое миссия компании. Он не только сделал правильную ставку на переменный ток, мощные электростанции и высоковольтную электропередачу, но и всемерно способствовал расширению промышленного и бытового потребления электроэнергии.
Компания S. Z. Ferranti, а с 1905 года Ferranti International plc, строила электростанции, разрабатывала и продавала оборудование для сталелитейной и текстильной промышленности, а также различные бытовые электроприборы, впоследствии радиодетали и радиоприёмники.

Машинный зал Дептфордской электростанции с генераторами Ферранти. 1889 год. Фото с мемориального сайта sebastiandeferranti.co.uk
В годы Первой и Второй мировых войн Ferranti International plc производила патроны для стрелкового оружия, а также гироскопические прицелы для авиации.

Гироскопический прицел The Ferranti Gyro Sight Mk IIc, 1943 год. Википедия
Первый в мире коммерческий компьютер
В 1951 году компания выпускает первый в мире серийный цифровой ламповый компьютер — Ferranti Mark 1. Он был усовершенствованной версией экспериментального прототипа Manchester Mark 1 — одного из первых в мире компьютеров с памятью программ, которым для программирования не требуется аппаратная перекоммутация, характерная для аналоговых и ранних цифровых ЭВМ.

Компьютер Ferranti Mark 1. Википедия
Руководство по программированию Ferranti Mark 1 написал сам Алан Тьюринг. Он же обучал первых программистов.

Алан Тьюринг с коллегами за компьютером Ferranti Mark 1. 1951 год.
Регистры Mark 1 были построены на основе запоминающих электронно-лучевых трубок (ЭЛТ) Уильямса-Килберна. А на консоли управления располагались целых 6 обычных ЭЛТ, дублирующих содержимое тех регистров, которые интересовали оператора в данный момент.

Консоль управления компьютера Ferranti Mark 1. Википедия
Первый советский компьютер
Отметим, что в том же 1951 году уже шла наладка советской ЭВМ М-1, также использовавшей запоминающие ЭЛТ в качестве оперативной памяти. Полностью функциональной эта ЭВМ стала в 1952 году.

Советская ЭВМ М-1. Фото с сайта www.computer-museum.ru.
Вся логика компьютера М-1 была построена на полупроводниковых диодах (трофейных медно-закисных выпрямителях). Тем не менее 700 электронных ламп всё же потребовались, и потребляла компактная М-1 скромные 8 киловатт, в отличие от 25 киловатт у 6000-ламповой МЭСМ. Производительность М-1 составляла 20 операций в секунду, МЭСМ — 60.
Главным конструктором М-1 был руководитель лаборатории энергетических систем Энергетического института АН СССР имени Г. М. Кржижановского Исаак Семёнович Брук. Вместе со своими коллегами Баширом Рамеевым, Александром Залкиндом и несколькими учениками Брук собрал электронно-вычислительную машину менее чем за год.

Фотопортрет Исаака Брука. Википедия
Усилитель радиочастоты в корпусе транзистора
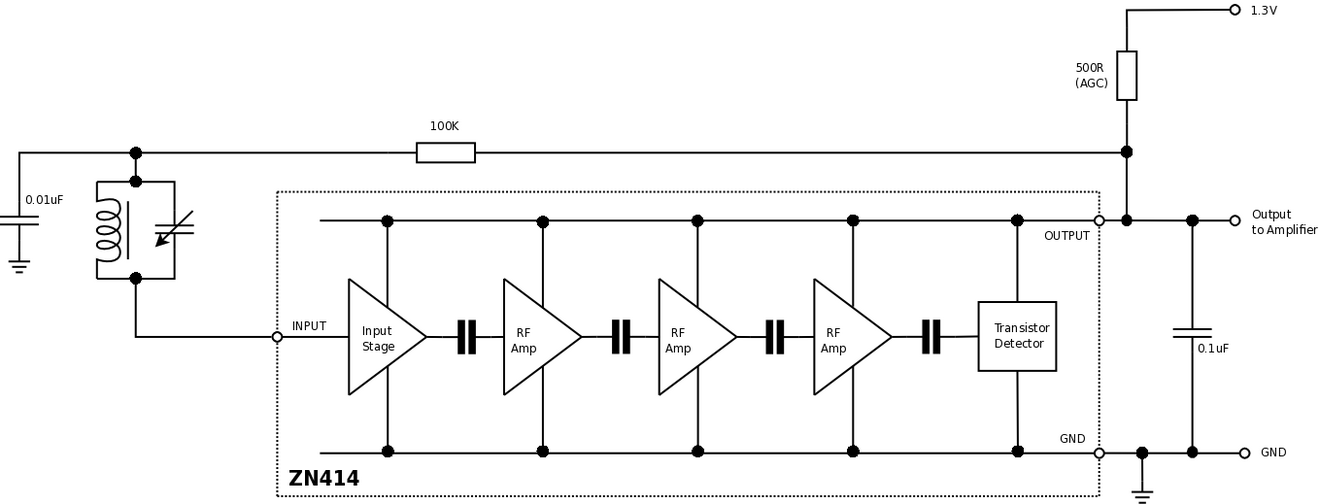
И конечно же, компания Ferranti не могла оставить без внимания такую перспективную отрасль как радиовещание. В 1972 году она начинает выпускать микросхему ZN414 — четырёхкаскадный тракт радиочастоты с транзисторным детектором в корпусе транзистора.

Микросхема Ferranti ZN414 в корпусе TO-18 и микрофотография её чипа. Википедия
Сначала это был винтажный металлический TO-18, затем привычный нам пластиковый TO-92.

Корпуса транзисторов. Слева направо: ТО-39, TO-18, TO-92. Википедия
Кроме входного колебательного контура, для построения радиочастотного тракта требовалось всего 4 детали — 2 конденсатора и 2 резистора. На схеме нет опечатки. Приёмник действительно работоспособен при напряжении питания 1.3 В.

Базовая функциональная схема из даташита Ferranti ZN414
Конденсатор 0.01 мкФ заземляет верхнюю по схеме сторону колебательного контура по переменному току, а конденсатор 0.1 мкФ служит интегратором после детектора.
Резистор 100 кОм обеспечивает смещение базы входного каскада, а сопротивление 500 Ом определяет глубину автоматической регулировки усиления (АРУ).
АРУ работает таким образом. Амплитудный детектор представляет собой выпрямитель. Чем выше амплитуда продетектированного сигнала, тем сильнее интегральное напряжение на выходе детектора смещено в сторону общего провода.
Соответственно снижается положительное смещение входного каскада, благодаря чему снижается усиление, тем значительнее, чем сильнее входной сигнал. А если входной сигнал слабый, то коэффициент его усиления будет выше.
В 1990-х годах на смену ZN414 от Ferranti и GEC Plessey Telecommunications пришла MK484 от Rectron Semiconductor, а затем микросхема 7642 от разных производителей: СD7642CS от Silicore, TA7642 от Toshiba и SUMCO, UTC7642 от Unisonic Technologies Co., Ltd. Японская компания Mitsumi Electric маркирует свой клон ZN414 как LMF501T-2.
Есть основания думать, что все эти микросхемы идентичны или почти идентичны, потому что имеют почти одинаковые заявленные параметры. Различие только в том, что паспортное входное сопротивление ZN414 и LMF501T-2 4 мегаома, а у всех остальных 3 МОм.
Такое высокое входное сопротивление позволяет подключать вход микросхемы непосредственно к контурной катушке без отводов и дополнительных обмоток, и достигается благодаря эмиттерному повторителю на транзисторе Т1.

Эквивалентная схема из даташита UTC7642 от Unisonic Technologies Co., Ltd
Далее входной сигнал поступает на первый каскад усилителя радиочастоты, построенный на транзисторе Т4, через конденсатор С1 и резистор R2. Токовое зеркало на транзисторах Т2 и Т3 используется для организации АРУ, регулируя смещение базы Т4 в зависимости от смещения базы Т1.
А теперь практика
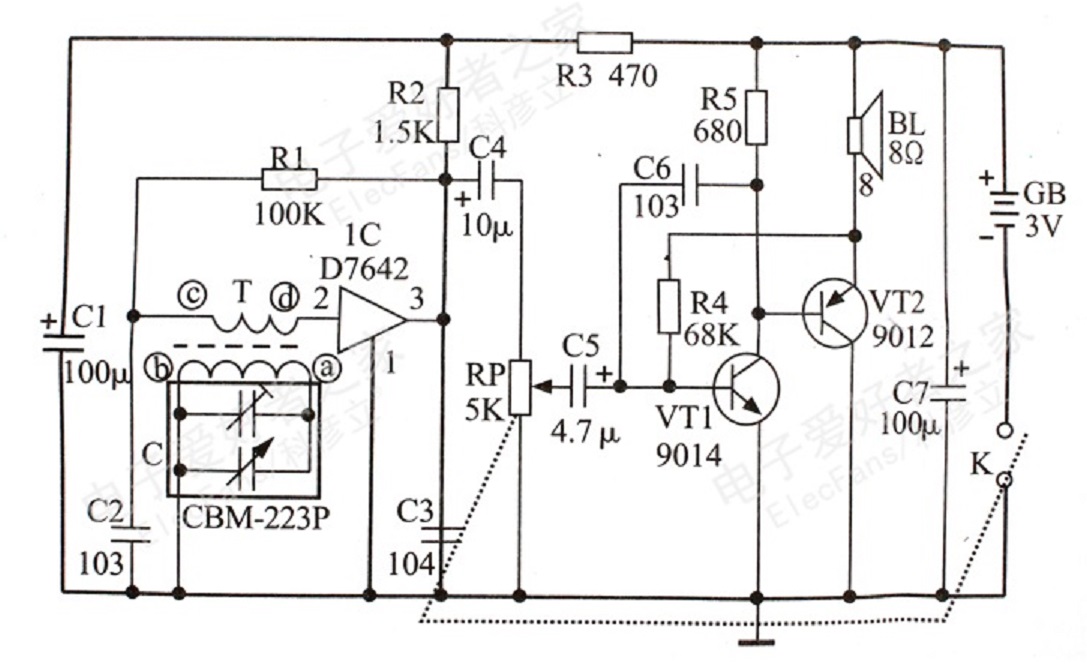
Набор для сборки средневолнового приёмника на базе микросхемы CD7642 можно купить на Алиэкспресс.

Комплектация радиоконструктора. Фото с Алиэкспресс
Радиоприёмник питается напряжением 3 вольта от батареи из двух элементов АА. Для питания микросхемы предусмотрен дополнительный фильтр из резистора R3 и конденсатора C1.

Схема радиоприёмника
Усилитель звуковой частоты двухкаскадный, с непосредственной связью транзисторов разного типа проводимости. VT1 включен по схеме с общим эмиттером и обеспечивает усиление по напряжению.
Конденсатор C6 обеспечивает отрицательную обратную связь (ООС) в верхней части диапазона звуковых частот, чтобы скомпенсировать амплитудно-частотную характеристику маленького громкоговорителя.
Транзистор VT2 включен эмиттерным повторителем и обеспечивает низкое выходное сопротивление. Его эмиттерной нагрузкой является непосредственно 8-омный громкоговоритель.
Резистор R4 задаёт ток смещения базы транзистора VT1 и осуществляет ООС по постоянному току, тем самым ограничивая ток через транзистор VT2 и катушку громкоговорителя.
Такие простые, но хорошо продуманные схемотехнические решения позволяют создать неплохо звучащий радиоприёмник с использованием малого количества компонентов.
Полвека назад, когда по всему миру работало множество средневолновых радиостанций, это были коммерчески успешные радиоприёмники.
А сегодня, если отсутствует достаточно сильный радиосигнал, для проверки и настройки средневолновых приёмников можно использовать микромощный комнатный передатчик AMT-MW207.
Выводы
Этот радиоконструктор легко собрать, и получившийся приёмник не нуждается в наладке. Претензий к качеству нет. Потому набор можно рекомендовать начинающим, при условии наличия источника радиосигнала.
Селективность приёмника оставляет желать лучшего, что неудивительно: его настройка на длину волну радиостанции осуществляется всего-навсего одним колебательным контуром. Регенерация могла бы повысить избирательность, благодаря повышению добротности контура.
Микросхемы ZN414, MK484 и 7642 не предусматривают возможности регенерации, но это плата за простоту и стабильно гарантированный результат. Регенеративный радиоприёмник — это уже следующий уровень любительского мастерства, о котором я расскажу в одной из следующих статей.

НЛО прилетело и оставило здесь промокод для читателей нашего блога:
— 15% на заказ любого VDS (кроме тарифа Прогрев) — HABRFIRSTVDS
Автор: Люблю радио
