
Легендарная, можно сказать, схема однополосного приёмника за авторством Владимира Тимофеевича Полякова — превеликого популяризатора любительского радио и связной техники прямого преобразования, с которой нередко начинало свою работу в эфире целое поколение советского юношества. Лаконичная, простая в изготовлении и настройке, на ширпотребных элементах и с удовлетворительными параметрами. Собрана на тогдашней элементной базе и от оригинала [1] отличается модульным исполнением, более или менее напоминающим характерную конструкцию ВЧ приборов. Радио собрано с мелкими доработками, предложенными С. Э. Беленецким [2].
Норд-вест, гудки, синева. Крейсер, не то миноносец.
В рубке радист репетирует: точка, тире, запятая…
Девочка машет с берега белой рукою.
Все с борта машут в ответ. Самый красивый не машет.М. К. Щербаков. Балтийские волны.
▍ Усилитель низкой частоты (УНЧ)

Рис. 2. Принципиальная схема аутентичного громкоговорящего УНЧ на старой элементной базе. Предложена [2] и дополняет схему исходную, элементы которой вне синенькой рамочки. Параметры усилителя, список требований к элементам и рекомендации по настройке в первоисточнике [2]

Фото 3. Сдув пыль с доставшейся некогда по случаю коробки транзисторов, отобрал нужные их марки и перемерил китайским тестером элементов. Крупной иглой нацарапал на крышечках коэффициенты усиления и по результатам соревнований отобрал пары в плечи

Фото 4. В несложной любительско-гражданской САПР спроектировал печатную платку для смешанного монтажа
Выпилил заготовку двухстороннего фольгированного стеклотекстолита, прогрел одну из сторон строительным феном и снял ненужную фольгу, зачистил оставшуюся с другой стороны медь. Накернил центры отверстий через распечатанный 1:1 бумажный шаблон, просверлил отверстия. Защитный рисунок будущих дорожек вычертил стеклянным рейсфедером, битумным лаком. Дав подсохнуть, отретушировал крупной иглой, вытравил незащищённые места в водном растворе хлорного железа, удалил ненужный лак клочком х/б ветоши, смоченной ацетоном, зачистил и залудил дорожки.

Фото 5. При монтаже пришлось наращивать выводы многих б/у элементов

Фото 6. Стиль — эклектика. На удалении от почты и радиомагазинов полезно иметь хотя бы грубый, но таки полный ряд ёмкостей и сопротивлений сигнальной мощности. Экономно — SMD, а корпуса 1206 не слишком утомляют ухудшающееся зрение. При свободном размещении выводных элементов, SMD удобно вставлять в разрывы дорожек, процарапывая их при ретушировании лакового защитного рисунка перед травлением

Фото 7. Настроенный УНЧ снабдил высокоомным резистором на входе и для начала опробовал в работе с детекторным КВ радиоприёмником
▍ Гетеродин
Ответственная часть, отвечающая и за стабильность частоты вырабатываемой синусоиды. К счастью, на 3,5 и 7 МГц, требования к ней не столь драконовские, как на более высокочастотных диапазонах. Тем более что для работы применяемого типа смесителя частота гетеродина нужна половинная.

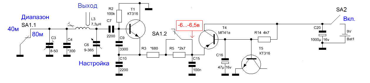
Рис. 8. Гетеродин приёмника, схема принципиальная. SA1.2 нейтрализует падение напряжения сигнала в режиме «40 м», Т4 — экономичный параметрический стабилизатор с импровизированным стабилитроном Т5, остальное очевидно. Намоточные данные L3, рекомендации по деталям и настройке — [1, 2]
Спроектировал и изготовил платку гетеродина аналогично таковой у УНЧ. Для улучшения параметров блока применил конденсатор переменной ёмкости с воздушным диэлектриком, а остальную мелочь на печатной платке закрепил прямо на его раме, соединив короткими жёсткими выводами. Элементы на плате установлены близко к характерному ВЧ монтажу «от точки к точке», где печатные площадки используются в основном как опоры.

Фото 9. Заготовка печатной платки гетеродина с рисунком дорожек ПФ-115 (фисташковый). На фото видна швейная игла в цанговой рукоятке — инструмент для ретуши. На дорожках процарапаны места для SMD элементов

Фото 10. Вытравленные и залуженные дорожки, впаянные SMD

Фото 11. Контурные катушки намотал на рекомендуемых каркасах с ферритовым подстроечником 2.7 мм [1, 2] от старого лампового СВ-ДВ радио. Выводы зафиксировал ниточным бандажом, пропитанным БФ-4. Каркас катушки легкоплавкий — проволочные стойки для подключения впаял в плату, катушку приклеил каплей эпоксидной смолы

Фото 12. Вид на плату гетеродина в сборе, установленную на штампованную стальную раму двухсекционного КПЕ от лампового радио невысокого класса

Фото 13. Настройка гетеродина согласно [1, 2] — подгонка и выравнивание амплитуды синусоиды на обоих диапазонах, «укладка» частот в стандартные границы
▍ Фильтр нижних частот (ФНЧ)
Важный элемент для гетеродинного (прямого преобразования) радио — в нём осуществляется основная фильтрация сигнала. От его параметров, в том числе и от добротности, зависит избирательная способность приёмника — возможность настраиваться на одну из нескольких близко расположенных станций. Фильтры пассивные перед активными имеют некоторые преимущества и обычно выглядят так:

Рис. 14. Классический простейший однозвенный ФНЧ, где R1 — входное сопротивление УНЧ. Как правило, применяется в схемах начального уровня и собирается на чём Бог пошлёт — мотается на каких угодно ферритах или трансформаторном железе, используется первичная обмотка НЧ согласующих трансформаторов и магнитофонные головки

Рис. 15. Двухзвенный фильтр обладает лучшими параметрами [3]
Здесь применил двухзвенный пассивный ФНЧ, постаравшись выполнить его с хорошей добротностью, пусть и в ущерб габаритам. Катушки намотал на паре похожих крупных ферритовых колец нетонким проводом, более или менее точно отобрал и подогнал элементы, заключил готовый фильтр в стальной экран.

Фото 16. Имевшуюся подходящую катушку домотал проводом 0,5 мм до максимальных значений [4]. Для работы из деревянной щепки лобзиком выпилил челнок

Фото 17. Для пропитки катушек и заливки фильтра использовал пчелиный воск — «обсушил» восковое сырьё — выставил его на открытом воздухе на пару дней, где пчёлы нашли и забрали даже самые мелкие капельки мёда (на фото). Обломки сот спрессовал, разварил в дождевой воде в алюминиевой посуде, продавил расплавленный воск через грубую ткань, отделив крупный мусор и остатки пчелиных коконов. Полученный воск собрал и очистил зонной плавкой — расплавил в воде и, хорошенько теплоизолировав ёмкость, дал восковой отливке очень медленно и без малейших сотрясений застыть. Весь мелкий мусор при этом, скапливается в нижнем слое отливки, которую недрогнувшей рукой удаляем

Фото 18. Для пропитки катушек использовал толстостенную ёмкость из нержавеющей стали с нагревом бытовой кухонной электроплиткой. На первой передаче и через тиристорный регулятор мощности

Фото 19. Подготовленные к сборке элементы фильтра. Катушки подогнал по индуктивности с разницей в 3%, нестандартные ёмкости [4] удалось составить из плёночных К73-11 по две штуки каждый, с погрешностью в те же 3…4%. Платки выпилил лобзиком по дереву, процарапал канавки резаком с зубом из ножовочного полотна и снял лишнюю фольгу пинцетом, подогрев её предварительно строительным феном

Фото 20. ФНЧ в сборе. Между катушками резиновая прокладка с отверстием посередине для затекания заливочного воска. Такое же отверстие и в нижней плате модуля

Фото 21. ФНЧ в гетеродинном радио — узел, чрезвычайно склонный собирать электромагнитные помехи. Применение кольцевых магнитопроводов способствует их уменьшению, однако весь модуль полезно ещё и заключить в стальной экран. Выполнил его из куска листовой 1.5 мм чёрной стали, частично гибкой, частично пайкой, мягким припоем с флюсом — ортофосфорной кислотой. На фото — заготовки корпуса-экрана

Фото 22. Стальную коробку с отверстиями для выводов фильтра покрасил изнутри грунтом-эмалью по ржавчине, дающей плотное надёжное покрытие, установил и зафиксировал картонными прокладками модуль

Фото 23. Припаял дно и через его заливочное отверстие с воронкой из алюминиевой фольги, залил подогретый модуль расплавленным воском

Фото 24. Вывод «общий», продёрнутый через тонкое отверстие, припаял к экрану и покрасил сборку эмалью
▍ Сборка

Рис. 25. Общая принципиальная схема приёмника прямого преобразования. Назначение элементов и их работа [1, 3], характеристики и подробности [1, 2]

Фото 26. Чтобы не слишком много возиться с корпусом радио, было решено собрать его на фанерном П-образном макетном шасси от стародавнего лампового регенератора, о чём пришлось тысячу раз пожалеть — куда проще было сделать заново, чем выпрямлять, подклеивать и укреплять его сомнительные места

Фото 27. Вот что получилось в итоге. Вид до покраски — скрипящий и туго вращающийся деревянный в дереве вал верньера, заменён на стальную полированную ось в подшипниках скольжения из сухой берёзы со специальными каналами для масла. Передняя стенка увеличена и добавлен бортик для удержания кожуха, без которого будет повышенный уход частоты гетеродина, укреплено шасси

Фото 28. Просверлил отверстия для установочных элементов, лобзиком по дереву выпилил окно. Ювелирным лобзиком из нетолстого листового алюминия выпилил детали на переднюю панель

Фото 29. Установил крупные модули сверху шасси. Использовал крепёж М3 и саморезы. Под КПЕ гетеродина пришлось сделать деревянный чурбачок-подставку, чтобы его колесо со шкалой было напротив окна. Окно вырезал из 2 мм оконного стекла. Поверх него внутри корпуса на УФ клей приделал плоскую линзу Френеля

Фото 30. В подвале шасси установил модуль УНЧ и платку с диапазонными фильтрами (С1, L1, C2, L2 рис. 25) и диодами смесителя D1, D2

Фото 31. Не поленился в гетеродине сделать дополнительный вывод для потенциальной внешней цифровой шкалы-частотомера — на контурную катушку намотал дополнительную секцию связи в несколько витков, культурно вывел её тонким коаксиальным кабелем к BNC разъёму на задней стенке

Фото 32. Настройка напряжения гетеродина на диодах смесителя

Фото 33. Укоротил ось верньера, бормашиной выточил на ней сужение и связал с колесом КПЕ подпружиненной верёвочкой. Выточил из кусочка сухой берёзы и установил ручку настройки

Фото 34. Изнутри над окном на алюминиевом кронштейне-теплоотводе закрепил кусочек белой светодиодной ленты для подсветки круглой шкалы на колесе КПЕ

Фото 35. Приёмник с открытой кожухом-крышкой, с СУ и БП. Вид спереди

Фото 36. Приёмник с открытой кожухом-крышкой, с СУ и БП. Вид сзади

Фото 37
▍ Что получилось
Радио работает с антенной и её согласующим устройством [5] и неплохо. Однако громкоговорящего приёма удаётся достичь только при подключении дополнительного внешнего усилителя (активные мини-АС от компьютера). На наушники приёмник работает хорошо и громко. Старшие товарищи подсказывают — приём может улучшиться, если дополнить заземление электротехническое несколькими противовесами.
В нашем радио применён простейший диодный смеситель, принимающий не одну (SSB), но обе полосы сигнала (DSB), и верхнюю, и нижнюю. Особенных неудобств это не доставляет.
В качестве БП радиоприёмника применён небольшой стабилизированный источник. Его длинный низковольтный провод позволяет удалить прибор от приёмника на 1…1.5 м, уменьшив помехи.
▍ Литература
1. Поляков В. Т., Казанский И. В. Азбука коротких волн. Москва, ДОСААФ, 1978 г. Стр. 39. Приёмник прямого преобразования на 3,5 и 7 МГц.
2. Беленецкий С. Э. Громкоговорящий ППП на германиевых транзисторах.
3. Поляков В. Т. Приемники прямого преобразования для любительской связи. Москва, ДОСААФ, 1981 г. Стр. 37. Фильтры звуковых частот.
4. Беленецкий С. Э. ФНЧ на магнитных головках.
5. Постройка простой проволочной КВ антенны с согласующим устройством. Авторский конспект.
На благо всех разумных существ, Babay Mazay, июль, 2024 г.
Автор: Сергей
