Обычно люди идут в магазин автозвука и покупают компоненты. Я же сначала спаял цифровой аудиопроцессор, а компоненты поставил какие есть.
Самая большая проблема автозвука-установка динамиков в самых неподходящих местах: динамик который играет прямо в ногу, сабвуфер массирует спину, влияние формы салона. Пока звук дойдет до ушей он будет уже не тот.
Именно поэтому я начал с DSP процессора.

Оглавление:
1. Начало
2. Что внутри
3. Установка
4. Настройка
4.1 Настройка задержек
4.2 Настройка АЧХ
5. Прослушивание
6. Итоги, достоинства, недостатки
7. Бонус
0. Термины
- Мид, Мидбас — Динамик для низких и средних частот(примерно 80-3кГц)
- Пищалка — Динамик для высоких частот (3кГц-20кГц)
- Саб, Сабвуфер — Динамик для самых низких частот (20-80Гц)
- Фазоинвертор — труба в корпусе колонки(сабвуфера), настроенная на определенную частоту для увеличения звукового давления
- АЧХ-Амплитудно-Частотная Характеристика — График зависимости звукового давления от частоты. Идеальная АЧХ — прямая горизонтальная линия. Влияет на восприятие тонального баланса звука.
- Параметрик, параметрический эквалайзер — Фильтр с заданной частотой, добротностью, уровнем и типом фильтра(в данной статье peak и lowshelf). В отличие от простого графического эквалайзера является более гибким и применяется в целях коррекции влияния компонентов, установки, помещения(салона). Обычно применяется в студийной и концертной аппаратуре. Без измерения микрофоном настроить практически нереально.
1. Начало
Вдохновился разработками фирмы miniDSP и захотел создать подобное для машины.
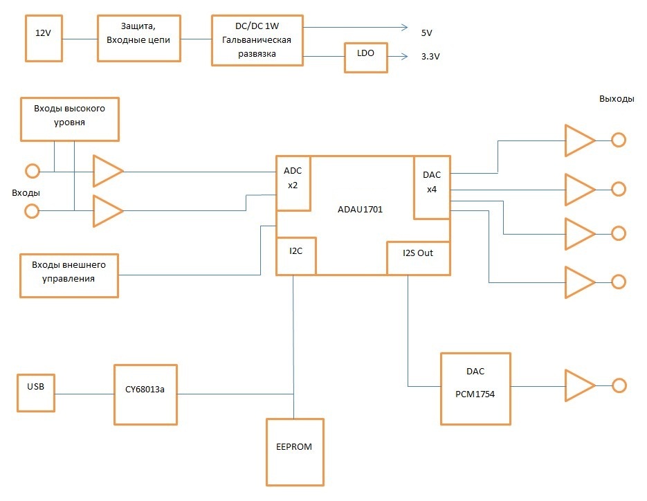
Сердце процессора чип от Analog Devices ADAU1701

Это готовый DSP процессор для аудио со встроенным 2 канальным АЦП и 4 канальным ЦАП. Практически все используют его в режиме 2х4. Но у меня самая обычная для авто система: 2 мидбаса, 2 пищалки, сабвуфер. Нужно минимум 5 каналов.
Почитав описание выяснилось, что чип поддерживает подключение внешнего ЦАП по I2S шине.
Спаял все на макетке и проверил:

Чип действительно выдает все сигналы для работы цапа и поддерживает дополнительные каналы.
Была разработана и спаяна плата:


Подобран корпус и сделаны передние и задние панельки:

с другой стороны:
2. Что внутри

- Гальваническая развязка питания с входом Remote (чтобы выключался от магнитолы и не расходовал аккумулятор)
- Сам чип ADAU
- EEPROM для хранения настроек ADAU.
- Чип Cypress cy68013a для прошивки через USB. Плата определяется как программатор Analog Devices USBi. Подключен к ADAU через I2C шину. Можеть прошивать ADAU на лету и EEPROM для сохранения настроек.
- ЦАП PCM1754 2 канала
- Входные и выходные операционники с фильтрами по даташиту
- 2 входа тюльпан и 2 высокоуровневых входа (используются либо тюльпаны либо высокоуровневые. Вместе нельзя)
- 5 выходов тюльпан
- 2 входа внешнего управления. На каждый можно подцепить кнопку или переменный резистор (крутилку).
Схема главного блока: 
RC_IN1 и RC_IN2 это входы для подключения крутилки/кнопки. Защищены резисторами и диодами. Конденсаторы для защиты от дребезга контактов.
Транзистор для внутреннего формирователя напряжения ядра 1,8В.
Инвертор с триггером Шмитта для вывода тактовой частоты(masterclock) на ЦАП.
Повторитель на ОУ для средней точки аналоговых частей устройства.
Остальная обвеска по даташиту для работы внутренних частей микросхемы.

Входы принимают сигнал с тюльпанов либо с выходов на динамики (вдруг перекочует в машину со штатной магнитолой). Уровни взяты стандартные + небольшой запас, чтобы не получить клиппинг, но и не регулировать в железе. Если что усиление можно сделать в самом процессоре.
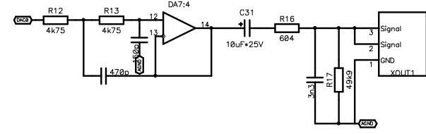
Выходной фильтр 2 порядка по даташиту:
ЦАП с точно таким же фильтром:
3. Установка

Магнитола: Alpine CDE-110
Миды: 16см 35гдн-62 в покупных подиумах внизу двери. Динамики так себе
Пищалки: 2,5см Асалаб НЕО-25 в самодельных подиумах на верхней накладке двери, развернуты на водителя. Хорошие динамики с алюмокерамическим куполом.
Сабвуфер: корпусной с фазоинвертором на 8” динамике от АСАлаб
Все динамики были в наличии, поэтому система вышла такая
Усилки: 1 готовый ACV 4 канальник (чёрный справа) и 1 самодельный для пищалок (снизу, серебристый): 
сам дсп процессор сверху слева серебристый в плёнке.
Межблочные кабели: самодельные сделанные в размер
динамики в дверях:

4. Настройка
Настройка ведется через утилиту SigmaStudio: 
Она позволяет как угодно тасовать блоки обработки, входы, выходы. Все настройки применяются “на лету”. Но после перезагрузки чип загружается с EEPROM, поэтому настройки сами не сохраняются. Нужно принудительно прошить EEPROM в этой же утилите.
Во первых были настроены все уровни:
- На процессоре по максимальному сигналу магнитолы.
- На усилителях так чтобы соответствовали мощности динамиков.
- На усилителе пищалок уровень выставлялся таким, чтобы сильно не изменять его в процессоре (На пищалках любой шум будет прекрасно слышен, поэтому лучше не перекручивать усиление).
На этом настройка отверткой закончена. Дальше все только с ноута в сигма студии.
4.1 Настройка задержек
Рулеткой замерил расстояние до динамиков. Затем пересчитывал так:
Расстояние=(Расстояние до дальнего динамика)-(Измеренное расстояние)
Таким образом получено расстояние на которое нужно “отодвинуть” динамик.
Задержки задавались в семплах. Т.к. Частота дискретизации была 48000, то формула такая
Задержка=48000*расстояние в метрах/340 метров в сек
Максимальная задержка получается для левой пищалки. Минимальная для правого мида и сабвуфера. Так получилось что сабвуфер и правый мид оказались на одном расстоянии.

Значение Max резервирует нужное количество памяти, чтобы регулировать на лету без компиляции.
Впоследствии при прослушивании во все каналы была добавлена задержка в 100 семплов чтобы “придвинуть” сабвуфер. Это настраивалось на слух. Очень сложно уловить что сабвуфер “придвинулся” как надо. Но если задержку убрать, то слышно что сабвуфер играет как бы отдельно сзади.
4.2 Настройка АЧХ
Далее будет много графиков АЧХ. Сразу уточню почему некоторые красивые, а некоторые кривые. Те АЧХ, которые сняты близко к динамику на расстоянии 5 сантиметров очень красивые. Но при настройке нужно использовать АЧХ в точке прослушивания. Они складываются с отраженным звуком от поверхностей салона. В некоторых местах образуются узкие и сильные провалы от стоячих волн. Это нормально. Если измерить то же самое в помещении с любой крутой системой, то будут такие же кривульки. При настройке АЧХ самое важное выровнять тональный баланс, чтобы была горизонтальная линия без наклонов, сильных горбов и пиков. Узкие провалы не так важны. Их нельзя исправить закачивая больше энергии. Можно только сделать глухую комнату. В машине это просто невозможно.
Кроме того использован некалиброванный микрофон и некалиброванный вход звуковухи. Он дает хорошие результаты до 8-10 килогерц. Дальше его показаниям не стоит верить.
Вот АЧХ из даташита микрофона:

Сначала настраиваем кроссовер. Частоты выбраны стандартные: 80 герц и 3кГц. Если с нижней частотой еще можно поиграться, то частоту среза пищалки сразу следует выбирать правильно.
На данных пищалках частота резонанса 1,4кГц. По паспорту они играют от 3 кГц. Ниже делать опасно. Выше нежелательно-сцена опустится к мидам. Кроме того левый мид не очень хорошо играет 3кГц т.к. находится под большим углом к водителю и закрывается ногой. Угловая АЧХ начинает спадать уже с 2-2,5 кгц.
АЧХ в точке прослушивания:

Для примера красивая АЧХ вблизи:

Кроссовер брался 4 порядка Линквиц-Райли (24дБ/октава).
АЧХ мида с фильтром 3 кГц:

После подстройки уровней пищалок относительно мидов появился провал на АЧХ на стыке полос:

Поэтому сигнал пищалок был инвертирован. АЧХ выровнялось. На графике не так заметно. На слух очень заметна неслитность звука, когда перепутана фаза.

Окно программы обещает провалы, но реальная АЧХ прямая. Это происходит потому, что динамики находятся в разных точках и звук у них складывается совсем не так, как на идеальном графике в программе:

Самыми проблемными по настройке оказались миды. Левый мид не играл нормально 3 кГц из-за того что не развернут и играет в ногу. Пришлось вытаскивать параметриком. На обоих мидах в точке прослушивания появился пик на 700Гц. Причем если измерять вплотную к динамику пика почти нет. Скорее всего это особенность салона. Исправлено параметриком.
У обоих мидов спад с 400 герц скорее всего из-за негерметичности дверей. Исправлено фильтром Low Shelf.
Для каждого динамика подобраны свои параметры фильтров.
АЧХ мида до коррекции:

Параметрики:

АЧХ мида после коррекции:

Остальные неравномерности нет смысла править. Они меняются если микрофон сместить на несколько сантиметров.
При замере сабвуфера выявился существенный подъем в области 50 Гц не зависящий от положения микрофона:

Скорее всего это влияние салона и места установки т.к. при моделировании его не было. Он был исправлен параметриком. Кроме того добавлен фильтр инфранизких частот (сабсоник) на 35 герц чтобы не убить 8” динамик. Фаза сабвуфера также инвертирована для согласования с мидом.

Скорректированная АЧХ:

АЧХ пищалок не настраивалась.Она получилась ровная за счет того, что сделаны гладкие подиумы и пищалки развернуты прямо в ухо.
Все динамики были подстроены между собой по уровню. Уровень левого канала немного убавлен, чтобы казалось что сидишь между колонками. Самый хороший эффект дает с задержками.

После того как настроены все динамики по отдельности, включаем все каналы и вносим небольшие правки в финальную АЧХ.
Финальная АЧХ: 
Подьем на суббасе в машине-необходимость. Иначе во время движения дорожный шум забивает бас. У многих качественных автомобильных систем похожий подъем.
Провал в районе 3 кГц-не совсем удалось скорректировать особенность установки мидбаса. Не все можно исправить процессором.
Выше 8-10 кГц-особенность микрофона и входа звуковухи. Дает похожий результат и на других колонках
Финальный результат прошит в EEPROM. Чтобы прошивка заработала нужно перезагрузиться: отключить USB, выключить и включить магнитолу.
5. Прослушивание
Можно приступить к прослушиванию. Проводилось со смартфона с внешним USB ЦАП и записями во flac.
Изначально эта система использовалась с фильтром из одного конденсатора на пищалке и фильтром в усилителе на сабвуфер. Все крутилось отверткой на слух. Вобщем как у всех.
После настройки звук изменился. Даже не так: ИЗМЕНИИИИИЛСЯ!1!!!
Сцена поднялась, тоесть звук перестал идти из ног и непонятно откуда. А переместился вперед. Все инструменты как живые. Пищалки играют так детально и слитно с мидбасами, как не играли никогда.
Такое ощущение что выкинули все эти мутно звучащие динамики и поставили новые. Удивительно что простые дешевые динамики могут ТАК играть. Сабвуфер перестал бубнеть. Не утапливает все басом. Звучит монолитно с фронтом. Иногда думаешь: где саб? Почему не звучит? А если выключить, то сразу слышно.
После прослушивания была еще одна доработка. На АЧХ сабвуфера заметно, что несмотря на хороший фильтр он играет достаточно далеко за свой диапазон. На музыке это сказалось в том, что его звук как бы затягивает удары и низкие ноты которые и так отыгрываются передними динамиками. В итоге был добавлен еще 1 фильтр выше 100 герц. И этот недостаток пропал.
6. Итоги, достоинства, недостатки
Вывод: не динамики красят звук. Динамики просто должны быть достаточно качественными и нормально установленными. Но самое главное: НАСТРОЙКА. С готовыми кроссоверами без настройки вы никогда не получите идеальный результат. Можно мучаться и менять систему постоянно или настроить 1 раз и радоваться звуку.
Недостатки:
- Придется большинство песен с флешки удалить и найти замену в нормальном качестве.
- На большой громкости миды звучат хуже. Это недостатки самих динамиков и установки.
- Самый главный недостаток системы задержек — звук имеет хорошую “сцену” только на водительском месте.
Вчера проехался на пассажирском: звук вроде тот же, но уже какой-то простоватый, нет глубины. В безпроцессорной системе этот недостаток тоже есть, но там нет такой большой разницы. Что у водителя, что у пассажира “сцена” хуже, чем на водительском месте системы с процессором.
Самое главное достоинство: Очень приятно настраивать звук с ноута и микрофона. Все изменения не требуют крутить отверткой, паять детали, менять компоненты.
Можно легко исправить любые мелочи, которые в обычной системе потребуют существенной переделки.
Из планов на будущее: улучшить установку мидов. Сейчас двери и технологические отверстия просто проклеены виброй STP. А покупные подиумы прикручены на тонкую обшивку двери.
Провести более тонкую настройку АЧХ и задержек.
7. БОНУС
Кто внимательно читал “ЦАП PCM1754 2 канала”. Это значит что процессор получился 6 канальный! Чтобы получить шестой канал достаточно припаять еще один тюльпан к выходу ЦАПа.
Данная статья написана с целью замозанятости, в данный момент я нахожусь в поиске работы. Интересна ли вам тема автозвука?
Автор: Mirn
