Привет! Несколько дней назад меня попросили отремонтировать этот гитарный комбик. Ремонт оказался простым (чего нельзя сказать о поиске неисправности, которая таилась в самом неожиданном месте), зато сам комбоусилитель — весьма интересным.

Создатель удивительных гитар
30 декабря 1928 года в американском городе Мак-Ком, штат Миссисипи, родился мальчик по имени Эллас, ставший впоследствии известным по всему миру как Бо Диддли и получивший заслуженный титул «основателя рок-н-ролла».

Фото выступления Бо Диддли с японской группой Bo Gumbos авторства Масао Накагами — https://www.flickr.com/photos/goro_memo/315786763/, лицензия Creative Commons Attribution-Share Alike 2.0. Источник — Википедия.
Его матери Этель Уилсон на тот момент было всего шестнадцать лет, а отец Юджин Бэйтс не посчитал целесообразным отвечать за свои поступки и взять на себя ответственность за воспитание сына.
В те годы одинокая афроамериканская девушка была не в состоянии содержать себя и ребёнка, поэтому Этель пришлось отдать Элласа на воспитание своей замужней двоюродной сестре Августе Макдэниел.
Далее злоключения только продолжались. В 1934 году, когда Элласу было всего пять лет, скончался его приёмный отец Роберт. Августе со своими тремя детьми и Элласом пришлось переехать в Чикаго, штат Иллинойс, где она стала прихожанкой миссионерской баптистской церкви Ebenezer.

Это та самая протестантская церковь, в стенах которой зародился музыкальный жанр под названием госпел, оказавший огромное влияние на развитие музыки двадцатого столетия. Прихожане Ebenezer Missionary Baptist Church могли получать бесплатное обучение игре на музыкальных инструментах.
Эллас занимался освоением тромбона и скрипки. На последней у него стало получаться особенно хорошо, и талантливому музыканту предложили вступить в церковный оркестр, где он играл до восемнадцатилетнего возраста.

Репертуар оркестра ограничивался чинными и благопристойными гимнами, построенными на основе классических европейских канонов. Однако в тогдашнем Чикаго было много других протестантских церквей, где развивались новые жанры духовной музыки.
В числе последней можно было услышать радостные, ритмичные композиции с африканскими корнями. Под влиянием произведений, услышанных в соседней церкви пятидесятников, талантливый юноша приступил к освоению игры на гитаре.
Параллельно со всем этим требовалось зарабатывать на жизнь. Эллас работал плотником и механиком. Полученные на этой работе знания и навыки впоследствии помогли ему в конструировании уникальных кастомных электрогитар.

Далее Эллас стал подрабатывать музыкальными выступлениями на улицах и вскоре вступил в The Hipsters band, впоследствии переименованную в Langley Avenue Jive Cats.
Начиная с 1951 года, уже под псевдонимом Бо Диддли, начались регулярные выступления под крышей знаменитого блюзового «Клуба 708». Дальнейший успех ознаменовался записями на студиях и появлениями в телевизионных передачах.
Бо Диддли был экстремально изобретателен во всём: и в музыке, где он изобрёл свой собственный ритм, и в специфической экспрессивной хореографии на сцене, и в разработке музыкальных инструментов.
Сердцу маэстро были милы импровизированные гитары из сигарных коробок, характерные для стиля дельта-блюз. Однако его исполнительские запросы требовали полноценного шестиструнного грифа, особенно с учётом весьма агрессивной манеры звукоизвлечения, когда струны часто рвались.
В сотрудничестве с лютиерами компании Gretsch Бо Диддли создал несколько электрогитар, серийные образцы которых представляют собой обыкновенные цельнокорпусные инструменты с фрезеровкой под звукосниматели, переменные резисторы и переключатель.

Следует отметить, что кастомные инструменты, которые маэстро создавал для себя, отличались гораздо более «навороченной» электроникой.
В корпусе артефакта на фото ниже мог находиться даже целый пружинный ревербератор. Обратите внимание на запредельное количество переключателей и ручек плавной регулировки!

Фото Бо Диддли на джазовом фестивале Лонг Бич в 1997 году. Автор Масахиро Сумори — собственная работа по лицензии Creative Commons Attribution-Share Alike 3.0. Источник — Википедия.
Кроме ревербераторов, Бо Диддли особенно любил пользоваться эффектами тремоло, которые помогали сделать его и без того инновационные ритмы ещё более выразительными.
Помимо тремоло, в уникальные кастомные гитары маэстро могли быть встроены эффекты перегруза, так как Бо Диддли пришёл к использованию сильно перегруженного и скомпрессированного звучания задолго до того, как это стало мейнстримом.
Всё начинается с вдохновения
Лично я не верю в астрологические гороскопы, потому что они не учитывают движения Солнечной системы вокруг ядра Галактики Млечный Путь, а также в сторону апекса.
Однако успешный предприниматель и талантливый изобретатель электроники по имени Хартли Пиви родился в семье продавца музыкальных инструментов ровно тринадцатью годами позже Бо Диддли, тоже 30 декабря, но 1941 года. И именно Бо Диддли стал кумиром юного Хартли, вдохновившим его на мечту стать звездой рок-н-ролла.
Пиви мечтал играть в музыкальной группе, и молодая местная группа, выступавшая на студенческих вечеринках, согласилась принять его в свой состав при условии, что он предоставит им усилитель с акустической системой.

На рождественских каникулах 1956 года четырнадцатилетний Хартли приступил к сборке своего первого усилителя. Готовый аппарат, в который были вложены большие труды и все сбережения юного энтузиаста, был передан группе, и Хартли был принят в качестве гитариста, однако ненадолго.
Поражение или успех?
Действительно ли он настолько плохо играл или держался на сцене слишком неуверенно, либо коллегам просто не хотелось делиться с ним гонораром, сегодня, наверное, уже не узнает никто. Как бы то ни было, безымянная музыкальная группа выгнала Хартли, оставив весьма дорогостоящий по тем временам усилитель себе.
Так было и будет всегда: кто-то выигрывает, а кто-то проигрывает. Никто не помнит, как называлась та группа хитрых массовиков-затейников. Не осталось ни записей, ни фотографий, ни афиш. А Хартли поверил, что звёздный гитарист из него не получится, и решил сконцентрировать свои усилия на разработке и производстве усилителей для электрогитар. И это у него получилось на все сто процентов.
Подобно Полу Рид Смиту с его электрогитарами PRS, Хартли Пиви стал одним из немногих производителей гитарного оборудования, которые не продали свой бизнес более крупным корпорациям. C 1965 года по сей день он является единственным владельцем и акционером компании Peavey Electronics Corporation, штаб-квартира которой расположена в городе Меридиан, штат Миссисипи.
Знакомимся с комбоусилителем
Peavey Transtube Solo — один из многочисленных продуктов, производимых этой компанией. Перед нами обычный чёрный комбик с пятью ручками плавной регулировки, одним выключателем питания и одной кнопкой, активирующей перегруз.

Акустическое исполнение — открытое без сплошной задней стенки. Вся электроника расположена внутри коробчатого шасси, выгнутого из листового металла.

Громкоговоритель восьмидюймовый, восьмиомный Peavey Blue Marvel, построенный с использованием патентованных фирменных технологий Max-Kote и Permaflux.

Permaflux (патент номер US4421956) — это конструкция магнитной системы, минимизирующая рассеяние магнитного поля. А Max-Kote — наоборот, максимизирует рассеивание тепла катушкой громкоговорителя для улучшения её охлаждения.

Усилитель оборудован стандартной компактной ручкой для переноски. Углы кабинета защищены штампованными бамперами из стального листа, окрашенными высокопрочной порошковой краской.

Ищем неисправность
По словам владельца, спустя пару лет безотказной работы комбоусилитель начал вести себя весьма странно. Он исправно включается и нормально звучит. Но если некоторое время (порядка минуты) поиграть в перегруженный канал на значительной громкости, то звучание становится экстремально «мутным».
Заметного фона переменного тока не наблюдается. Это значит, что большие электролитические конденсаторы фильтра питания ни при чём.
Поначалу мои подозрения пали на кнопку переключения каналов. В транзисторных комбиках она нередко является DPDT-переключателем на две контактных группы, одна из которых переключает вход усилителя мощности между выходом чистого канала и ограничителем перегруженного, а вторая активирует RC-цепочку, подрезающую низкочастотную часть спектра аудиосигнала электрогитары.
Если вследствие вибрации на большой громкости этот переключатель начинает барахлить, то вместо «подтянутого» перегруженного звучания получится как раз «мутное».
Схемы именно этой модели усилителя Peavey Transtube Solo в моём распоряжении не было. Поэтому пришлось изучать внутренности комбика во всех подробностях.
Смотрим, что внутри
Ко дну шасси крепятся винтами выходные транзисторы и силовой трансформатор.

Вся остальная электронная схема размещается на односторонней печатной плате с проволочными перемычками без металлизации отверстий, которая крепится к передней стенке шасси за переменные резисторы и гнёзда под джек.

Весь предусилитель собран на дискретных биполярных транзисторах 2SC1740S с NPN типом проводимости.

Единственная микросхема — сдвоенный операционный усилитель JRC4558D — используется в активном регуляторе тембра и усилителе мощности.
Как это работает?
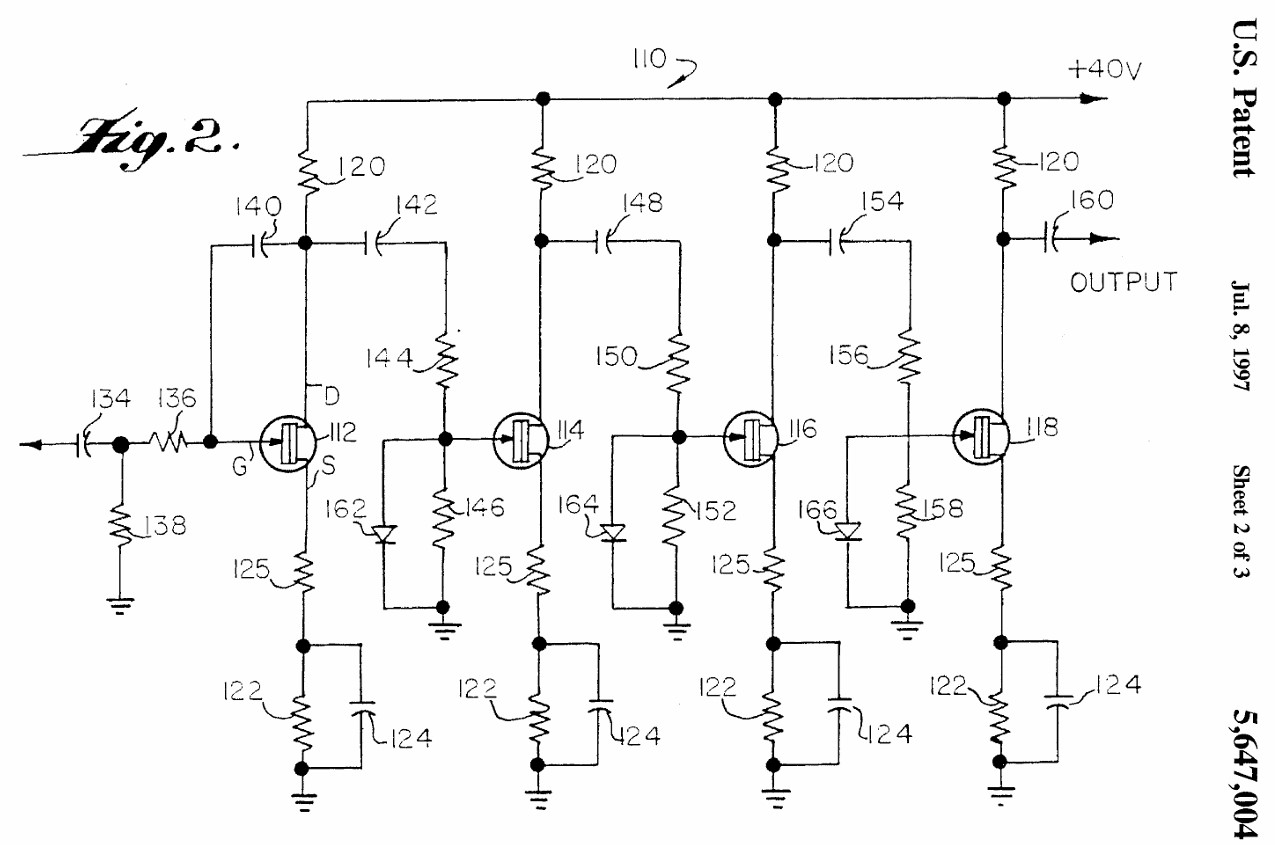
Патент US5647004 предлагает качественную эмуляцию лампового гитарного усилителя на основе полевых транзисторов с управляющим переходом. Это и есть технология Transtube.

Резисторы 122 и 125 с конденсаторами 124 задают амплитудно-частотную характеристику усилительного каскада, собранного по схеме с общим истоком. Диоды 162, 164 и 166 обеспечивают асимметричное ограничение, характерное для ламповых каскадов.
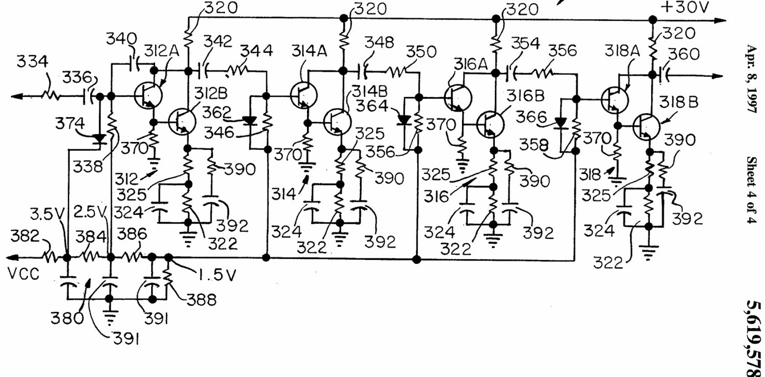
Патент US5619578 описывает более продвинутую схему, где полевые транзисторы с управляющим переходом заменены дарлингтоновыми парами транзисторов с одинаковым типом проводимости.

Эмуляция амплитудно-частотной характеристики лампового каскада здесь организована более продвинутым способом, чем в предыдущем варианте: к схемотехническому узлу 322, 324, 325 добавлена RC-цепочка 390, 392.
Также усовершенствованы диодные ограничители, для каждого из которых задаётся оптимальное смещение. Узел формирования напряжений смещения 3.5 В, 2.5 В и 1.5 В изображён в левом нижнем углу схемы на рисунке выше.
Это ни что иное, как самый обыкновенный многоступенчатый резистивный делитель, выходы которого заземлены по переменному току электролитическими конденсаторами 380 и 391.
Внимательное изучение печатной платы показало, что она соответствует схеме из патента US5619578. Переключаемых RC-цепочек в обратной связи каких-либо каскадов здесь нет, и у кнопки активации овердрайва задействована всего одна контактная группа, вводящая в аудиотракт два дополнительных усилительных каскада. Сама кнопка работает без нареканий.
А ларчик просто открывался
Максимально удешевлённая плата без металлизации отверстий, да ещё и с избыточными диаметрами последних по сравнению с толщиной сечения проволочных выводов компонентов заставили пропаять все точки пайки, показавшиеся подозрительными.
Таковых нашлось немало, однако после завершения работы неисправность осталась, поскольку её причиной была... расслоившаяся теплопроводящая паста.

К порче звука приводил перегрев выходных транзисторов.

После замены термопасты на «народную» GD900 комбоусилитель заработал как новенький.
Примеры звучаний
Видео на Youtube
Звучание данного комбика весьма приличное для его относительно скромной цены. Особенно хорошо данный аппарат подходит для жанров потяжелее.
Лично для меня основным недостатком изделия является открытое акустическое оформление, не предоставляющее громкоговорителю защиты от когтей любопытных кошек. Да и звучание закрытых кабинетов мне больше нравится. Но на вкус и цвет товарищей нет.
© 2025 ООО «МТ ФИНАНС»
Автор: Lunathecat
