❯ Загадка с авито
Смотреть видеоверсию статьи в Youtube или в VK
А ведь в какой-то момент у меня набралось больше десятка ламповых осциллографов! Но, в отличие от Артёма Денисовича я вовремя одумался и избавился почти от всех из них, но вот один — венгерский осциллограф TR-4401 — слегка задержался. Появился он у меня пять лет назад, во время ремонта осциллографа С1-54. Привлек меня красивой внешностью и исполинскими размерами, ну как тут не удержаться от покупки?
Радовался я недолго. Во-первых, прибор оказался значительно больше и тяжелее чем я думал. Во-вторых, из всех своих 63 ламп в нем стояло меньше половины. Осциллограф — разработки и производства Венгрии, но в корпусе витал призрак Tektronix, предположительно 541A. Отдельные части принципиальных схем были схожи как две капли воды, разве что сами радиолампы отличались — вместо американских стояли польские, венгерские и советские аналоги. С другой стороны у меня была родная документация на русском и желание прибор оживить.
❯ EMG — венгерский «Tektronix»
История предприятия EMG (Elektronikus Mérőkészülékek Gyára — Завод электронных измерительных приборов) начинается в 1950 году, когда небольшой коллектив инженеров, техников и рабочих отделились от радиозавода Orion в самостоятельный завод, временно разместившись на территории мыловаренной фабрики в пригороде Будапешта. За первые четыре года работы предприятие столкнулось и с хронической перегрузкой и с перебоями в поставках комплектующих; сменило четырех директоров, но смогло построить свой собственный завод в городе Сашалом (1953-54 гг.). Наступила стабильность — в 1954 году сформировалось новое руководства во главе с директором Ласло Кискапуши, который пробыл во главе предприятия до 1978г. Был налажен полный производственный цикл, а годовой объем производства вырос с 28 млн форинтов в 1951 году до 145 млн в 1960 году при почти полном отсутствии импортных компонентов в составе аппаратуры.
Минутка ликбеза. Фо́ринт — официальная денежная валюта Венгрии. Хоть последняя и является членом европейского союза, в еврозоне она не состоит (Что типично для восточной Европы — взять ту же Польшу (Злотые) или Чехию (Чешские кроны)). На декабрь 2025 курс 385 форинтов за 1 евро.
В 1959 году предприятие выпускало больше сотни различных наименований продукции, а также разрабатывало множество новых приборов. Так, в каталоге показан рисунок прибора EMG 1546. И тут есть один нюанс — эскиз сильно отличается и от итоговой реализации и от Tekronix 541A. Инженеры делали свою собственную разработку, но в последний момент все переиграли и слегка списали?
В 60-е годы завод динамично развивался, и постепенно переходил с ламповой техники на полупроводники. Объем производства достиг 469 млн форинтов в 1970 году. Немаловажен и тот момент, что предприятие активно сотрудничало с профессиональными средними учебными заведениями, и подготавливало для себя новые рабочие кадры. Одновременно совершенствовалось и производство — на место сборочно-измерительным цехам электротехнического производства приходили производственные линии, организованные по профилям семейств продукции. Активно внедрялась автоматизация — например механизированные линии подготовки электронных компонентов. От красивых корпусов с округлыми формами отказались в пользу высокотехнологичных шасси с литыми алюминиевыми боковинами и стальными штампованными крышками.
В 1971 году огромный единый завод был разделен на частично самостоятельные подразделения: Корпоративный центр, Завод по поставке радиодеталей, Будапештский и Эстергомский приборостроительные заводы, а также подразделение Управления и администрирования. Были выделены четыре ключевые группы продукции: электронные измерительные приборы, офисная техника, технологическое оборудование для электронной промышленности, а также системы управления станками. ЧПУ направление до последних лет жизни предприятия было основным направлением его развития, принося 1.5млрд форинтов в год в 1987 году.
Однако уже в 1991 году предприятие погибло вместе с распадом Совета Экономической Взаимопомощи. В 60-е годы правительство Венгрии монополизировало внешнюю торговлю и финансовую сферу страны, что принципиально повлияло на то, по какой цене, в каком количестве и качестве предприятия производят продукцию. Это привело к изменению торгового баланса внутри СЭВ в пользу венгерской стороны, а также, наряду с другими причинами, после 1990 года — к ликвидации государственных предприятий. 24 августа 1991 года суд вынес решение о ликвидации EMG по причине банкротства. Заводские активы были распроданы.
Вместе с тем, на территории бывшего завода, а теперь технопарка EMG, кипит жизнь в лице множества мелких и не очень предприятий. Один из таких — Auter Elektronikai Kft. — один из крупнейших в Европе заводов по производству печатных плат.
❯ Orion EMG-1546 или TR4401
Не будем искать причины двойного названия осциллографа, а сразу перейдем к его техническим характеристикам:
-
Габариты: Ш320хВ420хГ620мм
-
Огромная 130мм ЭЛТ с тончайшим зеленым лучом и потрясающие округлые формы прямиком из 1966 года.
-
Масса: 40кг. И две ручки сверху для переноски
-
Потребляемая мощность ок. 500Вт.(в документации так «ок» и указано)
А остальное тут уже и не важно :) Шучу.
Осциллограф рассчитан на работу с сигналом частотой до 30МГц. Блок горизонтальной развертки позволяет наблюдать сигналы со скоростью от 5сек/см до 20нс/см. В качестве блока вертикальной развертки можно поставить один из четырех сменных блоков:
-
Одноканальную приставку 1589-U-1, которая и имеется у меня в наличии
-
Двухканальную приставку 1589-U-2 — осциллограф перейдет в режим чередования выводимых сигналов
-
Дифференциальную приставку 1589-U-3.
-
А приставка 1589-U-4 (TR4710) превращает осциллограф в прибор для проверки транзисторов
За другие блоки не скажу, но U-1 умеет работать с сигналом от 50мВ/см до 20В/см, и имеет типичные 1МОм и 25пФ импеданса. Разъемы тут, к слову, резьбовые UHF(или PL-259) — часто встречаются в современной СВ и КВ радиоаппаратуре. Исходя из наличия у меня документации на блок U-2 могу предположить, что комплект поставки мог включать в себя сразу несколько сменных блоков.
В те годы как будто существовал тренд — чем больше измерительное устройство, тем оно круче. Поэтому за количеством свободного места внутри корпуса никто не следил. Чем больше пустого объема, тем лучше охлаждение и проще ремонт(нет).
Балом правит навесной монтаж, все максимально наглядно, но совершенно недоступно — например подлезть к ножкам самих ламп довольно проблематично. Наличие документации существенно упрощает процедуру диагностики, однако вам не кажется, что фото приставки выше и схема расположения элементов слегка отличаются друг от друга?
Производитель оставляет за собой право вносить изменения в конструкцию изделий и деталей, не ухудшающих качество изделия, без предварительного уведомления
Все же унификация принципиальных схем и дальнейшая ее реализация на печатных платах и повышают ремонтопригодность, и упрощают сборку и наладку. Но всему свое время.
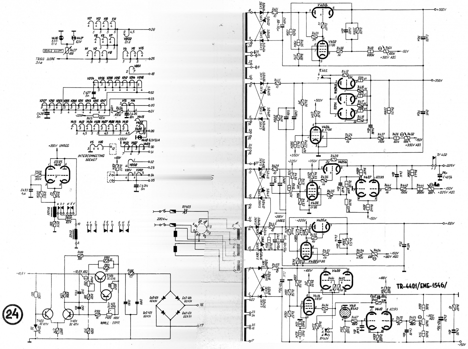
Снимаем правую крышку и видим массивный трансформатор питания на те самые около 500Вт. справа виднеется вентилятор, который эти «полкило» тепла должен выгнать из корпуса. Четыре больших лампы — сдвоенные триоды 6Н5С — отвечают за стабилизацию основных напряжений питания осциллографа: +500В, +350В, +225В, +100В и -150В. Их регулировка осуществляется потенциометрами возле края шасси. Стоило мне установить все лампы в осциллограф — как стабилизаторы ожили и после минимальных регулировок стали выдавать необходимые уровни.
Схема стабилизации тут классическая. Мощный триод включен по схеме с общей сеткой, потенциал на которой определяется усилителем на триоде или пентоде. Слева на схеме можно заметить несколько групп нитей накала. Электронная лампа имеет понятие «предельное напряжение между катодом и подогревателем». У 6Н5С оно составляет +300В — и это очень много, так как у большинства пальчиковых ламп это значение не превышает и 100В. Именно поэтому нити накала ламп V401-V403 — собраны в отдельную группу и подтянуты к уровню +350В. Иначе их пробьет. Разумеется есть некий запас прочности, но зачем нарушать рабочий режим?
На фото выше можно заметить небольшое электромагнитное реле. Оно отсчитает около минуты, прежде чем сработает и подаст напряжение +225В и +350В. Это необходимо чтобы дать лампам прогреться как следует, и не допустить работы холодного катода на полном потенциале. Хороший способ сберечь ресурс электронных ламп.
На верхней планке расположен генератор горизонтальной развертки, блок триггеров и усилитель горизонтального отклонения. Все собрано в лучших традициях навесного монтажа. Часть деталей расположена на монтажных планках, другая — идет непосредственно на панельки с лампами. Я уже говорил что до самих ламп проблематично добраться?
За левой дверцей открывается более интересное зрелище. Во-первых, с этой стороны живет Электронно-Лучевая трубка с электростатическим отклонением. Для защиты от наводок (еще вопрос откуда куда) ее поместили в кожух. Через прорези в нем на ЭЛТ подается анодное напряжение в 10кВ, а также подключаются выходы усилителей вертикального и горизонтального отклонения к отклоняющим пластинам.
Снизу расположена батарея пальчиковых ламп, представляющая собой непосредственно усилитель вертикального отклонения. И вот тут мы натыкаемся на Tektronix 541A, принципиальная схема которого 1-к-1 совпадает со схемой усилителя вертикального отклонения:
Да и линия задержки, состоящая из конденсаторов и индуктивностей тоже взята от Tek-а:
Да, TR4401 не является клоном Tektronix541, но на операционном столе Венгерских разработчиков он явно присутствовал. Сравните левую сторону двух приборов:
Тот же усилитель, та же линия задержки. Отличия тоже есть, например нет печатной платы, на которой расположен стабилизатор напряжения накала для усилителя вертикального отклонения.
К слову, зачем вообще нужна линия задержки. Работающая развертка синхронизирована с фронтом входного сигнала. И мы банально не увидим сам фронт и что происходило перед ним без этой линии задержки!
❯ Оживление
Для оживления прибора необходимо было установить все недостающие лампы в блок. Например со стороны усилителя вертикального отклонения ситуация изначально выглядела следующим образом:
Половины ламп нет, а те что есть — совершенно не того наименования. Будто наставили от балды в процессе разграбления. Отдельно обратите внимание на разбросанные повсюду металлические скобы — они должны удерживать лампы в панельках, а в итоге — обеспечили меня спецэффектами при первых включениях прибора, то тут то там замыкая анодные проводники на себя. Я до сих пор не уверен что нашел их все. Может быть пара штук до сих пор торчит где-то между радиодеталей.
По документации составил список радиоламп:
Номер лампы на схеме, тип оригинальной лампы согласно документации и требуемое количество. Дальше, по справочникам аналогов зарубежных ламп пытаемся подобрать аналоги. Для части ламп это удается. В одном случае и вовсе стоит советская 6Н5С. В остальных — с переменным успехом. Недостаточно просто увидеть заветную строку: «лампа E180F, полный аналог 6Ж9П». Приходится сверять параметры из справочных листков. В некоторых случаях справочники твердили о возможности замены, но по факту отличий было слишком много. Отдельно стоит заметить, что в приборе есть лампы с напряжением накала на 12В и даже на 25В! Какие уж тут советские аналоги (Впрочем у нас подобные напряжения тоже встречались)… Что-то нашлось у местных, что-то удалось купить на ebay. Отдельное спасибо тов. Usagi за отправленный мешочек радиоламп, которые в итоге закрыли пробелы в моих поисках. Электронно-лучевую трубку на замену найти не удалось.. Но накал у нее звонился, так что шанс что она заработает — был высок.
Что я и говорил про спрятавшиеся проволочки. Легкая тряска и получи бусурманин спецэффект.
Попутно пришлось решить пару механических проблем. Например из переключателя аттенюатора приставки вертикального отклонения вывалились шарики и переломали механизм. Пришлось раздербанить подшипник из старых запасов ради пары шариков подходящего размера и отремонтировать галетник. Еще у одного сдвоенного потенциометр с независимыми валами обеих частей один из валов оказался слишком неподвижен относительно неподвижной части. Тут мне повезло обнаружить, что венгерский и советские потенциометры имеют плюс-минус одни и те же размеры и переломанную при попытке расшатать закисшую часть удалось просто заменить на деталь от советского переменника СП-1.
Моя любимая часть Марлезонского балета… Особенности документации… Во-первых, все схемы склеены из трех частей. Кто-то догадался распечатать их на листах А3, сложить вдвое, сброшюровать, а потом отрезать на сгибе целый сантиметр.. Хорошо что в интернете нашлись зарубежные сканы и удалось собрать исходную схему вместе. Но! Взять, например, блок усилителя вертикального отклонения(III). В нем 18 ламп, хотя на чертеже присутствует лампа с номером V219... А также две лампы с индексом V218 и еще две — с индексом V207… Пришлось несколько раз сверяться со схемой, с отдельным чертежом расположения ламп чтобы быть уверенным, что все лампы стоят на своем месте. И зная итог — уверенности так и нет…
Первое включение и — у прибора появился луч! После пары ударов по корпусу, разумеется. Еще паре потенциометров пришлось вскрывать корпус и вычищать оттуда мусор и окислы. Нельзя верить внешнему виду — шасси чистое, никаких следов коррозии, но старение радиодеталей и их деградация происходят часто незаметно для глаз. Быстро обнаруживается, что с калибратора можно подать сигналы на входы X и Y и получить фигуры Лиссажу.
В процессе регулируем прибор согласно инструкции и… ничего не выходит. Все напряжения на ножках ламп в номиналах. Сопротивления — тоже, вот только все что у нас есть — это режим X-Y. Прибор упрямо отказывается запускать горизонтальную развертку. Не то чтобы я за нее сильно бился, все же осциллограф ожил и поставленная цель — достигнута, но необходимость дальнейшего ремонта с веселыми скрытыми дефектами несколько напрягает.
❯ Подводя итоги
В результате оживления имеем следующую картину:
-
Внешний сигнал Y до ЭЛТ доходит, но где-то по дороге теряется аж 20х усиления. Подавая на вход прибора сигнал с уровнем 1В — мы получим вожделенный 1см только на диапазоне 50мВ/см. Скорее всего проблема кроется в сменном блоке, но может и в одном из последующих каскадов. На структурной схеме сомнительные блоки пометил синим цветом.
-
Внешний сигнал X до ЭЛТ доходит прекрасно, выглядит все так, что усилитель по X абсолютно исправен и ничего не требует взамен. Хотя потенциометр регулировки уровня усиления просит его вскрыть и обслужить.
-
Равно как исправен калибратор. Свои от 1 до 100В сигнала он выдает.
-
А вот с разверткой все худо. От вертикального усилителя сигнал до генератора пускового сигнала доходит, а дальше творится магия. Все напряжения на ножках ламп — в номинале, сопротивления — тоже. Но в итоге — тишина. Не иначе как конденсатор какой течёт и наглухо шунтирует всё на себя. Впрочем, бумаги, как на С1-54, тут нет. Плёнка, да керамика. Ни та ни другая течкой особо не страдают, но ежели переменные резисторы все коррозией покрылись, ничто не мешает появиться токопроводящему каналу и на керамике
Где совершенно нет никаких вопросов к работе схемы — так это к источникам питания. Именно эти схемы я использовал в источнике питания экспериментальной декатронной ячейки, но решил источник отрицательного напряжения скопировать с С1-54. И его передавливает….
Прибор ожил. Но за то время, что он стоял на полке мертвым грузом, я успел охладеть к ламповой измерительной технике. Да, она имеет свой стиль, свой шарм. Но занимает слишком много места и единственным верным решением было передать почти всю накопившуюся братию в муромский кибер-музей, где можно созерцать часть моей коллекции. Ламповый компьютер на сверхминиатюрных лампах — это максимум что можно уместить в квартире.
❯ Источники
-
https://dekatronpc.com/index.php/EMG_TR-4401 — принципиальные схемы на прибор с описанием «подходов к снаряду»
-
https://emg.hu/tortenet-osszefoglalo/ — мемуары Золтана Сабо, последнего директора завода EMG. На венгерском(использовал автоперевод). Там же каталоги и мануалы
Автор: radiolok
