
Сегодня куда ни глянь — везде светодиоды. Из них делают гирлянды для елки, оформление рекламных щитов и панелей, очень (или не очень) мощные фонари, цифровые индикаторы для электронных часов или других электронных приборов, другие элементы освещения и сигнализации.
Однако не так давно, еще до эры широкого распространения светодиодов, все это создавалось с помощью различных газоразрядных ламп.
Для рекламных конструкций и декоративного освещения применяли газоразрядные трубки тлеющего разряда, также известные как лампы с холодным катодом, люминесцентные лампы и газосветные источники света. Чтобы зажечь такую лампу, необходимы высоковольтные источники питания — до нескольких тысяч вольт.
В этой статье я расскажу, как работают и где применяются неоновые лампы тлеющего свечения, или, как их еще называют, неонки. Это может показаться странным, но неоновые лампы используются до сих пор. На маркетплейсах вы найдете самые разные неоновые лампы, современные или из прошлого века.
Для питания неоновых ламп достаточно источника напряжения в несколько десятков вольт. Вполне подойдет напряжение 220 В из осветительной сети или лабораторный источник питания, способный выдавать до 100–120 В.
Я провел с неоновой лампой ряд экспериментов — снял вольт-амперную характеристику, сделал генератор релаксационных колебаний и звуковой генератор, собрал очень интересный кольцевой счетчик, разработанный еще в 50-х годах прошлого века.
Работая с неоновыми лампами, соблюдайте технику безопасности. Напряжение в десятки или тем более в сотни вольт представляет угрозу для здоровья и жизни. Особенно следите за детьми, если они участвуют в экспериментах или даже просто находятся рядом.
Другое важное замечание — неоновые лампы необходимо подключать к питающему напряжению через токоограничивающий резистор сопротивлением порядка 130–150 КОм. Если подключать их напрямую, тлеющий разряд может мгновенно превратиться в дуговой с повреждением как электродов, так и колбы неоновой лампы.
Как устроена и как работает неоновая лампа
Неоновая лампа устроена очень просто. В стеклянном баллоне, заполненном газом с названием неон, находятся два электрода. Для наполнения баллона может использоваться и другой инертный газ (например, аргон или ксенон), либо смесь газов. Давление газа составляет примерно 1% от атмосферного.
Чтобы зажечь неоновую лампу, к ее электродам через резистор подключается источник питающего напряжения, постоянного или переменного (рис. 1).
Для большинства неоновых ламп величина сопротивления должна выбираться таким образом, чтобы протекающий ток не превышал одного миллиампера. Сопротивление резистора при напряжении до 220 В должно быть как минимум 120–150 КОм. Заметим, что хотя яркость свечения увеличивается при уменьшении сопротивления, такое увеличение не слишком заметно.
Принцип работы неоновых ламп хорошо изучен и описан в интернете, например, здесь. Когда к электродам прикладывается высокое напряжение, превышающее напряжение зажигания, электрический ток проходит через газ. В результате газ ионизируется — его атомы теряют или приобретают электроны, превращаясь в ионы. Положительно заряженные ионы движутся к катоду, а электроны — к аноду. Предполагается, что на анод подается положительный потенциал, а на катод — отрицательный.
Ионизированные атомы газа возбуждаются и переходят в более высокое энергетическое состояние. При возврате в нормальное состояние они излучают фотоны (свет). В случае неона это свечение имеет характерный красно-оранжевый цвет. Аргон дает фиолетовый цвет, гелий — желтый, а ксенон — голубой.
Для получения различных оттенков газы могут смешиваться. Кроме того, на внутреннюю часть колбы может наноситься слой люминофора. Цвет свечения люминофора определяется его химическим составом.
Вы можете встретить неоновые лампы с симметричным или несимметричным электродами. На рис. 2 показана лампа ТН-0.2 с несимметричными электродами. Анод здесь сделан в виде кольца, а катод — в виде диска.
Цоколь лампы помечен знаком + и подключен к аноду, а контакт в нижней части цоколя — к катоду.
На рис. 3 показана современная лампа с симметричными электродами, которую можно купить на маркетплейсах.
У таких ламп нет конструктивно выделенного катода и анода.
Если подать на неоновую лампу постоянное напряжение, то свечение будет только возле катода (рис. 4).
При питании лампы переменным током, например, от сети 220 В, будут светиться оба электрода (рис. 5).
При этом лампа будет мигать с частотой 100 Гц.
На рис. 6 показано свечение обоих электродов в неоновой лампе с симметричными электродами.
Вы можете купить современные неоновые лампы, баллон которых покрыт изнутри люминофором. Такие лампы отличаются цветом своего свечения (рис. 7).
Неоновые лампы с люминофором можно использовать не только как индикаторные, но и как декоративные.
Применение неоновых ламп
Сегодня неоновые и газоразрядные лампы используются достаточно широко, и их можно купить на известных маркетплейсах. Среди основных применений:
-
индикация каких-либо событий или состояний;
-
неоновые индикаторы напряжения, которыми пользуются электрики;
-
отображение цифр и символов в часах и цифровых приборах;
-
бализоры;
-
лабораторные исследования, например, в стробоскопах;
-
декоративное освещение
В целом неоновые лампы обладают многими достоинствами, например, низкое энергопотребление, долговечность и высокая надежность, небольшая инерционность. Они могут работать на постоянном и переменном токе в довольно широком диапазоне рабочих напряжений (от 80 В до 250 В) и температур (от -25° до 55° С).
Контрольно-индикаторные лампы
Перечисленные выше преимущества позволяют использовать неоновые лампы в качестве контрольно-индикаторных. Например, такие лампы могут сигнализировать о включении прибора или появлении напряжения, о возникновении аварийной ситуации, а также в аналогичных случаях (рис. 8).
Неоновый индикатор напряжения
Наверное, каждый электрик знает такое устройство, как неоновый индикатор напряжения (рис. 9).
Это очень простое устройство состоит из неонки, соединенной последовательно с резистором сопротивлением порядка 1 МОм. Резистор подключен к наконечнику отвертки, а другой конец лампочки — к контакту (сенсорной площадке) на ручке индикатора (рис. 10).
Если коснуться наконечником отвертки провода под напряжением (фазы), держась рукой за сенсорную площадку, неонка загорится. Касание провода заземления не приведет к зажиганию лампочки.
Но почему загорается неонка при проверке фазы, хотя нет явной замкнутой цепи?
Цепь замыкается через ваше тело и емкость между телом и землей, или через обувь и пол. Для свечения неоновой лампочки достаточно очень небольшого тока, неопасного для человека.
В статье Секреты пробника индикатора напряжения описаны особенности использования пробника, в том числе при проверке трехфазного кабеля.
Неоновые цифровые и знаковые индикаторы
До появления светодиодных индикаторов для отображения цифр, букв и других символов широко применялись неоновые цифровые или знаковые газоразрядные индикаторы.
Такие индикаторы содержат набор тонких металлических электродов (катодов), соответствующих цифрам или знакам, расположенным в колбе, заполненной неоном или смесями других инертных газов (рис. 11).
Подавая напряжение порядка 120–180 В между анодом и одним из катодов, можно вызывать свечение соответствующего катода.
Сегодня подобные индикаторы используются в декоративных целях, например, в электронных часах или других аналогичных устройствах (рис. 12).
На рис. 13 показана схема подключения знакового индикатора ИН-15Б к электрической сети 220 В.
Здесь мы подключили анод индикатора к сети 220 В через диод Д226Б и резистор 68 КОм (резистор нужно использовать обязательно). В качестве катода используется символ Ω.
Для управления газоразрядными индикаторами применяются высоковольтные транзисторы или микросхемы, такие как К155ИД1 и SN74141N. На маркетплейсах продаются электронные часы с газоразрядными индикаторами, а также наборы для их самостоятельной сборки.
Помимо цифровых и знаковых индикаторов выпускались линейные и матричные газоразрядные индикаторы. Сегодня их заменили светодиодные линейки, экраны, а также современные мониторы различного типа и размера.
Бализор
Одно из интересных применений неоновых индикаторов — высоковольтные и сверхвысоковольтные указательные лампы системы Бализор (Balisor). Такие лампы устанавливаются в пролете между опорами линий электропередач (ЛЭП) на провод фазы (рис. 14).
Подобные системы особенно заметны в вечернее время. Бализоры устанавливаются на ЛЭП с целью увеличения безопасности полетов самолетов малой авиации.
Почему светится такая лампа?
Напряжение для ее свечения снимается с несущего высоковольтного провода через емкость с соседними проводами ЛЭП или с землей (рис. 15). Разумеется, если линия обесточена, лампа светиться не будет. И это недостаток с точки зрения безопасности.
Как видите, неоновые лампы и сегодня применяются в очень серьезных системах.
Вольт-амперная характеристика неоновой лампы
Важно, что неоновые лампы зажигаются при более высоком напряжении, чем гаснут. Это можно обнаружить, снимая вольт-амперную характеристику (ВАХ) лампы.
Я снимал ВАХ неоновой лампы ТН-02, подключенной к лабораторному источнику питания через резистор сопротивлением 120 КОм, в диапазоне напряжений от 0 до 120 В (рис. 16).
Левая часть ВАХ соответствует повышению напряжения от 0 до 120 В, а правая — понижению от 120 В до 59,5 В. Лампа ТН-02 загорелась при напряжении 82,6 В, погасла при 59,5 В. Разница между напряжением зажигания и напряжением отключения составила 23,1 В.
Целью снятия ВАХ было экспериментальное определение напряжений зажигания и отключения неоновых ламп различного типа, которые я нашел в своей коллекции.
Для зеленой лампы с люминофором (рис. 7) напряжение зажигания и отключения составили 83,4 В и 77,4 В, соответственно (разница 6 В). Фиолетовая лампа, также с люминофором, загорелась при напряжении 75,5 В, а погасла — при напряжении 66,7 В (разница 8,8 В).
Оказалось, что у старых неоновых ламп разница между напряжением зажигания и отключения заметно больше, чем у современных.
Большая разница в этих напряжениях (большой гистерезис) говорит о том, что процесс зажигания и гашения в них менее стабилен и требует значительного изменения напряжений для переключения состояний. Современные лампы изготавливаются с использованием более точных технологий и материалов, что позволяет уменьшить разброс характеристик и добиться меньшего гистерезиса. Однако в некоторых случаях, например, в описанном ниже счетчике на неоновых лампах, более стабильная работа достигается при большом гистерезисе.
Более подробное описание ВАХ неоновой лампы можно найти в статье Вольт-амперная характеристика тлеющего разряда.
Как можно зажечь неоновую лампу
Я пробовал батарейки, использовал магнитную индукцию, динамомашину от микроволновки, сеть 220 В, фотоионизацию от фонарика и генератор Тесла. Дальше я расскажу обо всех этих способах. Самый простой из них — подключение к сети 220 В через резистор, а самый интересный и красивый — от генератора Тесла.
Пробуем использовать батарейки
Когда я еще учился в школе, я где-то достал неоновую лампу типа ТН-02. К сожалению, тогда у меня не было никаких идей, как ее безопасно зажечь, не связываясь с напряжением 220 В из розетки. Попытка соединить последовательно 15 батарей КБС-Л-0,50 на 4,5 В каждая не привела к успеху. И это понятно — ведь такая лампа зажигается при напряжении более 80 В, а у меня получилось от 15 батарей только 67,5 В.
Чтобы зажечь неонку, надо было соединить последовательно девять-десять батарей Крона по 9 В каждая, но мне это было недоступно — такие батарейки стоили недешево.
Применяем магнитную индукцию
Раздобыв трансформаторы и дроссели из старых ламповых телевизоров, я воспользовался эффектом магнитной индукции. Собрал очень простую схему из батарейки на 9 В (две КБС-Л-0,50, соединенные последовательно), кнопки, дросселя, резистора и неоновой лампочки (рис. 17).
По правде говоря, в моих первых экспериментах никакого резистора не было, но лампочка все же уцелела. Для этой статьи я собрал схему с дросселем ИП4.750.060 и батарейкой 6FF2 напряжением 9 В (рис. 18).
При замыкании цепи ток начинает протекать через дроссель. Когда цепь размыкается, магнитная индукция приводит к появлению высокого напряжения на неоновой лампочке, и она вспыхивает.
Аналогичный эксперимент я провел с понижающим сетевым трансформатором от транзисторного приемника. При этом неонка подключалась к сетевой обмотке, а батарейка— к обмотке низкого напряжения через кнопку. Индукция делала свое дело и в этом случае — неоновая лампочка вспыхивала.
Используем динамомашину от микроволновки
Другой способ зажечь неонку заключается в применении моторчика от микроволновки (рис. 19).
Такие моторчики можно найти на радиорынках или вытащить из сломанной микроволновки.
Чтобы зажечь неонку, нужно подключить ее к контактам моторчика, а потом провернуть вал с помощью плоскогубцев или аналогичного инструмента. При вращении вала на выходе этой своеобразной динамомашины появится напряжение порядка 200 В, и лампочка загорится. Но будьте осторожны и не касайтесь контактов руками — получите весьма ощутимый удар электрическим током.
Подключаем неонку к сети 220 В
Самый простой способ зажечь неоновую лампу — подключить ее через резистор сопротивлением порядка 120–170 КОм к сети 220 В (рис. 20).
Использование резистора здесь абсолютно необходимо. Также будьте осторожны при работе с высоким напряжением.
Помощь от фотоионизации
Если подать на неоновую лампу напряжение, близкое к напряжению зажигания, а затем посветить на нее мощным светодиодным фонариком, то лампа может включиться.
Фотоны от фонарика могут вызвать фотоионизацию, то есть выбивание электронов из атомов газа. В результате количество свободных электронов в газе увеличится, а это, в свою очередь, приводит к началу ионизации и зажиганию лампы.
Используем генератор Тесла
Наконец, можно зажечь неоновую лампу электромагнитным полем, если расположить ее около антенны мощного радиопередатчика, медицинского аппарата для прогревания УВЧ или рядом с работающим трансформатором генератора Тесла (рис. 21).
Когда я, будучи школьником, работал на коллективной радиостанции, за спиной у меня стоял усилитель мощности передатчика на 1 КВт. При нажатии на телеграфный ключ сзади раздавалось злобное жужжание, а неонка, лежащая на столе в паре метрах от усилителя, зажигалась и горела довольно ярко. Можно только предположить, какую терапию давал этот «аппарат УВЧ»!
Кстати, если у вас есть генератор Тесла, попробуйте поднести к нему газоразрядную трубку тлеющего разряда, например, лампу дневного света — она тоже загорится. Генераторы Тесла продаются на маркетплейсах, они недорогие и довольно интересные сами по себе.
Схемы с неоновыми лампами
Работая над статьей, я собрал несколько схем с неоновыми лампами. Не считая различных схем для зажигания неоновой лампы, это генераторы и кольцевой счетчик. Возможно, вы захотите их повторить. В этом случае соблюдайте осторожность, так как во всех этих схемах используется высокое напряжение.
В качестве источника питания я использовал лабораторный источник SUSWE, способный выдать до 120 В постоянного напряжения. Если у вас нет достаточно высоковольтного лабораторного источника питания, то можно приобрести на маркетплейсах «Повышающий преобразователь постоянного тока от 8 до 32 В до 45–390 В» или аналогичный.
Генератор релаксационных колебаний
При снятии вольт-амперной характеристики неоновых ламп видно, что напряжение зажигания такой лампы выше напряжения гашения. Пользуясь этим фактом, можно собрать простой генератор релаксационных колебаний (рис. 22).
Резистор, потенциометр и конденсатор для этой схемы я взял из старого лампового телевизора (рис. 23).
При включении напряжения порядка 80–90 В конденсатор постепенно заряжается через резистор и потенциометр. Когда напряжение возрастает до точки зажигания неонки, через нее начинает проходить ток, и конденсатор разряжается.
В тот момент, когда конденсатор разрядился настолько, что неонка погасла, цикл заряда конденсатора начинается вновь, и все повторяется. Это видно на осциллографе, подключенном параллельно неонке (рис. 24).
Подобные генераторы использовались для создания времязадающих импульсов в старых моделях осциллографов и телевизоров. Они также применялись раньше в автомастерских для стробоскопов, сейчас вместо них используются светодиоды. Еще пример применения — в фотовспышках и в ночных клубах.
Звуковой генератор
С помощью неоновой лампы можно собрать очень простой генератор звуковых колебаний. Я собрал его по схеме В. Г. Борисова (рис. 25).
В схеме была использована неоновая лампа ТН-02, наушник от старого телефонного аппарата ТК-67-НТ, резистор, потенциометр и конденсатор из старого лампового телевизора (рис. 26).
Напряжение, при котором схема начинала работать, составило 82 В. Изменяя сопротивление и подбирая емкость конденсатора, можно регулировать частоту звуковых колебаний. Вы также можете попробовать использовать здесь высокоомный наушник, такой как ТОН-1 или ТОН-2.
Осциллограмма сигнала на наушнике показана на рис. 27.
Видны выбросы в моменты включения и выключения неонки, связанные с магнитной индукцией катушки наушника.
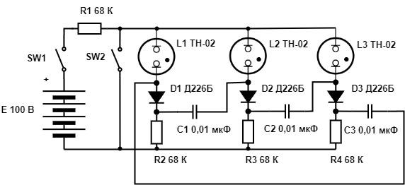
Кольцевой счетчик на неоновых лампах
Еще одна схема, которую я собрал специально для этой статьи — кольцевой счетчик на неоновых лампах (рис. 28).
Эту довольно интересную схему я подсмотрел в статье Pieter−Tjerk de Boe из Голландии (есть перевод статьи на русский язык). Там автор ссылается на книгу J.B. Dance, “Electronic Counting Circuits,” London ILIFFE Books, доступную для скачивания на сайте автора. В главе 3 этой книги приводятся схемы кольцевых счетчиков на неоновых лампах.
Кольцевой счетчик описали John Manley и Elery Buckley в статье Neon Ring Counter, которая вышла в январе 1950 года.
Работа схемы основана на том факте, что напряжение зажигания неонки больше напряжения их выключения.
Неоновая лампа может находиться в двух состояниях — во включенном и выключенном. Выключенную лампу можно включить, подав на нее импульс, поднимающий напряжение до уровня зажигания. Чтобы выключить лампу, нужно подать короткий импульс, понижающий напряжение до уровня отключения лампы или ниже. Таким образом, из неоновой лампы можно сделать логический элемент с памятью.
При включении источника питания на 80–100 В зажигается одна из трех неоновых ламп. Если теперь замыкать на короткое время кнопку SW2, то лампы будут переключаться поочередно, одна за другой. При этом счетчик будет находиться последовательно в одном из трех состояний (рис. 29, 30, 31).
Видео переключения счетчика доступно по ссылке.
Работа счетчика основана на том, что напряжение на включенной лампе равно напряжению поддержания горения, которое меньше напряжения зажигания.
Предположим, что при включении питания горит лампа L2, а лампы L1 и L3 остаются выключены. На рис. 32 показаны напряжения на схеме в ситуации, когда горит только лампа L2.
Когда лампа зажигается, ее сопротивление становится очень небольшим. При этом на резисторе R3 напряжение становится равным 23,7 В, а напряжение на анодах всех ламп — 72,7 В. Напряжения на резисторах R2 и R4 будет отсутствовать.
Напряжения 72,2 В недостаточно для зажигания ламп L1 и L3, однако его хватает для поддержания лампы L2 во включенном состоянии.
Когда лампа L2 включена, то напряжение на резисторе R3 зарядит конденсатор C2 до 23,7 В.
Теперь, когда на вход счетчика подается отрицательный импульс (замыкается кнопка SW2), потенциал на анодах ламп снизится до нуля, и они погаснут. Но конденсатор C2 остается в заряженном состоянии.
Когда кнопка SW2 размыкается, напряжение с конденсатора C2 добавит напряжение на лампу L3, в результате чего она загорится. Диод D3 будет закрыт в этот момент, так как на катоде L3 напряжение -23,7 В относительно земли. На других лампах напряжение будет меньше напряжения зажигания (соответствующие конденсаторы разряжены), и они останутся в выключенном состоянии.
Следующий щелчок кнопки SW2 вызовет аналогичное переключение на лампу L3, которая теперь будет гореть. Подробно этот процесс описан в упомянутой выше статье Ring Counter Variations (там же вы найдете и другие схемы кольцевых счетчиков с газоразрядными лампами).
Надо сказать, что схема требует подбора неоновых ламп по напряжению включения и выключения. Дело в том, что разные экземпляры неоновых ламп зажигаются и гаснут при разных напряжениях. К тому же со временем эти напряжения могут изменяться.
Мне пришлось заменить две из трех ламп, прежде чем она стала нормально работать. Чем больше разница между напряжением зажигания и отключения, тем работа схемы будет стабильнее. Также подберите по возможности лампы с одинаковыми значениями этих граничных напряжений.
Что касается питания, то у меня счетчик начал надежно работать при напряжении питания 80–90 В. При напряжении 100 В счетчик также работал, но иногда превращался в генератор — лампочки переключались по кольцу сами по себе.
Самовозбуждение счетчика возникало и в том случае, когда я пробовал посветить фонариком на погашенную лампочку при напряжении питания 100 В. Эффект самовозбуждения усиливался при напряжении 105–120 В. Чтобы устранить самовозбуждение, достаточно было понизить напряжение до 97,8 В.
В статье Ring Counter Variations описаны сложности, с которыми столкнулся создатель часов на неоновых лампах и неоновых цифровых индикаторах. Это не только подбор и группировка ламп по напряжению зажигания и отключения, но и их искусственное старение перед подбором ламп. Без старения характеристики ламп могут измениться при первом включении. Но на мой взгляд, результат оправдал затраченные усилия. Такие часы выглядят потрясающе (рис. 33).
Итоги
Теперь вы знаете, как работают почти уже антикварные, но до сих пор популярные в некоторых применениях неоновые лампы.
Из всех схем, описанных в статье, наибольшее удовольствие мне доставили эксперименты со счетчиком на неоновых лампах. Если вы соберете его, попробуйте изменять его состояние с помощью мощного светодиодного фонарика. Посветив на погашенную лампу, вы можете ее включить. При этом остальные лампы погаснут. Подберите напряжение питания, при котором такое переключение будет стабильным.
Очень хотелось рассказать еще про тиратроны, декатроны и газоразрядные стабилизаторы напряжения, с которыми тоже можно проводить очень интересные эксперименты.
Если вам хочется почитать и о них тоже, напишите об этом в комментариях.
Автор @AlexandreFrolov
НЛО прилетело и оставило здесь промокод для читателей нашего блога:
-15% на заказ любого VDS (кроме тарифа Прогрев) — HABRFIRSTVDS.
Автор: FirstJohn
