В прошлой статье мы провели небольшое сравнение параметров светодиодных (и не только) ламп, в ходе которого убедились, что почти одинаковые на вид, на цвет и на ощупь лампы могут иметь самые разные характеристики, простирающиеся от «очень хорошо» до «отвратительно», причем даже лампы одного производителя могут показывать самое разное качество. Теперь наступило время посмотреть, что внутри этих ламп и разобраться, что делает хорошие лампы хорошими, а плохие – плохими.
Разумеется, все манипуляции автор проводил на свой страх и риск, и потому не несет никакой ответственности за какие-либо возможные последствия для желающих повторить его подвиги.
Внимание — много фотографий.
Для удобства продублирую таблицы сравнения из прошлой статьи:
С цоколем E27:
| Тип лампы | Измеренная мощность, Вт (холодный старт) | cos(φ) | Kp | В целом |
| ASD 11W | 9 | 0.82 | 1% | Очень хорошо |
| Gauss 12 W | 12 | 0.62 | 1% | Хорошо |
| Gauss 6.5 W | 6 | 0.50 | 1% | Приемлемо |
| SUPRA 11 W | 9 | 0.95 | 35% | Плохо |
| ASD 7 W | 4 | 0.45 | 100% | Отвратительно |
С цоколем E14:
| Тип лампы | Измеренная мощность, Вт (холодный старт) | cos(φ) | Kp | В целом |
| Gauss 3W | 2 | 0.60 | 1% | Хорошо |
| Gauss 6.5W | 6 | 0.95 | 49% | Очень плохо |
| Wolta 5W | 2.2 | 0.40 | 68% | Отвратительно |
Первое, что привлекает внимание – чудесная лампа ASD с коэффициентом пульсаций порядка 100% и измеренной мощностью более чем на 40% меньше заявленной.

При этом она не диммируемая, что могло бы немного извинить такие характеристики. Неужели там внутри стоит… Впрочем нет, давайте разберем и посмотрим.

Ой. Это стекло, что ли? Зачем в светодиодной лампе делать стеклянный баллон? Одна из фишек светодиодов – нечувствительность к ударам. Правильно спроектированной светодиодной лампой практически можно играть в футбол. Стеклянный баллон, разумеется, сводит это преимущество на нет. Неужто стекло дешевле в производстве? Хорошо хоть не порезался. Ну окей, раз оно так, подойдем по-другому.

Стекло тонкое; при механическом повреждении баллон разбивается в малоприятное крошево. Внутри вроде бы есть то ли пленка, то ли напыление, но оно как-то слабо помогает. Да и что мешало сделать баллон из пластика?

Внутри видим плату с алюминиевым основанием (ну хоть это хорошо) с горстью светодиодов на ней. А что там с драйвером?

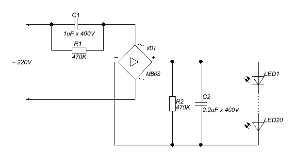
Да, как я и боялся предположить вначале, внутри стоит классическая схема с гасящим конденсатором. Кто не знает – есть такой способ питания нагрузок от сети, историей уходящий в глубину пятидесятых годов (да-да). Принцип его основывается на том, что конденсатор в цепи переменного тока обладает реактивным сопротивлением, что позволяет использовать оный для ограничения тока. Фактически, это эквивалентно включению резистора последовательно со светодиодом. Плюс у этого способа только один – простота и дешевизна; остальное минусы — абсолютно никакой коэффициент мощности, отсутствие гальванической развязки с сетью (впрочем, это тут не так важно), очень условная стабилизация тока диодов (в нашем случае) и т.д.
Схема лампы спартански проста.

Насчет высокого коэффициента пульсаций не совсем понятно – электролитический конденсатор на выходе вроде как есть (2.2 мкФ, 400 В). Но то ли 2.2 мкФ маловато для такой мощности, то ли конденсатор высох (хотя лампу-то я взял новую), то ли сам конденсатор не особо хорош, но он не помогает – это факт.
Как-то так. Зато стоит дешево, всего около 200 р. в розницу. Но я бы ее и за такие деньги всерьез покупать не стал. Лучше уж купить КЛЛ за ту же цену, скорее всего будет приличнее.
Давайте, однако, расковыряем что-нибудь приличное. Можно было бы взять одиннадцативаттную лампу того же бренда ASD, к слову, лидирующую по всем параметрам, но ASD мы уже разбирали. Потому для разнообразия я предлагаю демонтировать идущую второй лампу от Gauss LED, тем более что отстает она только по коэффициенту мощности, и то ненамного.

Надо сказать, что эта лампа от Gauss непривычно тяжелая, навскидку граммов триста. По ощущениям в руке – этакий солидный кирпичик, что наводит на мысли о каком-то совершенно фантастическом теплоотводе. Вообще, в инструкции обещают, что корпус сделан из керамики и алюминия. Что же, посмотрим.
Наученный горьким опытом с лампой от ASD, к снятию баллона я здесь подходил крайне осторожно. Тем не менее, мои опасения были напрасны – тут он пластиковый, как и должно быть.

Вообще, по колупаемости корпус как-то не похож на керамику. Хотя не знаю, может это я чего-то не понял.
Однако, что мы видим? Алюминиевая плата со светодиодами крепится к корпусу винтами и подключена к драйверу разъемом! Вау. Такого в «одноразовых» приборах вроде лампочек я еще не видел. Не, правда. Неужто она, вопреки предостережениям в инструкции, ремонтопригодна? Если так, то это же просто невероятно!

Упс, увы нет. Схема управления намертво залита компаундом (естесственно, негорючим – я специально проверил), так что о ремонтопригодности можно забыть. К счастью, компаунд оказался не эпоксидной смолой, что свело бы перспективы дальнейшего изучения к нулю, а чем-то вроде пористой резины, которую с некоторым усилием удалось удалить и извлечь драйвер.
Кстати о весе и теплоотводе. Теплоотвод действительно представляет собой достаточно увесистую алюминиевую болванку, запрессованную в то, что, согласно написанному в инструкции, является керамикой.

Однако мы наконец добрались до самого интересного, квинтессенции светодиодной лампочки – ее драйвера.



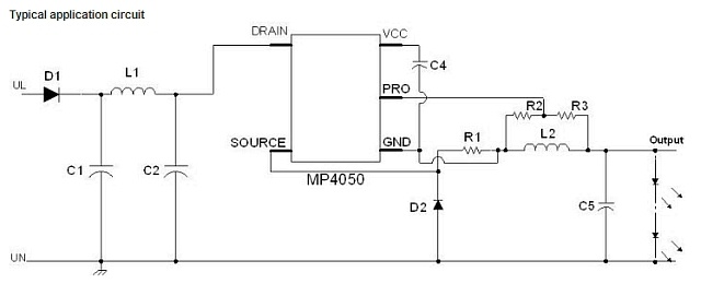
Как выяснилось, драйвер этой лампочки построен по классической бестрансформаторной понижающей топологии (step-down/buck converter). Так что желтое моточное изделие – дроссель, а не трансформатор обратноходового источника, как могло бы показаться с первого возгляда. В основе решения лежит микросхема MP4050 от Monolithic Power Systems, включенная по практически типовой схеме.

Если говорить об отличиях, инженеры Varton дополнили типовую схему диодным мостом и фильтрующим электролитическим конденсатором на входе, однако сэкономили на конденсаторах, обозначенных на типовой схеме как C1 и C2. Эта экономия, судя по всему, и приводит к не слишком высокому коэффициенту мощности (участок схемы с катушкой является ничем иным, как узлом коррекции коэффициента мощности). Тем не менее, как видно по фотографиям, место под них есть. Сама катушка присутствует и, как видно по замерам параметров, делает свое благое дело.
Итак, что имеем для этой лампы в целом? Прежде всего, отличный коэффициент пульсаций – около 1%, что находится в районе погрешности моего метода измерения. Сам свет на мой вкус очень приятный, без желтизны и синевы, чисто белый. Обстановка в свете этих ламп смотрится очень естесственно, так что заявленному индексу цветопередачи более 92 определенно можно верить. В этом смысле они нравятся мне даже больше КЛЛ, и, разумеется, больше откровенно желтых ламп накаливания.
Очень приличная конструкция. Вообще, намертво залитый компаундом драйвер дает надежду на то, что эту лампу можно использовать во влажных местах вроде ванной комнаты или вовсе в уличных светильниках (к слову, что-то там в инструкции есть про тротуарные светильники). Тем не менее, соединение светодиодной сборки и драйвера, выполненное в виде гламурного разъема, хотя и очень впечатляет, но вселяет некоторые опасения на тему того, как оно поведет себя в условиях систематического присутствия влаги. Было бы однозначно спокойнее, если бы контакты были, например, для верности промазаны чем-то вроде проводящей графитовой смазки или, на худой конец, просто залиты герметиком. Так что насчет этого вопрос.
Баллон пластиковый – слава богу. Как мы видели, это далеко не правило. Так что хорошо, что в случае Gauss здравый смысл возобладал.
Некоторую тревогу вызывает тепловой режим драйвера – он помещен аккурат в самое теплое место, да еще и залит компаундом, что предотвращает всякую конвекцию. Тут имеет смысл вспомнить картинку в ИК-лучах:

Греть электролитические конденсаторы до 60 – 70 градусов (внутри, разумеется, будет теплее, чем на поверхности) – так себе идея. Конечно, надо признать, что в такой конфигурации поместить электронику больше просто некуда. Я уже отмечал, что геометрия лампы накаливания чужда светодиодам – вот одно из проявлений этого тезиса. Впрочем, примененные конденсаторы промаркированы как сертифицированные для температуры до 125 °С, и, вроде бы, судя по малочисленным отзывам в интернете, бренд Aishi, который мы видим тут, не самое плохое, что может быть. Хотя, конечно, Chemi-Con или хотя бы что-то более известное науке, вроде Jamicon, в таком применении внушали бы больше доверия. Тем не менее, гарантийный срок, заявленный в инструкции, составляет три года.
Сам тип драйвера определенно выбран верно. Понижающая бестрансформаторная топология очень хороша в смысле малой величины пульсаций, что мы и наблюдаем.
Если говорить о таком важном факторе, как теплоотвод светодиодов, то видимый на ИК-снимке равномерный прогрев корпуса до достаточно высокой температуры позволяет предположить, что в этом смысле все неплохо.
В целом можно сказать, что бесспорный недостаток у этой лампы только один – цена, которая составляет около 700 р. в розницу по данным Яндекс.Маркета. Тем не менее, как видно, это достаточно качественный прибор, который, хотя и стоит космических для лампочки денег, имеет все шансы оправдать доверие.
На этом на сегодня все. В следующих статьях мы продолжим экспериментальное исследование лампочек.
Автор: LampTester
