
Приветствую! Есть у меня ноутбук HP Stream x360 и всем он хорош, кроме одного — в качестве накопителя на борту распаяна eMMC на 32 ГБ. Данный аппарат используется в основном в поездках: для просмотра фильмов, интернет-серфинга и копирования фотографий. И очень уж неудобно каждый раз возиться с внешними флешками/винчестерами. Решил это дело исправить, но все оказалось не так просто, как хотелось бы.
Исследование
Моделька моего ноутбука — 11-p055ur. На борту Windows 10, двухъядерный Intel® Celeron® N2840 (2,16 ГГц) и 2 ГБ DDR3L.
Из внешних интерфейсов для возможности подключения накопителей:
- 2xUSB 2.0,
- 1xUSB 3.0,
- SD media card reader.
Таким образом, можно занять USB 3.0 (установив маленький по габаритам накопитель), либо воткнуть SD-карту (что я до этого иногда и делал).
Разбираем ноутбук и смотрим что внутри. Вдруг есть что-то, что позволит нарастить немного памяти. Тут открывается следующая картина:

Рис.1. Разъемы для установки карт.
- Слева вверху та самая eMMC.
- Разъем Mini PCI-e с Wi-Fi картой.
- Разъем PCI-e Key-B.
- Справа на плате разъемы USB 2.0/3.0.
Начинаю думать о возможных методах апгрейда.

Перепайка eMMC
Это будет дорогое удовольствие с точки зрения покупки микросхемы памяти хотя бы на 128 ГБ. Также не ясно, получится ли ее завести, не обновляя BIOS. Правда, попадались статьи в интернете, где люди успешно перепаивали eMMC (на других ноутах).
Mini PCI-e
Данный тип разъема может содержать либо линии данных PCI-e, либо SATA. Нашел мануал на модуль Wi-Fi. Интерфейс PCI-e 2.0, что меня более чем устраивает.

Рис.2. Распиновка Mini PCI-e / mSATA.
Если занять этот слот под SSD-накопитель, то мне придется распрощаться с внутренним Wi-Fi модулем.
PCI-e Key-B
У меня есть M.2 NVMe-накопитель (как раз форм-фактора 2242) с двумя ключами: М и В. Незамедлительно его устанавливаю и… он не виден в системе и в BIOS. Визуально не понятно, приходят ли в разъем диффпары PCI-e. По проводам антенн (и описанию ноутбука) можно понять, что тут был установлен GPRS-модем формата 3042. Приобретаю переходник «USB 3.0 to PCI-e Key-B».

Рис.3. Переходник «USB 3.0 to PCI-e Key-B»
Переходник интересный. Для питания USB необходимо напряжение 5В, а в разъеме есть только 3,3В. На плате установлен boost-контроллер (микросхема U1) для повышения напряжения. Втыкаю переходник с флешкой и… чуда не происходит. BIOS выдает ошибку о неизвестном модеме и не позволяет ничего делать дальше. Если грузиться без флешки, то все хорошо. Если ее вставить «на горячую», то тоже работает.
Хаб на USB 3.0
Возникла неожиданная идея разработать небольшую плату HUB USB 3.0, выпаять ESD-защиту с разъема и в разрыв запаять хаб (чтобы задействовать наружный разъем и внутри установить накопитель). Но очень не хотелось колхозить.
Решение
Стал снова смотреть в сторону модемного PCI-e. После поисков в сети различных переходников наткнулся на интересные варианты.

Рис.4. Переходники «Mini PCI-e to M.2 NVMe».
Так как на плате разъем mini PCI-e расположен близко к краю платы (рис. 1), ни один из переходников мне не подошел. Что ж, придется разрабатывать самому хитрый переходник под мой форм-фактор.
В разъеме Mini PCI-e по стандарту есть USB 2.0, я его задействую для модуля Wi-Fi, чтобы потом не занимать внешний разъемы. Нашел у себя несколько штук на чипе Realtek RTL8188.

Рис.5. Модули Wi-Fi Realtek RTL8188.
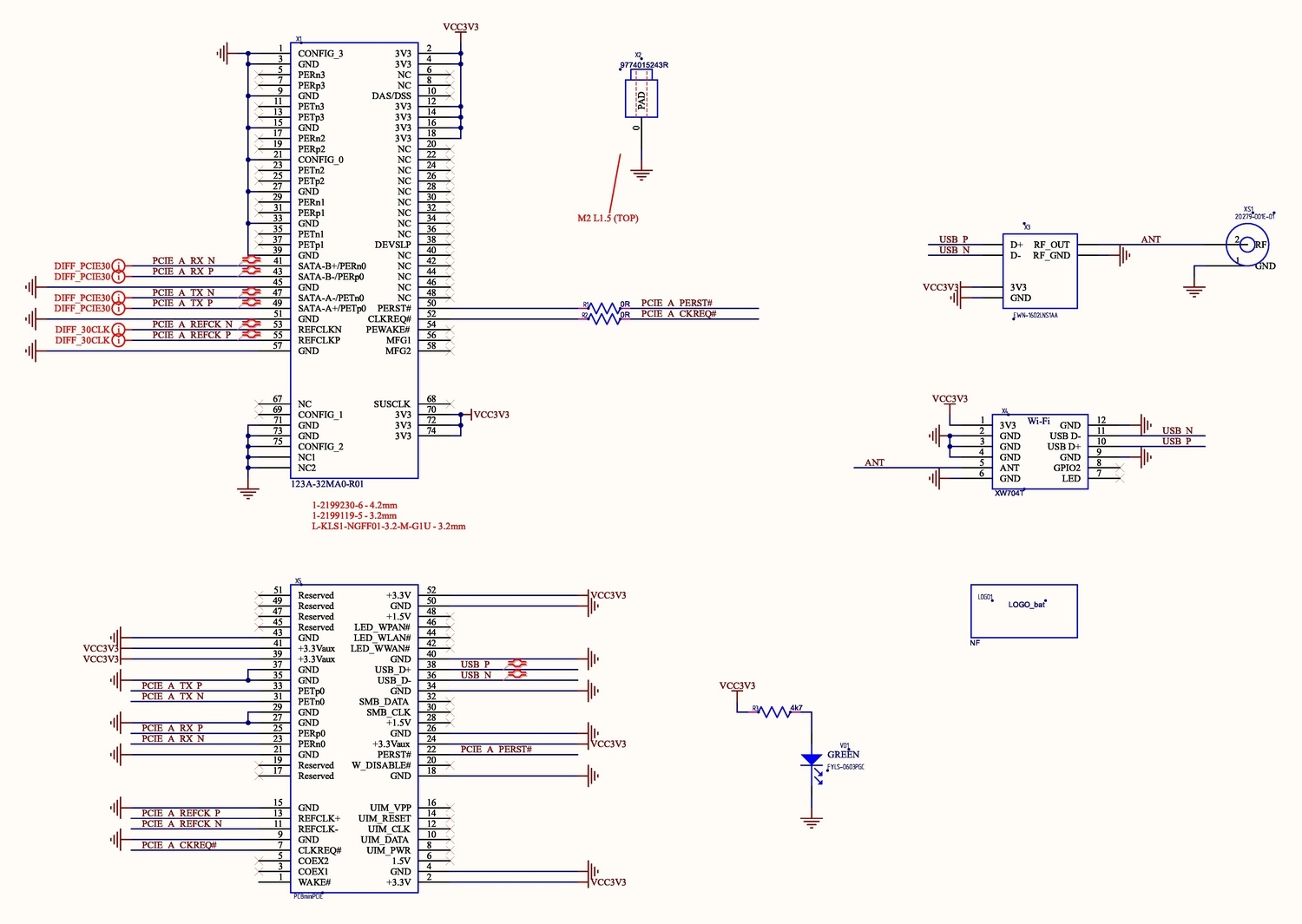
Набросал схему. Мой NVMe имеет две линии данных PCI-e 3.0, но задействовать я смогу только одну, понимаю, при этом, что скорость будет ниже. Хорошо, что есть обратная совместимость между PCI-e 2.0 и PCI-e 3.0. Нашел плоский разъем (3,2 мм) и втулку (1,5 мм). Так как у меня были два модуля Wi-Fi с разной распиновкой (и разной модификацией чипа Realtek), то на плате решил установить оба.

Рис.6. Схема переходника.
Когда рисовал контур платы под рукой не было ноутбука. Пришлось по фотографии вымерять расположение разъемов, которые будут мешать. Получилось вот такое чудо.

Рис.7. Печатная плата в Altium.
Заказал, спаял. Чтобы ничего не мудрить поставил разъем как на штатной антенне, вывел светодиод для контроля наличия питания.

Рис.8. Плата переходника. Вид снизу.
Далее пробую примерить SSD.

Рис.9. Плата переходника. Вид сверху.
Пока все отлично.
Установка в ноутбук
Как ни странно, но и тут все сошлось без проблем. Модуль встал отлично. Единственный нюанс – разъем антенны уперся в материнскую плату и получился зазор до крепежной втулки около 1мм, но думаю, что это не критично.

Рис.10. Установленный в ноутбук переходник.
Вставляю SSD. Остались даже зазоры до соседних разъемов, значит хорошо все измерил по фотографии.

Рис.11. Установленный в ноутбук переходник и SSD.
Не зря использовал плоский разъем, так как нижняя крышка еле защелкнулась.
Тестирование
Первым делом решил проверить работу Wi-Fi.

Рис.12. Wi-Fi модуль в сетевых адаптерах.
Отлично, как минимум он увиделся и не потребовал дополнительных драйверов. Проверяем скорость. В офисе 20 Мбит, так что вроде не плохо.

Рис.13. Скорость Wi-Fi.
Для проверки скорости записи/чтения дисков запускаю программу CrystalDiskMark. Тут слева-направо: встроенная eMMC Hynix 32 ГБ, micro SD SanDisk HC 32 ГБ 10 класса и SSD NVMe 128 ГБ.

Рис.14. Тест скорости eMMC, SD, SSD.
Скорость SSD меня порадовала. Получилось примерно между SATA2 и SATA3 (заявленная для PCI-e 2.0x1 — 500 MБ/с).
Мне кажется, что это отличная реализация для установки SSD. Думаю, что ничего большего выжать уже не получится.
Спасибо за внимание и успехов!
Автор: the_bat
