
Сегодня, в Международный день радиолюбителя, я хотел бы рассказать о приборе, без которого бы моя карьера радиолюбителя не состоялась. Речь пойдёт о легендарном Ц20: простом, надёжном и недорогом ампервольтомметре, ставшим лучшим другом и помощником многим поколениям радиолюбителей в нашей стране.
Написать про Ц20 я порывался уже давно, но сдерживало меня отсутствие прибора на руках. Намерение перешло в действие, когда недавно и совершенно случайно я обнаружил Ц20 в одном из пермских магазинов радиодеталей. Это был такой же точно прибор, как был у меня в своё время: в чёрном карболитовом корпусе и с ребристыми рукоятками. Только был он не 1958 года выпуска, а 1961-го.

Эргономическое решение тестера Ц20 было предельно простым. Любой, кто имел опыт работы со стрелочными приборами, мог начать работу с Ц20, не заглядывая в инструкцию. Рисунок снизу как раз очень хорошо это иллюстрирует.

Если снять с прибора нижнюю крышку, то можно убедиться, что и конструкция у него предельно простая, да и схема тоже.

Внутри корпуса мы видим двадцать семь постоянных и один переменный резистор; два меднозакисных диода; галетный переключатель на три группы на три положения и микроамперметр М494. Гнёзда для щупов запрессованы в лицевую панель. Батарейный отсек расположен в нижней крышке.
Для тех, кто насчитал на фотографии меньше, чем двадцать семь постоянных резисторов, поясняю: часть из них — проволочные, и выглядят они как катушки, намотанные проводом в синей или серой шёлковой оплётке.
Большая часть компонентов схемы Ц20 смонтирована на текстолитовых панелях с запрессованными в них монтажными лепестками. Монтаж — навесной, в лучших традициях, с накручиванием выводов вокруг отверстий в лепестках и нанесением маркировки краской на пайку после проверки качества.

Резистор типа МЛТ-0.5 выглядит здесь достаточно чужеродно, но по качеству пайки и по нанесённой на пайку маркировке видно, что установлен он на заводе.
Прибор Ц20 достался мне без щупов и документов. После поисков в Интернет и небольшого реверс-инжиниринга с замером сопротивлений резисторов схему к исполнению моего Ц20 подобрать удалось.

Далее мы разберём работу этой схемы в режимах измерения силы постоянного тока, напряжения в цепях постоянного тока, измерения сопротивления, а также измерения напряжения в цепях переменного тока на конкретных примерах.
Знакомимся со стрелочным микроамперметром
Основным элементом конструкции ампервольтомметра Ц20 является микроамперметр.

Значки в правом нижнем углу прибора означают, что он предназначен для измерений в цепях постоянного и переменного тока, что тип измерительного механизма прибора — магнитоэлектрический с подвижной рамкой, и что прочность изоляции этого прибора была испытана напряжением два киловольта.
Выше заводского номера 13113 и обозначения типа прибора «Ц20» расположены три шкалы. Шкала «VA–» предназначена для измерения силы тока и напряжения в цепях постоянного тока, а шкала «V~» — для измерения напряжения в цепях переменного тока. Надпись «4.0» в кружочке справа от этих шкал означает класс точности прибора при этих измерениях. Погрешность измерений при этом будет не хуже ±4 % от конечного рабочего значения шкалы. Шкала «Ω» предназначена для измерения электрического сопротивления постоянному току с погрешностью не хуже ±2,5 %.
Из краткого описания на странице 21 журнала «Радио» №2 за 1955 год, из которого и создана КДПВ этой публикации, мы знаем, что в Ц20 установлен микроамперметр типа М494 с током полного отклонения 85 мкА.
Для тех, кто встречался со стрелочными измерительными приборами только на уроках физики, поясню, что стрелка магнитоэлектрического микроамперметра с подвижной рамкой отклоняется прямо пропорционально силе тока, протекающего через этот прибор.
Соответственно, при протекающем через установленный в Ц20 микроамперметр М494 токе силой 85 мкА стрелка прибора установится на крайней правой отметке шкалы (полное отклонение), а при токе 42,5 мкА — на середине. На нулевой (крайней левой) отметке шкалы стрелка прибора находится при отсутствии тока. Точное положение стрелки «на нуле» выставляется вращением корректора, расположенного ниже шкалы прибора.
Также имеет значение полярность подключения магнитоэлектрического прибора в цепь измерения. Если поменять направление измеряемого тока, стрелка микроамперметра будет пытаться повернуться в обратном направлении. Из этого можно сделать вывод, что при измерениях в цепях переменного тока стрелка магнитоэлектрического прибора просто будет дрожать у нулевой отметки шкалы.
Превращаем микроамперметр в миллиамперметр
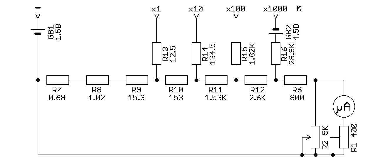
Схема части Ц20, предназначенной для измерения силы постоянного тока, приведена на рисунке ниже.

Переключатель режима находится в положении «–». Самый низкий предел измерения силы постоянного тока в Ц20 равен 0,3 мА (300 мкА). Это означает, что при токе в цепи измерения, равном 300 мкА, стрелка прибора должна установиться на отметку «30» (полное отклонение) шкалы «VA–».
Нужно пояснить, что «30» здесь — величина безразмерная, и означает она количество делений шкалы. Следовательно, нужно вводить понятие «цена деления» и умножать значение в делениях шкалы, полученное в результате измерения, на цену деления.
В рассматриваемом примере при измерении силы постоянного тока на пределе измерения 0,3 мА и количестве делений шкалы 30, цена деления будет 0,3 / 30 = 0,01 мА (10 мкА).
Чтобы разобраться, как микроамперметр с током полного отклонения 85 мкА измеряет ток 300 мкА и не выходит из строя, построим эквивалентную схему Ц20 при измерениях на пределе 0,3 мА. Для совсем юных радиолюбителей напомню, что при последовательном включении резисторов величины их сопротивлений складываются, а при параллельном включении складываются значения их проводимости (величины обратной сопротивлению).

На рисунке выше мы видим схему с параллельным включением шунтирующего резистора Rш и цепочки, состоящей из токоограничивающего резистора Rт, микроамперметра и резистора Rи с сопротивлением, равным сумме сопротивления регулировочного резистора R1 и внутреннего сопротивления микроамперметра. В дальнейших расчётах будем считать внутреннее сопротивление микроамперметра равным нулю, а сопротивление R1 равным сопротивлению Rи.
Применяем правила Кирхгофа. Для того, чтобы стрелка микроамперметра была в положении полного отклонения, через прибор должен протекать ток 0,085 мА (85 мкА). Значит, через шунтирующий резистор согласно первому правилу Кирхгофа будет протекать ток 0,3 – 0,085 = 0,215 мА (215 мкА). Падение напряжения на резисторе Rш сопротивлением 1,7 кОм будет равно 1700 * 0,000215 = 0,3655 В. Падение напряжения на резисторе Rт сопротивлением 3,4 кОм будет равно 3400 * 0,000085 = 0,289 В. Следовательно, по второму правилу Кирхгофа падение напряжения на резисторе Rи будет равно 0,3655 – 0,289 = 0,0765 В. Применяем закон Ома для участка цепи и получаем сопротивление резистора Rи равным 0,0765 / 0,000085 = 900 Ом

На рисунке выше приведена эквивалентная схема Ц20 при измерении силы постоянного тока на пределе измерения 750 мА. Rш = 0,68 Ом, Rт = 5099,32 Ом, Rи = 900 Ом. При полном отклонении стрелки прибора через шунт протекает ток 750 – 0,085 = 749,915 мА. Падение напряжения на резисторе Rш будет равно 0,68 * 0,749915 = 0,5099422 В. Падение напряжения на резисторе Rт будет равно 5099,32 * 0,000085 = 0,4334422 В. Проверяем значение падения напряжения на резисторе Rи, убеждаемся, что оно соответствует значению, полученному в предыдущем расчёте 0,5099422 – 0,4334422 = 0,0765 В.
Превращаем микроамперметр в вольтметр
Схема части Ц20, предназначенной для измерения напряжения в цепях постоянного тока, приведена на рисунке ниже. Переключатель режима находится в положении «–».

В схеме мы видим, что для измерения напряжения микроамперметр подключается через цепочку токоограничивающих резисторов. Составим эквивалентную схему Ц20 для измерения напряжения в цепях постоянного тока на пределе измерения 1.5 В.

Из предыдущих примеров мы знаем, что полному отклонению стрелки микроамперметра соответствовало падение напряжения между точками A и B равное 0,0765 В. При этом сопротивление Rи было равно сумме сопротивления регулировочного резистора R1 и внутреннего сопротивления микроамперметра и составляло 900 Ом. Теперь же параллельно R1 и микроамперметру подключены все шунтирующие резисторы R6 – R12 с суммарным сопротивлением 5100 Ом, и сопротивление Rи теперь равно 765 Ом. Делим 0,0765 В на 765 Ом и получаем, что для полного отклонения стрелки микроамперметра между клеммами прибора должен протекать ток 100 мкА.
Таким образом, при измерении напряжения на пределе 1.5 Во внутреннее электрическое сопротивление Ц20 постоянному току составляет Rт + Rи = 14235 + 765 = 15 кОм (10 кОм/В), а сила тока, протекающего через прибор, не будет превышать 100 мкА.
Превращаем микроамперметр в омметр
Самый простой омметр можно было бы получить, дополнив эквивалентную схему вольтметра из предыдущего примера элементом питания 1.5 В, и сделав резистор Rт переменным. Но разработчики Ц20 пошли другим путём и приспособили для измерения сопротивления схему миллиамперметра. Переключатель режима находится в положении «Rx».

Для измерения сопротивления от пяти до 500 Ом нам надо сначала замкнуть щупы, вставленные в гнёзда «–» и «х1», между собой и выставить ручкой «УСТ.0» (R2) стрелку прибора «на ноль» (крайняя правая отметка на шкале «Ω»). Затем нужно щупами подключиться, допустим, к выводам проверяемого резистора. Чем больше измеряемое сопротивление, чем меньше стрелка омметра отклонится вправо. Если стрелка находится на шкале левее отметки 0.5, нужно переключиться на предел «х10», заново «выставить ноль» уже на этом пределе измерений, провести измерение сопротивления ещё раз, при необходимости переключить предел и т. д.

Выше приведена эквивалентная схема измерения электрического сопротивления на пределе «х1». Глядя на нелинейную шкалу «Ω», по которой величину измеряемого сопротивления можно только прикинуть, производить расчёты по эквивалентной схеме нет никакого желания.

Измеряем напряжение в цепях переменного тока
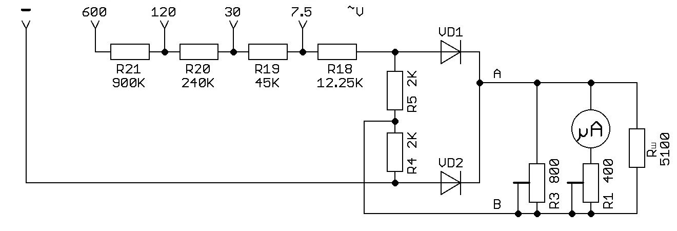
Как уже говорилось ранее, измерить силу переменного тока магнитоэлектрическим прибором напрямую невозможно. Поэтому в часть схемы Ц20, предназначенной для измерения напряжения в цепях переменного тока, включён выпрямитель. Переключатель режима находится в положении «~».

Схема выпрямителя собрана на диодах VD1, VD2 и резисторах R4, R5. На оригинальной схеме эти элементы нарисованы ромбиком, но это не «диодный мостик», как могло бы показаться, а двухполупериодный выпрямитель со средней точкой.
Схема такого выпрямителя «экономит» два диода, но требует наличия в силовом трансформаторе двух одинаковых вторичных обмоток, включённых «в противофазе». Нагрузка включается между катодами диодов и «средней точкой» вторичной обмотки. На схеме выше виртуальная средняя точка, обозначенная «B», формируется делителем напряжения на резисторах R4 и R5. Нагрузкой выпрямителя является часть схемы, расположенная правее диодов.
При заявленном в документации на Ц20 внутреннем электрическом сопротивлении 2 кОм/В на всех пределах измерения напряжения переменного тока полное отклонение стрелки микроамперметра должно обеспечивать протекание через прибор тока силой 500 мкА, а сопротивление участка цепи между точками подключения анодов диодов должно составлять 2,75 кОм. Падение напряжения на этом участке цепи при этом составит 1,375 В.
Полному отклонению стрелки будет соответствовать падение напряжения 0,0765 В между точками «A» и «B», что вполне достижимо при прямом напряжении диодов порядка 0,6 В.

Судя по внешнему виду и маркировке, в моём Ц20 использованы меднозакисные диоды ВКВ-7-1а. И что самое обидное, справочных данных на них нигде нет. Какое у них прямое напряжение мы можем узнать, лишь выпаяв их из схемы. В более поздних модификациях Ц20 вместо них применялись германиевые диоды Д2, а затем — Д9.
▍ От автора
Мой Ц20 служил мне верой и правдой чуть более десяти лет. Когда он не вынес очередного падения со стола, у меня уже был цифровой мультиметр «Электроника ММЦ-01», но чувства я испытывал, как друга потерял…
Некоторым читателям, не битым по рукам логарифмической линейкой, разбор в публикации работы Ц20 по эквивалентным схемам может показаться излишне детальным. Отвечу, что это всё дань уважения разработчикам. Напомню, что ближе к середине 50-х, когда этот прибор разрабатывался, расчёты инженеры делали на логарифмической линейке и арифмометре, а то и на бумаге в столбик. Кроме того, резисторы типа ВС-0.5, используемые в схеме Ц20, имели, судя по маркировке «II» на корпусе, точность ±10%, но в совокупности должны были обеспечивать прибору класс точности 4.0. А Ц20 при этом всём стоил всего 19 рублей 50 коп. Задача нетривиальная, и решение её уважения заслуживает точно.
Проработанная конструкция, механическая прочность, особенно когда карболитовый корпус заменили на полистироловый, и бюджетная цена — вот три составляющих всенародной любви и очень долгого жизненного цикла этого прибора.
Очень надеюсь, что по прочтению статьи опытные радиолюбители вспомнят много приятного, а юные радиолюбители поймут старый радиолюбительский мем: «А теперь попробуй это настроить одним Ц20».
От всей души поздравляю всех с Международным днём радиолюбителя и сотой годовщиной со дня образования Международного радиолюбительского союза (IARU)!
73! de RD9F
▍ Использованные источники:
- «Радио», 1955, №2
- Соболевский А. Г. Тестеры и авометры — М: Госэнергоиздат, 1963
- Борисов В. Г. Юный радиолюбитель. 6-е изд. — М: Энергия, 1979
© 2025 ООО «МТ ФИНАНС»
Автор: dmitriyrudnev
