
В данном усилителе динамик подключен не напрямую к коллектору транзистора, а через конденсатор . Это позволяет не пропускать через динамик постоянную составляющую тока, а пропускать только переменные колебания.
Прежде чем перейти непосредственно к анализу такого усилителя, сделаю несколько кратких замечаний.
Краткие замечания
Нагрузка усилителя
В качестве нагрузки усилителя для наглядности я буду рисовать динамик, хотя вместо динамика это может быть, какое-то другое устройство, например, высокоомные наушники, последующие каскады усиления или просто резистор. Я буду предполагать, что нагрузка ведет себя просто как резистор с сопротивлением , пренебрегая индуктивностью или емкостью нагрузки, если они у нее имеются.
Обозначение напряжений на схеме
Минусовая шина питания на схеме является землей, т.е. считается, что на ней находится нулевой потенциал. Если указано напряжение в какой-либо точке схемы, например, напряжение на коллекторе транзистора , то подразумевается напряжение в этой точке относительно земли, т.е. относительно минусовой шины питания.
Последовательное и параллельное соединение резисторов
Последовательное соединение резисторов можно заменить одним резистором с эквивалентным сопротивлением равной сумме всех резисторов в цепочке:

Эквивалентное сопротивление подключенных параллельно резисторов удовлетворяет соотношению: :

Можно сказать, что при параллельном соединении складываются проводимости резисторов (проводимость — это величина, обратно пропорциональная сопротивлению и показывающая насколько хорошо резистор проводит ток). Можно явно выразить через сопротивления остальных резисторов. В частности, для двух параллельно подключенных резисторов получается следующая формула:
Поскольку параллельное соединение резисторов встречается довольно часто, то для обозначения их эквивалентного сопротивления используют символ ||. Например, для двух резисторов:
При последовательном соединении общее сопротивление всегда больше, а при параллельном соединении всегда меньше, чем у любого из резисторов в отдельности.
Краткое описание
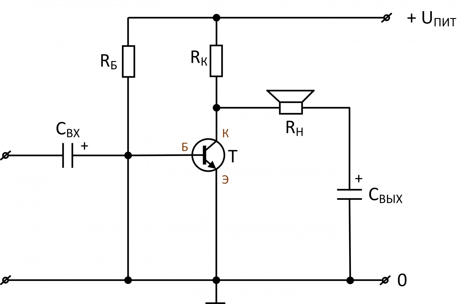
Один из недостатков простейшего усилителя заключался в том, что через динамик в отсутствие входного сигнала протекал ток, равный . Для устранения данного недостатка мы вместо динамика поставим резистор
, а динамик подключим через разделительный конденсатор
.
Конденсатор блокирует прохождение постоянной составляющей коллекторного тока через динамик, и в отсутствие входного сигнала ток через динамик протекать не будет. Здесь используется тот же прием, при помощи которого мы сдвигали входное напряжение на базе транзистора при помощи разделительного конденсатора
. Напряжение на динамике повторяет переменную составляющую напряжения на коллекторе транзистора, как показано на рисунке:

Нетрудно заметить, что напряжение на коллекторе транзистора, а, следовательно, и на динамике находится в противофазе с напряжением на резисторе , а значит и входным напряжением. Таким образом, у нас получился инвертирующий усилитель.
Для переменных составляющих плюсовая шина питания замкнута на минусовую шину питания, поэтому динамик можно подключить не к минусовой, а к плюсовой шине питания (не забыв поменять положительный и отрицательный выводы конденсатора местами):

Расчет параметров усилителя
Коэффициент усиления
Посмотрим более внимательно на коллекторную цепь усилителя, состоящую из резистора , динамика
и конденсатора
. С точки зрения постоянных составляющих токов и напряжений конденсатор
является разрывом цепи и нагрузкой транзистора оказывается только резистор
.
С точки зрения переменных составляющих конденсатор и источник питания можно заменить проводниками. Резистор
и динамик
оказываются подключенными параллельно друг другу, и для переменных составляющих нагрузкой транзистора оказывается сопротивление, равное
, меньшее, чем просто
.
Для расчета усиления нашего усилителя нужно брать нагрузку транзистора для переменных составляющих, поскольку нас интересует именно переменные составляющие выходного сигнала. Используя формулу из анализа простейшего усилителя получаем, что усиление модернизированного усилителя равно отношению нагрузки усилителя для переменных составляющих к дифференциальному сопротивлению транзистора:
Однако само дифференциальное сопротивление транзистора определяется в основном постоянным током, протекающим через транзистор, т.е. сопротивлением .
В отсутствие динамика модернизированная схема совпадает со схемой простейшего усилителя и имеет коэффициент усиления равный . Добавление динамика приводит к падению сопротивления нагрузки транзистора для переменных составляющих в
раз, и во столько же раз падает коэффициент усиления. Таким образом, коэффициент усиления оказывается равным:
Коэффициент усиления модернизированного усилителя оказывается меньше чем у простейшего усилителя и приближается к последнему при .
Выходное сопротивление
Можно усилитель и динамик рассмотреть как отдельные устройства. При очень большом сопротивлении динамика коэффициент усиления усилителя равен
. При уменьшении сопротивления динамика коэффициент усиления уменьшается в
раз. Это соответствует усилителю с коэффициентом усиления
и выходным сопротивлением
. При подключении динамика его сопротивление и выходное сопротивление усилителя образуют делитель напряжения и напряжение на динамике оказывается меньше
раз:

Амплитуда выходного сигнала
Можно предположить, что максимальная амплитуда напряжения на динамике останется, как и у простейшего усилителя, равной половине напряжения питания. Однако это не так. Наличие резистора приводит к более раннему «обрезанию» выходного сигнала сверху, при напряжении
:

По этой причине можно считать, что максимальная амплитуда выходного сигнала равняется , поскольку при превышении этого напряжения возникают совершенно недопустимые искажения.
Для удобства расчета напряжения давайте поменяем динамик и конденсатор
местами. Очевидно, такая замена никак не повлияет на прохождение тока через конденсатор и динамик и на падения напряжений на них:

В отсутствие входного сигнала конденсатор зарядится до напряжения, равного напряжению на коллекторе транзистора , т.е. в нашем случае до половины напряжения питания. При достаточно большой емкости конденсатора он не будет успевать перезаряжаться при колебаниях выходного сигнала, и его можно считать батарейкой, выдающей напряжение
. Эквивалентная схема усилителя при этом будет выглядеть следующим образом:

Напряжение на правом по схеме выводе динамика будет равно половине напряжения питания. Напряжение на левом выводе будет совпадать с напряжением на коллекторе транзистора. При отсутствии входного сигнала напряжение на обоих выводах динамика совпадает, и ток через него не течет, как и должно быть.
Теперь выясним какое максимальное напряжение можно получить на динамике. Максимальное напряжение на динамике будет когда транзистор полностью закрыт. При этом левый по схеме вывод динамика оказывается подключен к плюсовой шине питания не напрямую, а через резистор . Из-за этого напряжение на левом выводе динамика будет несколько меньше напряжения питания. При закрытом транзисторе резистор
и динамик образуют делитель напряжения, как показано на рисунке:

В результате, на динамике падает напряжение, равное:
Данный результат можно отобразить визуально. Для это нам понадобится нарисовать зависимость коллекторного тока от напряжения на коллекторе транзистора
. Рассмотрим сначала как выглядит данная зависимость в отсутствие динамика. В отсутствие динамика данная зависимость (зеленая линия) выглядит следующим образом:

Напряжение на резисторе равно
, поэтому напряжение на коллекторе транзистора равно
=
. Это уравнение прямой. При увеличении тока коллектора увеличивается падение напряжения на резисторе
и, соответственно, уменьшается напряжение на коллекторе транзистора. Наклон зеленой линии определяется сопротивлением резистора
: чем меньше сопротивление резистора
, тем больше наклон. В отсутствие входного сигнала рабочая точка усилителя (т.е. ток коллектора и напряжение на коллекторе транзистора) находится в середине зеленой линии в точке
.
При изменении коллекторного тока рабочая точка смещается вдоль зеленой линии. При уменьшении коллекторного тока рабочая точка сдвигается вправо вниз и при нулевом коллекторном токе достигает напряжения . Наоборот, при увеличении тока
рабочая точка сдвигается влево вверх.
При колебаниях входного сигнала меняется коллекторный ток, и рабочая точка усилителя «бегает» около точки вдоль зеленой линии. Видно, что максимальное и минимальное значения напряжения, которые может принимать коллектор транзистора равны
и 0 соответственно.
При подключении динамика поведение постоянных и переменных составляющих коллекторного тока и напряжения оказывается различным:

Зависимость для постоянных составляющих тока и напряжения (зеленая линия) не меняется, поскольку конденсатор на пропускает через себя постоянный ток. В отсутствие входного сигнала усилитель по-прежнему находится в рабочей точке .
Однако, для переменных составляющих динамик оказывается подключен параллельно резистору . При этом общее сопротивление резистора
и динамика падает, и линия отображающая зависимость переменных составляющих тока и напряжения оказывается с большим наклоном чем ранее. Эта линия обозначена синим цветом. Видно, что при этом она пересекает ось нулевого тока при меньшем напряжении, чем
. Чем больше наклон синей линии, т.е. чем меньше сопротивление
, тем меньше максимальное напряжение на коллекторе транзистора и тем меньше максимальное напряжение выходного сигнала
.
Чтобы амплитуда выходного сигнала была как можно больше, резистор желательно сделать как можно меньше по сравнению с
(чтобы синяя линия приближалась к зеленой). Однако при уменьшении сопротивления
неминуемо увеличивается ток коллектора, а значит и потребляемая мощность усилителя.
Выходная мощность
Выходная мощность усилителя определяется амплитудой выходного сигнала и оказывается меньше, чем у простейшего усилителя за счет «обрезания» выходного сигнала сверху:
Соответственно, динамик должен быть рассчитан на данную мощность.
Потребляемая мощность
Потребляемая мощность усилителя примерно равна:
где — постоянная составляющая тока коллектора, равная
. Данная мощность делится примерно поровну между резистором
и транзистором. Каждый из них должен быть способен рассеивать половину вышеуказанной мощности.
КПД
КПД усилителя, т.е. отношение выходной мощности к потребляемой получается равным:
Максимальный КПД усилителя достигается при =
и получается равным 1/16 = 6.25%. Видно, что даже максимальный КПД нашего усилителя достаточно мал. При уменьшении
размах выходного сигнала будет расти, однако еще быстрее будет расти потребляемая мощность усилителя. При увеличении сопротивлении
потребляемая мощность уменьшится, но также и сильно снизится амплитуда выходного сигнала. При равных сопротивлениях
и
максимальная амплитуда выходного сигнала равна
, т.е. в два раза меньше, чем у простейшего усилителя.
Конденсатор
Сопротивление конденсатора на самых низких слышимых частотах должно быть сильно меньше сопротивления нагрузки. Из этого условия получаем требование к емкости выходного конденсатора:
Выводы
Подключение динамика через разделительный конденсатор позволяет решить одну из важнейших проблем простейшего усилителя — протекание постоянного тока через динамик. Однако достигается это ценой снижения коэффициента усиления, выходной мощности и КПД усилителя.
Выбор резистора — это всегда компромисс, поскольку улучшая одни параметры усилителя мы ухудшаем другие и наоборот. При подключении к усилителю нагрузки с малым сопротивлением, разумным выбором сопротивления
может быть величина, близкая к сопротивлению нагрузки. Тем самым мы максимизируем КПД усилителя и обеспечиваем оптимальное, насколько это возможно, соотношение между выходной и потребляемой мощностью.
Если используется нагрузка с большим сопротивлением (скажем, несколько кОм), например, высокоомные наушники или последующие каскады, то можно выбрать резистор с сопротивлением много меньшим
, но тем не менее достаточно большим, чтобы усилитель не потреблял много энергии (например, несколько сотен Ом). При таком выборе резистора
коэффициент усиления и выходная мощность будут лишь немного меньше, чем у простейшего усилителя. Низкий КПД усилителя не будет ощущаться из-за достаточно большого сопротивления резистора
и малых токов, протекающих в усилителе.
В данном усилителе остаются другие недостатки простейшего усилителя, а именно: большие нелинейные искажения и зависимость рабочей точки усилителя (напряжения на коллекторе транзистора в отсутствие сигнала) от конкретного транзистора и его температуры. Для устранения данных недостатков необходима дальнейшая модернизация усилителя.
Автор: andrew526d
