Привет! Прибор, который мы сегодня изучим и соберём, снабжён четырёхразрядным цифровым индикатором и предназначен для работы с электрическими сигналами произвольной формы, имеющими частоту от 10 Гц до 10 кГц и амплитуду от 300 мВ до 3 В.
В качестве эталонной частоты он использует 50 герц электросети. Не считая стабилизатора питания, частотомер построен на 14 микросхемах стандартной логики.
Для чего применяются частотомеры? — Например, в качестве цифровой шкалы для радиоприёмника, радиопередатчика или генератора сигналов. А ещё для настройки музыкальных инструментов. Тахометры и спидометры — это тоже частотомеры, как и измерители пульса. И это только несколько примеров.
▍ Какие бывают частотомеры?
Вибрационный частотомер представляет собой гармонику, то есть, набор упругих элементов (язычков или пластинок), настроенных на определённые резонансные частоты. Как в губной гармошке, аккордеоне или баяне.

Входной сигнал поступает на электромагнит, переменное магнитное поле которого возбуждает вынужденные колебания язычков. Наибольшая амплитуда механических колебаний будет у того язычка, который настроен на частоту, ближайшую к частоте входного сигнала.
Вибрационные частотомеры применяются чаще всего для контроля частоты электросети переменного тока. Ими часто комплектуются портативные генераторы с двигателями внутреннего сгорания. Подача топливной смеси в таких генераторах регулируется стабилизатором частоты вращения коленчатого вала. Отклонение частоты вырабатываемого тока свидетельствует о перегрузке или неисправности генератора.
Работа резонансного частотомера, в отличие от вибрационного, основана на использовании явления электрического, а не механического резонанса. В таких приборах применяются колебательные контуры из ёмкости и индуктивности, объёмные волноводы или плоские четвертьволновые линии, к которым подключается гальванометр. Угол отклонения стрелки последнего свидетельствует о точности настройки входного сигнала на эталонную частоту.
Гетеродинный частотомер измеряет не амплитуду вынужденных колебаний в резонансном контуре, а частоту биений, образующихся при смешении входного сигнала с синусоидой от измерительного генератора (гетеродина). Частоту последнего перестраивают до получения нулевых биений, и по шкале гетеродина определяют входную частоту.
Конденсаторный частотомер относится к классу устройств на переключаемых конденсаторах, подобно аналоговым линиям задержки (bucket brigade delay) и безындуктивным преобразователям напряжения, таким, как MAX1044, применённый в легендарной гитарной педали Klon Centaur.
Измерительный конденсатор в таком частотомере заряжается от источника стабилизированного напряжения и разряжается на микроамперметр через электронный переключатель (мультиплексор), управляемый напряжением входного сигнала.
Величина электрического заряда конденсатора является произведением его ёмкости на разность потенциалов между обкладками, Так как в данном случае напряжение и ёмкость являются константами, при каждом переключении через микроамперметр будет протекать одинаковый заряд.
Число переключений за единицу времени, равное частоте управляющего сигнала, будет определять силу тока, а следовательно, и угол отклонения стрелки микроамперметра.
Аналоговый частотомер имеет похожий принцип работы, но там измерительный конденсатор частотнозависимой RC-цепи заряжается нестабилизированным напряжением источника питания, а непосредственно входным сигналом. Сила тока в такой цепи пропорциональна не только частоте, но и амплитуде сигнала.
Чтобы учесть амплитуду входного сигнала, в аналоговом стрелочном частотомере используется логометр — дифференциальный магнитоэлектрический гальванометр, в котором крутящие моменты двух рамок направлены противоположно.

Угол поворота стрелки логометра зависит от отношения сил токов в подвижных обмотках. Благодаря этому, аналоговый частотомер можно сделать полностью пассивным. Он не нуждается в источнике питания, так как не содержит усилительных и переключающих элементов (транзисторов, микросхем или радиоламп).

Такие приборы просты и очень надёжны, поэтому их можно встретить на приборных панелях самолётов и вертолётов.
▍ Частотомер на счётчике импульсов
И наконец, электронно-счётный частотомер преобразует входной сигнал в импульсы прямоугольной формы, которые подсчитываются микроконтроллером или логической схемой.
Один из простейших вариантов такого прибора мы уже собирали. Он полностью работоспособен, но имеет два серьёзных недостатка.

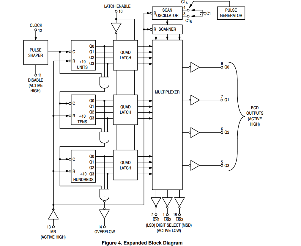
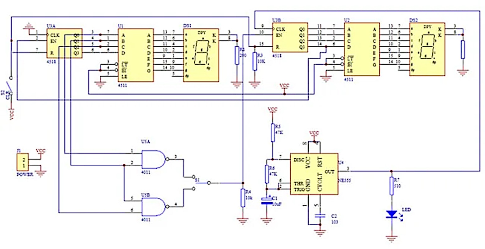
Электронно-счётный частотомер должен иметь источник эталонной частоты, а точнее, эталонного времени, в течение которого производится подсчёт числа импульсов. Далее, это число следует запомнить в электронной памяти и вывести на цифровой индикатор. После чего процесс должен повторяться.
В предыдущем варианте частотомера этот алгоритм реализовывался командным аппаратом, построенным на восьми диодах 1N4148 и десятичном счётчике-дешифраторе CD4017 (К561ИЕ8).
Это одна из любимых микросхем электронных самодельщиков, включая меня и авторов множества радиоконструкторов. В частности, на CD4017 собраны секундомер со светодиодным циферблатом, электронный кодовый замок, световые эффекты для музыкальных шкатулок и разнообразные бегущие огни.

Эта микросхема является электронным аналогом декадного шагового искателя, применявшегося в автоматических телефонных станциях для декодирования импульсов с номеронаберателя вызывающего абонента.
Принцип работы декадного счётчика-дешифратора прост: каждый тактирующий импульс на входе CP IC4A перемещает логическую единицу на выход Q0..Q9, следующий за текущим. На остальных девяти выходах присутствует логический ноль.

Задающим генератором эталонного времени служит микросхема CD4060, являющаяся двоичным счётчиком-делителем частоты со встроенным генератором и способная работать с кварцевой стабилизацией частоты.
Часовой кварцевый резонатор Y1 настроен на частоту 32768 герц. На выходе Q14 микросхемы IC2A, делённая на два четырнадцать раз, то есть, на 16384. А 32768 — это два в пятнадцатой степени. Получаются прямоугольные импульсы частотой 2 герца, тактирующие счётчик-дешифратор CD4017 через его вход СР.
Когда логическая единица присутствует на выходе Q0, оба двоично-десятичных счётчика CD4553 (К561ИЕ22) IC1 и IC5 сбрасываются и находятся в состоянии сброса полсекунды. Все шесть семисегментных светодиодных индикаторов DS1..DS6 показывают нули.
Далее в течение одной секунды счётчики считают импульсы, а показания на индикаторах увеличиваются. После чего логическая единица доходит до Q3, подсчёт импульсов останавливается, и пользователь может наблюдать измеренное значение входной частоты в течение трёх с половиной секунд, пока логическая единица не перейдёт с Q9 на Q0, вызывая очередной сброс счётчиков.
Для какой-нибудь художественной инсталляции в стиле научной фантастики это было бы просто прекрасно. Но непрактично для измерительного прибора: частота обновления показаний чересчур низка, да ещё и наблюдать их можно только три с половиной секунды из пяти секунд рабочего цикла.
На первый взгляд, данный недостаток является платой за экономию компонентов. Один корпус двоично-десятичного счётчика CD4553 позволяет не только считать от 000 до 999, но и осуществлять динамическую семисегментную индикацию с использованием всего одного дешифратора CD4511 (К561ИК2) на целых три десятичных разряда!
Микросхема К561ИЕ22 содержит раздельные счётные триггеры и регистры-защёлки, но вход общего сброса у неё всего один. Однако он сбрасывает только счётные регистры и регистр выбора разряда динамической индикации, оставляя содержимое регистров-защёлок нетронутым, если на входе разрешения защёлкивания LATCH ENABLE присутствует логическая единица.

Таким образом, можно сделать процесс нарастания числа подсчитанных импульсов и его сброса невидимым для пользователя, защёлкивая готовый результат измерения и затем сбрасывая счётные триггеры за промежуток времени, значительно более короткий, чем время подсчёта импульсов.
Зато пятисекундный алгоритм работы позволяет продемонстрировать принцип работы электронно-счётного частотомера максимально наглядно. Именно поэтому разработчики вышеупомянутого радиоконструктора остановились на данном варианте.
▍ Изучаем схему
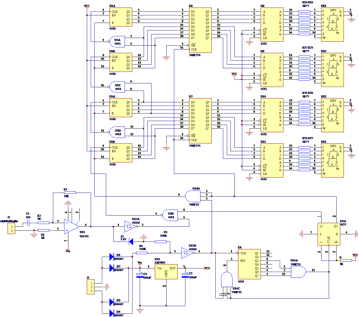
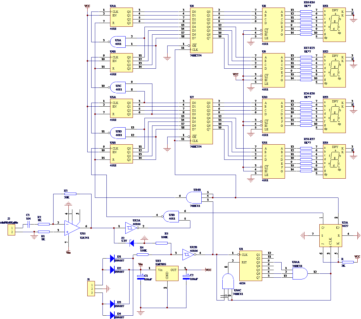
А сегодняшний частотомер реализует более практичный и удобный для пользователя алгоритм работы. Вот его принципиальная схема.

Начнём со схемы питания. Кремниевые диоды D2 и D3 образуют выпрямительный полумост, питающийся от 12-вольтовой обмотки сетевого трансформатора с отводом от средней точки. Электролитический конденсатор С1 служит фильтром питания, сглаживая пульсации напряжения на выходе выпрямителя.
Далее следует стабилизатор напряжения U13, представляющий собой микросхему LM7805 (КР142ЕН5А). Можно сказать, без преувеличения, что это одна из самых распространённых и популярных микросхем во всём мире. На выходе U13 стоит второй электролитический конденсатор С2.
Добавлением керамических конденсаторов в помощь электролитам, а также параллельно выпрямительным диодам, авторы схемы не озаботились. Частотомер прекрасно работает и без этих «излишеств».
Ещё один полумост на диодах D1 и D4 служит для формирования пульсирующего напряжения частотой 100 герц. Да, именно 100 герц, а не 50, поскольку двухполупериодный выпрямитель «переворачивает» нижнюю полуволну вверх, и в одном периоде исходного колебания содержится два периода преобразованного. То есть, произошло удвоение частоты.

С выхода резистивного делителя напряжения R4R5 пульсирующее напряжение частотой 100 Гц поступает на вход инвертирующего триггера Шмитта U12B микросхемы CD40106, служащего формирователем тактовых импульсов нашего частотомера.
Сформированные тактовые импульсы приходят на счётный вход микросхемы U1 — семиступенчатого счётчика-делителя частоты CD4024 (К176ИЕ1).

Далее мы имеем ячейку дешифратора, построенного на трёхвходовом логическом элементе И U14A микросхемы 74HC11 (К1564ЛИ3). Логическая единица на выходе этого элемента будет при условии двоичного числа 1100100b = 64 + 32 + 4 = 100 на выходе микросхемы CD4024.
Получается генератор эталонной частоты 100 / 100 = 1 герц, выдающий один импульс в секунду. Когда на выходе U14A установилась логическая единица, следующий 100-герцовый импульс с U12B сбросит U1 на ноль, благодаря работе логического элемента 3И U14C, использованного в качестве 2И.
Для этого входы 9 и 10 микросхемы U1 соединены параллельно. С таким же успехом можно было бы подключить один из них к плюсу питания, но в случае соседних выводов их проще, удобнее и логичнее просто соединить короткой дорожкой на печатной плате.
Далее секундные импульсы поступают на тактирующий вход синхронного JK-триггера U2A микросхемы CD4027 (KР561ТВ1). Его асинхронные входы установки и сброса не используются, и поэтому соединены с землёй схемы. Таблица истинности для такого JK-триггера выглядит следующим образом.

Входы J и K подключены к плюсу питания через необязательный двухкилоомный резистор R, вместо которого в комплектации набора присутствовал резистор номиналом 1 кОм, что никак не влияет на работу схемы. Можно было бы просто впаять перемычку.
Согласно таблице истинности, при таком подключении входов каждый положительный фронт тактирующего импульса будет изменять состояние инвертирующего и неинвертирующего выходов синхронного JK-триггера на противоположное. Иными словами, получился ещё один делитель частоты на два.
▍ Счётчик импульсов
Собственно подсчёт импульсов с измерительного входа частотомера и индикация результата производится точно такой же комбинацией сдвоенных двоично-десятичных счётчиков CD4518 и дешифраторов для семисегментного индикатора CD4511, как в олдскульных электронных часах, верно служащих мне уже два года.

А для обработки переполнения десятичного разряда использованы логические элементы 2И-НЕ микросхемы CD4011 (К561ЛА7), как в минутном таймере с семисегментными индикаторами.

На самом деле, данное схемотехническое решение является избыточным. Без элементов U3A, U3C и U3D можно было бы обойтись, просто соединив выход старшего бита предыдущего десятичного разряда с тактирующим входом следующего.
Тогда при переполнении и самосбросе из 9 = 1001b в 0 = 0000b нисходящий фронт тактового импульса вызовет инкремент старшего разряда. Именно так сделано и в электронных часах, и в минутном таймере.

Ячейки дешифратора на логических элементах требуются в тех случаях, когда необходимо осуществить перенос в следующий разряд и сброс текущего разряда после достижения им цифры, отличной от 9. При счёте минут и секунд это цифра 6 в старшем разряде, а при счёте часов — число 12 или 24, в зависимости от регионального формата времени.
Видимо, авторы схемы частотомера решили найти применение трём неиспользуемым элементам микросхемы CD4011 и дать обучающимся, собирающим конструктор, лишний повод задуматься.
▍ Формирователь импульсов
Входной сигнал поступает в прибор через разделительный конденсатор С3, отсекающий постоянную составляющую, и передаётся инвертирующему усилителю c коэффициентом передачи -20, собранному на операционном усилителе (ОУ) U15.
Последний питается не с выхода LM7805, а от двухполупериодного выпрямителя, поэтому на выход ОУ добавлен стабилитрон Z2, ограничивающий выходное напряжение на уровне 5.1 В.
Между выходом ОУ и анодом стабилитрона не предусмотрено токоограничивающего резистора, что следовало бы считать недоработкой авторов, если бы микросхема µA741 не допускала продолжительной работы в условиях короткого замыкания выхода.

Типичный ток короткого замыкания выхода этого операционного усилителя составляет 25 мА, максимальный — 40 мА, что соответствует мощности тепловыделения на стабилитроне от 128 до 204 мВт и вполне допустимо для полуваттного стабилитрона в корпусе DO-35.

Ограниченный стабилитроном сигнал поступает на вход инвертирующего триггера Шмитта, выход которого подключён к нижнему по схеме входу элемента 2И-НЕ U3B.
▍ Алгоритм работы частотомера
Чтобы счётчик U5B получил нисходящий фронт тактирующего импульса и произвёл инкремент своего содержимого, на оба входа U3B должны прийти логические единицы. То есть, необходима логическая единица на неинвертирующем выходе Q триггера U2A.

Подсчёт импульсов, сформированных из входного сигнала, происходит в течение одной минуты, после чего U2A переключается в логическую единицу на инвертирующем входе ¬Q.
Получится нарастающий фронт импульса на тактирующих входах CLK микросхем U6 и U7. Тогда эти восьмиразрядные регистры-защёлки 74HC374 (К1564ИР23) считают и запомнят данные с выходов счётчиков. Далее эти данные будут отображаться семисегментными индикаторами через дешифраторы CD4511.
Следующий положительный фронт 100-герцового импульса попадёт на нижний по схеме вход элемента И U14B, логическая единица с выхода которого вызовет сброс всех четырёх счётчиков.
И эти сбросы будут продолжаться, пока не пройдёт ещё одна секунда. U2A переключится в состояние логической единицы, и рабочий цикл частотомера начнётся заново.
▍ Заработало!
Данный радиоконструктор не содержал ошибок на печатной плате, и частотомер заработал сразу при первом включении после сборки. Это можно наблюдать на видео.
Получился частотомер без лишних мельканий цифр, обновляющий показания индикаторов достаточно оперативно. То есть, пригодный к практическому применению, в отличие от версии из предыдущего радиоконструктора.
Автор: Гитарная электроника
