В ходе разработки элементов радиолокационной станции (да и какой угодно электроники) перед нашими инженерами часто стоит необходимость дотошно прочесывать эксплуатационную документацию (datasheet) на то или иное изделие, будь то микросхема, модуль, сборка или даже блок. Среди наших коллег из цифрового мира и мира низкочастотной аналоговой техники водится суждение о неполноте документации большинства топовых производителей электронных компонентов (элементной базы). В СВЧ элементной базе дело обстоит еще хуже. Производитель какого-нибудь операционного усилителя (например Analog Devices — AD8027) хотя бы удосуживается привести подробное описание параметров (с учетом разницы моделей), несколько вариантов включения, графические зависимости для каждого варианта и т.п. Безусловно, информации бывает недостаточно. Порой неожиданности и сюрпризы не находят объяснения ни в каких описаниях и документах. Но если взять какой-нибудь компонент из семейства высоких частот, то при первых же включениях вылезают целые комплексы проблем и заморочек.
Детально эксплуатационная документация должна состоять из нескольких разделов. Как правило это:
- Внешний вид изделия (возможные варианты корпуса), название, тип, краткое описание функционала, функциональная схема, распиновка;
- Значение типовых параметров, присущих всем компонентам данного класса (туда же потребляемый ток при заданном напряжении питания);
- Тестовые параметры (приветствуется как можно более подробное описание всех значений, что за ними кроется) при различных конфигурациях включения;
- Графические зависимости для как можно большего числа характеристик;
- Максимально допустимые значения параметров элемента (предельное напряжение питания, входная мощность и т.п.);
- Подробное описание пинов/портов с указанием функционала, эквивалентной схемы, входного/выходного сопротивления, рекомендованного обвеса, подтяжки;
- Рекомендованные схемы включения с указанием принципа расчета обвеса (делителей напряжения, внешних фильтров и т.п.) и подробным описание принципа работы;
- Варианты топологий тестовых печатных плат с указанием тонкостей трассировки (например предпочтительное расстояние между проводниками или элементами обвеса, размеры посадочной площадки, защитная зона для монтажа, теплоотвод);
- Комплектации, типы корпусов с размерами, различие индексов/префиксов;
- Разумеется, грамотный инженер способен многое из написанного самостоятельно додумать и принять наиболее правильный алгоритм работы с компонентом. Набранный опыт позволяет экономить время на прочтении всей документации, акцентировать внимание лишь на самых важных моментах.
В СВЧ технике часто случались курьезы, когда следование всем рекомендациям даташита не приводило к работоспособности изделия. Отсутствие опыта в работе с изделием выливается в многодневные поиски решений, кооперации с другими потребителями компонента, безрезультатные звонки местному представителю производителя. Все ради одной единственной микросхемы. Особо отличилась в плане невежества при написании даташитов компания Hittite Microwave corp. Недавнее поглощение корпорации Hittite корпорацией AD вселило в разработчиков надежду о переменах к лучшему. Но не тут-то было. Изменения в даташитах ограничились появлением нового титульного листа с изображением фирменного логотипа и названия Analog Devices.
Проблемы управляемого усилителя мощности (УУМ) HMC996LP4 вылились в две недели потерянного времени, бессонные ночи, горящие сроки и другие сопутствующие неприятности. Вот одна из проблем:

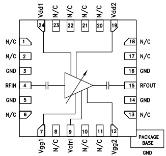
Представленная в dtsh таблица демонстрирует напряжения для включения УУМ. Если пошерстить документ, то увидим кучу зависимостей от напряжения управления. Ничего про Vgg и Vcc нет и в помине. А вот функциональная схема в упрощенном виде:

Из схемы не видно куда же в действительности подключены те самые Vgg и Vcc. Вот и предположили, связав работу УУМ с полевым транзистором, что Vcc — напряжение питания, Vgg — смещение.
Вот что видим в тестовых параметрах:
и сноска: *Set Vctrl = -4.5V and then adjust Vgg1, 2 between -2V to 0V to achieve Idd = 120 mA typical.
Таким образом мы вынуждены сначала изготовить макет, проверить его, подобрать нужное напряжение смещения (при открытом транзисторе, кстати говоря, схема просаживается в КЗ, а это в оконечном изделии может вылиться в непредсказуемый выход из строя других компонентов или, как минимум, к их деградации), только потом вставлять УУМ в наш проект. Де-факто расходы на проект увеличиваются, так как макет должен быть максимально приближен конструктивно к готовому изделию (иначе конфигурация включения СВЧ компонента может измениться).
Многократное издевательство над данным УУМ показало в целом повторяемость конфигурации включения. Почему же нельзя было представить её в документе? Разве что вынудить потребителя покупать отладочную плату (она, кстати, стоит очень дорого).
Еще один интересный момент. Вот графические зависимости коэффициента усиления от частоты при различных напряжениях управления:

Вот так встреча. Допустим, нам критически важна неравномерность амплитудно-частотной характеристики (АЧХ) в части X-диапазона — разброс коэффициента передачи в полосе частот не должен превышать к примеру 1 дБ. Остается загадкой, что можно понять из такого графика, т.к. он явно сглажен в целях масштабирования. Выходит, покупая микросхему, мы уже рискуем попасть в неловкую ситуацию, когда изделие нам заведомо не подходит.
В итоге мы покупаем УУМ на свой страх и риск, разрабатываем и изготавливаем макетную плату, проводим монтаж и измерения.


На графиках представлены коэффициент передачи в режиме максимального усиления, КСВН по входу/выходу.
Напряжение смещения было подобрано -0.8 В. Коэффициент шума, кстати, очень-очень зависит от качества источников питания. Типовое значение Кш=3.5 дБ для данных частот (а не 2 дБ, как указано в dtsh).
Ну и последняя тонкость: двухкаскадное (и более) включение из таких вот усилителей склонно к неустойчивой работе. Проблема решается разнесением усилителей на почтительное расстояние, экранированием каскадов.
Автор: Nortfolk
