Теперь, когда вы прочитали(или не прочитали) всю эту скучную теорию из первой части – займёмся практическими экспериментами. Если у вас в хозяйстве завалялся аналоговый осциллограф, то вы сможете не прилагая почти никаких усилий вывести на него видео.
Структурную схему простенького лазерного проектора вы можете видеть ниже:

Она достаточно примитивна и не содержит системы термостабилизации лазеров, защитного затвора и прочих радостей настоящего проекторостроителя.
Работает эта система следующим образом: В компьютер или в графический контроллер загружаются файлы с векторными картинками/видео в специальном формате. Управляющая программа преобразует эти файлы в поток точек, каждая из которых характеризуется углом отклонения зеркал гальванометров по вертикали и горизонтали, а также мощностью излучения лазеров. ЦАП формирует из этого потока аналоговые сигналы для управления лазерным проектором по стандарту ILDA. Все выходы ЦАП — дифпары, с размахом ±10В для управления гальванометрами и ±5В для драйверов лазеров. Схема управления гальванометрами, получив новые значения углов поворотов от ЦАП моментально изменяет положение зеркал и стабилизирует их на новом месте(гальванометры имеют обратную связь по положению зеркала и шустренький ПИД регулятор). Драйвера обеспечивают на выходе лазерных диодов интенсивность луча, пропорциональную входному напряжению. Лазерные лучи смешиваясь на специальной зеркальной системе попадают на зеркала гальванометров, и на выходе мы имеем рисующий(сканирующий) лазерный луч того цвета и яркости, который только будет нам угоден.
Простейший ЦАП для лазерного проектора
Для сборки и любования этим чудо-агрегатом вам понадобятся:
- Компьютер с ОС Windows и звуковой картой;
- Кусок провода с разъёмом Jack 3.5 от китайских наушников;
- Аналоговый осциллоскоп с возможностью работы в режиме развёртки X/Y;
- Скачать программу sourceforge.net: LFI Player 3D Laser Display Software;
- Файл с лазерным видео: Анимация дельфина Кусочек Bad Apple.
- Распакуйте LFI Player, и отредактируйте в её директории файл EzAudDac.ini под свою систему:
; Пример моей конфигурации, для компьютера с одной звуковой картой [Sound Card Selection] UseCardNumber=1 LowLatencyBuffering=no SampleRate=48000 RepeatFrameWhenOut=no [Channel Invert] X=no Y=no R=yes G=yes B=yes I=yes [Channel Selection] X=1 Y=2 R=0 G=0 B=0 I=0 AL=0 AR=0Параметром UseCardNumber выбираем номер звуковой карты, с которой будем работать.
- Подключите щупы осциллоскопа к выходам левого и правого канала звуковой карты при помощи аудиоразъёма с проводом, переключите осциллоскоп в режим развёртки X/Y
- Запустите LFI_Player_V1_1_6_EzAudDAC.exe, откройте в ней файл ILD, и нажмите Play. На осциллографе вы сможете наблюдать векторную анимацию.
Должно получиться что-то вроде этого:
Картинка слегка искажена из-за наличия разделительных конденсаторов на выходе ЦАП звуковой карты, которые не пропускают постоянную составляющую. Если их убрать, и добавить простейший усилитель на ОУ(слегка изменённый выходной каскад из схемы ниже), вы получите полноценный ЦАП для лазерной графики. Единственный его недостаток — небольшие частоты дискретизации, которые не позволят вам рисовать сложные многоэлементные картины или растр.
Высокоскоростной ЦАП
Более серьёзный ЦАП, лишённый этих недостатков можно собрать по схемам, приведённым ниже.
Плата ЦАП:

Увеличить
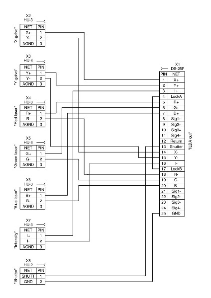
Переходник на стандартный разъём ILDA:

Увеличить
Микроконтроллер DD1 CY7C68013A обеспечивает связь по USB 2.0 и содержит в себе буферы FIFO для эндпоинтов USB. Встроенный в контроллер логический автомат GPIF настраивается так, чтобы не задействуя сам контроллер, по тактовому сигналу мгновенно загружать данные из буфера эндпоинтов в соответствующие ЦАП. Получилось что-то вроде скоростной звуковой карты, с дискретизацией до нескольких мегагерц. Все ЦАПы и источник опорного напряжения были заказаны у Texas Instruments как семплы.
Вот так это выглядит в собранном виде:


Прошивка будет, но чуть позже.
В следующей серии я расскажу вам, как собрать лазерный драйвер с аналоговым управлением.
Автор: IbhSvenssen
