Алгоритм Брезенхема является одним из старейших алгоритмов в машинной графике. Казалось бы, как можно применить алгоритм построения растровых прямых при создании домашней паяльной печи? Оказывается можно, причем с очень достойным результатом. Забегая вперед, скажу, что данный алгоритм очень хорошо скармливается маломощному 8-битному микроконтроллеру. Но обо всем по порядку.
Алгоритм Брезенхе́ма — это алгоритм, определяющий, какие точки двумерного растра нужно закрасить, чтобы получить близкое приближение прямой линии между двумя заданными точками. Суть алгоритма заключается в том, чтобы для каждого столбца X (см. рисунок) определить какая строка Y ближе всего к линии, и нарисовать точку.
Теперь посмотрим как подобный алгоритм поможет нам при управлении ТЭНами в электропечи.
ТЭН питается от сетевого напряжения 220В/50Hz. Взглянем на график.

При подаче такого напряжения в чистом его виде на вход электронагревателя мы получим на выходе 100% мощность нагрева. Все просто.

Что будет если подать на вход ТЭНа только положительную полуволну сетевого напряжения? Правильно, мы получим 50% выходной мощности нагрева.

Если подать каждую третью полуволну, мы получим 33% мощности.
В качестве примера возьмем 10% градацию выходной мощности и временной отрезок в 100мс, что равносильно 10 полуволнам сетевого напряжения. Нарисуем сетку 10х10 и представим, что ось Y это ось значений выходной мощности. Проведем прямую от 0 до необходимого значения мощности.

Прослеживаете зависимость?
Увеличив временной отрезок до 1 сек, можно получить градацию выходной мощности в 1%. Получится сетка 100х100 со всеми вытекающими.
А теперь о приятном:
Алгоритм Брезенхема можно построить в цикле таким образом, чтобы на каждом шаге по оси X просто отслеживать значение ошибки, которое означает — вертикальное расстояние между текущим значением y и точным значением y для текущего x. Всякий раз, когда мы увеличиваем x, мы увеличиваем значение ошибки на величину наклона. Если ошибка превысила 0.5, линия стала ближе к следующему y, поэтому мы увеличиваем y на единицу (читай — пропускаем одну полуволну напряжения), одновременно уменьшая значение ошибки на 1.
Такой подход легко сводится к циклическому целочисленному сложению (об этом позже, при описании алгоритма работы МК в следующей статье), что несомненный плюс для микроконтроллеров.
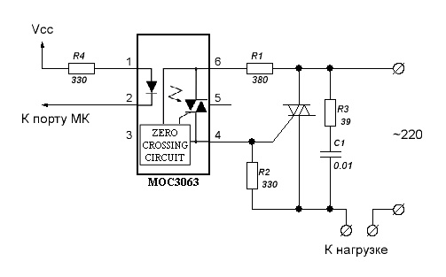
Я намеренно не стал грузить вас формулами. Алгоритм элементарный, легко гуглится. Я лишь хочу показать его возможность применения в схемотехнике. Для управления нагрузкой будет использоваться типовая схема подключения симисторной оптопары MOC3063 с детектором нуля.

При таком подходе есть ряд преимуществ.
- Минимальные помехи в сети из-за частых коммутаций большой нагрузки, включение/выключение будет происходить в моменты перехода напряжения через ноль.
- Очень простой алгоритм — все вычисления сводятся к работе с целыми числами, что хорошо для микроконтроллера.
- Нет необходимости городить детектор перехода напряжения через ноль (привет MOC3063). Даже если МК будет просто дергать ногой по таймеру, открывая оптопару, ошибка будет не критичной.
Продолжение следует.
Автор: oWart
