Знаю, ёлочные гирлянды на ардуино и адресных светодиодах уже порядком поднадоели. Время исправить это положение. Как насчёт собрать гирлянду, которая мигает так, как не может ни одна другая, да ещё и без использования микроконтроллеров и даже микросхем логики?
Давным-давно мне достался такой девайс как кодовый путевой трансмиттер с железной дороги. Я долго думал, что интересного с ним сделать, и вот наконец догадался до самого необычного его применения, какое можно придумать.

Итак, в сегодняшней статье запустим эту железку и посмотрим на неё в работе. Заодно заставим её коммутировать кое-что совершенно нетрадиционное для такого оборудования и посмотрим, что же из этого выйдет. Традиционно будет много интересного.
❯ Суть такова
Обычно я рассказывал про оборудование, устанавливаемое на подвижном составе, но сейчас наконец пришла очередь стационарных железок.

Если вы сильно интересовались темой железных дорог, то наверняка знаете, что на многих станциях системы сигнализации, централизации и блокировки до сих пор работают на реле. Кое-где внедряются и микропроцессорные устройства, но электромеханические всё ещё продолжают жить. Более того, порой бывает, что непосредственно сама логика схемы выполнена исключительно на реле, а компьютер лишь следит за их работой.

Эти реле устанавливаются в весьма внушительные по размеру стойки (они же стативы), позволяя собирать на них весьма сложные по функционалу схемы (например, построение маршрута нажатием всего пары кнопок на пульте).
Когда-то ко мне в руки попал, пожалуй, самый интересный девайс из области СЦБ: кодовый путевой трансмиттер. По сути это один из самых важных блоков на железной дороге: именно он вырабатывает кодовые последовательности, считываемые устройствами автоблокировки и локомотивной сигнализации. Долгое время он у меня просто лежал, пока однажды не пришла мысль использовать его как автомат световых эффектов. В самом деле, схем различных гирлянд и прочих мигалок на микроконтроллерах уже достаточно, а вот чего-то более тёплого и лампового мы не видели уже давно. Идея мне понравилась, так что было решено попробовать.
❯ Светофоры на ЖД
Понимаю, что многие из читающих это не имеют никакого отношения к железной дороге и какому-либо другому рельсовому транспорту, так что немного рассмотрим, что это за кодовые последовательности и для чего они нужны.

В зависимости от сигнала светофора (зелёный — впереди два и более свободных блок-участков, жёлтый — впереди один свободный блок-участок, красно-жёлтый — впереди красный) в рельсовую цепь подаётся сигнал в виде импульсов переменного тока разной длины. Эти последовательности считываются, в частности, приёмными катушками аппаратуры локомотивной сигнализации, которая декодирует их и отображает показания светофора и передаёт их в другие устройства.
Как нетрудно догадаться, выработкой этих кодов занимается именно КПТШ. До недавнего времени это был чисто механический прибор. Ни единого полупроводника, только трансформатор и мотор, вращающий с постоянной скоростью кулачковый вал, который замыкает контакты. Позже появились и электронные аналоги, но нас они не интересуют.
❯ Обзор оборудования
Перво-наперво взглянем на КПТШ.

А вот и он. Представляет он собой весьма тяжёлый металлический ящик с разъёмом для подключения и двумя ручками.

Заводская табличка.

Снизу отверстие, закрытое металлической сеткой.

С одной из сторон окошко для контроля. Судя по наклейке КИП, последний раз девайс проверялся больше тридцати лет назад, после чего был заменён на другой, долго валялся на складе и наконец был списан. Впрочем, эксплуатируемые сейчас экземпляры нисколько не отличаются по конструкции от этого.
❯ Гирлянда

Очень кстати на опыты досталась вот такая гирлянда. Она довольно свежая (была куплена в начале декабря этого года), но, увы, уже не работает — вышел из строя блок управления.

Впрочем, и до своей безвременной кончины работала она отвратительно: жуткий нагрев зелёной коробочки (грелась градусов до семидесяти сама управляющая микросхема), запах пластика и прочие атрибуты китайской электроники.

Изначальную задумку немного подпортило то, что в гирлянде по факту оказалось два канала. Было бы куда круче подключить красный, жёлтый и зелёный отдельно, но, конечно, что есть, то есть.

Прямо таки эволюция китайских ёлочных украшений. Когда-то давно гирлянды были четырёхканальными (то есть пятипроводными), где коробочка могла управлять каждым цветом. С годами ради экономии такой копеечной детали как тиристор PCR406 число каналов неуклонно падало, эффекты становились всё более куцыми, а для того, чтобы скрыть это, на один провод ставили лампочки или светодиоды разных цветов.

Качество исполнения плохое настолько, насколько оно в принципе может быть плохим. Пластик корпуса, разумеется, не из тех, что не поддерживают горение, поэтому при очень долгой работе такое изделие может вызвать пожар.

Начинка тоже характерная: всего семь деталей, не считая кнопки. Нет даже банального электролитического конденсатора. Ну да ладно, всё равно в ближайшее время плата эта нам не понадобится.
❯ Внутренности
Разумеется, КПТШ я разобрал.

Внутри кожуха ожидаемо ничего интересного.

А вот и начинка.

Поскольку КПТШ может работать как от 220, так и от 110 В, внутри установлен автотрансформатор. Над ним виден пусковой конденсатор.

Заводская табличка на корпусе электромотора. Совсем скоро ему будет пятьдесят лет, но на его состоянии это ничуть не сказалось.

Кулачковый вал.

Те самые контакты (по две пары на каждый код), которые замыкает при вращении кулачковый вал. Для большего срока службы на них имеются вставки из технического серебра.

Синяя изолента — залог успешной и долговечной работы!
❯ Первый запуск
Для начала попробуем просто подать питание и посмотреть, будет ли железка работать после долгих лет простоя. Прокручивание руками вала мотора показало, что ничего не гремит, не заедает и не болтается, так что можно пробовать запускать.
Подключаем 220 В, и девайс оживает. Отлично, можно пробовать подключить к нему лампочки светодиоды.
❯ Подключение

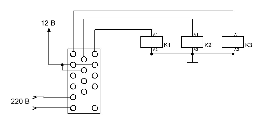
А вот и распиновка разъёма. Здесь всё очень просто: отводы от контактной группы, а также три контакта сети: при работе от 220 В питание подключается к 0 и 220, а от 110 В — к 0 и ОМ.
Стоит учитывать, что КПТШ не рассчитан на коммутацию сетевого напряжения, так что если подключить всё напрямую, то контакты быстро обгорят и девайс сдохнет. Поэтому схема подключения будет вот такая:

Подключил твердотельные реле, чтобы не было искрения, и заизолировал все контакты. Теперь можно проверять.
❯ Что же получилось?
Ну что же, время запускать.
Вот такой необычный эффект получился. К слову, было бы интересно сделать что-то по его мотивам в адресных гирляндах. Но это уже тема для другого проекта.
❯ Вместо итога
Вот таким суровым и довольно интересным по конструкции девайсом оказался КПТШ. Тем необычнее было найденное мной ему применение.
Конечно, показанная тут схема не слишком удобна в использовании (так как требует двух источников питания), но всё же это скорее этакий арт-объект и использовать КПТШ так постоянно я не планировал. Схема же эта успешно поработала пару вечеров, после чего я её разобрал, а оригинальную гирлянду — оживил. Достаточно было пропаять все соединения нормальным оловянно-свинцовым припоем, и она вновь начала гореть. Ну а мне же остаётся надеяться, что вам не придётся поспешно паять в новогоднюю ночь и что ваши железки будут работать ещё долго.
Такие дела.
Читайте также:
- ➤ ЭКЛЗ. Как работали кассы в нулевые
- ➤ Артефакт из прошлого на службе настоящего или как я подключал радиолампу к «Умному дому»
- ➤ Сложно о простом. Самые популярные протоколы и принципы их работы. HTTP, HTTPS, SSL и TLS
- ➤ Что делать, когда хочется взломать пароль, крякнуть сенсор и попробовать Python? Исследуем ёмкостный touch screen
- ➤ Бегущий по флешбэкам
Автор: MaFrance351
