
Да простят меня читатели, но это реплика на реплику. А началось всё с интересной статьи, где автор познакомил нас со своей разработкой на базе ATMega8. Понятно, камень этот избыточен для той задачи, которая была на нем реализована, на что и обратил внимание оппонент.
Но теперь уже у меня засвербило… гм, в ладонях, и я не мог не попытаться вставить свои пять копеек. Я понимаю, настоящая моя заметка для комментария великовата, а на полноценную статью не тянет, но все же попробую.
Пересказывать содержание предыдущих серий смысла нет, кому интересно — я привел ссылки. Перейдем сразу к сути.
Схема на реле, предложенная уважаемым автором, вызвала у меня некое подобие зубной боли. Возможно потому, что в юности довелось иметь дело с декадно-шаговыми и координатными АТС, после чего я на всю жизнь возненавидел реле. Да, релейные схемы — это просто, да, работать они будут даже в условиях ядерного взрыва, но…
Первое но — надежность
Как вы думаете, какие самые ненадежные компоненты электронных схем? Возможно я и ошибаюсь, но по моему опыту это механические контакты и электролитические конденсаторы. Контакты подгорают, окисляются, конденсаторы сохнут. А тут вся схема состоит из контактов и конденсаторов. К тому же в этой схеме полярные конденсаторы включены параллельно обмоткам реле, и в результате при разрыве цепи ЭДС самоиндукции замыкается через что? — правильно — через конденсатор, который в этом случае поработает таким плохоньким диодом. Причем тот оказывается подключенным в обратной полярности. Не думаю, что это пойдет на пользу и так не слишком надежному компоненту.
Второе но — стоимость
Сколько стоит одно реле? Поискав на «Али», ничего приличного дешевле одного американского доллара не нашел. Ладно, пусть я не умею искать, возьмем цену 50 центов. Четыре реле (ведь в оригинальной схеме четыре канала) — уже два бакса. Получается только одни реле будут стоить больше, чем вся комплектуха варианта на микроконтроллере, включая сам микроконтроллер. А если в той схеме еще повыбрасывать лишние детали…
Третье но — расширяемость
А вот скажите мне: что мы будем делать с этой схемой, если понадобится ввести в изделие дополнительную функциональность? Нет, я не прошу играть военные марши, а хотя бы и пискнуть зуммером после истечения времени, которое дается игроку на ответ?
Воооот…
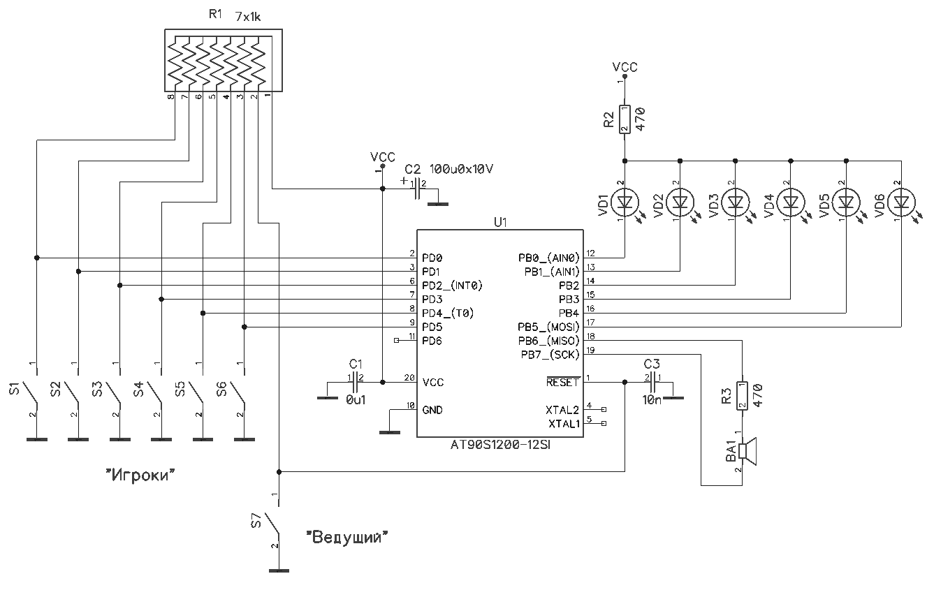
Ладно, это была присказка. А теперь к делу. Смотрите схему. Процитирую: «спаять было быстрее чем рисовать».

Одна условно-бесплатная микросхема, три резистора, три конденсатора. Пьезопищалка. И все, практически. Питать это хозяйство можно от трех элементов AA. Без всяких стабилизаторов. В покое потребляет меньше микроампера (power down mode) — можно отказаться от выключателя — еще один ненавистный контакт.
Контроллер AVR AT90S1200 не потому, что он чем-то хорош, просто у меня после одного из древних проектов их осталось с полведра, а так как он давно снят с производства — сейчас уже никуда его не приткнешь. Только в какую-нибудь самоделку. Поэтому и условно-бесплатный. Но, как верно заметил автор первой статьи, здесь подойдет любой.
Теперь про программу. Так как в этом контроллере ОЗУ нет (от слова вообще), а стек аппаратный и всего лишь трёхуровневый, ни о каких языках высокого уровня речь не идет. Только Ассемблер, только хардкор…
Посадить кнопки на прерывания тоже не получится. Внешнее прерывание только одно, а знатоков за столом шесть. Что ж, будем опрашивать в цикле. Причем опрашивать все одновременно, дабы не было преимущества ни у одного игрока. Время цикла опроса при частоте тактового генератора 1МГц — 6мкс, то есть мы вылавливаем разницу между нажатиями в 6мкс. Если два игрока нажмут кнопку одновременно, ну вдруг, мало ли — будут засвечены два светодиода. Все честно. Хотя, думаю, вероятность такого события будет очень низка. Но все же, если точность определения лидера в 6мкс недостаточна — можно подключить кварц, прошить фьюз и запустить контроллер на частоте 12МГц. В этом случае частота опроса повысится в 12 раз. Ваш К.О.
Дребезг контактов ни на что не влияет, так как мы реагируем на первый же замеченный спад уровня. После этого следует обработка нажатия, и что уже там творится на кнопке — нас не волнует.

Согласен, разные кнопки с разным временем и характером дребезга могут дать кому-то преимущество в микросекунду-другую, но, по-моему, это уже вылавливание блох.
;----------------------------------------------------------------------------
;¦ Title : Своя игра. Пример реализации
;¦ Version : 0.0
;¦
;¦ Last updated : 16.01.16
;¦ Target : AT90S1200 1MHz (внутренний RC-генератор)
;+---------------------------------------------------------------------------
.include "1200def.inc"
;¦ Определение регистровых переменных
;+---------------------------------------------------------------------------
.def acc = r20 ; временная переменная
.def temp1 = r21 ; просто локальная переменная
.def temp2 = r22 ; просто локальная переменная
.def temp3 = r23 ; просто локальная переменная
.def temp4 = r24 ; просто локальная переменная
.def temp5 = r25 ; просто локальная переменная
.def temp6 = r26 ; просто локальная переменная
.def temp7 = r27 ; просто локальная переменная
;¦ Определение сигналов в портах
;+---------------------------------------------------------------------------
.equ ini_b = 0b00111111 ; начальные значения PORTB
.equ dir_b = 0b11111111 ; маска направлений 1-out 0-in
; ¦¦¦¦¦¦¦¦
.equ led01 = 0 ;¦¦¦¦¦¦¦+-12(out)
.equ led02 = 1 ;¦¦¦¦¦¦+--13(out)
.equ led03 = 2 ;¦¦¦¦¦+---14(out)
.equ led04 = 3 ;¦¦¦¦+----15(out)
.equ led05 = 4 ;¦¦¦+-----16(out)
.equ led06 = 5 ;¦¦+------17(out) (MOSI)
.equ buzzer1 = 6 ;¦+-------18(out) (MISO)
.equ buzzer2 = 7 ;+--------19(out) (SCK)
.equ ini_d = 0b00111111 ; начальные значения PORTD
.equ dir_d = 0b01000000 ; маска направлений 1-out 0-in
; ¦¦¦¦¦¦¦
.equ key01 = 0 ; ¦¦¦¦¦¦+--2 (in)
.equ key02 = 1 ; ¦¦¦¦¦+---3 (in)
.equ key03 = 2 ; ¦¦¦¦+----6 (in) (INT0)
.equ key04 = 3 ; ¦¦¦+-----7 (in)
.equ key05 = 4 ; ¦¦+------8 (in)
.equ key06 = 5 ; ¦+-------9 (in)
.equ pin11 = 6 ; +--------11(out) не исп.
;¦ Макросы
;¦
;+---------------------------------------------------------------------------
.include "mymacros.inc"
.macro init_ports
ldi acc,dir_b
out DDRB,acc ; настроили порт B на ввод/вывод
ldi acc,ini_b
out PORTB,acc ; вывели в порт
ldi acc,dir_d
out DDRD,acc ; настроили порт D на ввод/вывод
ldi acc,ini_d
out PORTD,acc ; вывели в порт
.endmacro
.macro init_wd
wdr ; reset watchdog timer
ldi acc,0b00001111 ; watchdog разрешен, коэф. деления - 2048
out WDTCR,acc
.endmacro
.macro init_irq ; портит acc
ldi acc,(1<<se)+(1<<sm)+(0<<isc01)+(0<<isc00)
; ¦ ¦ ¦ ¦
; ¦ ¦ +----------+-- прерывания: "00" - по низкому уровню
; ¦ +--------------------- 0-idle mode 1-power down
; +----------------------------- 1-sleep разрешен
out MCUCR,acc
; ldi acc,(1<<int0)
; out GIMSK,acc ; разрешили внешние прерывания от INT0
clr acc
out GIMSK,acc ; запретили внешние прерывания от INT0
.endmacro
.macro comparator_off ; портит acc
ldi acc,(1<<ACD)
out ACSR,acc ; выключили компаратор для экономии энергии
.endmacro
.macro speaker_up
sbi PORTB,buzzer1
cbi PORTB,buzzer2
.endmacro
.macro speaker_dn
sbi PORTB,buzzer2
cbi PORTB,buzzer1
.endmacro
;----------------------------------------------------------------------------
;¦
;¦ Точка входа
;¦
;+---------------------------------------------------------------------------
.CSEG
.org 0
rjmp start ; на начало программы
;----------------------------------------------------------------------------
;¦
;¦ Подпрограммы
;¦
;+---------------------------------------------------------------------------
;¦ Задержки
;¦
;¦ Портит temp5,6,7
;+---------------------------------------------------------------------------
.equ const10ms = 2500-2
.macro wait_ms ; задержка от 10 до 2550мс, кратная десяти
ldi temp5,@0/10
rcall delay10N
.endmacro
.macro wait_s ; задержка от 1 до 255с
ldi temp4,@0
lb1:
ldi temp5,100
rcall delay10N
dec temp4
brne PC-3
.endmacro
delay10N:
; wdr ; 1
ldi temp6,low(const10ms) ; 1
ldi temp7,high(const10ms) ; 1
d10ms1: ; один цикл - 4 такта, 4мкс
subi temp6,1 ; 1
sbci temp7,0 ; 1
brne d10ms1 ; 2
djnz temp5,delay10N ;
ret
;¦ Звуковой сигнал 2.5кГц (два полупериода по 200мкс)
;¦
;¦ Портит temp6,7
;+---------------------------------------------------------------------------
.equ const200us = 49
.macro beep
rcall snd
.endmacro
snd:
ldi temp6,0 ; 256 периодов меандра
snd1:
speaker_up
rcall delay200us
speaker_dn
rcall delay200us
djnz temp6,snd1
ret
delay200us: ; 3 (вызов)
ldi temp7,const200us ; 1
del200:
nop ; 1
djnz temp7,del200 ; 1+2
ret ; 4-1
;----------------------------------------------------------------------------
;¦
;¦ Начало программы
;¦
;+---------------------------------------------------------------------------
start:
init_ports
init_irq ; только чтобы разрешить sleep
comparator_off
waitloop:
; wdr
in acc,PIND
ori acc,0b11000000 ; забиваем два старших разряда. Они не используются
cpi acc,0xff
breq waitloop ; ждем пока хоть одна кнопка не будет нажата
out PORTB,acc ; зажгли светодиод, соответствующий нажатой кнопке
beep ; звуковой сигнал
; даем время на ответ
wait_s 10 ; ждем N секунд
; время истекло - тройной звуковой сигнал
beep
wait_ms 100 ; ждем N миллисекунд
beep
wait_ms 100
beep
ldi acc,0xff
out PORTB,acc ; погасили все светодиоды
sleep
rjmp 0 ; этот джамп не нужен. Из слипа выходим только по сбросу
.exit ;полный конец обеда -------------------------------------------------
Спасибо за внимание. Если что не так — пишите в личку, исправлю.
Автор: EarnestUA
