Или по-английски — phase locked loop, PLL. В технической литературе нам часто встречаются эти словосочетания и аббревиатуры. Возможно, это название раньше вводило вас в заблуждение.
ФАПЧ может не только подстраивать и стабилизировать частоту, но и умножать её, что применяется в тактовых генераторах микропроцессоров. ФАПЧ позволяет синхронизировать и демодулировать сигналы, а также восстанавливать слабые сигналы в условиях сильных шумов, и потому применяется во всевозможных устройствах связи, включая радиопередатчики и радиоприёмники, жёстких дисках компьютеров, телевидении и цифровой обработке сигналов.
Сегодня мы соберем и испытаем микромощный ЧМ стерео радиопередатчик (модулятор) с ФАПЧ, а также изучим историю и основные принципы этого замечательного изобретения.
Всё началось с механических часов
Во второй половине XVII столетия великий голландский учёный Христиан Гюйгенс изобрёл маятниковые часы и много экспериментировал с ними.

Портрет Христиана Гюйгенса работы Йохана Реннефельда. Гравюра 1870 года
Механические башенные часы существовали и раньше. Существует неподтвержденная легенда о том, что первым их изобрел римский папа Сильвестр II (950...1003), когда он еще был простым монахом Гербертом из Аврилака. (Тем самым, за трудами которого приходил Воланд в романе «Мастер и Маргарита»).
Занятия наукой и техникой пугали суеверных людей, и потому на понтифика рисовали такие карикатуры. Это происходило с подачи римского духовенства, которое ненавидело Сильвестра за его борьбу против симонии и конкубината. В конце концов рассерженная элита спровоцировала народное восстание, и папу вместе с императором изгнали из Рима в Равенну.

Сильвестр II и дьявол. Средневековая иллюстрация. Википедия
Первые документально подтверждённые башенные часы установили в 1288 году на здании Вестминстерского аббатства в Лондоне. Но механические часы тех времен не были маятниковыми.
Водяные часы
Ранние экземпляры башенных часов были водяными. Если налить воду в сосуд конической формы с отверстием в нижней части, то по мере расхода жидкости будет падать её уровень, а, соответственно и давление водяного столба.

Античная клепсидра. Линогравюра из журнала L’Illustration № 813 от 25 сентября 1858 года. Страница 125
Скорость вытекания воды снижается, но благодаря конической форме сосуда, скорость падения уровня жидкости можно сделать постоянной. Если поместить на поверхность воды поплавок и механически связать его со стрелкой, можно получить стрелочные часы, в том числе башенного масштаба.
Специальный работник должен был заполнять конический сосуд в тот момент, когда поплавок достиг нижнего уровня. Чтобы сделать это быстро, предусматривались ёмкости с заранее заготовленным рабочим объемом воды.
То есть пока часы шли, работник носил воду вёдрами, а когда они останавливались, он опрокидывал бочки в измерительную ёмкость. Такой была нелёгкая работа системного администратора муниципальных часов.
Было бы гораздо удобнее создать сосуд с отверстием, из которого вода вытекала бы с постоянной скоростью. Такие выдающиеся учёные, как Галилео Галилей, Пьер Вариньон и Даниил Бернулли пытались рассчитать форму такого сосуда.
Но увы, такой сосуд невозможен, если речь идёт об изделии из одной детали. Скорость вытекающей воды за единицу времени зависит от площади сечения отверстия и давления, а давление — от высоты водяного столба. Однако можно придать специальную форму сосуду и поплавку, который поддерживает уровень воды постоянным, опускаясь при снижении её объёма. Получится сосуд из двух фигурных деталей — подвижной и неподвижной.
Ещё можно создать систему, в которой опускающийся поплавок связан с задвижкой или пробкой, уменьшающей просвет сливного отверстия. Либо просто использовать воронку с переливом, поддерживающую уровень постоянным, но за счёт постоянного притока избыточно расходуемой воды.

Водяные часы из набора для опытов Bondibon
Тогда доливать воду можно в любое время. Главное следить, чтобы сосуд не пустел. Равномерная струйка воды будет вращать колесо с лопастями, приводящее в движение стрелки, либо поднимать поплавок в цилиндрическом сосуде. Быстро опустошать сосуд с помощью сифона, когда уровень воды в нём достиг определённого уровня, умели уже в глубокой древности.
Отметим, что Герон Александрийский, живший во второй половине II века нашей эры, изобрёл простой и эффективный стабилизатор расхода воды более двух тысячелетий назад. Он использовал сифон, закрепленный на поплавке. Последний поднимался, когда воду доливали, и опускался при её расходе.

Сифон Герона с постоянной скоростью вытекания жидкости. Из книги Павла Степановича Кудрявцева «История физики». 1948 год
Разность высоты между входным и выходным отверстиями сифона поддерживалась постоянной, и потому вода вытекала всегда с одинаковой скоростью. В правой части рисунка изображён вариант с возможностью подстройки этой скорости с помощью регулировочного винта.
Часы с гирей
Однако носить воду на верхушку башни в любом случае неудобно. Проще использовать гирю на верёвке, которая будет разматываться и вращать катушку. Получится тоже гравитационный двигатель, но с твёрдым рабочим телом.
Так как высота башни намного меньше расстояния до центра масс планеты Земля, вес груза на всём протяжении его пути остаётся постоянным.
Тем не менее часам с гирей требовался спусковой регулятор, чтобы стабилизировать частоту оборотов бобины. Такой регулятор назывался шпиндельным механизмом, или балансом (билянцем).

Шпиндельный механизм часов. «Часы» №5 за 2007 год
Баланс представлял собой коромысло с двумя грузами и двумя лопатками, сдерживавшими ход храпового колеса. Период колебаний баланса зависит от передаваемого с катушки крутящего момента, момента инерции грузов и силы трения.
Если толщина намотки верёвки намного меньше радиуса бобины, либо верёвка просто намотана в один слой, то крутящий момент является постоянным. Но сила трения изменялась, так как это был старинный грубый механизм из несовершенных материалов. Потому обслуживающему персоналу приходилось постоянно смазывать часы и устанавливать (либо снимать) дополнительные грузы.
Собственного периода колебаний у баланса не было. Идея баланса со спиральной пружиной, используемого в современных наручных, карманных и настольных часах, принадлежит Христиану Гюйгенсу и воплощена парижским королевским часовщиком Исааком Тюре в 1674 году. Но до этого Гюйгенс изобрёл маятниковые часы.
В отличие от беспружинного баланса, маятник имеет собственный период колебаний, благодаря воздействию гравитационного притяжения Земли на чечевицу, или линзу. Так принято называть груз маятника из-за его обтекаемой формы, снижающей сопротивление воздуха.
Маятниковые часы
В середине XVII столетия Христиан Гюйгенс и Галилео Галилей независимо друг от друга пришли к решению заменить в шпиндельном механизме коромысло с двумя грузами на маятник с одной чечевицей. Получился маятник со счётчиком колебаний, и это были часы, имевшие непревзойдённую по тем временам точность.
Галилео Галилей исследовал колебания маятников ещё с юности, когда в 1583 году в возрасте 19 лет он заинтересовался тем, как раскачиваются люстры Пизанского собора.
Но у великого учёного было множество других дел, и чертёж маятниковых часов он создал только за год до смерти, в 1641 году. Воплотил разработку отца его сын Винченцо уже после смерти астронома, и широкой огласки изобретение тогда не получило.

Спусковой механизм маятниковых часов Галилея. Википедия
Отметим, что изобретение Галилея ближе к конструкции современных механических часов, в которых плоскости колебаний маятника или баланса и храпового колеса параллельны. Тогда как Гюйгенс унаследовал принцип шпиндельного, или корончато-штыревого спуска, где эти плоскости перпендикулярны, а храповик выполнен в виде коронки.
Учитель Ньютона
Христиан Гюйгенс запатентовал свои часы в 1657 году, а через 17 лет опубликовал монографию под названием «Маятниковые часы».
Это была та самая книга, по которой учился Исаак Ньютон. И кроме прочего, в ней описано явление спонтанной синхронизации слабо связанных маятниковых часов.
Дедушка квантовой механики
На рубеже XIX столетия то же самое явление, но у органных труб и вилочных камертонов, наблюдал будущий нобелевский лауреат, первооткрыватель аргона Джон Уильям Стретт, которого мы знаем как лорда Рэлея.

Фотопортрет Джона Уильяма Стретта, третьего барона Рэлея, за работой. Википедия
Этому британскому учёному принадлежит просто титаническое число открытий, изобретений и разработок, включая закон Рэлея-Джинса, без которого не было бы квантовой механики. А его учебник «Теория звука», изданный в 1877 году, до сих пор широко применяется акустиками и инженерами.
Автор термина «диод»
И наконец, в 1919 году двое профессоров Лондонского королевского общества, Экклз и Винсент, наблюдали спонтанную синхронизацию колебаний в двух ламповых генераторах Хартли, между колебательными контурами которых имелась слабая индуктивная связь.

Схема экспериментальной установки Экклза и Винсента. royalsocietypublishing.org
Кроме прочих заслуг, выдающийся британский учёный Уильям Генри Экклз, ассистент Гульельмо Маркони, является автором термина «диод» и первооткрывателем кристадинного эффекта, (хотя и не заинтересовался последним, и не продолжил исследования, в отличие от Олега Лосева десятилетием спустя).

Уильям Экклз демонстрирует поведение слабосвязанных ламповых LC-генераторов. 1925 год. Википедия
Экклз одним из первых поддержал теорию Оливера Хевисайда про возможность использования отражения радиоволн от ионосферы для дальней радиосвязи и в 1912 году высказал гипотезу о влиянии солнечной радиации на прохождение радиоволн.

Фотопортрет Оливера Хевисайда. 1900 год. Википедия
В 1918 году, независимо от М.А. Бонч-Бруевича, вместе со своим талантливым ассистентом Фрэнком Уилфредом Джорданом Экклз изобрёл триггер — основу компьютерной памяти. А годом позже участвовал в создании первой длинноволновой радиостанции.
Отец радиофизики
Существование предсказанной Оливером Хевисайдом ионосферы доказал в 1924 году британский физик Эдуард Виктор Эплтон, за что через 23 года получил Нобелевскую премию. Ему же принадлежит и теоретическое обоснование самопроизвольной синхронизации электронных генераторов, опубликованное в 1923 году.

Фотопортрет нобелевского лауреата Виктора Эплтона. 1947 год. Википедия
И снова часы
Двумя годами позже профессор Бристольского университета Дэвид Робертсон воплотил первую в истории настоящую систему фазовой автоматической подстройки частоты в нашем сегодняшнем понимании.

Фотопортрет профессора Дэвида Робертсона. Сайт Бристольского университета bristol.ac.uk
Робертсон использовал хорошо знакомые нам вторичные стрелочные часы. В советские времена они были очень распространены на предприятиях и в учреждениях.

Вторичные часы «Стрела». Фото с Авито. Лот продан
Первичные часы Робертсон применил маятниковые, производства Gents of Leicester. Запомним, что эта компания впоследствии будет называться Honeywell Gent. Через пару абзацев мы снова встретим это название.

Первичные часы Робертсона. Сайт Бристольского университета bristol.ac.uk
Робертсон добавил к этим часам автоматический регулятор, увеличивавший или уменьшавший тормозящую маятник силу в зависимости от фазы его колебания в момент поступления сигнала стандарта времени. Этот сигнал приходил по телеграфу из Гринвичской обсерватории ежедневно в 10 часов утра.
Фазовый детектор
Итак, что же представляет собой фазовая автоподстройка частоты? Это система, основанная на фазовом детекторе.
Фазовый детектор, называемый также фазовым компаратором или дискриминатором, представляет собой электронный узел с двумя входами и одним выходом. Напряжение на выходе устройства пропорционально фазовому сдвигу между входными сигналами. Реализовать фазовый компаратор можно несколькими способами.
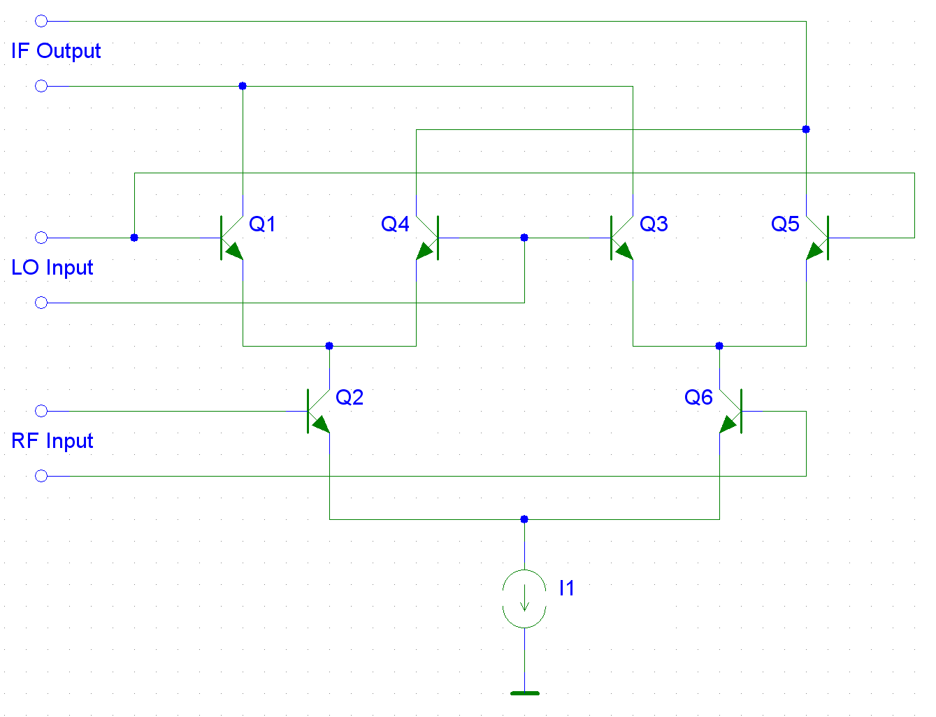
Ячейка Гилберта
В 1963 году сотрудник компании Honeywell Говард Джонс подал патентную заявку на двухвыводной синхронный детектор, использующий дифференциальные каскады на транзисторах. Основой схемы этого устройства являются два дифкаскада, рабочие токи которых задаёт третий дифкаскад.

Ячейка Джонса. Википедия
Ровно половинка от этой схемы уже встречалась нам в комнатном средневолновом радиопередатчике AMT-MW207.

Здесь дифкаскад задействован в генераторе Колпитца, амплитуда колебаний которого модулируется напряжением на базе транзистора BG3. А схема Джонса — тоже амплитудный модулятор, но с дифференциальными входами и выходом.
Дифференциальные напряжения на входах RF и LO умножаются одно на другое, и результатом является дифференциальный ток на выходе IF.
В 1968 году Барри Гилберт «растянул» ячейку Джонса по горизонтали, и получился дифференциальный перемножитель токов, называемый ячейкой Гилберта.

Ячейка Гилберта. Википедия
Что будет, если модулировать гармонический сигнал определённой частоты таким же сигналом, той же частоты, но с фазовым сдвигом? Пусть мгновенное значение тока на первом входе описывается функцией sin (ωt + α), а на втором — cos (ωt + β), где t — время, ω — циклическая частота, α и β — фазовые сдвиги сигналов.
Тогда для их произведения получаем формулу
sin(ωt+α)cos(ωt+β) = sin(2ωt+α+β)/2 + sin(α-β)/2.
Первое слагаемое — это гармоническое колебание удвоенной частоты, а второе — постоянное напряжение, прямо пропорциональное разности фаз.
Отфильтровываем ненужную высокочастотную составляющую при помощи фильтра нижних частот, и подаём сигнал разности фаз на генератор, управляемый напряжением (ГУН). И мы получили генератор, автоматически подстраивающийся под частоту входных колебаний!

Блок-схема фазовой автоматической подстройки частоты. Википедия
Если посылать на фазовый дискриминатор сигнал ГУН не напрямую, а через делитель частоты, то мы получаем умножитель частоты задающего генератора! То самое устройство, что так необходимо для получения тактовой частоты микропроцессора.
ЧМ стерео модулятор с ФАПЧ
Изготавливать материнскую плату для персонального компьютера мы пока не будем, зато соберём радиоконструктор, позволяющий слушать музыку или интернет-подкасты с любого источника (плеера, телефона) через старую магнитолу, не имеющую линейного (AUX) входа.
В отличие от двухтранзисторного радиопередатчика из статьи про генератор Колпитца, сегодняшний конструктор очень продвинутый, стереофонический, с кварцевой стабилизацией частоты. И реализована она как раз при помощи ФАПЧ.

Схема радиоконструктора «ЧМ стерео модулятор со стабилизацией частоты»
На транзисторе Q1 собран микрофонный усилитель, чтобы изделие можно было использовать и в качестве радиопереговорного устройства. Через резистор R1 подаётся напряжение питания, необходимое для работы миниатюрного электретного микрофона.
Резистор R2 задаёт ток смещения транзистора Q1 и создаёт отрицательную обратную связь, а R9 стабилизирует режим каскада при разных температурах по постоянному току. Конденсатор C12 шунтирует резистор R9 по переменному току, что повышает коэффициент усиления каскада.
Стабилитрон ZD1 последовательно со светодиодом LED1 нужен для того, чтобы светодиод переставал светиться при слишком низком напряжении питания, сигнализируя о разряде батареи. Такие узлы часто встраивают в устройства с батарейным питанием.
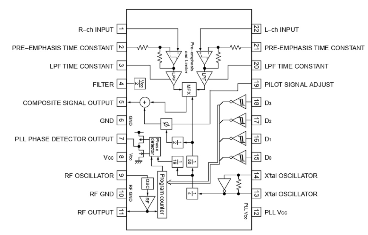
Микросхема BH1417F представляет собой интегральное решение для генератора ЧМ стереосигнала по системе с пилот-тоном. Выводы 1 и 22 — это входы для модулирующего аудиосигнала правого и левого каналов.

Блок-схема микросхемы BH1417F
Выводы 2 и 21 соединены с цепями отрицательной обратной связи операционных усилителей, используемых в качестве предусилителей входного сигнала. Конденсаторы между этими выводами и низкочастотной землёй задают постоянную времени частотной коррекции.
Конденсаторы между НЧ землёй и выводами 3 и 20 задают граничную частоту фильтра нижних частот (150 пикофарад для 15 кГц).
На выводе 4 формируется «виртуальная земля» — опорное напряжение для операционных усилителей низкочастотной части микросхемы. Для стабильности работы этот вывод необходимо соединить с НЧ землёй по переменному току посредством электролитического конденсатора.
На выводе 5 формируется композитный модулирующий сигнал стандарта CCIR, структуру которого мы разбирали в статье про транзисторный ЧМ супергетеродин.
Вывод 6 — низкочастотная земля, 10 — высокочастотная, 8 — питание низкочастотной части микросхемы (от +4 до +6 В).
Выход 12 — питание высокочастотной части — подключается через RC-фильтр, состоящий из резистора R8 и конденсатора С20. Этот фильтр необходим для предотвращения самовозбуждения и помех.
Между выводами 13 и 14 подключается кварцевый резонатор на 7.6 МГц.
Выводы 15-18 служат для программирования делителя частоты, согласно приведённой таблице.

Зависимость частоты радиопередатчика от положения переключателей
C вывода 7 выходной сигнал фазового детектора поступает на активный фильтр нижних частот, собранный вокруг дарлингтоновой пары, образованной транзисторами Q4 и Q5, а далее на пассивный ФНЧ, состоящий из резисторов R23-R24 и конденсаторов C34-C35.
Постоянное напряжение с пассивного ФНЧ и переменное напряжение композитного модулирующего сигнала поступают на варикап VD1, включенный в колебательный контур, построенный вокруг катушки L4. С помощью переключателя S3 можно повысить ёмкость контура на 22 пикофарада, подключив конденсатор C24. К этому контуру подключается вывод 9, и получается генератор Колпитца.
Варикап — это полупроводниковый диод, используемый в качестве конденсатора, управляемого напряжением.
Вывод 11 является выходом радиочастоты, с которого сигнал поступает на усилитель мощности на транзисторе Q2.
Коллекторной нагрузкой Q2 служит колебательный контур L2C6, связанный с передающей антенной через конденсатор C25. Этот контур является выходным полосовым фильтром.
Смотрим и слушаем результаты
В непосредственной близости от передатчика радиосигнал очень сильный, что сбивает автонастройку чувствительного SDR-радиоприёмника HU-017A и ухудшает качество звучания.
Также оно снижается, когда на частоте передатчика присутствует сигнал радиостанции. Если при использовании модулятора учитывать эти факты, получим прекрасное высококачественное воспроизведение стереосигнала.

НЛО прилетело и оставило здесь промокод для читателей нашего блога:
— 15% на заказ любого VDS (кроме тарифа Прогрев) — HABRFIRSTVDS
Автор: Люблю радио
