
С момента появления Ubiquiti AirFiber 24, о которых мы ранее писали, прошло уже более года. За это время недорогая релейная станция на более чем 700 Мбит/с FDD-емкости нашла свое место у многих операторов, а функционал системы был существенно расширен.
К сожалению, у этого решения есть и явные недостатки, например, невозможность легализации на юридическое лицо в РФ из-за несоответствия частот правилам использования эфира, зависимости от дождей из-за частотного диапазона. В этом году две новые модели полюбившихся радиорелейных станций выходят на рынок — встречаем airFiber 5 и 5U. Пусть их емкость 500 Мбит/с вместо 750, однако дальность надежной связи обещает быть большей, а частотный план позволяет регистрировать их в РФ.
Оба новых решения, предназначенные для диапазона 5 (модель без индекса) и 6 ГГц (модель U), продолжают идеологию первого устройства: недорогая релейная станция FDD или TDD с возможностью управления в отдельном vlan и юстировкой по встроенным индикаторам. Из-за изменения частотного диапазона изменились доступные модуляции, емкость системы.
Основные параметры систем AirFiber:

С точки зрения внешнего вида изменилась антенная система: вместо металлизированного рефлектора используются два металлических отражателя, стала удобнее и индикация.


Общий вид AF5 и «боевое» размещение устройства.

Блок индикации системы — добавление индикации удаленной стороны линка позволяет точнее и легче юстировать систему. Индикатор отражает состояние радио канала, используемую модуляцию.
Функционал оборудования
В новых моделях появились (а в старые, высокочастотные, — добавились):
- Поддержка jumbo frame;
- Изоляция интерфейса управления от multicast-трафика;
- Встроенный анализатор спектра.

Спектроанализатор.
Общавшиеся с системой AF24 в ранних релизах помнят, что при большом объеме multicast-трафика, приходящего даже не в vlan управления, процессор перегружался, из-за чего приходилось использовать out-of-band-управление. Использование изоляции мультиадресного трафика решило эту проблему.

Но, конечно, наиболее интересны в новом продукте возможность получить полноценное частотное присвоение и независимость от осадков.
Посчитаем дальность действия систем американского частотного плана, используя уже проверенную методику из предыдущей публикации и приведенные производителем данные:
Ёмкость (Мбит/с), дуплекс, как функция расстояния, максимальные частотные полосы:

Видим, что дальность работы нового решения в разы превышает высокочастотную модель.
К сожалению, в силу требований регуляторов США, в AirFiber 5, выпускающихся для американского рынка, ограничена мощность для частотных каналов ниже 5725 до 30 дБм, также в этом диапазоне включено детектирование радарного сигнала, не требуемое в России. Использование же номиналов без ослабления оставляет лишь частоты с 5725 до 5950, что может быть недостаточно для построения узла связи с несколькими радиоканалами, учитывая наличие и других радио сетей.
Дальность работы американской версии AirFiber 5:

Использование радиоэфира
С точки зрения регулирования использования спектра частот, AirFiber 5 может расцениваться как устройство широкополосного доступа, что позволяет получить частотное присвоение на 1 номинал до 40 МГц включительно, а AirFiber 5U может трактоваться и как радиорелейная станция — с возможностью выделения пары частот 40 МГЦ.
Технически возможно для AirFiber 5 подать и вторую заявку с тем же идентификатором сети и получить вторую полосу 40 МГЦ, чтобы использовать систему в дуплексе.
Рассчитаем дальность с учетом ограничений частотной регуляции РФ ( 40 МГЦ TDD для 5 ГГЦ, 40 МГц FDD для 6 ГГц), полная мощность:

Рассчитать нужные частотные ресурсы для интересующей мощности и скорости можно во встроенном приложении радиопланирования — система показывает возможную модуляцию и минимальный частотный план под техническое задание:

Проектирование канала связи
Основным отличием от модели AF24 являются более жесткие требования к планированию канала: если для высокочастотной модели лимитирующим фактором является затухание в дожде, то для решения в диапазоне 5 ГГц критичны помехи и частотный ресурс.
Использование высоких модуляций привело к высокой чувствительности системы к отражению своего сигнала от подстилающей поверхности и помехам, поэтому производитель приводит следующие рекомендации для защиты канала от поражения переотражением, вызывающим как снижение модуляции, так и срабатывание детектирования радарного сигнала:

Отследить переключение системы в другой частотный номинал можно по системному логу, SNMP, графическому меню:

Сигнал соседней радио сети распознан как радарный.
Для частот 5725 МГц и выше использование системы в такой ситуации приведет к снижению модуляции до 64QAM и ниже, на частотах же ниже 5725 МГц детектирование радарного сигнала приводит к переключению системы в другой частотный номинал (если он задан) и блокировке прежней частоты на 30 минут. Поскольку решение о переключении номинала частот принимается каждым из устройств независимо, в режиме временного разделения приема-передачи может возникнуть ситуация, когда прием и передача будут вестись на разных частотах. Хотя канал и продолжит функционировать, эффективность использования частот снизится вдвое. В некоторых случаях в качестве радарного сигнала системой может расцениваться и помеха от других радио сетей, и переотражение своего передающего сигнала от зданий.
Впрочем, некоторая польза от детектирования радарного сигнала есть. На практике, используя частоты, ему подверженные, можно проверить правильность установки системы — для этого не нужен полный линк, достаточно с одного устройства выбрать по анализу эфира свободный номинал и запустить устройство в нем. Если устройство показало наличие радарного сигнала и, особенно, если на минимальной мощности сигнал не детектируется, а при повышении — обнаруживается, то можно говорить о наличии существенного переотражения от крыши или соседних строений.
Вторым фактором, важным для частотного планирования, являются помехи от посторонних сетей. Перед установкой оборудования рекомендуется произвести обследование эфира, поскольку попадание постороннего сигнала в створ антенн не только снижает соотношение сигнал/шум, но и может блокировать работу системы. На время юстировки системы производитель рекомендует использовать частоты выше 5725, выбрать режим TDD в полосе 10 МГц, чтобы исключить срабатывание детектирования радарного сигнала и влияния помех на процедуру юстировки. Затем можно переключиться в интересующую частоту.
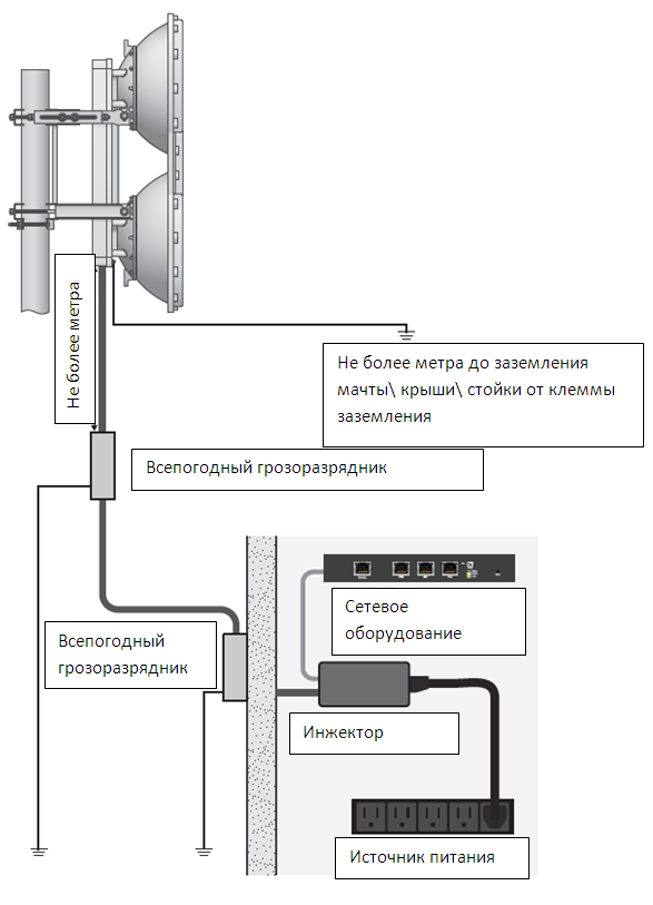
Часто забываемым моментов в инсталляции систем является заземление. Недавно производитель уточнил требования — теперь рекомендуемое подключение выглядит вот так:

Добавлю, что при неуверенности в соответствии потенциалов заземлений мачты и инжектора можно измерить разницу сопротивлений между ними — при превышении порога в 4 Ом следует искать иные варианты включения.

Измерение разницы потенциалов точек подключения.
В ближайшее время ждите публикации своего рода success story — результатов развертывания нескольких каналов на оборудовании AirFiber.
Автор: WirelessMAN
