Привет! Сегодня я продемонстрирую на примере электрогитары Harley-Benton R-457MN, насколько широкую палитру звучаний можно получить, имея в распоряжении всего-навсего два дешёвых китайских хамбакера.
Причём встраивать активную электронику, дополнительные тумблеры и «пуш-пул» потенциометры с подъёмной ручкой не понадобится. Внешняя эстетика инструмента не меняется от слова «совсем», батарейки или аккумуляторы не требуются, а интуитивно понятный пикгард не превращается в запутанный космический пульт.
Требуется просто заменить штатный ножевой переключатель на пятипозиционный, но не стандартный, а «мегасвитч». Плюс учесть нюансы магнитной полярности и фазировки катушек звукоснимателей. Замена последних необязательна: я покажу, куда следует припаять недостающие провода.
Электрогитары с двумя хамбакерами на борту традиционно снабжают трёхпозиционным переключателем. В его крайних положениях звучит один звукосниматель, а в среднем — оба, подключённые параллельно.
Так сделано и на моём Squier Bullet Mustang HH, где переключатель выполнен в виде тумблера.

Пятипозиционные тумблеры мне не встречались, роторный галетный переключатель неудобен при игре, а установка дополнительных органов управления не в моём вкусе. Они «утяжеляют» эстетику инструмента и усложняют управление его звуком.
Поэтому для модификации «Мустанга» подойдут только «тяни-толкай» (пуш-пул) потенциометры, и то надо удостовериться, что они войдут по высоте. Дека этой гитары экстремально тонкая.
Зато белый семиструн Harley Benton оснащён ножевым переключателем на три положения, который легко заменить на пятипозиционный. Давайте подумаем, какие комбинации катушек можно назначить на две добавочные позиции.
▍ Отсечка хамбакеров
На зелёном стратокастере с сороками стандартный пятипозиционный переключатель позволил осуществить автоотсечку бриджевого хамбакера во второй позиции, чтобы она звучала правильно — с фендеровским «стеклом».
Отсечкой хамбакера — двухкатушечного датчика с подавлением синфазной помехи — в гитарном мире называется вариант коммутации, при котором на выходное гнездо под джек идёт сигнал только одной из катушек.
Вторая катушка в простейшем случае замыкается накоротко. Получается звук, не идентичный, но близкий к звучанию однокатушечного звукоснимателя — сингла.
Чтобы сделать отсечку бриджевого хамбакера во второй позиции и некового в четвёртой, нам понадобится переключатель с формулой DP5T — две контактных группы на пять положений.
Schaller Megaswitch M на фото слева — самый универсальный и самый сложный в подключении из всей линейки «Мегасвитч» — имеет даже не две, а четыре таких контактных группы! То есть, его формула 4P5T или QP5T.

И коль скоро у нас есть такие возможности, давайте посмотрим, нельзя ли осуществить более интересные варианты переключений.
▍ Отсечка в третьей позиции
Используя всю ту же половину Мегасвитча М, можно сделать всё то же самое, только в третьем положении оба хамбакера включаются как синглы.

Получится что-то вроде средней позиции телекастера, да не совсем. Сомневаюсь, что это наилучший вариант для семиструна.
▍ Параллельные хамбакеры
В следующем варианте используется вся мегамощь немецкого переключателя. Третья позиция здесь нормальная, зато вторая и четвёртая предоставляют интересное звучание хамбакеров с катушками, подключёнными не последовательно, а параллельно.

Это даёт очень интересное звучание, которое пригодится во многих музыкальных стилях. Представляя собой нечто среднее между хамбакером и синглом, оно напоминает звукосниматель P-90. В отличие от последнего, параллельный хамбакер подавляет синфазную помеху.
▍ Сделаем как в PRS
Мегасвитч М можно скоммутировать как переключатель гитар Paul Reed Smith. Тогда во второй позиции получается бриджевый хамбакер и нековый сингл, а в четвёртой — две наружные катушки наподобие телекастера. При задействовании нечётного количества катушек синфазная помеха не подавляется.

А это другая вариация той же схемы с бриджевым синглом и нековым хамбакером в четвёртой позиции.

▍ Что напоминает эта гитара?
Если перевернуть перо грифа, этот белый стратоподобный семиструн станет ещё более похожим на аналогичные инструменты американской компании Schecter.

Однако первая версия данной модели больше напоминала японские суперстраты Ibanez, славящиеся многообразием звуков, которые способна выдать их электроника.

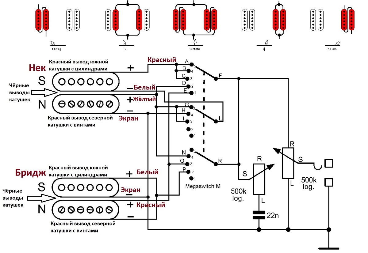
Реализация одной из типичных «ибанезовских» схем коммутации посредством Мегасвитча М показана на рисунке ниже.

Четвёртая позиция даёт нам параллельный нековый хамбакер, что весьма привлекательно для блюза. Тогда как в бридже эта конфигурация не столь интересна. Поэтому во второй позиции мы имеем две внутренние катушки.
То есть, здесь скомбинировано лучшее из всех пяти схем, что мы сегодня рассмотрели! Если магнитные полярности катушек на деке чередуются, то все комбинации получаются бесшумными. И не понадобится никаких дополнительных тумблеров или «тяни-толкаев»!
▍ Переделываем звукосниматели
Однако с дешёвыми электрогитарами не всё так просто. Как оказалось, из снятого звукоснимателя выходит экранированный провод со всего-навсего одной центральной жилой. Индивидуальных выводов от обмоток не предусмотрено.

Однако под слоем тканевой изоленты эти выводы есть, так что не всё пропало! Но надо быть предельно аккуратными, чтобы не оторвать тонкие проводники.

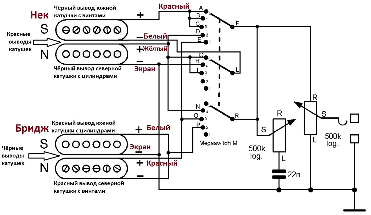
Следует обратить внимание на то, что цветовая маркировка выводов катушек проводами в красной и чёрной изоляции означает не плюс и минус, а начало и конец. Это унифицированные катушки, одинаковые для обеих половинок хамбакера.

С нижней стороны бобин обнаружилась маркировка Belcat. Теперь мы знаем, звукосниматели какой фирмы устанавливают на данную модель Harley-Benton. Ниже представлены параметры бриджевого датчика:
- катушка с винтами — север, 8.98 кОм,
- катушка со стержнями — юг, 9.00 кОм,
- итого 17.98 кОм.
А это нековый хамбакер.
- Винты — север, 4.78 кОм.
- Стержни — юг, 4.85 кОм.
- Итого 9.63 кОм.
Получается, что эти звукосниматели — кастомный спецзаказ. На сайте Belcat указаны стандартные сопротивления серийных хамбакеров BH-23-7P, и они составляют 17.1 кОм для бриджа и 13.8 для нека. Если в первом случае расхождение небольшое, то во втором оно значительное.
В заводском исполнении датчики были повёрнуты стороной со стержневыми магнитопродами друг к другу, а с винтовыми — наружу. Чтобы получить подавление синфазной помехи во всех пяти положениях переключателя, нам понадобится перевернуть один из звукоснимателей: стержни должны «смотреть» на болты.
Мне захотелось перевернуть нековый хамбакер. Можно было поступить и по-другому, перевернув в нём магнит. Тогда инвертируется и полярность катушек: средними выводами станут красные, а крайними — чёрные.

Цвета жил экранированного провода на схеме написаны соответственно тому кабелю, что был у меня в наличии. Он чуть толще штатного, поэтому пришлось сделать пластиковые проставки со стороны кабеля чуть тоньше. В этом нехитром деле помог напильник.
Широкий конец пружины винта регулировки высоты прижимается к рамке звукоснимателя, где предусмотрен специальный фиксирующий выступ, а узкий — к крепёжным ушкам его основания.

▍ Экранирование
Меня часто спрашивают, почему я покупаю узкую самоклеящуюся медную ленту, тогда как работа с широкой менее трудоёмка. А вот и фотоответ.

Экранированные графитовым лаком полости под звукосниматели не имели электрического контакта между собой. Теперь имеют. Более широкий медный скотч не удалось бы просунуть внутрь отверстия в деке, предназначенного для провода некового датчика.

Также с завода не было контакта между полостями темброблока и бриджевого звукоснимателя. Здесь поможет кисточка, которую я предпочитаю использовать для нанесения графитового лака вместо аэрозольного баллончика.

Заодно прокрасим непрокрашенные места для надёжного контакта с алюминиевой фольгой задней пластиковой крышки. Только на стенках колодца гнезда под джек не должно быть графитовой краски, чтобы её не коснулась пружина центрального контакта.

▍ Сборка схемы
Всегда имею в запасе откушенные выводы радиодеталей. Сегодня они снова пригодились.

Так выглядит готовый модифицированный темброблок в сборе.

▍ Можно было проще
Если вам требуется именно эта «ибанезовская» схема коммутации электрогитары с двумя хамбакерами, то вместо дорогого немецкого Мегасвитча можно воспользоваться корейским Alpha 2502N.

Именно такой переключатель используется в нэшвилловском телекастере из китайского конструктора.
Для реализации сегодняшней схемы пятипозиционный переключатель 2502N необходимо скоммутировать следующим образом:
- + начало северной обмотки бриджа,
- + конец южной обмотки нека (соединить с 7),
- + начало северной обмотки нека,
- выход на регуляторы громкости и тембра,
- — конец северной и + конец южной обмотки бриджа,
- земля, экраны, — начала южных обмоток бриджа и нека,
- + конец южной обмотки нека (соединить с 2),
- — конец северной обмотки нека.
▍ Слушаем и критикуем
Внешний вид электрогитары, за исключением перевёрнутого некового датчика, не изменился, и три заводских положения переключателя остались на месте. Я всегда предпочитаю именно такие модификации инструментов.
А две добавочных позиции — это именно то, чего мне недоставало в белом семиструнном стратокастере. Раньше эта гитара месяцами висела на стене, а теперь я на ней часто и с удовольствием играю.
Совершенно верно, звукосниматели Belcat на Harley Benton R-457MN звучат «мутно», хотя при желании можно «сфокусировать» звучание или «подогреть» усилитель при помощи подходящей педали овердрайва. Речь не о том, чтобы повысить уровень сигнала. Последний у данной гитары как раз чрезвычайно высокий.
Для получения требуемого определённым жанром, произведением и музыкантом звучания необходима соответствующая структура перегруза. То есть, частотный спектр гитарного сигнала перед ограничением, формируемый амплитудно-частотной характеристикой звукоснимателей и усилительного тракта.
То, что в одном (модерновом) музыкальном контексте воспринимается как удручающая «муть», в другом — винтажном — «жир», «полнота» и «глубина». Те же P.A.F. по образцу ранних Gibson Les Paul — датчики весьма «мутные» и «тёмные», но за это их и ценят.
Лично для себя я не вижу и не слышу смысла заменять звукосниматели на этой гитаре. Сегодняшняя «ибанезовская» модификация добавила ей того, чего мне в ней не хватало — элементов блюзовой и блюз-роковой палитры.
Структура перегруза не ограничивается частотным спектром сигнала. Огромное значение имеет и отклик на динамику звукоизвлечения, а также баланс между тонкими и толстыми струнами и между низкими и высокими ладами.
На это влияют не только электромагнитные параметры звукоснимателя, но и его расположение относительно струн по высоте и длине. А электроника гитары — темброблок с переключателем — помогает сделать так, чтобы все доступные положения последнего гармонировали в контексте произведения или концерта.
Если необходим одинаковый уровень сигнала во всех позициях, то этого проще всего достичь трёхпозиционным переключателем. Более сложные комбинации синглов, последовательных и параллельных хамбакеров могут потребовать дополнительных ухищрений в виде аттенюаторов и предусилителей.
А я предпочитаю гитару с динамикой и усилитель с компрессией. Это даёт большое разнообразие доступных звучаний даже без переключения каналов усилителя или задействования педалей эффектов. Поэтому мне нравятся разные гитарные модификации. Они расширяют возможности и дарят вдохновение.
© 2024 ООО «МТ ФИНАНС»
Автор: Lunathecat

