Привет!
Не так давно здесь прогремела статья об Arduino, породившая холивар в комментариях. Многие сторонники Ардуины, по их словам, хотят просто чего-то собрать типа мигающих светодиодов с целью разнообразить свой досуг и поиграться. При этом они не хотят возиться с травлением плат и пайкой. Как одну из альтернатив товарищ dedsky упомянул конструктор «Знаток», но его возможности ограничены набором деталей, входящих в комплект, да и конструктор все же детский. Я же хочу предложить другую альтернативу — так называемый Breadboard, макетная плата для монтажа без использования пайки.
Осторожно, много фоток.
Что это такое и с чем его едят
Основное назначение такой платы — конструирование и отладка прототипов различных устройств. Состоит данное устройство из отверстий-гнезд с шагом 2,54мм (0,1 дюйма), именно с таким (либо кратным ему) шагом располагаются выводы на большинстве современных радиодеталей (SMD-не в счет). Макетные платы бывают различных размеров, но в большинстве случаев они состоят из вот таких одинаковых блоков:

Схема электрических соединений гнезд изображена на правом рисунке: пять отверстий с каждой стороны, в каждом из рядов(в данном случае 30) электрически соединены между собой. Слева и справа находиться по две линии питания: здесь все отверстия в столбце соединены между собой. Прорезь по средине предназначена для установки и удобного извлечения микросхем в DIP-корпусах. Для сборки схемы в отверстия вставляются радиодетали и перемычки, так как мне плата досталась без заводских перемычек — я их делал из металлических канцелярских скрепок, а маленькие(для соединения соседних гнезд) из скоб для степлера.
Может показаться, что чем больше плата — тем больше её функциональность, это не совсем так. Весьма малый шанс что кто-то (особенно из начинающих) будет собирать устройство, которое займет все сегменты платы, вот несколько устройств одновременно — это да. Например здесь я собрал электронное зажигание на микроконтроллере, мультивибратор на транзисторах и генератор частоты для LC-метра:

Ну и что можно с этим сделать?
Чтобы оправдать название статьи, я приведу несколько устройств. Описание того, что и куда нужно вставлять будет на изображениях.
Неободимые детали

Для того, чтобы собрать одну из описанных ниже схем понадобиться сама макетная плата типа Breadboard и набор перемычек. Кроме того желательно иметь подходящий источник питания, в простейшем случае — батарейка(-ки), для удобства её(их) подключения рекомендуется использовать специальный контейнер. Можно использовать и блок питания, но в этом случае нужно быть осторожным и постараться ничего не сжечь, так как БП стоит гораздо дороже батареек. Остальные детали будут приведены в описании самой схемы.
Подключение светодиода
Одна из простейших конструкций. На принципиальных схемах изображаеться так:

Из деталей понадобятся: маломощный светодиод, любой резистор на 300Ом-1кОм и источник питания на 4,5-5В. В моем случае резистор мощный советский(первый попавшийся под руку) на 430Ом (о чем свидетельствует надпись К43 на самом резисторе), а в качестве источника питания — 3 пальчиковых (типа АА) батарейки в контейнере: итого 1,5В*3 = 4,5В.
На плате это выглядит вот так:

Батарейки подключены к красной(+) и черной(-) клеммам от которых тянуться перемычки к линиям питания. Затем от минусовой линии к гнездам №18 подключен резистор, с другой стороны к этим же гнездам катодом(короткой ножкой) подключен светодиод. Анод светодиода подключен к плюсовой линии. Вдаваться в принцип действия схемы и объяснять закон Ома я не буду — если хочеться просто поиграться, то это и не нужно, а если все же интересно, то можно и у гугля спросить.
Линейный стабилизатор напряжения
Может это и достаточно резкий переход — от светодиода к микросхемам, но в плане реализации я не вижу никаких сложностей.
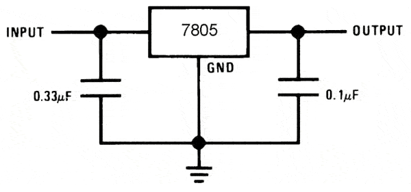
Итак, существует такая микросхемка LM7805 (или просто 7805), ей на вход подается любое напряжение от 7,5В до 25В, а на выходе получаем 5В. Есть и другие, например, микросхема 7812 — 12В. Вот такая у неё схема включения:

Конденсаторы используются для стабилизации напряжения и при желании их можно не ставить. Вот так это выглядит в жизни:

И крупным планом:

Нумерация выводов микросхемы идет слева направо, если смотреть на нее со стороны маркировки. На фото нумерация выводов микросхемы совпадает с нумерацией разъемов брэдборда. Красная клемма(+) подключена к 1-й ноге микросхемы — вход. Черная клемма(-) напрямую подключена к минусовой линии питания. Средняя ножка микросхемы(Общий, GND) также подключается к минусовой линии, а 3-я ножка (Выход) к плюсовой линии. Теперь, если подать на клеммы напряжение 12В, на линиях питания должно быть 5В. Если нету источника питания на 12В, можно взять 9В батарейку типа «Крона» и подключить её через специальный разъем, изображенный на фотографии выше. Я использовал блок питания на 12В:

Вне зависимости от значения входного напряжения, если оно лежит в указанных выше пределах — выходное напряжение будет 5В:

В завершение, добавим конденсаторы, чтобы все было по правилам:

Генератор импульсов на логических элементах
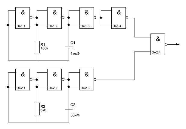
А теперь пример использования уже другой микросхемы, при чем не в самом стандартном её применении. Используется микросхема 74HC00 или 74HCТ00, в зависимости от фирмы-производителя перед названием и после него могут стоять различные буквы. Отечественный аналог — К155ЛА3. Внутри этой микросхемы 4 логических элемента «И-НЕ» (англ. «NAND»), у каждого из элементов по два входа, замкнув их между собой получим элемент «НЕ». Но в данном случае логические элементы будут использоваться в «аналоговом режиме». Схема генератора такая:

Элементы DA1.1 и DA1.2 генерируют сигнал, а DA1.3 и DA1.4 — формируют четкие прямоугольники. Частота генератора определяется номиналами конденсатора и резистора и вычисляется по формуле: f=1/(2RC). К выходу генератора подключен любой динамик. Если взять резистор на 5,6кОм и конденсатор на 33нФ получим примерно 2,7кГц — эдакий пищащий звук. Вот так это выглядит:

На верхние по фотографии линии питания подключено 5В с собранного ранее стабилизатора напряжения. Для удобства сборки приведу словесное описание соединений. Левая половинка сегмента(нижняя на фото):
Конденсатор установлен в гнезда №1 и №6;
Резистор — №1 и №5;
Перемычки установлены между следующими гнездами:
№1 и №2;
№3 и №4;
№4 и №5;
№7 и минусовой линией питания.
Правая половинка сегмента(верхняя на фото):
перемычки установлены между следующими гнездами:
№2 и №3;
№3 и №7;
№5 и №6;
№1 и «плюс» питания;
№4 и «плюс» динамика;
Кроме того:
перемычки между разъемами №6 левой и правой половинок;
— между левой и правой «минусовыми» линиями;
— между минусом питания и "-" динамика;
микросхема устанавливается так, как на фото — первая ножка в первый разъем левой половинки. Первую ножку микросхемы можно определить по так называемому ключу — кружочку(как на фото) либо полукруглому вырезу в торце. Остальные ноги ИМС в DIP-корпусах нумеруются против часовой стрелки.
Если все собрано правильно — при подаче питания динамик должен запищать. Изменяя номиналы резистора и конденсатора можно проследить за изменениями частоты, но при сильно большом сопротивлении и/или слишком малой емкости схема работать не будет.
Теперь изменим номинал резистора на 180кОм, а конденсатор на 1мкФ — получим клацающе-тикающий звук. Заменим динамик на светодиод подключив анод (длинная ножка) к 4 разъему правой половики, а катод через резистор 300Ом-1кОм к минусу питания, получим мигающий светодиод, который выглядит вот так:

А теперь добавим еще один такой же генератор так, чтобы получилась такая схема:

Генератор на DA1 генерит низкочастотный сигнал ~3Гц, DA2.1 — DA2.3 — высокочастотный ~2,7кГц, DA2.4 — модулятор, который их смешивает. Вот такая должна получится конструкция:

Описание подключений:
Левая половинка сегмента(нижняя на фото):
Конденсатор С1 установлен в гнезда №1 и №6;
Конденсатор С2 — №11 и №16;
Резистор R1 — №1 и №5;
Резистор R2 — №11 и №15;
Перемычки установлены между следующими гнездами:
№1 и №2;
№3 и №4;
№4 и №5;
№11 и №12;
№13 и №14;
№14 и №15;
№7 и минусовой линией питания.
№17 и минусовой линией питания.
Правая половинка сегмента(верхняя на фото):
перемычки установлены между следующими гнездами:
№2 и №3;
№3 и №7;
№5 и №6;
№4 и №15;
№12 и №13;
№12(13) и №17;
№1 и «плюс» питания;
№11 и «плюс» питания;
№14 и «плюс» динамика;
Кроме того:
перемычки между разъемами №6 левой и правой половинок;
перемычки между разъемами №16 левой и правой половинок;
— между левой и правой «минусовыми» линиями;
— между минусом питания и "-" динамика;
микросхема DA1 устанавливается так же, как и в предыдущем случае — первая ножка в первый разъем левой половинки. Вторая микросхема — первой ножкой в разъем №11.
Если все сделать правильно, то при подаче питания динамик начнет издавать по три пика каждую секунду. Если в те же разъемы(параллельно) подключить светодиод, соблюдая полярность, получится такой девайс, напоминающий по звукам крутые электронные штуковины из не менее крутых боевиков:
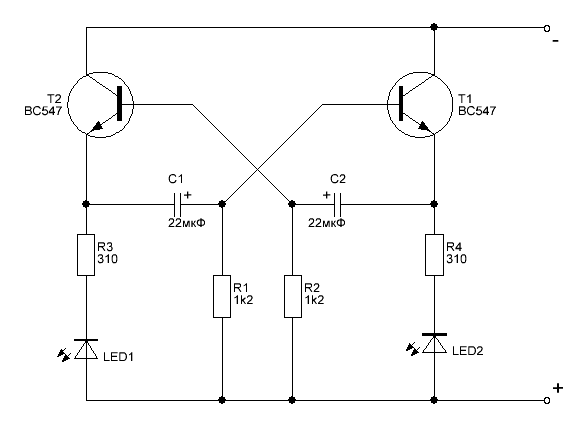
Мультивибратор на транзисторах
Данная схемка — скорее дань традициям так как в былые времена почти каждый начинающий радиолюбитель собирал подобную.

Для того, чтобы собрать подобную понадобятся 2 транзистора BC547, 2 резистора на 1,2кОм, 2 резистора на 310Ом, 2 электролитических конденсатора на 22мкФ и два светодиода. Емкости и сопротивления необязательно соблюдать точно, но желательно чтобы в схеме было по два одинаковых номинала.
На плате устройство выглядит следующим образом:

Цоколевка транзистора следующая:

B(Б)-база, C(К)-коллектор, E(Э)-эмиттер.
У конденсаторов минусовый выход подписан на корпусе (в советских конденсаторах подписывался "+").
Описание подключений
Вся схема собрана на одной (левой) половинке сегмента.
Резистор R1 — №11 и "+";
резистор R2 — №19 и "+";
резистор R3 — №9 и №3;
резистор R4 — №21 и №25;
транзистор Т2 — эмиттер -№7, база — №8, коллектор — №9;
транзистор Т1 — эмиттер -№23, база — №22, коллектор — №21;
конденсатор С1 — минус — №11, плюс — №9;
конденсатор С2 — минус — №19, плюс — №21;
светодиод LED1 — катод-№3, анод-"+";
светодиод LED1 — катод-№25, анод-"+";
перемычки:
№8 — №19;
№11 — №22;
№7 — "-";
№23 — "-";
При подаче напряжения 4,5-12В на линии питания должно получится примерно такое:
В заключение
В первую очередь статья ориентирована на тех, кто хочет «поиграться», поэтому я не приводил описаний принципов работы схем, физических законов и пр. Если кто задастся вопросом «а почему же оно мигает?» — в интернете можно найти кучи объяснений с анимациями и прочими красивостями. Кто-то может сказать что брэдборд не подходит для составления сложных схем, но а как насчет этого:

а бывают и еще более страшные конструкции. По поводу возможного плохого контакта — при использовании деталей с нормальными ножками вероятность плохого контакта очень мала, у меня такое случалось всего пару раз. Вообще подобные платы уже всплывали здесь несколько раз, но как часть устройства построенного на Ардуино. Честно говоря, я не понимаю конструкции типа этой:

Зачем вообще нужно Ардуино, если можно взять программатор, прошить им контроллер в DIP-корпусе и установить его в плату, получив более дешевое, компактное и портативное устройство.
Да, на breadboard нельзя собрать некоторые аналоговые схемы чувствительные к сопротивлению и топологии проводников, но они попадаются не так уж часто, тем более среди новичков. а вот для цифровых схем здесь почти нет никаких ограничений.
PS:Шпаргалки для тех, кто делает первые шаги
Автор: KoteSoft
