
Перевод статьи с сайта самодельщицы Джастин Хопт
Поскольку я получила неимоверное количество запросов от людей, желающих купить дисковый сотовый телефон, у себя на сайте я выложила набор для его сборки, где есть только всё самое «сложное» (напечатанный корпус с кнопками и плата); номеронабиратель и другие детали вам нужно будет искать самостоятельно.
Почему я решила сделать сотовый телефон с дисковым номеронабирателем? В капризном и раздражающем сенсорном мире чрезмерно связанных друг с другом людей, использующих телефоны, которые они не могут ни понять, ни контролировать, мне захотелось сделать что-то полностью моё, личное и очень тактильное, при этом дающее мне повод не отправлять текстовые сообщения.
Суть не в анахронизме. Я хотела показать, что можно получить вполне пригодный для использования сотовый телефон, максимально далеко отошедший от сенсорного экрана, и в некоторых случаях превосходящий его по функциональности. В каких же?
- Реальная съёмная антенна с разъёмом SMA. Приём получился отличным, а если надо, я всегда могу прикрутить туда направленную антенну.
- Когда мне нужен телефон, мне не надо продираться сквозь меню для вызова «приложения». Хрень какая-то.
- Если я захочу позвонить мужу, я смогу сделать это нажатием на отдельную специальную физическую кнопку. Никаких меню. Суть не в том, чтобы использовать дисковый номеронабиратель для каждого звонка – в ежедневном режиме это может и утомить. Самые частые мои адресаты сохранены в памяти, а если мне нужно будет набрать новый номер или сделать что-то вроде настройки громкости, тогда я могу использовать прикольный и приятный дисковый набор.
- Почти мгновенно работающий индикатор силы сигнала и уровня батареи высокого разрешения. Никакой задержки измерения силы сигнала, а мой светодиодный индикатор даёт мне 10 разрядов вместо 4.
- Бистатический дисплей «электронная бумага» – он не тратит энергии на показ фиксированной информации.
- Если я захочу поменять схему поведения телефона, я просто поменяю её.
- Выключатель – реальный, физический переключатель. Никакого удерживания тупой кнопки, без уверенности в том, выключилось оно там или как.
Поэтому это не просто проект для демонстрации. Я намереваюсь использовать его в качестве основного телефона. В карман он влезает, получился достаточно компактным, позвонить людям, с которыми я чаще всего говорю, получается быстрее, чем со старого телефона, а аккумулятора хватает почти на 24 часа.
Проект с открытым кодом: заметки о сборке, неожиданности и пояснения; файлы для создания.
История проекта
Изначально я планировала сделать всё на скорую руку. Я разложила всё на столе, чтобы доказать работоспособность проекта, и использовала в качестве контроллера Arduino Micro:
Затем я подумала, что просто засуну всё в корпус, распечатанный на 3D-принтере. Назовём это вер. 1:

Однако результат оказался слишком хрупким. Нельзя было открыть его для починки чего-либо, не сломав чего-то другого. Хорошо, решила я – значит, придётся делать всё на печатной плате. Появилась вер. 2:



Всё работало, однако со всяческими проблемами. Аккумулятора хватало на 2 часа. Большой ошибкой было использовать Adafruit FONA 2G – я не знала, что 2G-сети закрываются. Однако соблазнительно близко к тому телефону, который я реально хотела получить.
Снова переделала дизайн. Получилась текущая, и пока финальная версия. 2-я версия использовала микроконтроллер ATmega2560, а 3-я использует ATmega2560V – вариант с низким энергопотреблением. Программируется в Arduino IDE так, будто это Arduino Mega2560.
Общая схема:
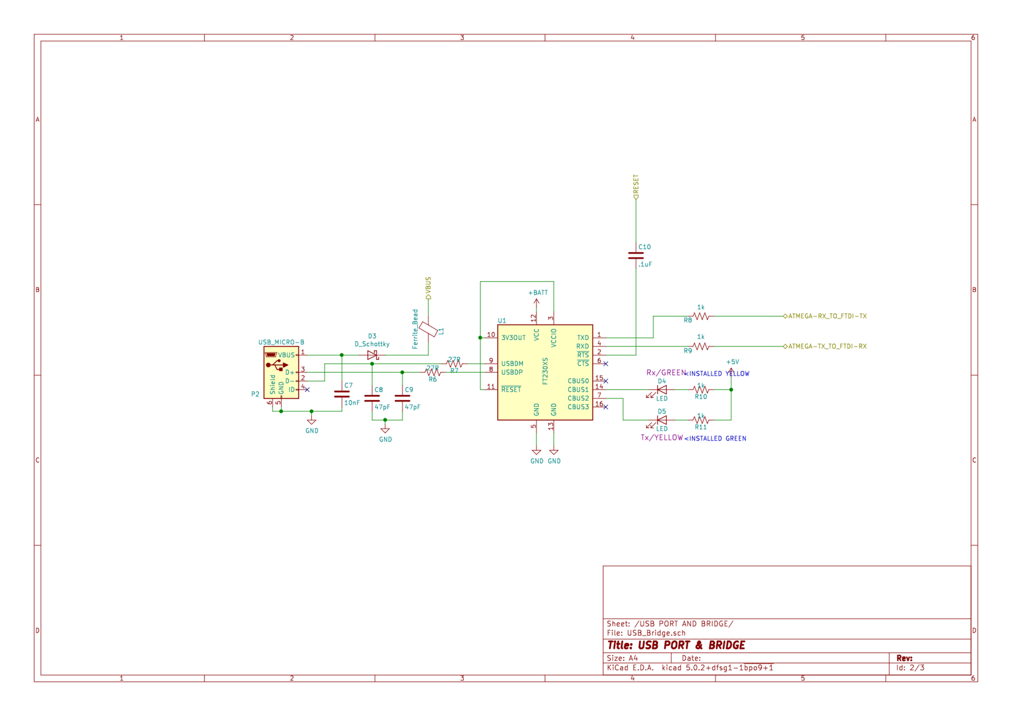
USB bridge:
Это не работает. Виновник:
Схема выглядит так. Все реальные файлы для KiCad можно скачать по ссылке выше:
Отладка последовательного подключения к FONA:

На фоне, кстати, стоит Rigol MSO1104Z – чудесный подарок от мужа на годовщину:

Законченный проект, вид сверху:

Дисплей ePaper:

Изогнутый дисплей ePaper был добавлен в последнюю минуту творческого процесса, однако теперь это моя любимая часть. Я представляю себе, что у экрана есть две части – одна смотрит на верхнюю часть телефона, а вторая находится сзади. Таким образом можно выводить нужные сообщения на верхнюю часть дисплея в стиле пейджера – к примеру, последний пропущенный звонок:

При этом задняя часть дисплея доступна для других сообщений, списка контактов, и т.п.:

Ещё один ракурс:


Автор: Вячеслав Голованов




