Зачем всё это?
Создать комфорт в квартире не самая простая задача для жителя мегаполиса, для меня это немыслимо без тишины и чистого воздуха.
Вопрос с уменьшением уровня шума я решил установив многослойные стеклопакеты, хотя сигнал спецтранспорта иногда пробивается и сквозь них, но не все так просто. При установке пластиковых окон в старом жилом фонде, возникает проблема с запотеванием окон. При строительстве таких домов приточная вентиляция не предусматривалась, а так называемая естественная вентиляция, осуществлялась через щели в деревянных окнах.
На стадии ремонта я понимал, что хочу автоматизировано контролировать качество воздуха в квартире, также знал о вероятных проблемах с запотеванием окон. Понимания по производителю будущей приточной вентиляции не было, поэтому заранее в стене было проделано отверстие диаметром 160 мм с запасом под воздуховод диаметром 150 мм, и проведены провода электропитания в предполагаемое место установки приточной вентиляции.

Я совершенно не хотел делать вентиляцию сам, обзвонил и обошел пару – тройку организации. Одни говорили мне, что им нужно делать проект за ~ 100 тыс. руб. чтоб обеспечить вентиляцией квартиру 45 метров, у других было дикое непонимание, зачем мне вентиляцию встраивать в умный дом. Один из более-менее адекватных менеджеров предложил мне установить просто вентилятор и бегать включать / выключать автомат (автоматизация мечты), его совет был отчасти полезным т.к. он пояснил, что в моём городе очень редко бывают низкие температуры и навороченные системы с подогревом воздуха не потребуются, достаточно «вентилятора». Так и родилась идея найти блок управления / реле + фильтр, и сделать себе простую, дешевую, пригодную для самостоятельного ремонта приточную вентиляцию.
Монтаж
Воздушный фильтр
Изучив предложения на нашем рынке я не смог найти ни одного фильтра, который включал бы в себя хотя бы три фильтрующих элемента (механика, HEPA, уголь ), был не гигантского размера и выглядел не как кусок железа согнутый где-то в подвале. Пришлось заказывать фильтр в Китае. Я купил фильтр с “четырьмя” (по факту три пластины) фильтрующими элементами. Примерное описание из рекламы:
- Первая ступень очистки — механическая очистка: большие частицы пыли, пыльца, пух и другие
- HEPA — PM2.5, мелкие частицы, дым
- Угольный фильтр — активированный уголь может поглощать газы, такие как аммиак, NO2, бензол и устранять запах, включая дым
- Пластина с покрытием ионами серебра — может адсорбировать и устранять запахи, бензол, аммиак, диоксид серы, угарный газ, оксид азота. (звучит как чистый маркетинг)
Корпус приобретённого фильтра — металлический, хорошо окрашен, с диаметр присоединения 150мм.

Установить воздушный фильтр я старался максимально удобно, чтобы можно было легко заменить фильтрующие элементы. Прикрутил его шпильками, притянув к стене.

Шумоглушитель
Шумоглушитель является важным элементом вентиляции, особенно если есть требования по тишине. Шумоглушитель был установлен на мебельный кронштейн, намертво прикрученный к стене. Далее, к нему нужно было присоединить вентиляционные каналы, но выходы шумоглушителя имеют диаметр 160 мм, а каналы имеют диаметр 150 мм. В ближайшем строительном магазине был найден универсальный переходник диаметром 80/100/120/125/150/160 мм, который почти идеально подошел к моему шумоглушителю (на фото примерка, лишнее было отрезано). Переход, конечно, установлен неверно, так как он фактически был забит внутрь шумоглушителя, с задачей справляется, герметичность соединения была обеспечена армирующей алюминиевой лентой. Я установил только один шумоглушитель — после канального вентилятора, до канального вентилятора ставить шумоглушитель не было возможности, и смысла в этом нет т.к. вентилятор не шумит.

Вентканалы
Вентканалы резал обычным канцелярским ножом, из всех сил надавливая и пытаясь прорезать с первого раза, за что поплатился глубоким порезом с семью швами и сразу научился как делать это безопасно.

Если следовать рекомендациям, то на каждый поворот воздуховодов нужно было делать два колена по 45 градусов, но я решил, что это для меня слишком сложно, и взял просто 5 колен для круглых воздуховодов диаметром 150 мм 90 градусов. Все воздуховоды, места соединений, колена обернул самоклеющейся изоляцией, не спрашивайте зачем, просто захотелось, все соединения дополнительно обернул алюминиевой армирующей лентой, для большей герметичности. Пластиковый воздуховод диаметром 150 мм, обернутый два раза изоляцией, достаточно плотно встал в заранее подготовленное в стене отверстие диаметром 160 мм.
Канальный вентилятор
Канальный вентилятор для воздуховодов диаметром 150 мм 44 дБ 520 м³/ч, был куплен в строительном магазине. Вентилятор был установлен на стену посредством комплектного крепления. Вентилятор рассчитан на регулировку оборотов в двух режимах — Low и Max, если требуется ступенчатая регулировка скорости, то для этого нужно было подключить блок управления на клемму Max и управлять скоростью работы двигателя вентилятора по напряжению.
Блок управления
Блок управления, как и сам фильтр купил в Китае. Моими требованиями были:
- Возможность интеграции с Home Assistant
- Управление по zigbee через z2m
- Разные скорости работы вентилятора
- Возможность установки воздушной заслонки
- Круглый подрозетник
- Возможность автономного управления без умного дома
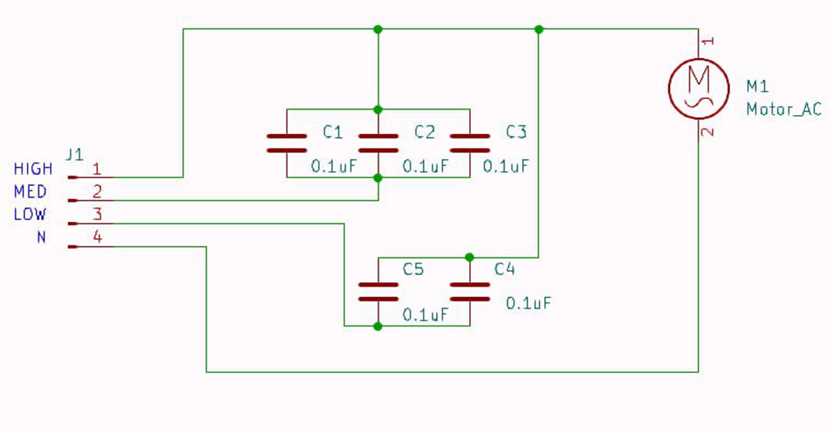
Сначала блок управления вентиляцией был просто подключен «в розетку» и без проблем определился в Home Assistant через Zigbee2MQTT, появилась возможность щелкать реле и «управлять» скоростью работы двигателя вентилятора. Блок управления имеет три ступени регулировки скорости двигателя, двигатель имеет две скорости, но мне хотелось иметь все три скорости и для этого я решил реализовать регулировку скорости вращения с помощью биполярных конденсаторов.

В наличии было 5 конденсаторов К73-17 0.01 мкФ 400В, эмпирически (пример расчёта ниже) было подобрано количество конденсаторов в соответствии с желаемой скоростью. В результате у нас используется три канала управления скоростью двигателя со следующей конфигурацией:
- Максимальная скорость — используется прямое подключение двигателя без применения конденсаторов. (канал реле High);
- Средняя скорость вращения — используется три конденсатора в качестве реактивного сопротивления. (канал реле Med);
- Низкая скорость — используется два конденсатора в качестве реактивного сопротивления. (канал реле Low);
Согласно формуле расчета реактивного сопротивления конденсатора ( Xc = 1/(2𝜋FC) ), мы получим следующие значения:
- На канале Med: 10,62 Ом
- На канале Low: 15,92 Ом
Схема подключения двигателя:

(В ходе реализации был получен урок, что нельзя брать за обе ножки конденсатора после отключения их от цепи, потому что происходит разрядка накопленного заряда в тело человека)

Соединения были пропаяны и изолированы с помощью термоусадочной трубки, для надёжности замотано изолентой:

Воздушный клапан
Воздушный клапан с электроприводом также был приобретен в Китае, протестирован в связке с блоком управления, но я установил простой лепестковый, чтобы вентиляция могла работать в пассивном режиме.

Финальные штрихи
Установил диффузор (анемостат) и блок управления:

Финальный вид

Автоматизация
Вентиляция смонтирована, работает, но включать её руками, даже если это просто клик мышкой, в мои планы не входило. Для полной автоматизации с контролем качества воздуха, заказал у друга его DIY датчик качества воздуха, данное устройство прописали в configuration.yam, также подробнее про интеграцию можно прочитать тут. Настроил автоматизацию управления вентиляцией по показателям качества воздуха через Node-RED. Теперь мой умный дом контролирует качество воздуха по датчику и управляет вентиляцией.
Как это выглядит у меня в интерфейсе:


Фото фильтров спустя полгода эксплуатации
В середине лета проведена замена фильтров, фото не сделал, состояние фильтров было примерно такое же, единственное различие в том что на первичном фильтре был валенок из тополиного пуха.


Весь этот мусор и пыль могли быть в квартире.
Выводы
Я доволен. Вся система была собрана в декабре 2022, прошел год, работает стабильно. Как и планировалось, окна в квартире я не открываю, качество воздуха контролируется, выпадение конденсата в зимний период на окнах не случалось.
Мой проект обошелся мне в среднюю цену бризера. Поставил бы я себе бризер вместо того что у меня сейчас есть? Определенно нет. Единственное, что я бы добавил это — второе отверстие в стене для принудительной вытяжной вентиляции.
Детализация расходов по проекту (декабрь 2022 г.):
- Отверстие диаметром 160 мм для вентиляционного канала: 6 000 р.
- Канальный вентилятор: 6 500 р.
- Воздушный фильтр: 4 000 р.
- Блок управления: 3 000 р.
- Шумоглушитель: 5 000 р.
- Вент каналы, соединители вент каналов, скотч, изоляция, крепления, кабель каналы, коробки, провода и прочие расходные материалы: примерно 5 000 р.
- Датчик качества воздуха: 2 500 р.
Итого: ~ 32 000 р.
Плюсы:
- Чистый воздух
- Тишина (вентилятор на балконе)
- Удобное управление через умный дом
- Внешний вид (в квартире не висит никаких ящиков)
- Есть привычное аналоговое управление
- Может работать независимо от умного дома
- Возможность в любой момент доработать как угодно
- Простота решения
- Нет необходимости открывать окна
Минусы:
- Требует времени и усилий
- Травмоопасность при монтаже
- Сложно реализовать если нет балкона
Спасибо за внимание! Надеюсь, мой опыт будет Вам полезен.
Автор: Anton
