Очень часто в разных местах требуется освещение типа «лишь бы не полная тьма». Например, лестничная клетка многоквартирного дома, где иголки на полу искать не требуется, а достаточно лишь минимального света, чтобы не оступиться или иметь возможность попасть ключом в замочную скважину. Обычно, в таких случаях, вкручивается либо 20-40 ваттная «лампочка Ильича» или «экономичная» на 7-9Ватт. Лампа накаливания имеет свойство часто перегорать, а «экономички», просто, банально крадут (у меня с лестничной клетки, за 3 года, стырили штук пять, мною вкрученных — мелочь, но неприятно). Если вам нужен экономичный и защищенный от воровства (ну, скажем так, более защищенный, чем просто лампочка) источник света, то читайте дальше.
Для освещения будем использовать мощные светодиоды 0,5 Ватт калибра 7.62мм (да-да, тот самый), они достаточно ярки и им не нужен внешний дополнительный радиатор, в отличие от более мощных собратьев «звёздочек» по 1-3 Ватта. В моей конструкции используются четырехногие белые светодиоды 7,62мм 100мА с углом рассеивания 140°. Падение напряжения на светодиоде возьмём ~3.3В. Питать будем от сети 230Вольт. По закону Ома величина гасящего сопротивления должна быть (230В-3.3*3)/0.1А=2200Ом. Рассеиваемая на нём мощность, соответственно, составит более 20Ватт. Резистор с такими параметрами имеет весьма внушительные размеры и, к тому же, будет сильно греться. Мы пойдём другим путём и используем в качестве сопротивления конденсатор.

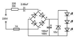
Классическая схема с гасящим конденсатором.
Из курса электротехники известно, что конденсатор в цепи переменного тока имеет реактивное сопротивление Xc=1/(2πfC), где f-частота, C — ёмкость конденсатора. Чтобы получить сопротивление конденсатора в районе 2200Ом при частоте 50Гц, ёмкость должна быть C=1/(2*3.14*50*2200)=0.0000014Фарад. или ~1.4мкФ. Это очень грубый расчет, где не берётся во внимание наличие в схеме выпрямительного моста и сглаживающего конденсатора. Сделаем запас на прочность, взяв ток в 75% от расчётного (яркости светодиодов будет достаточно, а режим их работы станет более щадящим), и возьмём конденсатор ёмкостью 1мкФ. Яркости будет достаточно даже при 0.68мкФ.
ВНИМАНИЕ! В качестве гасящих рекомендую использовать только специальные помехоподавляющие конденсаторы класса X2, на напряжение не менее 250Вольт. Обычно такие конденсаторы имеют прямоугольную форму и много всяких значков-сертификатов на корпусе.Использование неподходящих конденсаторов может привести к пожару!
Резистор 220 Ом уменьшает бросок тока через конденсатор, при включении. Ведь, разряженный конденсатор, в момент включения, имеет очень маленькое сопротивление и, через всю схему, на доли секунды, протекает очень большой ток. Дополнительно, для защиты светодиодов от бросков тока в момент включения и в процессе работы, в схему включены электролитический конденсатор и мощный стабилитрон.
Макет «на весу»:

Для изготовления понадобятся:
- небольшая разветкоробка (корпус)
- 3 светодиода 0,5 Ватт 100мА
- диодный мостик на напряжение не менее 400В и ток 1-2А)
- стабилитрон на 5Ватт 15-18 Вольт (такой запас не повредит)
- электролитический конденсатор 100мкФ на напряжение 100В
- конденсатор (класса X2) 0.68-1мкФ на напряжение не менее 250В
- резистор 1-2 Ватта на 150-200 Ом.
- предохранитель на 1-2 Ампера (на всякий пожарный)
- колодка (клемник) на два контакта

ВНИМАНИЕ! При работе устройства все элементы схемы находятся под опасным для жизни напряжением! Соблюдайте технику безопасности и осторожность! Даже при полном отключении от сети конденсатор продолжительное время сохраняет заряд. При касании его выводов можно получить неприятный удар током. Параллельно гасящему конденсатору можно подключить резистор сопротивлением 500КОм — 1МОм, он будет разряжать конденсатор при выключении.
Данное устройство освещает мою лестничную клетку уже в течении трёх месяцев и не вызывало нареканий.
Использованые материалы:
1) Бирюков С. Расчет сетевого источника питания с гасящим конденсатором — журнал «Радио» за 1997 год, Nr. 5, с. 48 — 50.
Автор: lnx
