
Здравствуй!
Наша первая публикация посвящена актуальному в это время года вопросу: отоплению дома. Многие идеи решений на основе наших товаров приходят к нам извне. Вот и в этот раз нам позвонил клиент и попросил помочь автоматически поддерживать температуру и создать удаленное управление отоплением дома, оборудованного двумя дровяными печами. Мы искренне посмеялись, но проблему-то надо решать.
Итак, на входе имеем качественно утеплённый дом, где хозяева живут только на выходных. Собственно, можно считать это дачей. В доме есть две дровяные печи (что это за дача без камина, правда?), и есть внешний источник питания, электросеть с низким ночным тарифом. Что нужно получить на выходе? Экономное отопление в течение всей недели, а не только по выходным, и возможность вмешаться, при необходимости, через СМС.
Решение
Для того, чтобы отапливать дом по выходным, было решено использовать все те же печи. Достоинства кирпичной печи очевидны — нагревается она достаточно быстро, а тепло отдает очень долго, сохраняя приемлемое значение температуры в помещении (приемлемое для сохранности самого помещения, где нет лишней влаги, нет риска промерзания труб и прочих «радостей»).
Но как обеспечить нагрев печи в будни, когда владельцев дома нет? Решение неожиданное — в прочистное отверстие устанавливается электронагреватель (ТЭН) мощностью в 1 кВт, для основной печи, и 0,5 кВт — для вспомогательной. Мощность выбрана таким образом, чтоб можно было поддерживать температуру в доме в отсутствие хозяев. Цель, полностью обогревать дом, не ставилась. Для этого как раз есть дровяные печи.

ТЭН устанавливается не наглухо, так что прочистная дверца, при необходимости, сохраняет свою функциональность.

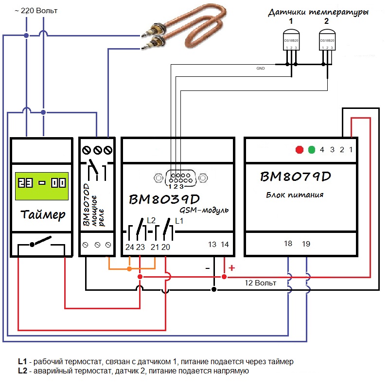
Управление ТЭН-ами
Для того, чтобы иметь возможность удаленно управлять нагревом печи в будни, используется подключение через автомат, в котором размещается и блок управления с SMS-модулем.
Что было использовано:
BM8039D — «Гардиан» основной блок — 1 шт.
BM8070D — силовое реле 16А — 1 шт.
BM8079D — блок питания — 1 шт.
NM18B20 — комплект из 2-х термодатчиков — 1 шт.
Программируемый таймер ИЕК — 1 шт.
Как это подключить?
Для экономии средств и деталей датчики температуры были подключены непосредственной к разъему DB9 на передней панели ВМ8039D. Понадобилось одно мощное реле BM8070D, способное справиться с силой тока в 7А (реле может выдержать и двукратную нагрузку). Датчики температуры подключались при помощи витой пары.
Как это работает?
Всего используется два термостата, основной (с мониторингом нагрева помещения в ночное время суток, температура — 20 градусов) и вспомогательный, который следит за тем, чтобы температура не понижалась ниже 8 градусов выше нуля.
Вся система работает с 11 вечера до 7 утра на дешевом ночном тарифе. За это время печка нагревается, и в светлое время суток постепенно отдает тепло помещению, не давая температуре опуститься до отрицательных величин (тут стоит вспомнить о вспомогательном термостате, который следит за температурой в любое время суток, не давая опуститься ей ниже 8 градусов выше нуля. Если на улице сильные морозы, то накопленной печкой тепловой энергии может и не хватить для поддержания температуры выше 8 градусов. И если что, аварийный/вспомогательный термостат начинает работать, нагревая дом до 8-12 градусов Цельсия за счет дорогого дневного тарифа.
При этом владелец дома получает SMS-уведомления о температуре в помещении. Если что-то идет не так, при помощи SMS можно включить систему на обогрев.
Схема нагревательной системы

Термостат L1 подает напряжение на нагреватель, только если сработал «ночной» таймер. А вот вспомогательный термостат подает напряжение сразу же, напрямую
Владелец дома и двух дровяных печей доволен результатом. А мы — интересной задачкой. Подкидывайте еще ;)
UPDATE: Нас критикуют в комментах за использование ТЭНов, как не самых эффективных источников тепла. И за нагревание воздуха в печи, а не неподсредственно ее массы. Дело в том, что тепловую часть клиент создавал сам, исходя из наличия у него ТЭНов и нежелания проводить строительные работы. Наша задача была — помочь ему всем этим управлять. Мы эту задачу выполнили. Причем, электронная часть будет работать с любыми другими электрическими нагревателями — главное, чтоб хватило мощности реле.
Автор: alliv
