Первая в мире видеокамера без батареек

в 21:06, , рубрики: автономное питание, видеокамера, Интернет вещей, ионистор, фотодиод, Фототехника, Энергия и элементы питания, метки:

Первая в мире видеокамера без батареек - 1

Инженеры из Колумбийского университета намерены совершить настоящую революцию в фото-и видеосъёмке. Они разработали первую в мире камеру, не требующую внешних источников питания. Камера сама себя питает энергией, которая поступает на светочувствительный сенсор!

Дизайн простой: каждый фотодиод в сенсоре попеременно работает в двух режимах: сначала записывает количество фотонов, а потом генерирует ток в фотоэлектрическом режиме. Ток стекает в ионистор (суперконденсатор), который питает электронную схему.

В таком режиме камера может работать вечно, при условии освещённости более 300 люкс.

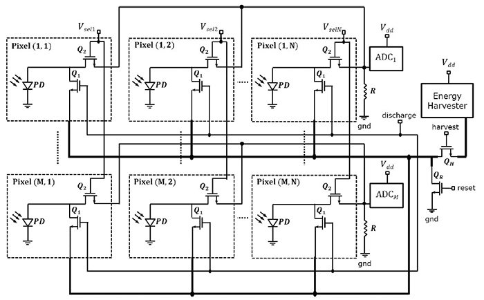
Электрическая схема
Первая в мире видеокамера без батареек - 2

Архитектура сенсора
Первая в мире видеокамера без батареек - 3

Энергии хватает, чтобы снять изображение с частотой 30 кадров/с и передать его по кабелю на компьютер. В камере пока нет собственного записывающего устройства, но его планируют добавить в будущем.

Первый экспериментальный сенсор имеет низкое разрешение: всего 40х30 пикселов.

Первая в мире видеокамера без батареек - 4

Но это уже технические детали. Учёные доказали жизнеспособность концепции и сделали работоспособный прототип. Вероятно, более продвинутый сенсор можно просто составить из большого количества таких модулей — разрешение увеличится чисто механически.

Вот как выглядит видео, сделанное полностью автономной камерой.

Сенсор не сможет работать в условиях низкой освещённости, но при увеличении количества света напряжение в цепи резко возрастает. На графике показано напряжение с одного фотодиода.

Первая в мире видеокамера без батареек - 5

Исследование финансируется Военно-морским министерством США. Официальная презентация научной работы состоится на Международной конференции по вычислительной фотографии 24-26 апреля в Хьюстоне.

Сейчас в мире около 2 миллиардов цифровых камер и камера-модулей. Но если они станут работать без дополнительного питания, то эту цифру можно смело увеличивать в несколько раз. Полностью автономные камеры найдут применение в носимой электронике, сенсорах и других устройствах. В идеале, гаджеты различной функциональности смогут объединиться в глобальную Сеть, которая не потребует внешнего питания, извлекая всю необходимую энергию из окружающей среды.

Автор: alizar

Источник

* - обязательные к заполнению поля


https://ajax.googleapis.com/ajax/libs/jquery/3.4.1/jquery.min.js