
Речь идёт о несложных давних конструкциях деревенского любителя, примечательных только реализацией: подножные материалы, имевшийся под рукой невеликий ассортимент элементов, буквально наколенная сборка чуть не в полевых условиях, причём некоторые решения можно расценить не иначе как технический курьёз.
Частотомер-цифровая шкала Денисова
Простейшая универсальная конструкция на популярном микроконтроллере, к превеликому моему удивлению, нашедшемся в местном радиомагазине с элементами питания, фонариками и дешёвыми наушниками.

Рис. 2. Цифровая шкала-частотомер на PIC16F84 [1]. Схема принципиальная. Измеряемая частота — 10 Гц…30 МГц перекрывает любительские коротковолновые нужды, чувствительность по входу 250 мВ, питание 8…12 В, 35 мА. Кроме прямого измерения частоты входного сигнала, схема умеет прибавлять или вычитать произвольную фиксированную частоту для работы цифровой шкалой в супергетеродинных схемах
Набор элементов для схемы простой, микроконтроллер удалось приобрести, дешифратор и мелочи нашлись в собственных закромах. Камнем преткновения оказался индикатор. В схеме применена старорежимная необычная сборка — АЛС318 с миниатюрными знаками под индивидуальными пластиковыми линзами. Найти такой или даже просто подобные одиночные — с общим катодом и в должном количестве, «в те времена далёкие, сейчас почти былинные», когда дистанционная интернет-торговля не была столь распространённым и привычным делом, в моей глуши оказалось непросто. Отчаявшись, поступил радикально — самостоятельно набрал сегментные цифры из имевшихся светодиодов в плоском прозрачном корпусе.

Фото 3. Цифры на пробу нарисовал в Автокаде в нескольких типоразмерах, выбрал понравившиеся. Несмотря на более грубое начертание без хвостиков, нежели сегменты фабричного индикатора, знаки легко узнаются. Соединить же их электрически можно как душа пожелает
Платку частотомера выполнил в исходном авторском варианте, для индикаторов нарисовал свою. С обратной стороны последней, на печатных дорожках уютно расположились транзисторные ключи [2] (на схеме не показаны). Свою платку с индикаторами проектировал так, чтобы она бутербродным образом собиралась с частотомером.
Выкроил заготовки фольгированного материала, мелкой наждачкой зачистил медный слой, прилепил распечатанный бумажный шаблон с рисунком дорожек. Накернил, просверлил отверстия шуруповёртом, а они тогда были с крупными тяжёлыми Ni-Cd батареями, удалил заусенцы от сверления, нарисовал дорожки битумным лаком рейсфедером из пластиковой трубочки, а кое-где и заточенной спичкой. После высыхания отретушировал рисунок шилом и стравил незащищённую медь в каком-то из популярных составов, удалил лак клочком х/б ветоши, смоченной ацетоном.

Фото 4. Медные дорожки залудил и собрал несложную схему. Контроллер установлен съёмно, через панельку, что пригодилось. На фото — первое пробное включение, проверка работоспособности. Сигнал подал с выхода звуковой платы компьютера при работе программы-звукового генератора. Надо же, работает

Фото 5. Вид на работающий индикатор в исходном виде. Элементы последнего символа не впаяны. Без полупрозрачного светофильтра цифры читаются плоховато, светодиоды слегка засвечивают друг друга сбоку

Фото 6. Полностью убрать паразитную боковую засветку элементов удалось чёрным непрозрачным термоклеем — полностью залил светодиоды лужицей примерно до половины их высоты, дождался остывания заливки, срезал ножом лишнее и сточил часть корпусов светодиодов на средней наждачке, положенной на твёрдую ровную поверхность. Получилось чудо как хорошо — сегменты ярко и ровно освещены, совершенно не мешают друг другу, цифры различить легко. Собственно, конструктив повторяет фабричный

Фото 7. Вид модуля частотомера с обратной стороны

Фото 8. Модуль частотомера в качестве цифровой шкалы в трансивере прямого преобразования RA3AAE на 160 м
Программирование PIC микроконтроллера
Для заливки готовой программы во флеш-память PIC16F84 собрал несложный программатор [3].

Рис. 9 Программатор PIC16F84, схема принципиальная. Внешнее питание, подключение к компьютеру через LPT порт, такие тогда ещё встречались. Для работы рекомендуется [3] IC-Prog

Фото 10. Собранный программатор в работе, источник питания не показан. По сравнению со схемой (Рис. 9) добавлены светодиоды индикации питания +5 В и включения транзистора
▍ Доработка частотомера на PIC16F84
Несложная переделка схемы [4] — несколько перемычек, несколько разрезанных дорожек, заменённый на PIC16F628A с новой прошивкой контроллер и новый формирователь входного сигнала на двухзатворном полевом транзисторе существенно расширили параметры и возможности прибора, начисто избавили его от помаргивания индикаторами.

Фото 11. Извлечённый из морально устаревшего и собранного с конструктивными ошибками трансивера модуль, доработан согласно [4], снабжён собственным внешним стабилизированным блоком питания

Фото 12. Обновлённый частотомер с сетевым БП смонтирован в фанерной коробке. Около входного разъёма гнездо питания +12 В для внешних приставок, например, измерения частоты контуров, индуктивности катушек, проверки кварцевых резонаторов
Ретрочастотомер на жёсткой логике
Собран в учебно-тренировочных целях, чтобы с наслаждением и вдумчиво потыкать осциллографом и посмотреть, как проходит и преобразуется сигнал. Подобных схем в былые времена в радиолюбительской литературе опубликовано превеликое множество — с небольшими отличиями, на разных сериях микросхем, с разной индикацией. Основную счётную часть выбрал с описанием получше и поподробнее, на имеющихся микросхемах. К ней приладил свою индикацию и входной формирователь, собрал подходящий блок питания.

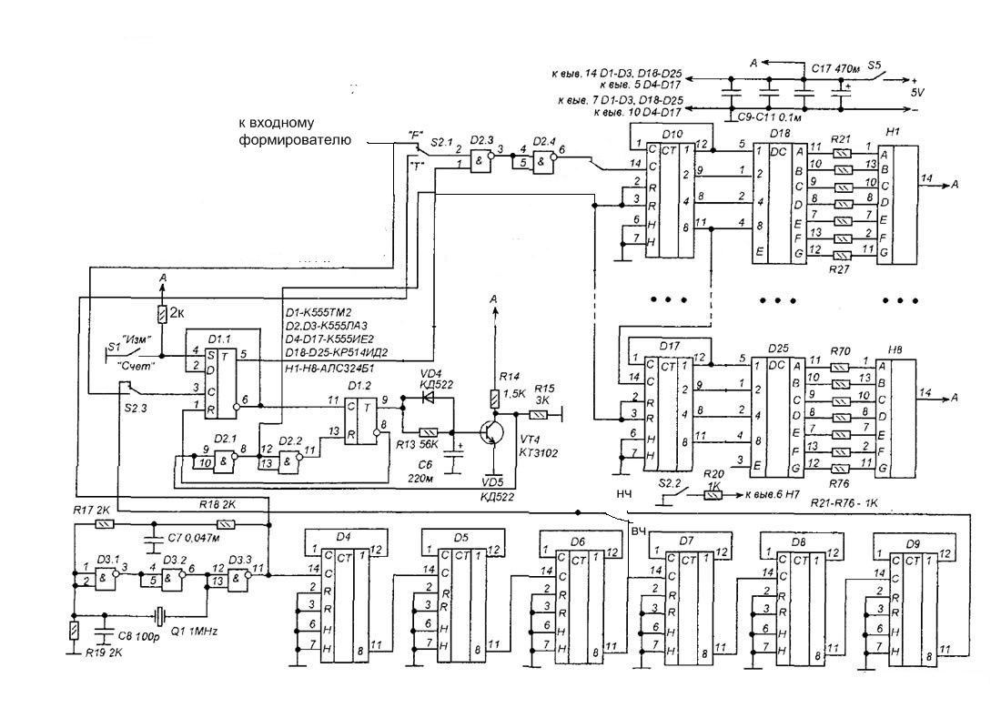
Рис. 13. Основная часть частотомера [5]. Индикаторы применены крупнее, к ним добавлены транзисторные ключи, количество разрядов сокращено до пяти. Микросхемы, кроме D2, D10 заменены на аналоги 155 серии. Верхняя измеряемая частота — 20…30 МГц

Рис. 14. Схема включения индикаторов (КЛЦ 202А с общим анодом), ключевые транзисторы заменены на КТ503 [2]

Рис. 15. Входной формирователь частотомера [6]

Рис. 16. Мои крупные и прожорливые индикаторы, даже пять вместо штатных восьми, много потребляют, микросхемы 155 серии тоже не самые экономные. Облегчил режим 7805 в стабилизаторе питания внешним регулирующим транзистором [7]

Фото 17. Собранная счётная часть прибора. Интересен задающий генератор на огромном кварце в металлическом баллоне от лампы 6П9 с её октальным цоколем

Фото 18. Ламповый цоколь удалён, тонкие выводы закрепил заливкой термоклеем, на ней же смонтировал элементы задающего генератора

Фото 19. Плата с самого начала не задалась — текстолит попался тонкий, заметно покоробленный, тонких дорожек много и очень близко, чуть недотравленная медь давала множество замыканий. Отчаявшись, проблемные участки сточил бормашиной и выполнил навесным образом

Фото 20. Полноразмерный вариант прибора с восемью индикаторами

Фото 21. Шесть разрядов после запятой счёл избыточным, три последних индикатора с ключами и дешифраторами удалил. Кроме прочего, ощутимо снизилось и энергопотребление схемой

Фото 22. Стабилизатор на умощнённой 7805 собрал навесным образом на жёстких выводах установленных на радиатор элементов. Диоды VD1, VD2 (Рис. 16) установлены на том же радиаторе, обеспечивая тепловой контакт, улучшающий параметры схемы. В правом нижнем углу виднеется ещё один маломощный 12 В стабилизатор на 7812 для питания внешних дополнительных схем-приставок к частотомеру

Фото 23. Частотомер собрал в коробке из 8 мм лакированной фанеры. На фото — вид на монтаж прибора, где: 1 — основная плата частотомера; 2 — входной формирователь; 3 — трансформатор питания частотомера; 4 — трансформатор питания дополнительных приставок; 5 — мостовой выпрямитель частотомера на Д202; 6 — выпрямитель для внешних приставок; 7 — стабилизатор частотомера; 8 — стабилизатор для питания приставок

Фото 24. Переднюю панель коробки снабдил накладкой из оцинкованной стали 0,5 мм, крашеной серенькой краской. Козырёк-бленда над индикаторами согнут из той же стали и припаян, проёмы и отверстия выпилены ювелирным лобзиком, пояснительные надписи выполнены спиртовым фломастером. Готовая панель сочтена недостаточно красивой, решено снабдить её декоративной накладкой из травлёной латуни. На фото — примерка её бумажного шаблона
Декоративная панель оказалась слишком длинной, чтобы её изображение поместилось на лист А4 домашнего принтера — рисунок разбил на две части. Из имевшейся 2 мм латунной пластины ножовкой по металлу выпилил заготовки.
Перенёс изображение на металл с помощью фотолака — обработал им зачищенные и отшлифованные заготовки, напечатал фотошаблон, засветил УФ лампой, водным раствором щёлочи удалил скрытые участки, вытравил изображение в водном растворе хлорного железа, промыл водой, смыл ацетоном защитную маску.

Фото 25. Смывание щёлочью незасвеченных участков лака

Фото 26. Вытравленный рисунок на большой панели

Фото 27. Проёмы и отверстия выпилены ювелирным лобзиком, канавки вытравленного рисунка заполнены прочным контрастным составом из спечённых остатков растворимого кофе — насыщенный его раствор наносится на заготовку (пальцем) и обжигается газовой горелкой, обугленные остатки наверху удаляются мелкой наждачкой, в углублениях насмерть влипает тёмный спёкшийся дёготь. Трудность здесь только в правильном обжиге — перегрев сожжём всю органику дотла, недогрев получим липкую, трудно удаляемую наждачкой пакость. На фото — панель после кофейного обжига

Фото 28. Внешний вид прибора в сборе. Готовые декоративные панели после кофейного заполнения рисунка, вскрыта нитролаком

Фото 29. Прогон. Простой недлинный кабель с СР-разъёмами на концах имеет заметную ёмкость и сильно ограничивает измеряемую частоту «сверху». Применив кабель от осциллографа со щупом-делителем, максимальная измеренная частота составила 32 МГц, что для нужд КВ любительской связи довольно вполне
Итого
В результате проделанной работы получил два полезных в хозяйстве прибора, освоил декоративное травление медных сплавов, с пользой и удовольствием провёл время.
Литература
1. Цифровая шкала-частотомер на PIC16F84. Денисов А. (RA3RBE).
2. Включение мощных семисегментных индикаторов. Яковлев Е., Радио №2, 1990 г.
3. Очень простой программатор 16F84. Ходыкин И. А. (UA4AEU).
4. Многофункциональный частотомер из денисовского.
5. Универсальный частотомер. Иванов И. Радиоконструктор №4, 5 2007 г.
6. Частотомер на микросхемах К155.
7. Применение микросхемных стабилизаторов серии 142. Щербина А., Балтий С., Иванов В.
На благо всех разумных существ. Babay Mazay, октябрь, 2024 г.
© 2024 ООО «МТ ФИНАНС»
Автор: BabayMazay
