Левитирующие предметы всегда выглядят захватывающе, тем более если они ещё и светятся. О таком устройстве и пойдёт речь. Следуя этой инструкции, можно изготовить очень необычный ночник.
Основа устройства – электромагнит и аналоговый датчик холла, расположенный на нижней части сердечника электромагнита. Датчик холла обнаруживает поле постоянного магнита, удерживаемого в воздухе и через операционный усилитель, управляет током катушки электромагнита. При приближении магнита ток в электромагните падает, магнит начинает удаляться от датчика холла и ток начинает течь опять, снова притягивая магнит.
Устройство было бы совсем простым, так что в этом левитаторе организована передача энергии в левитирующую часть. Устройство питается от 12 В, источника питания хватит на 1-2 А. Удерживать в воздухе будем неодимовый магнит, к которому прикреплена полезная нагрузка (плата со светодиодами, вторичная катушка, корпус). В ходе экспериментов было установлено, что чем больше неодимовый магнит, тем меньше необходимо энергии от источника питания для его удержания, так что был выбран магнит 20 на 10 мм. С помощью такого магнита удалось удерживать в воздухе вес до 40 грамм (без учёта веса магнита).
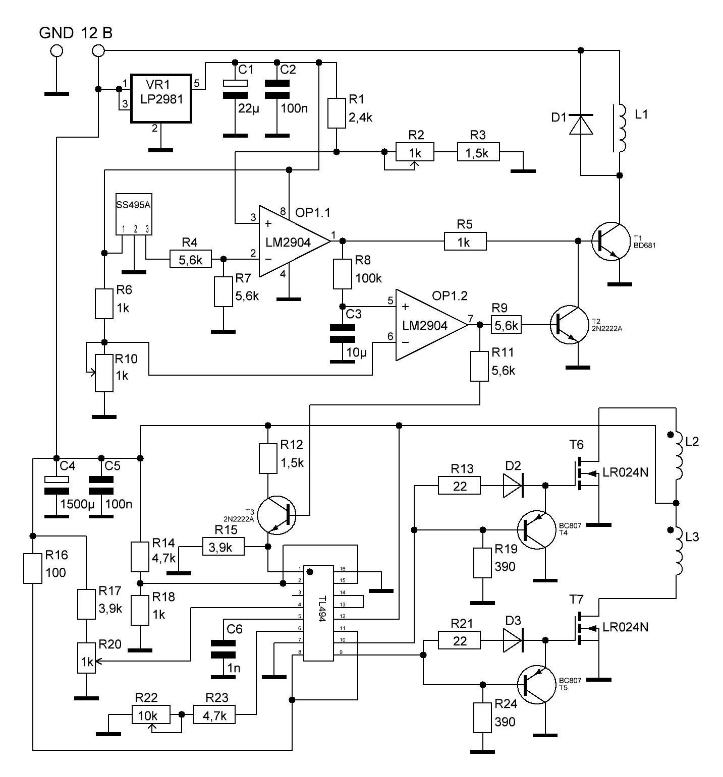
Для начала необходимо изготовить электромагнит, в качестве сердечника которого использован болт 7 на 70 мм, в нижней части обязательно необходимо установить шайбу в идеале диаметром с саму катушку. Катушка намотана эмалированным проводом диаметром 0,35 мм, количество витков не имеет значения, главное набрать необходимое сопротивление 10-15 Ом (в моём случае 13 Ом). Катушку на первых слоях старался наматывать виток к витку, но потом всё пошло не по плану, и намотка велась «в навал», что не сказалось на качестве электромагнита. Под катушкой необходимо закрепить датчик холла точно по центру магнитопровода (в моём случае это центр шляпки болта). Датчик ставится плоской стороной в сторону катушки. Это можно сделать с помошью двустороннего скотча или термоклея (как в моём случае на этапе прототипирования).
Верхняя часть схемы отвечает за левитацию. Схема построена на одном операционном усилителе LM2904 (можно заменить на LM358, они полностью взаимозаменяемы). ОУ и датчик холла запитаны от 5 В, через LDO стабилизатор LP2981. ОУ (OP1.1) сравнивает напряжение с датчика холла с напряжением заданным делителем R1-R2-R3 и как только напряжение на выводе 2 превысит напряжение на выводе 3 (магнит удаляется от катушки) открывает через R5 составной транзистор Т1 (можно поставить практически любой транзистор на ток от 1 А), а при спаде напряжения от датчика холла (магнит достаточно приблизился к катушке), ОУ притягивает вывод 1 к земле и транзистор закрывается, прекращая ток в электромагните (магнит начинает удаляться от катушки). Левитация происходит за счёт постоянного колебания этого процесса.

Вторая часть ОУ (OP1.2) отвечает за отключение электромагнита и схемы передачи энергии при отсутствии удерживаемого в воздухе предмета. Пока неодимовый магнит удерживается в воздухе, на выходе OP1.1 создаются колебания, которые сглаживаются RC-фильтром R8-C3 и приходят на неинвертирующий вход OP1.2 и пока напряжение не превышает напряжение на инвертирующем входе (устанавливается делителем R6-R10) на выходе будет земля. Но как только магнит уберут, колебания прекратятся, транзистор T1 будет открыт на полную и напряжение на неинвертирующем входе возрастёт. ОУ откроет транзисторы T2 (шунтирует базу Т1 на землю) и T3 (отключает TL491) и схема перейдёт в режим ожидания практически не потребляя энергии. Диод D1 использовал SN4007. На транзистор T1 установлен радиатор, так как в ходе настройки он возможно будет греться, но на отлаженной схеме нагрева на нём не должно быть.
Если требуется собрать простой магнитный левитатор, то нижняя часть схемы не нужна, за исключением входного конденсатора C4. Для настройки необходимо заменить резистор R1 на 1 кОм, а резисторы R2 и R3 на многооборотный переменный резистор на 5 кОм. Резистор R9 выкрутить в положение, чтобы транзистор T1 открылся (на его базе должно быть напряжение). Затем поднести неодимовый магнит на 1-1,5 см к электромагниту и начать вращать переменный резистор R2-R3. В определённый момент рукой почувствуете вибрации в магните, значит успех уже близок! Можно пробовать отпускать магнит, резистором очень аккуратно изменяя расстояние левитирующего магнита от электромагнита. Если магнит отталкивается или левитация не начинается, то необходимо перевернуть магнит или подключить катушку электромагнита наоборот. После успешной настройки, можно измерить сопротивление подстроечного резистора и переделать делитель с двух резисторов на три, как в моём случае. Резистор R2 я вынес на корпус и всегда можно аккуратно настроить расстояние от левитирующей части до электромагнита. В процессе настройки магнит будет не редко примагничиваться к сердечнику катушки с большой силой, так что необходимо защитить датчик холла на сердечнике, например залить его термоклеем или прикрепить к магниту мягкую прослойку. В моём случае на 3-4 раз такого примагничивания датчик холла раскололся на части от очередного удара.
Для передачи энергии в левитирующую часть использован простой Push-pull на TL494. Катушки L2, L3 по 23 витка эмалированным проводом 0,4 мм. Для удобства катушки я намотал на предварительный каркас и залил лаком, получилась бескаркасная катушка, которая при сборке опускается в корпус электромагнита.
Транзисторы T6, T7 выбраны для поверхностного монтажа, их можно заменить, например на IRFZ44n. Обвязка TL494 стандартная, конденсатор C6 и резисторы R22, R23 отвечают за частоту (в схеме указаны номиналы на частоту 100 кГц для управления двумя транзисторами, если не требуется менять частоту, то вместо R22 можно поставить перемычку), переменный резистор R20 отвечает за коэффициент заполнения. Им можно регулировать сколько энергии передастся в левитирующую часть. В моём случае коэффициент заполнения установлен максимальный, немного больше 0,4. Выводы 1 и 2 это выводы усилителя ошибки TL494, они использованы для прекращения генерации, когда под электромагнитом нечего удерживать. При открытии транзистора T3 напряжение на выводе 1 перевешивает напряжение на выводе 2 и генерация прекращается. Транзисторы T6, T7 поочерёдно открываются по цепочке R16-R13-D2 и R16-R21-D3, а закрываются через T4-R19 и T5-R24 соответственно. Диоды D2, D3 это диоды шоттки, которые оказались под рукой (маркировка 1M). На стоках транзисторов T6, T7 присутствуют выбросы напряжения, но так как транзисторы справляются, я не стал добавлять элементы для ограничения выбросов.
Плата магнитного левитатора и блок питания размещены в нижней части корпуса. На всякий случай в корпусе есть отверстия для охлаждения элементов, но в итоге ничего существенно не нагревается.

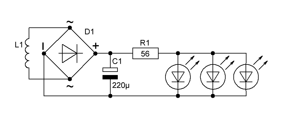
Левитирующий блок состоит из неодимого магнита, вторичной катушки и простенькой схемы со светодиодами.
Катушка L1 намотана эмалированным проводом 0,3 мм на 200 витков. Далее напряжение выпрямляется диодным мостом и через резистор поступает на три светодиода. Светятся они не сильно ярко, но для ночника самое то.
Если нижняя часть примагнитится к корпусу электромагнита ничего страшного не случится, электромагнит отключится, а схема передачи энергии продолжит работать, разве что светиться будет ярче.
В итоге получился необычный светильник, который вызывает удивление у окружающих, а также открывает простор для творчества в подвешиваемой части.
В следующей части статьи речь пойдёт о подвешиваемом светильнике, который переливается всеми цветами.

Автор: Алексей
