
Привет! Сегодня мы соберём культовый фуз-дисторшн с просто космическим сустейном (послезвучанием). Его применяют почти во всех жанрах электрогитарной музыки, от амбиента до металла.
И конечно же, многочисленные вариации этого эффекта собирают если не все, то многие производители гитарных эффектов, особенно бутиковых. Потому что это классика — Electro-Harmonix Big Muff.
Попутно расскажу историю эффекта фуз, как он появился и превратил ритм-энд-блюз в рок-н-ролл.

То, что сегодня классика и эталон, вчера было ошибкой или неисправностью. По крайней мере, в мире гитарных эффектов это так. Перегрузили усилитель — вышел овердрайв. Заело бобину магнитофона — получился фленджер.
24 мая ушла из жизни талантливая певица и актриса Тина Тёрнер, Королева рок-н-ролла. Все мы знаем её как минимум по заглавному треку фильма «Золотой глаз» про Джеймса Бонда и роли тётушки Энтити в фильме «Безумный Макс 3: Под куполом грома».

А музыкант справа на фото с кремовым стратокастером — не кто иной, как муж Тины, Айк Тёрнер. В 2004 году Fender Custom Shop выпустил ограниченную серию из 100 гитар цвета Daphne Blue, зато с кремовым пикгардом и личной подписью Айка на деке.

Прекрасная возможность заплатить лишние деньги за устаревшее тремоло на шести шурупах, режущие руку сёдла нижнего порожка, необходимость снимать гриф, когда нужно подкрутить анкер, и автограф наркомана, избивавшего жену и стрелявшего в почтальона.
В подарок к на самом деле хорошему, хотя и сильно переоценённому стратокастеру, которому не помешали бы доработки, прилагается отвратительный винтажный ремень. Заметим, что на фото с Тиной Айк Тёрнер пользуется не таким уродством, а нормальным широким тканым ремнём.

В свободное от недостойных поступков и пребывания в местах лишения свободы время Айк действительно серьёзно занимался музыкой, был профессионалом и большим виртуозом гитары.
▍ Когда в усилителе треснула лампа
Но не это, и не женитьба на блистательной Тине, до которой оставалось пять лет, сделало Айка «Отцом рок-н-ролла». А счастливая аварийная ситуация при записи песни Rocket 88 в 1951 году, в составе ансамбля The Kings Of Rhythm, который Айк, будучи ещё подростком, основал во второй половине 1940-х годов.
А ещё точнее, возглавил отколовшуюся часть музыкантов биг-бенда Tophatters, где Айк играл в своём родном Кларксдейле, штат Миссисипи. Другая часть группы назвалась The Dukes of Swing и тоже продолжила играть ритм-энд-блюз на местных танцплощадках.

Rocket 88 — это не космический аппарат, а всего-навсего шикарный Oldsmobile 1949 года. Такому автомобилю просто невозможно не посвятить песню с виртуозным аккомпанементом на электрогитаре с усилителем Fender Bassman.

В силу конструкции ламповые усилители имеют большую массу и стоимость. Отсюда целых четыре входа, чтобы можно было включить в одну «голову» две или даже больше гитар, включая бас, благодаря чему усилитель гордо назвали Bassman. Потому нет ничего странного в том, что сотрудник студии Chess Records перед самой записью песни уронил усилитель Айка, не удержав в руках массивный агрегат. И неудивительно, что он не признался в этом.
Видимые повреждения корпуса Fender Bassman отсутствовали, а внутри треснула лампа. В результате виртуозная игра Айка Тёрнера зазвучала неожиданным образом.

В тот день родился рок-н-ролл. Кто мог подумать, что электрогитара способна так звучать?
▍ Неисправность при записи
Другая счастливая авария произошла в 1961 году с Грейди Мартином. Это талантливый сессионный музыкант, узнаваемый благодаря своей любви к уникальным многогрифовым инструментам.

Лично мне кажется, что таким образом он просто себя рекламировал, подобно свадебным фотографам, которые снимали на самом деле на один «Зенит», и при этом носили на шее ещё одну камеру, в идеале Canon, чтобы выглядеть профессиональнее и оценивать свои услуги дороже.

Инструмент с несколькими грифами на самом деле неудобный в игре, очень тяжёлый и громоздкий. Но выглядит — просто космос!
Сессионному музыканту, в отличие от резидентов звёздных групп, нечасто удаётся добиться известности за пределами профессиональных кругов. Но иногда случаются выдающиеся события.
Грейди Мартин просто сидел в знакомой нэшвиллской студии Quonset Hut (впоследствии — Columbia Studio B) и записывал соло на бас-гитаре для песни Don’t Worry Марти Роббинса. Играл он через нормальный басовый усилитель с басовым кабинетом, и всё звучало совершенно нормально. Тем временем в микрофонном усилителе, через который звук записывался на плёнку, отвалился резистор смещения лампы. Вполне возможно, что его тоже уронили и не признались.
Так получился фуз, который понравился музыкантам и продюсерам, а уж слушателей вышедшего винила привёл в полный восторг.
▍ Первый в мире кастомный фуз

Услышал эту песню и Орвилл «Ред» Роудс, тот самый, что создал звукосниматели Velvet Hammer. Словосочетание переводится как молоточек фортепиано и намекает на высококачественную передачу нюансов звука. Эти звукосниматели ценятся больше, чем Gibson P.A.F.
Ред Роудс захотел создать «примочку» для гитарного усилителя, повторяющую звучание Don’t Worry, и то, что у него получилось, можно услышать на записи The 2000 Pound Bee группы The Ventures 1962 года.

Чудесной коробочкой Роудса воспользовался «Король гитар» Ноки Эдвардс, и это была первая в истории запись звука гитары, намеренно искажённого с помощью специально разработанного устройства перегруза.

Сам прибор не сохранился: его украли. По воспоминаниям участников записи, «примочка» была собрана в самодельном корпусе наподобие будущей EHX Muff Fuzz, о которой мы ещё поговорим. Корпуса гитарных эффектов в виде педали, чтобы можно было «нажать ногой своей на мощный фуз» и спеть про это впечатляющее событие, придумали позднее.

Например, вот такой роскошный литой корпус The Axis Fuzz в виде космического корабля из научной фантастики. Имеет ли его дизайн отношение к песне Rocket 88, с которой начался фуз и рок-н-ролл, история умалчивает, и можно только предполагать.

Этот фуз был разработан в 1967 году Роджером Майером не для кого-нибудь, а для самого Джими Хендрикса.

Просто шикарная трёхмерная модель! Но появилась она не сразу.
▍ Незаслуженно забытый шедевр
Первые прототипы The Axis Fuzz были значительно модифицированными экземплярами Dallas-Arbiter Fuzz Face, схему которого мы рассматривали здесь.

Потому, когда мы видим на фото или видео выступления Джими Хендрикса улыбающийся бородатый диск, совсем не факт, что в нём установлена классическая плата Dallas-Arbiter. Именно потому у многих реконструкторов не получается воспроизвести тон Джими: они включают в цепь эффектов не тот фуз.

Схемотехнические отличия разработки Роджера Майера от круглой оптимистичной рожицы довольно значительные. Использованы малошумящие кремниевые транзисторы разных типов проводимости и добавлен ряд цепей частотной коррекции.
В итоге получился не просто первобытно-грубый фуз для риффов и соло, но внезапно модерновый (и это в 1967 году!) фуз-дисторшн, через который можно играть аккорды, если у вас одинарный звукосниматель, как у Хендрикса.
Винтажные хамбакеры P.A.F. будут звучать с этой педалью гнусаво, мыльно и мутно, а при попытке сыграть аккорд весьма вероятно вылезут неприятные сочетания гармоник. А от высокоомных модерновых хамбакеров или активных EMG получим «песок». Хотя для панк-музыки и такое звучание может пригодиться.
И не забываем, что Джими играл не в кристально чистые усилители Фендер, с которыми волшебно звучали хамбакеры PAF Чака Берри на его полуакустиках Gibson. А в перегруженные Marshall Plexi. Причём Хендрикс никогда не переключался на чистый канал. Вместо этого он отключал фуз и оперировал ручкой громкости на гитаре.
В общем, по отношению к The Axis Fuzz актуально всё то же самое, что характерно для другой незаслуженно нелюбимой педали BOSS DS-1.
▍ EHX: рождение легенды

Тем временем, в том же 1967 году предприимчивый 25-летний магистр электротехники и бизнес-администрирования, продюсер и музыкант Майк Мэтьюз выявил значительный спрос на эффект фуз, и в свободное время от основной работы — продажи компьютеров IBM — взялся за прибыльную подработку по сборке педалей Foxey Lady для компании Guild.
Совершенно верно, и эта педаль тоже названа в честь песни Джими Хендрикса, как и The Axis Fuzz. Потому что фуз как художественное средство открыл миру именно маэстро Джими. Как, впрочем, и квакушку, октавер, фейзер, да и саму электрогитару.
До Хендрикса техника игры на электрогитаре опиралась на наследие классической испанской гитары. Хендрикс нашёл принципиально новые точки опоры и перевернул, а точнее создал мир электрогитары как самобытного музыкального инструмента.
Это было художественной революцией такого же масштаба, как переход от нудных полифонических клавишных — органов и клавесинов — к трепетному виртуозному фортепиано, молоточки которого передают тончайшие нюансы прикосновений к клавишам. Неспроста именно эти молоточки стали рыцарским девизом Орвилла Роудса, который он применил к звукоснимателям для гитары.
В следующем, 1968 году, Майк решает уволиться из IBM и основать собственный бренд гитарного оборудования, ныне всемирно известный как Electro-Harmonix, или EHX. Но первым своим продуктом он сделал, как ни странно, не фуз.

В звуке электрогитары Майк больше всего ценил сустейн. Потому заинтересовался компрессией, то есть сужением динамического диапазона сигнала посредством автоматической регулировки усиления.

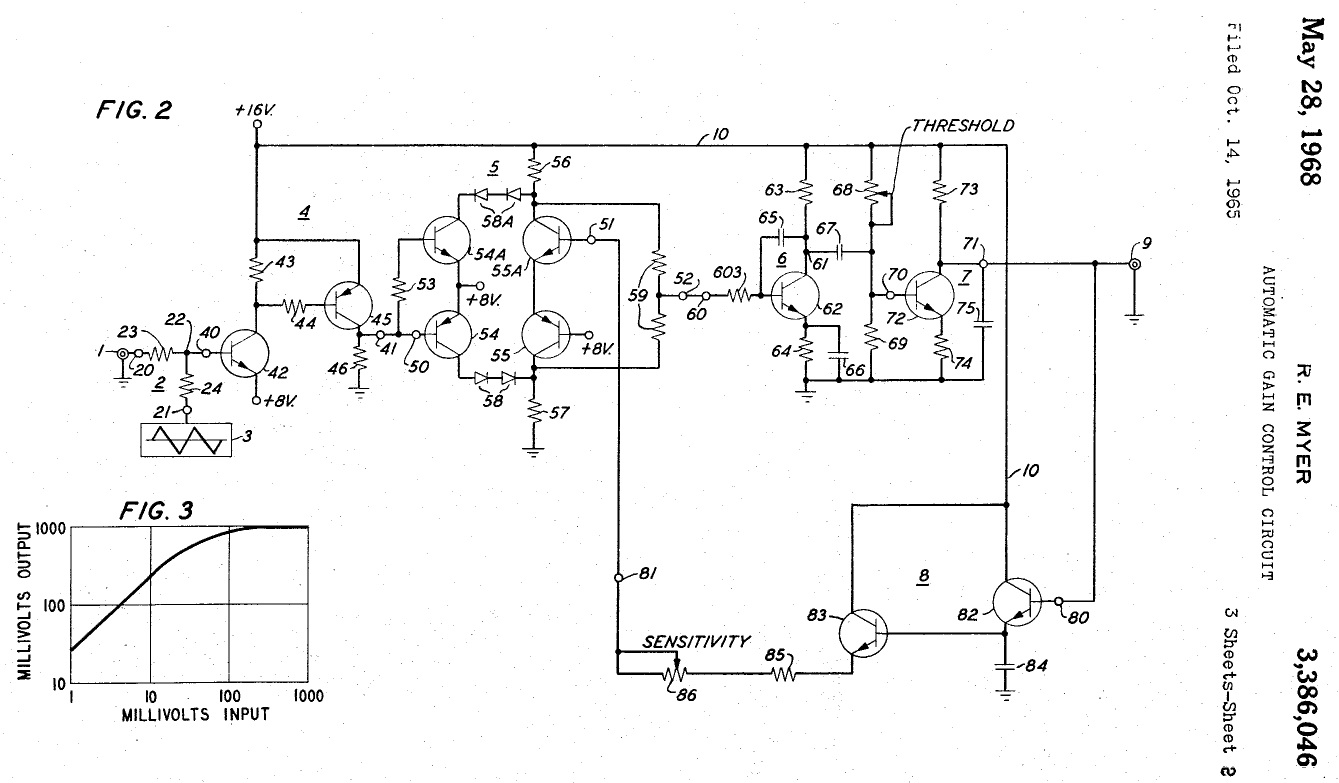
На этой почве и началось многолетнее сотрудничество Мэтьюза с замечательным изобретателем Робертом Эваном Майером, который как раз в 1968 году получил патент US 3,386,046 «Automatic gain control circuit».
На тот момент Роберту было 38 лет, из них 19 лет стажа работы в сфере электроники, от мастера по ремонту телевизоров до старшего технического ассистента в Bell Telephone Laboratories.
Всего с 1965 по 2008 год Роберт Майер получил 67 патентов в сфере электроники и телекоммуникаций. По состоянию на 2019 год у него 10 детей, 24 внука, более 70 правнуков и 5 праправнуков.

А тогда, в 1968 году, Майк Мэтьюз с грустью разглядывал вот эту самую схему. 10 транзисторов и двуполярное питание! Сегодня эти компоненты стоят копейки, и сложность такого изделия никто не назовёт высокой. А по тем временам это было сложно. И очень дорого.

Потому Майк принимает мудрое решение отказаться от идеи АРУ, и создать всего-навсего однотранзисторный предусилитель на каскаде с общим эмиттером, питающийся от батарейки, которую мы называем Кроной, или Корундом, если вы помните её щелочную версию. А гитаристы по всему миру называют батарейку просто 9-вольтовой.

Из органов управления предусматривались только выключатель и потенциометр выходной громкости, ведь входную можно регулировать ручкой на гитаре. Вход, либо выход мог оснащаться джеком-папой, чтобы включать соответственно в гитару или усилитель. Либо гнезда-мамы с обеих сторон. Нужный вариант отмечали в бланке заказа.
Приборчик делал гитарную «голову» или комбик более чувствительным к слабому сигналу винтажного электромагнитного датчика и таким образом усиливал сустейн.
▍ Фуз, овердрайв, дисторшн

Далее в том же корпусе был создан Muff Fuzz. Взяли Fuzz Face, убрали регулятор усиления и добавили симметричное диодное ограничение. Получился овердрайв, а не фуз. Теперь он так и называется.

Но Boss OD-1, MXR Distortion+ и Ibanez Tube Screamer появятся лишь через десять лет. А в 60-х годах прошлого века всё, что добавляет звуку гитары искажений, перегруза и грязи, называлось словом из четырёх букв на букву F.

Что интересно, Ibanez впервые назвали гитарную педаль овердрайвом (перегрузом) в 1974 году, и по факту это был не овердрайв, а фуз. Причём не просто фуз, а клон транзисторного Big Muff.

Что же такое Big Muff? На самом деле Майк Мэтьюз захотел соединить функции обоих своих первенцев — сустейнера и перегруза — в одной большой педали. Получился фуз-дисторшн с огромным сустейном. И получился он на славу.

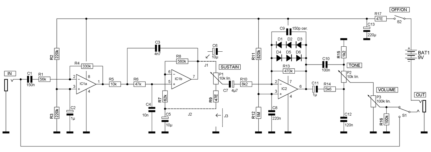
Здесь изображена схема версии на операционных усилителях, которую я и соберу из набора от фирмы Landtone.

В число особенностей схемы входят «высоковольтное» мягкое ограничение на двух встречно-параллельных столбах, каждый из трёх диодов, а также регулятор тембра, не просто срезающий высокие частоты, а смешивающий два сигнала с фильтров C10R15 и C11R14.
Также необычным для гитарных педалей (но характерным для EHX) решением является непосредственная связь усилителей на IC1a иIC1b без разделительного конденсатора. Присутствует резистор R17 последовательно с источником питания, хотя и вдесятеро меньшего сопротивления, чем у BOSS DS-1.
Примеры звучания и процесс сборки можно послушать и посмотреть на видео.
Сустейн действительно космический. Тембры красивые и регулируются в широких пределах. Big Muff несомненно является одной из тех педалей, которые стоит приобрести или собрать.
Автор: Гитарная электроника
