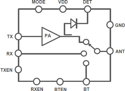
Компания RFaxis, специализирующаяся на разработке радиочастотных решений для мобильных устройств, анонсировала поставки микросхем RFX8420RF. Эти микросхемы относятся к категории радиочастотных интерфейсов (RFeIC) и объединяют поддержку 802.11b/g/n и Bluetooth в диапазоне 2,4 ГГц. По словам производителя, RFX8420RF — первое в своей категории изделие, изготавливаемое исключительно по технологии CMOS.
Конструкторы обеспечили совместимость на уровне выводов с аналогичными, но более дорогими микросхемами других производителей, в которых используется арсенид галлия (GaAs) и более сложный техпроцесс.
Для RFX8420 характерна высокая степень интеграции, позволяющая уменьшить количество внешних компонентов и высвободить место на печатной плате.
Микросхемы RFX8420 выпускаются в низкопрофильных корпусах типа QFN размерами 2,5 x 2,5 x 0,4 мм и оптом стоят $0,22 за штуку. В настоящее время доступны ознакомительные образцы и демонстрационные платы. Серийные количества компания рассчитывает обеспечить в третьем квартале.
Источник: RFaxis
