Введение
Давным давно, когда вокруг все было большим, а я маленьким, читал я книгу Войцеховского «Радиоэлектронные игрушки», горя желанием воплотить в жизнь те или иные описанные в ней устройства. Так, в уже тоже далеком 2008-м году, из нескольких десятков электромагнитных реле было собрано 4-разрядное АЛУ (РЦВМ1 — Релейная Цифровая Вычислительная Машина — версия 1) способное складывать и вычитать. И задумал я тогда — а что если собрать существенно большее количество реле и построить полноценный релейный компьютер? На неспешную сборку реле то здесь то там до требуемого количества ушло всего 8 лет, и я начал творить.
Разрешите представить Вам свой проект по созданию второй версии релейной цифровой вычислительной машины, с кодовым названием «BrainfuckPC» — 16-разрядной компьютер с Фон-Неймановской архитектурой и набором инструкций для языка Brainfuck. Работы по проектированию завершены, и я в процессе изготовления сего монстра.

1 Технические характеристики
- Разрядность шины адреса: 16 бит
- Адресация: пословная, 16 бит/слово
- Емкость памяти: 64 килослова (128Кбайт)
- Разрядность шины данных: 16 бит
- Единое адресное пространство кода и данных (Архитектура Фон-Неймана)
- Тактовая частота (проектная): 100 Гц, 1 инструкция/такт
- Набор инструкций: Brainfuck++
- Количество реле (проектное): 792
- Используемые реле: герконовые, РЭС55(1п), РЭС64(1з)
Подробности подкатом
Общий принцип работы
Рассмотрим обобщенную структуру компьютера:

Рисунок 1: Обобщенная структура компьютера
Центральным элементом является Сумматор, причем не простой, а с параллельным переносом. Зачем это нужно — расскажу чуть ниже.
Программа и данные хранятся в блоке памяти. Доступ к ним осуществляется по адресу, записанному в регистре инструкций IP, либо в регистре адреса AP, исходя из того, что мы сейчас хотим прочитать — данные по адресу, указанному в AP, либо инструкцию, записанную по адресу IP.
Чтобы оперировать этой лентой Тьюринга (а Brainfuck язык программирования отождествляет именно её), нам надо иметь возможность совершить одно из трех действий:
- Изменять значение в текущей ячейке данных, то бишь делать операции Add/Sub. В Brainfuck значение в ячейке можно изменить только на единицу, т.е. +1 либо -1. Но имея полноценный сумматор грешно не схлопнуть длинные цепочки ++++++++++++(------------) в одну операцию AP+=N(AP-=N) существенно ускорив процесс вычисления. (также не забудем превратить [-](или [+]) в *AP=0);
- Изменять номер текущей выбранной ячейки данных. То бишь гулять по памяти данных (AP++, AP--);
- Изменять номер текущей инструкции. Во-первых, нам нужно после выполнения каждой инструкции увеличивать значение в регистре IP на единицу. Во-вторых, изменять это значение при наличии ветвлений в коде (по умолчанию для организации циклов). Контрольный флаг всего один — Z. Соответственно есть команды JumpIfZero и JumpIfNotZero.
Итого нам надо иметь возможность подавать на один вход сумматора значение любого из следующих трех блоков — AP-регистра, IP-регистра, DATA-шины. Делать это будем через временный регистр, в котором будем сохранять одно из требуемых значений, подключая нужный с помощью 16-разрядных ключей.
На второй вход сумматора будем подавать число, на которое одно из этих значений должно изменяться в плюс или минус. В виду ограниченной ширины инструкции, изменять можно только на +-12битное число. Впрочем для Brainfuck это более чем достаточно("хватит всем", ага).
Брать эти 12 бит мы будем с регистра команд, при наличии таких команд естественно, ибо часть команд не использует сумматор вовсе. Не забудем что отрицательные числа будут подаваться в дополненном коде, с подачей на доп. вход переноса единицы (т.е. будет A+ invB + 1)
Результат вычисления сразу загружаем туда, откуда мы его взяли. Из-за временного регистра делать это мы можем безболезненно.
Более подробно (я бы даже сказал — занудно) об архитектуре можно узнать из этого видео:
Набор инструкций
Нарисовав общую принципиальную схему, способную реализовать 8 основных Brainfuck-инструкций, я понял, что у нее гораздо больший потенциал. Поэтому я разработал более широкий набор инструкций, совместимый с Brainfuck, однако требующий компиляции каждой исходной Brainfuck-инструкции в 16-разрядную инструкцию компьютера.
Общее описание инструкции
Все инструкции 16-разрядные. Формируются из нескольких частей.
- Биты 15, 14, 13 — определяют класс инструкции
- Бит 12 — Знаковый бит для знаковых инструкций
- Биты 11-0 — содержат младшие 12 бит знакового int-a. Старшие 4 бита формируются согласно значению 12-го бита.
Таблица инструкций
| Инструкция | Опкод | Операция | Эквивалент из Brainfuck | Описание |
|---|---|---|---|---|
| add m16 | 0X XX | AP ← AP + m16 | '+' (Повторить m16 раз) | Прибавляет базу к текущему значению выбранной ячейки |
| sub m16 | 1X XX | AP ← AP — m16 | '-' (Повторить m16 раз) | Соответственно вычитает базу из числа |
| ada m16 | 2X XX | AP ← AP + m16 | '>' (Повторить m16 раз) | Увеличивает значение адреса |
| ads m16 | 3X XX | AP ← AP — m16 | '<' (Повторить m16 раз) | Уменьшает значение адреса |
| jz m16 | 4X XX | (*AP == 0)? IP ← IP + m16: IP ← IP | '[' | Идти на IP + m16 если значение текущей ячейки равно нулю |
| jz m16 | 5X XX | (*AP == 0)? IP ← IP — m16: IP ← IP | Нет | Идти на IP — m16 если значение текущей ячейки равно нулю |
| jnz m16 | 6X XX | (*AP != 0)? IP ← IP + m16: IP ← IP | Нет | Идти на IP + m16 если значение текущей ячейки не равно нулю |
| jnz m16 | 7X XX | (*AP != 0)? IP ← IP — m16: IP ← IP | ']' | Идти на IP — m16 если значение текущей ячейки не равно нулю |
| and m16 | 8X XX | AP ← AP AND m16 | Нет | Логическое AND с положительным числом |
| and m16 | 9X XX | AP ← AP AND m16 | Нет | Логическое AND с отрицательным числом (кто-то же должен сформировать старшие 4 бита) |
| or m16 | aX XX | AP ← AP OR m16 | Нет | Логическое OR с положительной константой |
| or m16 | bX XX | AP ← AP OR m16 | Нет | Логическое OR с отрицательной константой |
| in | c0 00 | *AP ← CIN | ',' | Прочитать один m8 символ из консоли. Если входной буфер пуст — подождать его |
| out | c0 01 | COUT ← *AP | '.' | Вывести m8 символ в консоль |
| clr.ap | d0 01 | AP ← 0 | Нет | Очистить AP регистр. Команда допускает комбинирование |
| clr.ip | d0 02 | IP ← 0 | Нет | Очистить IP регистр. Команда допускает комбинирование |
| clr.dp | d0 04 | *AP ← 0 | '[+]' or '[-]' | Очистить ячейку памяти. Команда допускает комбинирование |
| set.ap | d0 10 | AP ← *AP | Нет | Записать текущее значение в AP регистр |
| set.ip | d0 20 | IP ← *AP | Нет | Записать текущее значение в IP регистр |
| get.ap | d1 00 | *AP ← AP | Нет | Считать текущее значение из AP регистра |
| get.ip | d2 00 | *AP ← IP | Нет | Считать текущее значение из IP регистра |
| mode.b8 | e1 00 | Нет | Активация 8-разрядного режима (1) | |
| mode.b16 | e2 00 | Нет | Активация 16-разрядного режима | |
| halt | f0 00 | Нет | Стоп машина |
- AP — Регистр адреса
- IP — Регистр Инструкций
- *AP — Текущая ячейка памяти
- CIN — Консольный ввод
- COUT — Консольный вывод
- При активации 8-разрядного режима, сумматор продолжает работать в 16-разрядном режиме. Однако условные команды (а именно тест значения текущей ячейки памяти на равенство нулю) становится 8-разрядным. (AP & 0x00FF == 0)? и (AP & 0x00FF != 0)? Консольный ввод и вывод пока решено оставить всегда 8-разрядным. Не в юникоде же печатать в конце то концов?
В этом видео я подробно(но мало понятно) рассказал о том, что делает каждая инструкция и какой brainfuck-инструкции она соответствует:
Параллельный сумматор
Релейная ЭВМ должна быть не только релейной, но еще и быстрой. Как и любая другая ЭВМ, моя тоже будет синхронной машиной, оснащенной тактовым генератором. Естественно мне хочется не растрачивать впустую циклы тактирования и постараться каждую операцию уместить в один цикл — т. е. за нарастающий и спадающий фронты синхронного генератора успеть загрузить новую команду и исполнить ее. Желательно при этом чтобы все команды выполнялись за одинаковый период времени.
Каждое реле имеет некоторую задержку срабатывания и отпускания, которое мы примем за 1 условную единицу времени(у.е.в.) Если будем использовать реле РЭС22, 1у.е.в. будет равен 12-15мс (справочное), РЭС64 — 1.3мс(справочное). Самой дорогой (и наиболее частой) операцией в моей машине является сумматор.
Сам по себе он довольно простой и быстрый, но «есть один нюанс», который заключается в способе вычисления и передачи сигнала переноса.

Рисунок 2: Сумматор с последовательным переносом.
Изначально я планировал использовать сумматор с последовательным переносом. В таком сумматоре каждый последующий разряд зависит от состояния сигнала переноса разряда текущего. В итоге длительность операции вычисления будет колебаться между 2 у.е.в. — N*2 у.е.в., где N — число разрядов. В итоге, 16-разрядный сумматор с последовательным переносом будет иметь максимальную задержку 32 у.е.в.
Сумматоры с параллельным переносом имеют максимальное быстродействие. В них отсутствуют процессы распространения переносов от разряда к разряду. В каждом разряде одновременно вырабатываются выходные величины:

Рисунок 3: Сумматор с параллельным переносом
Возможность построения сумматора с указанными свойствами основана на воспроизведении функций суммы и переноса, зависящих только от значений слагаемых независимо от местоположения разряда в разрядной сетке. Подвох в том, что сама схема параллельного переноса с каждым последующим разрядом усложняется. Вот, смотрите что получается:

Рисунок 4: (Который должен был быть в виде LaTeX формулы, но нет) уравнение вычисления сигнала переноса для разрядов. Где — побитовое И,
— побитовое ИЛИ
Как итог — реализовать параллельный перенос довольно накладно. Однако можно заметить, что последующий разряд содержит в себе уравнение вычисления предыдущего (тут должен быть мем "да ладно??" с Николасом Кейджем), поэтому в принципе достаточно будет сделать схему расчета переноса только для старшего разряда, а остальные собрать из него, предусмотрев вывод промежуточных результатов.

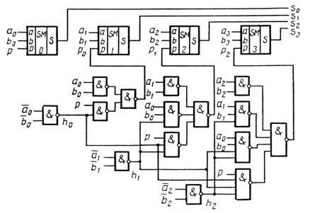
Рисунок 5: Полная схема 16-разрядного сумматора с параллельным переносом
На рисунке 5 — первые два столбца это собственно сами сумматоры. Потом идут блоки 2AND и 2OR, которые формируют промежуточные значения h и k, фигурирующие в рисунке 4. Их наличие подтолкнуло меня на мысль расширить список команд логическими операциями сложения и умножения, для чего мне необходимо добавить лишь пару защелок и соответствующий микрокод.
Все остальное — блоки 5AND на базе 4-х реле РЭС64, которые можно запаять так, чтобы один модуль использовать как, например 2AND + 3AND. У этих блоков каждый шаг логического И выведен через диод, что позволяет собирать промежуточные сигналы переноса.
Расчетное время распространения сигнала: сумматоры справляются за 1 у.е.в., еще одна у.е.в. уходит на 2AND/2OR, еще одна — на умножение в блоках 5AND, логическое сложение на диодах, задержки не вносит. Ну и последняя одна у.е.в. тратится на досчет сумматора.
Итого 4 у.е.в. супротив 32-х, или не более 6 мс на работу сумматора.
Регистры
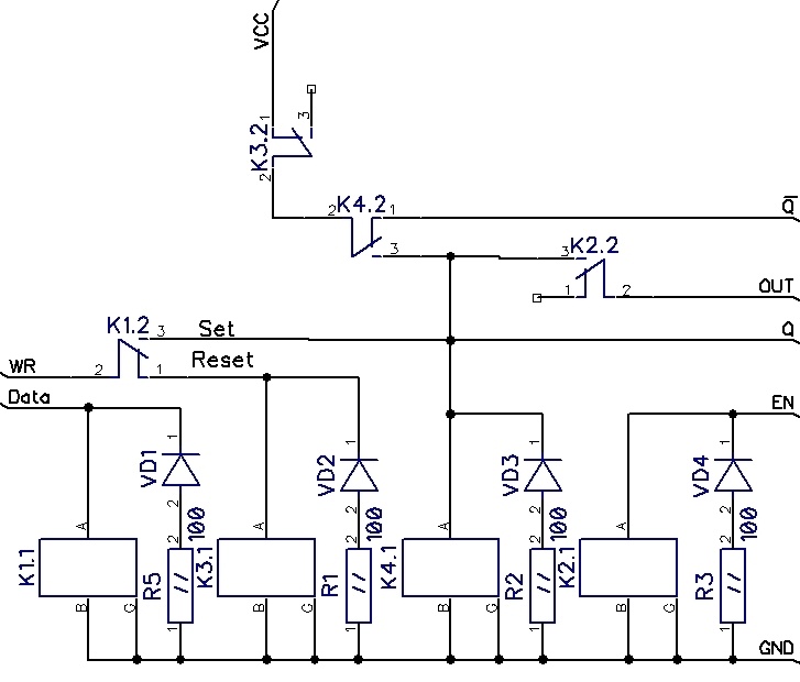
В машине четыре 16-разрядных специализированных регистра. Никаких РОН-ов. Только жесткая привязка, только хардкор! Состоит из D-триггеров, каждый D-триггер — это отдельный модуль на 4-х реле РЭС55 со следующей схемой:

Рисунок 6: Принципиальная схема модуля D-триггера. Где-то там есть еще разъем, но здесь он не важен, ибо все подписано.
Данные приходят на вход Data, реле которого определяет, куда пойдет сигнал синхронизации — на сброс триггера, или его установку(за что отвечают еще два реле, одно с самоблокировкой). Четвертому реле достается коммутация выхода Q. Очень полезная фишка.
Плата памяти

Рисунок 7: Плата памяти. Размеры платы 315х200мм
Очень сложный и важный элемент, хотя сама схема памяти составляет малую часть общей начинки блока. Задача этой платы — во-первых, нести на себе 64 Килослова общей памяти программ и данных. Собрана она на базе двух 64 Кбайт микросхем кэша. Адресный вход через схемы защиты и коммутатор подключается к шине адреса компьютера, а со стороны шины данных сложная система из входного буффера и выходного драйвера, также с коммутатором. За чтение и запись в память отвечают две линии W/R и Sync. Первая выбирает что будем делать, вторая — собственно будет это делать.
И пока этого самого Sync нет, плата памяти натурально живет своей жизнью. На рендере можно видеть две светодиодные матрицы 16х16. Этот дисплей выводит некоторую область памяти. Эдакая VideoRAM, определяется программно, кстати. Опрашивает микросхему памяти и управляет выводом микроконтроллер Atmega1280.
За сим задачи микроконтроллера не заканчиваются. На нем висит консольный ввод и вывод. Куда он будет выводить — я еще не решил, посему на плате разведен USB-Serial преобразователь для обычной консоли и ESp8266 для Wi-Fi. По последнему в наиболее актуальных планах иметь веб-страничку с возможностью загрузки программ для компьютера в память и собственно сама консоль. Да, В задачи МК также входит первоначальная загрузка программы в ОЗУ, для чего у него есть полный доступ к ОЗУ, а также небольшая EEPROM-ина на 1Мбит, для хранения программ.

Рисунок 8: Принципиальная схема платы памяти. Микроконтроллер и схемы блоков не показаны
Блок логики
Я понятия не имею, как он в итоге будет выглядеть. Последняя версия присутствует на общей схеме компьютера, но мне она не нравится. Скорее всего я сделаю 12-стадийный секвенсор и с помощью ключей буду подавать сигналы на отдельные блоки.

Рисунок 9: Все что вокруг 16-разрядных блоков и есть блок логики
Конструкция
Конструкция машины модульная, поблочная рамная. На КДПВ наглядно показано как будет располагаться начинка машины. Но обо всем по порядку:
Модуль
Базовый элемент компьютера — модуль 60х44мм, с 16-контактным разъемом, несущий на себе 4 реле, их обвязку, и 4 светодиода для индикации:

Рисунок 10: 3D-модель модуля
Модули различных типов:
- 1-разрядный сумматор с переносом — 16 шт;
- Модуль 5AND для схемы параллельного переноса — 32 шт;
- Модуль D-триггера — 64 шт на регистры, плюс немного на логике;
- Модуль 4x2AND_SW, для организации защелок. Тут просто 4 замыкающих реле;
- Модуль 4x2AND, для организации защелок. Здесь 3 реле из 4-х с переключающим контактом. На 4 реле не хватило вывода разъема;
- Модуль диодный, 8 диодов Д226Д. Для организации многовходового OR
- Модуль универсальный 2AND/2OR, позволяет создать 2AND-NOT, 2OR-NOT, 4AND, 4AND-NOT, 4OR, 4OR-NOT и любые комбинации. На базе 4 реле с переключающими контактами и общими точками;
Так как блок управляющей логики я, хоть и придумал, уже забраковал, точное число модулей каждого типа мне не ведомо. Разберусь по дороге. Расчетное число модулей — 192 штуки.
Блок
Берем плату 150x200мм, запаиваем на нее 32 разъема на 16 пинов, да не простые, а для монтажа накруткой и устанавливаем на нее в матрицу 8х4 наши модули, получая такой вот блок:

Рисунок 11: Блок
В моей машине таких блоков будет 6 штук — два блока на сумматор, два на регистры и два на логику. Чешу репу насчет еще пары блоков защелок, но если они и будут, то плоскими и распаянными
Монтаж накруткой был выбран потому, что: во-первых, схемотехника каждой базовой платы заранее хоть и известна, но может изменяться и подвержена ошибкам. Во-вторых, блок логики в принципе невозможно с первого раза развести корректно, и если для блока регистров все в целом понятно и можно разок ошибиться со, скажем, линией синхронизации, то логику придется переделывать тысячу и один раз. Будет намного лучше, если собирать каждую составляющую блока логики постепенно. В-третьих, чисто механический фактор — на двухслойной плате физически невозможно развести эти блоки :) Во все стороны расходятся 16-разрядные шины, которые многократно пересекаются друг с другом.
Итого каждый блок содержит 32 модуля, с общим числом реле 128 штук. Питание каждого блока — 5В 2А.
Компьютер
На большой раме, размерами 640х480мм (по факту немногим больше, но число красивое) размещаются шесть релейных блоков и плата памяти:

Рисунок 12: расположение блоков машины
Весь компьютер вставляется в деревянную раму из ценных пород дерева, со стеклом спереди и сзади.
Изготовление
Не смотря на сегодняшнюю дату, проект на самом деле существует :-) И находится в не самой активной, но все же стадии изготовления.
Реле
Их есть у меня. В большом количестве, но проблема в том, что из более килоштучного запаса три сотни — реле на 27 Вольт и 5-вольтовых РЭС55 мне может не хватить. Масштаб бедствия окончательно оценить не смогу, но думаю за последующее время что я буду собирать эту адскую машину проблема исчезнет за счет пополнения запасов извне.

Рисунок 13: Запасы реле. 800 штук реле — новые, удачно ухваченные на митинском радиорынке за копейки
Одним из источников пополнения запасов являются релейные платы ЦАП от лабораторных блоков питания. Вот такие вот:

Рисунок 14: Платы из блоков питания типа БП, приобретенные на радиорынке(нет, сам я БПшники не дербаню)
Печатные платы
Все печатные платы я решил делать сам. Зажал 300 баксов китайцам и уже 4 месяц занимаюсь тем, что покрываю заготовки фоторезистом, просвечиваю, травлю, покрываю паяльной маской, проявляю, сверлю фрезерую.

Рисунок 15: Протравленные панели различных видов
Платы я изготавливаю пластинами, по 9 модулей на пластине 200х150мм. Протравил 30 пластин и застрял на нанесении паяльной маски. Все никак не начну. Паяльная маска у меня FSR-8000 синего цвета, двухкомпонентная и я с ней ранее уже имел дело.
Пластины 200х150мм выбраны не случайно — у нас на радиорынке, в одном секретном месте такие стабильно продаются многие годы и вся моя приспособа заточена именно под этот формат.
В слову фоторезист (МПФ-ВЩ от Диазоний) я стал наносить с помощью ламинатора и это просто чудеса. Качество приклеивания выросло в разы.
Потом надо будет эти платы еще нарезать и насверлить, для чего у меня даже 3Д-фрезер имеется.

Рисунок 16: 3D-фрезерный китайский станок DIY 2020CNC
Взял я его за скромные 175 долларов исключительно за электронику. Платы сверлить и фрезеровать хватит, а я уже поглядываю на комплекты ШВП+рельсы для 3Д-станков. Готовые такие покупать дороговато, а собрать самому когда он начнет требоваться — самое то.
Вот в этом обзоре можно получше узнать о моем станочке:
Программы
Программы загружаются в компьютер с помощью микроконтроллера, а значит он должен знать что и куда грузить. Для сего есть специальный формат (в состоянии драфта конечно же) бинарного файла а ля Elf. В заголовке файла прописывается число, размер и адреса секций кода и данных (а также где содержимое этих секций лежит в файле). //TODO Не забыть добавить секцию видеопамяти — у нас же есть светодиодная панель, надо сказать микроконтроллеру с какого по какое выводить на экран.
Наличие микроконтроллера позволяет мне: а. контролировать корректность выполнения программы, б. обеспечивать защищенный режим работы с памятью. Можно ловить Segmentation Fault!
В общем, нужен компилятор. Я испробовал десятки различных популярных интерпретаторов — все исполняют одну и ту же программу по разному. Стабильнее всех оказался leBrainfuck, он делает трансляцию программы в свой формат и корректно ее исполняет.
Я написал свой компилятор, на данный момент его код ужасен, но он позволяет транслировать обычный Brainfuck в бинарь формата моей машины. Поддерживает сворачивание команд +-<>, но не реализовано преобразование последовательности [-] в сброс ячейки. Ну и куча других фич, в том числе поддержка доп. инструкций, тоже не сделаны.
Есть и простенький эмулятор. Эмулятор в момент написания статьи также поддерживает только основные 8 инструкций. Вот что он творит с программой факториала:

Время выполнения — чуть меньше 10 секунд. Найденная на полях адекватная LLVM версия справляется за 0,9 секунд. О том как я с помощью Intel Vtune Amplifier оптимизировал свой эмулятор и разгонял с 120 секунд до 10 заслуживает отдельной статьи.
Но важно не это. Чтобы вывести этот фрактал, потребовалось 3 миллиарда оптимизированных brainfuck-инструкций. С учетом проектной частоты в 100Гц и 50 строк текста мы получаем 347 машинных дней — т.е. почти ГОД на одну программу, или строчка вывода в неделю! По факту первую строчку мы дождемся к концу первых суток, но чем дальше, тем медленнее. С другой стороны это самый быстрый релейный компьютер из всех существующих и проектируемых.
За сим, информация по существу закончилась, поэтому предлагаю посмотреть небольшой видеообзор других релейных компьютеров, существующих в природе
Вот здесь находится наиболее полный на мой взгляд список всех релейных машин на данный момент.
Мыслишки
Хочу заиспользовать часть запасов вакуумных индикаторов ИВ-6 в виде длинного табло в верхней части машины, выводящего в реальном времени значения всех регистров, а также общее число исполненных инструкций и общее время работы компьютера. Но здесь я никак не могу определиться с источником этих данных — МК в плате памяти забит под завязку, да и часть значений он способен лишь эмулировать. Лучший вариант — считывать значения напрямую. По схеме управления самими ИВ-шками тоже не могу прийти к единому мнению — делать динамическую индикацию на 30-40 ИВ-шек проблематичнее чем для 6 штук настольных часов.
ЗАЧЕЕЕЕМ????777

Ссылки
Весь проект в openSource. Посему вот основные ссылки по проекту:
- https://github.com/radiolok/RelayComputer2 — репозиторий с принципиальными схемами и разводками печатных плат. Ссылочку на репозиторий прошивки платы памяти я добавлю позднее
- https://github.com/radiolok/RelayComputer2/blob/master/roadmap.md Отдельно отмечу эту страницу с дорожной картой проекта, на которой фиксируются ключевые изменения.
- https://hackaday.io/project/18599-brainfuck-relay-computer на этой страничке я публикую подробные отчеты о том что было сделано. По набору критической массы они будут превращаться в статью на GT.
- https://github.com/radiolok/bfutils компилятор и эмулятор.
Автор: radiolok
