
В современном мире интернета, сайтов и мессенджеров люди легко общаются между собой, даже если они разделены странами, морями и океанами. Но не так давно для многих радиосвязь была единственным доступным каналом коммуникации общения.
В детстве я собирал радиоприёмники: от детекторных до довольно сложных супергетеродинов. Помню восторг, который я испытал, когда мне удавалось «поймать» на самодельный приёмник радиовещательные передачи на длинных и средних волнах. Но особую радость я получил, услышав разговоры радиолюбителей, медицинского персонала расположенной недалеко больницы и сигналы станций, передававших всякие непонятные сигналы голосом и морзянкой на коротких волнах.
Раньше нужно было потратить очень много времени и сил, чтобы собрать приёмник, способный услышать что-то кроме радиовещательных станций. Сегодня все сильно упростилось — стали доступны микросхемы, реализующие функционал отдельных блоков радиоприёмников или даже всего радиоприёмника, а также наборы деталей для сборки.
Если же вы хотите быть на переднем крае технологий радио, обязательно попробуйте программно-определяемое радио SDR (Software Defined Radio). Возможности SDR намного превышают всё то, что можно реализовать за приемлемые деньги на чисто аналоговых технологиях. Тем, кто только начинает знакомиться с миром радио, я рекомендую сразу начинать с SDR.
В этой статье вы найдете краткое введение в мир радиоприёмников, а в практической части я расскажу, как работать с недорогим приёмником RTL-SDR, который можно подключить к компьютеру через USB. С помощью программы SDRSharp и этого приёмника вы сможете почувствовать магию радио, и быть может, станете увлеченным радиолюбителем.
Самый первый радиопередатчик и радиоприёмник
Наверное, все слышали про первые передатчики и приёмники, созданные Поповым и Маркони. Не вникая в вопросы приоритета в изобретении, получения патентов и внедрении, скажу, что у нас в России день 7 мая отмечается как День радио. Именно 7 мая 1895 года Попов продемонстрировал устройство для приёма электромагнитных волн на заседании Русского физико-химического общества. Это устройство позволяло определить приближение грозы и называлось грозоотметчиком, однако по сути это и был первый радиоприёмник.
Искровой радиопередатчик
Для беспроводной передачи информации на расстояние нужен передатчик и приёмник. Схема первого искрового радиопередатчика показана на рис. 1.
При замыкании телеграфного ключа К с частотой примерно 10-50 Гц замыкался и размыкался контакт I. В результате в разряднике S проскакивала искра, и антенна излучала короткий импульс в виде затухающих колебаний.
Надо сказать, что подобный передатчик излучал радиоволны в широком диапазоне частот, что мешало одновременно использовать два таких передатчика, расположенных рядом. Для улучшения спектра сигнала был добавлен внутренний контур L1-C1 и внешний контур L2-C2 (рис. 2). Оба контура были настроены на одну и ту же резонансную частоту.
График затухающих колебаний в искровом передатчике с колебательными контурами показан на рис. 3.
С помощью искрового передатчика можно было передавать сообщения азбукой Морзе.
Приёмник для искрового передатчика
Для приёма сигналов искрового передатчика А. Попов разработал устройство, схематически показанное на рис. 4.

В основе этого приёмника лежит устройство с названием когерер. Это просто трубка с двумя расположенными близко электродами, заполненная опилками.
Когда в антенне нет сигнала, сопротивление когерера достаточно высокое, и контакт реле R разомкнут.
При появлении сигнала порошок в когерере увеличивает свою электропроводность и реле R срабатывает. Это приводит к тому, что напряжение от батареи поступает на звонок E. Рычаг звонка встряхивает когерер, и тот приходит в исходное состояние. Теперь приёмник готов к получению нового радиосигнала.
Защитные катушки L фильтруют помехи для избежания повторного срабатывания когерера из-за помех от контактов реле.
Подробнее о краткой истории развития приёмника Попова можно прочитать в статье «Телефонный приёмник депеш Попова». В частности, в этой статье отмечено, что когерер на самом деле представлял собой полупроводниковое устройство. Также рассказано о замене звонка на телефонную трубку и попытке передачи голосовых сообщений.
Приёмники сигналов с амплитудной модуляцией
В начале XX века появились радиолампы, на которых можно было сделать генераторы и усилители синусоидальных колебаний, а позже и транзисторы. Были созданы первые радиостанции с амплитудной модуляцией (АМ) сигнала и детекторные приёмники. С их помощью передавали на большие расстояния голос и музыку.
Как работает амплитудная модуляция?
Амплитуда высокочастотного сигнала изменяется в соответствии с низкочастотным звуковым сигналом. На рис. 5 показан результат амплитудной модуляции синусоидальным сигналом.
В статье Полевые транзисторы в передатчиках и не только я привел схему радиопередатчика на полевых транзисторах, в котором была реализована амплитудная модуляция несущего сигнала частотой 27,14 МГц. Для модуляции был использован низкочастотный сигнал (10 кГц), как синусоидальный, так и в виде прямоугольных импульсов.
До середины XX века амплитудная модуляция широко использовалась для радиовещания в коротковолновой и радиолюбительской связи.
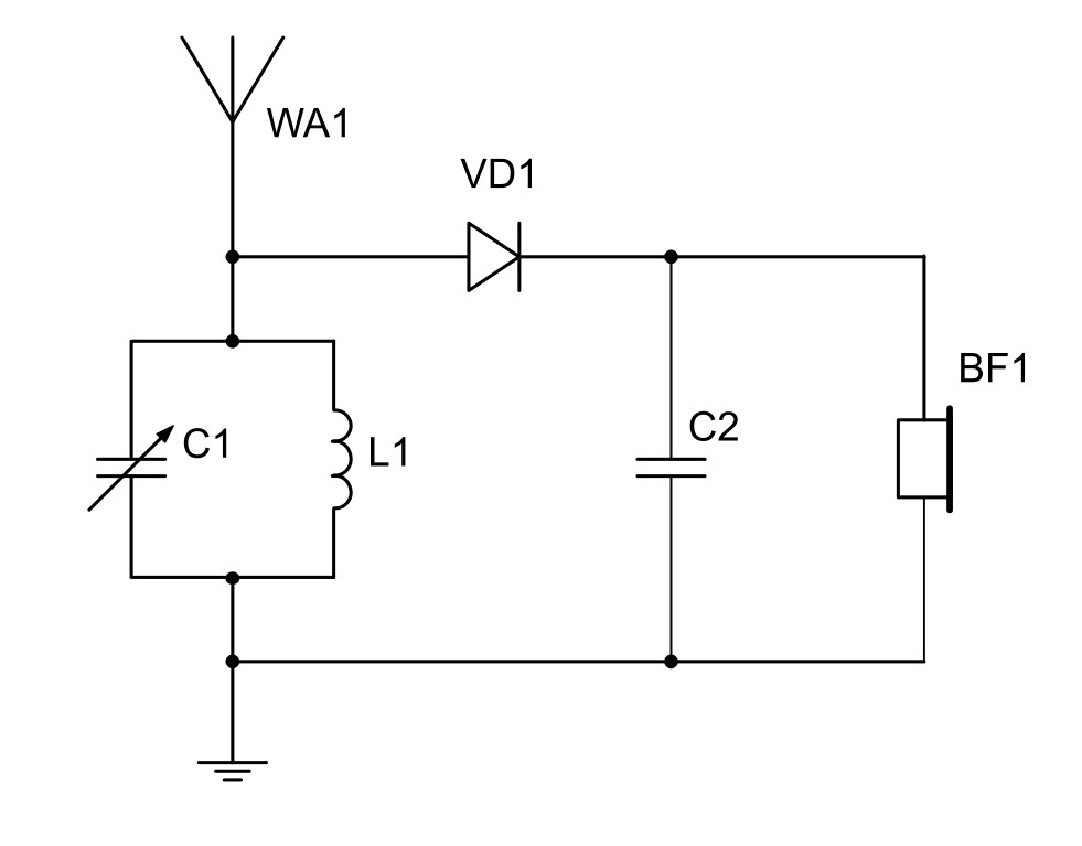
Детекторный приёмник
На рис. 6 показана простейшая схема детекторного приёмника, способного выделять звуковые колебания из сигнала с амплитудной модуляцией.
Антенна WA1 улавливает сигнал несущей частоты из эфира. С помощью конденсатора переменной ёмкости C1 колебательный контур L1-C1 настраивается на частоту приёма. Диод VD1 выпрямляет входной сигнал, а конденсатор C2 отфильтровывает высокочастотную несущую. Звуковые колебания поступают на наушники BF1.
С помощью детекторного приёмника раньше можно было ловить радиостанции на средних и длинных волнах. Полоса частот средних волн СВ лежит в диапазоне 526,5 – 1606,5 кГц, длинных волн ДВ — в диапазоне 148,5—283,5 кГц. Подробнее о диапазоне волн для радиовещания можно прочитать в статье Вещательные диапазоны радиоволн.
К сожалению, сейчас в России уже прекратилось радиовещание на средних и длинных волнах. Но вечерами на хороший приёмник (не детекторный) все ещё можно «поймать» зарубежные радиостанции СВ.
Приёмник прямого усиления
Существенный недостаток детекторного приёмника — очень малая чувствительность и громкость даже при наличии длинной антенны и заземления. Для исправления этих недостатков был создан приёмник прямого усиления (рис. 7).
Здесь сигнал несущего сигнала с АМ вначале усиливался усилителем высокой частоты (УВЧ) и подавался на детектор. Детектор выделял из несущего сигнала звуковую частоту. Выделенный сигнал попадал на усилитель низкой частоты (УНЧ), к которому уже можно было подключить динамик.
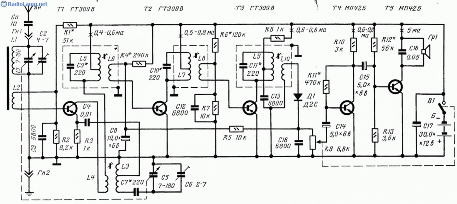
В интернете можно найти очень много схем приёмников прямого усиления на диапазоны СВ и ДВ. Для примера одна из них показана на рис. 8.
В этой схеме сигнал, полученный с антенны в виде катушки на ферритовом сердечнике, фильтруется колебательным контуром L1-C1. Далее этот сигнал усиливается УВЧ на транзисторах VT1, VT2 и VT3 и попадает на детектор VD1.
УНЧ на транзисторах VT4 и VT5 усиливают выделенный звуковой сигнал, который затем подается на динамик EP1.
Диоды VD2 и VD3 в этой схеме выполняют роль ограничителей амплитуды выходного сигнала для защиты УНЧ и динамика от перегрузки по входу. Когда амплитуда звукового сигнала на конденсаторе C10 превышает примерно 0,6–0,7 В (порог проводимости кремниевого диода), один из диодов начинает открываться и "срезать" вершины сигнала.
Супергетеродин
Относительно простые по схеме приёмники прямого усиления обладают существенными недостатками. Это плохая избирательность и чувствительность, нестабильность настройки на частоту несущей, плохая работа на высоких частотах.
Намного лучше по своим характеристикам так называемые супергетеродинные приёмники (рис. 9).
В супергетеродине высокочастотный сигнал из антенны усиливается при помощи УВЧ и попадает на вход смесителя. На другой вход смесителя подается сигнал с маломощного генератора высокой частоты — гетеродина.
Частота гетеродина отличается на заранее известную величину от частоты входного сигнала. Смеситель образует комбинации из этих частот, которые попадают на фильтр промежуточной частоты ФПЧ, выделяющий разность частот.
Усиленный сигнал промежуточной частоты попадает на детектор, а выделенный детектором сигнал звуковой частоты на УНЧ и уже с него — на динамик или головные телефоны.
Наиболее «продвинутые» супергетеродинные приёмники используют двойное или даже тройное преобразование частоты для улучшения избирательности и подавления зеркальных каналов приёма.
В интернете можно найти очень много схем супергетеродинных приёмников разной сложности. На рис. 10 приведен пример довольно простой схемы.
Обратите внимание, что здесь используется сдвоенный конденсатор переменной ёмкости C1-C5. Конденсатор C1 настраивает резонансную частоту входного контура, а конденсатор C5 — частоту гетеродина.
В этой схеме транзистор Т1 выполняет сразу две функции — гетеродина и смесителя. Усилитель промежуточной частоты собран на транзисторах Т2 и Т3. Эти же каскады играют роль фильтра промежуточной частоты.
Далее сигнал идет на детектор АМ (диод Д1) и на УНЧ, собранный на транзисторах Т4 и Т5.
В более сложных супергетеродинах для фильтрации промежуточной частоты применяются электромеханические фильтры (рис. 11), кварцевые или пьезокерамические фильтры.
Такие фильтры очень хорошо выделяют нужные частоты и выпускаются с разной полосой пропускания, например, для телефонной и для телеграфной связи. Это обеспечивает хорошую селективность приёмника и возможность отстройки от помех.
Благодаря своим характеристикам супергетеродины до сих пор применяются для приёма радиовещательных сигналов в диапазоне средних и коротких волн, в том числе в радиолюбительской и военной технике.
В продаже есть микросхемы, значительно упрощающие конструирование супергетеродинов. Тем не менее создание и настройка такого приёмника намного сложнее чем приёмника прямого усиления.
Надо сказать, что для многодиапазонного супергетеродина, предназначенного для приёма телефонных и телеграфных сигналов, приходится делать переключаемые входные контуры и контуры гетеродина, применять многосекционные конденсаторы переменной ёмкости, а также переключаемые фильтры промежуточной частоты. Все это усложняет конструкцию, увеличивает ее размеры и вес (рис. 12, рис. 13).
Как вы увидите далее, приёмники SDR лишены подобных недостатков.
Приёмники сингалов с частотной модуляцией
Надо сказать, что при использовании амплитудной модуляции возникают многочисленные проблемы. Наиболее заметная из них — чувствительность к импульсным помехам, попадающих в антенну приёмника. Эти помехи накладываются на модулирующий сигнал, и их довольно сложно отфильтровать.
Среди других недостатков — у передатчика много энергии уходит на излучение несущей частоты, которая сама по себе не содержит полезной информации. Эта информация есть только в изменении амплитуды несущей. Кроме этого, АМ-сигнал занимает большую полосу частот.
Проблему улучшения помехозащищённости решает так называемая частотная модуляция (ЧМ). При использовании ЧМ амплитуда сигнала остается постоянной, однако частота изменяется модулирующим сигналом (рис. 14).
Приёмник ЧМ сигнала извлекает модулирующий сигнал, игнорируя изменения амплитуды несущей. В результате помехи уже не могут повлиять на качество передаваемого звука. Если вы слушаете FM-радио в машине или с помощью современного радиоприёмника в диапазоне ультракоротких волн (УКВ), то сможете оценить высокое качество передаваемого сигнала.
Для извлечения модулирующего сигнала при использовании ЧМ применяется частотный детектор. Схема одного из таких детекторов с названием дискриминатор Фостера-Сили показана на рис. 15.
В этом дискриминаторе есть два колебательных контура, между которыми имеется индуктивная и ёмкостная связь. Контуры настроены на промежуточную частоту супергетеродинного приёмника.
Напряжения с обеих половин обмотки L2 взаимно вычитаются, и если частотной модуляции нет, выходной сигнал равен нулю. При появлении ЧМ из-за фазового сдвига тока в расстроенном колебательном контуре баланс между сигналами двух половин вторичной обмотки нарушается. В результате возникает разностное выходное напряжение, пропорциональное отклонению частоты входного сигнала от частоты настройки колебательных контуров.
Существуют частотные демодуляторы и других типов, такие как детектор с фазовой автоподстройкой частоты, дробный детектор, квадратурный детектор и детекторы других типов. Подробнее об этом можно прочитать в статье Детекторы сигналов с частотной модуляцией (ЧМ).
Приемники сигналов с однополосной модуляцией SSB
Чтобы более экономно расходовать энергию передатчика, была разработана так называемая однополосная модуляция SSB (Single Side Band).
Вы, наверное, знаете, что реальный радиосигнал обычно содержит не одну частоту, а множество (если, конечно, сигнал не представляет собой идеальную синусоиду).
Когда на синусоидальный радиосигнал накладывается модуляция, появляются так называемые боковые частотные полосы. Именно в них содержится передаваемая информация. Для передачи голоса ширина боковых полос обычно составляет 2,4-3 КГц, для радиовещания — 10 КГц, а для аналогового телевидения — 6 МГц.
На рис. 16 показаны спектры модулирующего сигнала, двухполосной АМ, а также спектры SSB при использовании верхней и нижней боковой полосы.
В двухполосном АМ-сигнале 70% излучаемой мощности идет на сигнал несущей частоты, в котором нет никакой информации. По 15% мощности делят между собой боковые полосы, которые зеркальны при двухполосной АМ.
Если передатчик будет излучать только одну из боковых полос в режиме модуляции SSB, то его мощность будет использована намного эффективнее по сравнению с двухполосной АМ.
Схемы передатчиков и приёмников SSB заметно сложнее по сравнению с передатчиками и приёмниками АМ. Модуляция SSB используется в профессиональной и любительской радиосвязи.
Замечу, что можно сделать такую систему связи, в которой разные боковые полосы передают разную информацию. Например, это могут быть левый и правый канал при стереофоническом вещании.
Одна из схем двухдиапазонного приёмника SSB показана на рис. 17.
В этой схеме промежуточная частота равна 16 МГц. Для фильтрации применен лестничный фильтр из четырех кварцевых резонаторов X1-X4 с одинаковыми значениями резонансной частоты 16 МГц и пяти конденсаторов C30-C35 ёмкостью 100 пФ. Полоса пропускания фильтра равна около 2,4 КГц, что соответствует ширине принимаемого сигнала SSB. Подробное описание этой схемы вы найдете в статье Радиолюбительский SSB приёмник на 80 и 10 метров.
Применение цифровой модуляции
В современных системах радиосвязи используются цифровые виды модуляции, при которых аналоговый сигнал модулируется цифровым. Прежде всего это амплитудная и частотная, а также фазовая двоичная модуляция (часто используют термин «манипуляция»).
Амплитудная манипуляция ASK (Amplitude Shift Keying) предполагает, что цифровой сигнал изменяет амплитуду несущего сигнала. При этом значение логического нуля соответствует слабому сигналу, а значение единицы — сильному (рис. 18).
При частотной манипуляции FSK (Frequency Shift Keying) цифровой сигнал изменяет частоту несущей (рис. 19), а при фазовой PSK (Phase shift keying) — фазу (рис. 20).
Комбинированная модуляция ASK/PSK использует одновременно и амплитудную, и фазовую манипуляцию. Она позволяет передавать больше данных и применяется в цифровом телевидении, LTE и DSL.
Подробнее о видах цифровой модуляции можно прочитать в статье Физический уровень – Модуляции, а также в статье Модуляция радиосигнала.
Технология LoRa
Отдельного упоминания заслуживает технология LoRa (Long Range). В ней применяется модуляция с расширением спектра на основе частотной манипуляции CSS (Chirp Spread Spectrum).
Хотя технология LoRa обеспечивает только небольшую скорость передачи данных, дальность связи на открытом пространстве измеряется километрами. И это при относительно небольшом энергопотреблении. За счет манипуляции CSS приёмники LoRa обладают очень высокой чувствительностью и устойчивостью к помехам.
Более подробно эта технология описана в статье Технология LoRa в вопросах и ответах. Много технических деталей можно найти в документе LoRa Modulation Basics.
Вопросы практического применения модулей LoRa компании EBYTE я рассмотрел в статье Дальняя радиосвязь с LoRa на одноплатных микрокомпьютерах Repka Pi.
Современное радио SDR
До 90-х годов передатчики и приёмники создавали с использованием радиоламп и транзисторов. В них были такие узлы, как колебательные контуры, гетеродины, смесители, фильтры, модуляторы, демодуляторы и другие аналоговые блоки. Схемотехника аналоговых радиоустройств была довольно сложная, а цена профессиональных устройств — высокая.
Со временем возможности микрокомпьютеров и микроконтроллеров возросли, а цены на них значительно снизились. Сегодня даже чайники и кофеварки оснащены микроконтроллерами. Проникли они и в радиотехнические устройства, подняв их возможности на необыкновенную высоту.
Широкое распространение получило так называемое программно-определяемое радио SDR (Software Defined Radio). В SDR многие функции обработки аналоговых сигналов реализуются на программном уровне.
Идея приёмника SDR основана на оцифровке сигнала, полученного от антенны, с помощью быстродействующего аналого-цифрового преобразователя АЦП (Analog to Digital Converter, ADC) с дальнейшей обработкой цифрового сигнала с помощью микроконтроллеров, систем цифровой обработки сигнала и программного обеспечения (ПО).
Современные АЦП способны преобразовывать входные сигналы с частотой до 100 МГц и выше. Но по теореме Котельникова точное восстановление амплитуды возможно, только если частота дискретизации выше, чем удвоенная максимальная частота в спектре сигнала.
Чтобы избежать ограничений на принимаемые частоты, в приёмниках SDR используется перенос нужного диапазона вниз (или вверх) по частоте с помощью аналогового смесителя (мультипликатора) и генератора.
В итоге приемники SDR могут принимать сигналы в диапазоне частот от единиц и десятков КГц до нескольких ГГц. Такой широкий диапазон очень трудно реализовать в обычных супергетеродинах.
Сигнал, поступающий с антенны, обычно очень слабый и содержит помехи. Для обеспечения правильного уровня сигнала относительно шума сигнал усиливается. Для борьбы с помехами и внеполосных сигналов используют фильтрацию перед АЦП, а также на этапе цифровой обработки сигнала.
На рис. 21 приведена упрощённая блок-схема приёмника SDR.
Сигнал с антенны фильтруется и усиливается малошумящим усилителем. Далее он смешивается с сигналом от маломощного генератора и преобразуется в промежуточную частоту. Отфильтрованный сигнал промежуточной частоты усиливается и попадает на АЦП.
Оцифрованный сигнал проходит цифровую обработку DSP (Digital Signal Processing). На этом этапе выполняется цифровая фильтрация, демодуляция, шумоподавление и декодирование цифровых протоколов.
Обработанный цифровой сигнал преобразуется в аналоговый с помощью цифро-аналогового преобразователя ЦАП, усиливается и подается на динамик или головные телефоны.
Как видите, в приёмнике SDR есть довольно много аналоговых блоков, необходимых для достижения хороших параметров приёмника. Но очень важно, что демодуляция сигнала и его фильтрация выполняются при помощи программного обеспечения в блоке цифровой обработки сигнала.
Если в обычном аналоговом приёмнике для каждого вида модуляции нужен свой аппаратный демодулятор, то в приёмнике SDR для демодуляции никакого дополнительного специального оборудования не потребуется. Все можно сделать на этапе цифровой обработки DSP.
Работа в широком диапазоне частот не требует применения переключаемых колебательных контуров и многосекционных конденсаторов переменной ёмкости, переключаемых фильтров промежуточной частоты с разными полосами пропускания, аппаратных схем шумоподавления, схем детекторов разных видов модуляции и другого оборудования. Это существенно снижает размеры, вес и стоимость приёмника SDR.
Обновление ПО позволяет добавлять виды модуляции, улучшать алгоритмы демодуляции, фильтрации и шумоподавления заменой или обновлением ПО. В то же время модернизация обычного супергетеродина, если и возможна, то потребует переработки схемы и замены оборудования.
В продаже есть недорогие приёмники SDR, работающие совместно с компьютером. На рис. 22 показан очень популярный приёмник RTL-SDR V4, который подключается к компьютеру через USB.
Приёмник RTL-SDR Blog V4 может принимать сигналы в диапазоне частот 500КГц-1766 МГц.
Конечно, есть более сложные и дорогие приёмники SDR, обладающие большими возможностями и способные работать автономно без компьютера. Однако для первых экспериментов будет достаточно RTL-SDR V4.
В таких устройствах, как RTL-SDR, функции ЦАП и усилителя звуковых частот выполняет компьютер. Для этого на компьютер нужно установить специальную программу, такую как SDRSharp (рис. 23).
С помощью программы SDRSharp (она также называется SDR#) можно выбирать принимаемую частоту и полосу, просматривать спектр сигнала в виде графика и «водопада» (показан справа в нижней части рис. 23).
Программа поддерживает прием и демодуляцию AM, FM, WFM (широкополосная частотная модуляция), NFM (узкополосная частотная модуляция), SSB, CW (прием сигналов азбуки Морзе), может фильтровать и подавлять помехи, записывать и воспроизводить принятые сигналы (в «сыром» или демодулированном виде). Предусмотрено использование плагинов, таких как декодеры цифровых сигналов, RDS, автоматический поиск частот и многие другие.
Замечу, что программа SDRSharp позволяет подключаться к приёмникам SDR, установленным в разных городах и странах через сеть AIRSPY Server Network. Читайте об этом в конце статьи.
SDR используется и в передатчиках, например в HackRF One (работает как приёмник и как передатчик в диапазоне от 1 МГц до 6 ГГц). В передатчике звуковой сигнал после цифровой обработки подается на цифро-аналоговый преобразователь ЦАП, усиливается и попадает в антенну для передачи в эфир. Цифровая обработка позволяет использовать различные виды модуляции и выполняется программным обеспечением.
Установка SDRSharp
Программа SDRSharp обладает большими возможностями и заслуживает отдельных статей. Есть и другие подобные программы, но сначала я расскажу о простейших экспериментах именно с SDRSharp.
Я буду устанавливать SDRSharp в Microsoft Windows версии 11 и Microsoft Windows 7, хотя есть версии и для других ОС. На сайте RTL-SDR вы найдете краткую инструкцию по установке SDRSharp для приёмника RTL-SDR Blog V3/V4.
Установка Microsoft .NET
Прежде всего необходимо установить на ваш компьютер Microsoft .NET. Откройте страницу выбора версии .NET. Выберите нужную версию. На момент написания статьи это была версия 9.0.
Далее определите разрядность процессора в вашем компьютере. Если в компьютере 64-разрядный процессор, нужна версия x64, а если 32-разрядная — версия x86. После выбора версии загрузится установщик. Запустите его и выполните установку Microsoft .NET.
Загрузка архива программы SDRSharp
Откройте страницу загрузки программы SDRSharp. Для 64-разрядного процессора с помощью кнопки Download скопируйте архив SDR#, а для 32-разрядного — архив SDR# Beta x86 (этот архив я устанавливал в Microsoft Windows 7).
Далее распакуйте архив в каталог c:sdrsharp и запустите пакетный файл install-rtlsdr.bat. Этот файл скопирует дополнительные файлы, необходимые для работы с RTL-SDR. В частности, будут загружены файлы rtlsdr.dll и zadig.exe.
Установка драйвера
Подключите к порту USB вашего компьютера модуль RTL-SDR V4. Затем запустите программу zadig.exe с правами администратора. Для этого щелкните значок программы в папке правой клавишей мыши и выберите Запуск от имени администратора. Подтвердите внесение программой изменений на компьютере в появившемся окна запроса.
Появится окно установки драйвера (рис. 24).
Сначала выберите в меню Options строку List All Devices. Далее в выпадающем меню выберите строку Bulk-In, Interface (Interface 0).
Проверьте, что в поле Driver находится строка RTL2832UUSB, RTL2832UHIDIR, RTL2832U или Blog V4. Также убедитесь, что в поля USB ID находятся значения 0BDA 2838 00, как это показано на рис. 24. Проверьте, что справа от зелёной стрелки выбрано WinUSB.
При ошибках возможна перезапись драйверов других устройств, таких как клавиатура или мышь, так что будьте внимательны.
После проверки щелкните кнопку Replace Driver и дождитесь окончания установки драйвера. В процессе установки у вас будет запрошено подтверждение на выполнение этой операции.
Слушаем FM-радио
Для запуска SDRSharp зайдите в каталог c:sdrsharp. Если вы устанавливали 64-разрядную версию программы, запустите программу SDRSharp.dotnet9.exe, а если 32-разрядную в среде Microsoft Windows 7 — SDRSharp.exe.
Подключите антенну, которая идет в комплекте с RTL-SDR V4. Эта антенна хорошо подходит для приема FM-радио, а также для приема сигналов в авиационном диапазоне. С этого и начнем. Учтите, что для других диапазонов частот потребуются другие антенны. Для лучшего приёма разместите антенну за окном или на балконе.
Запустив программу, щелкните меню из трех горизонтальных полосок и выберите в списке Source строку RTL-SDR USB (рис. 25).
Для запуска приема щелкните мышью треугольник, расположенный справа от упомянутого выше меню. Далее отметьте флажки WFM и Stereo, а затем увеличьте усиление радиосигнала движком RF Gain (рис. 26).
Переместите линейку с обозначенными частотами так, чтобы красная линия была в середине спектра. Если все сделано правильно, в наушниках или колонке, подключенной к компьютеру, вы услышите радиопередачу.
Прием сигналов в авиационном диапазоне
Если вы живете недалеко от аэропорта, есть шанс поймать сигнал прогноза погоды, а также разговоры между летчиками и авиадиспетчерами.
Авиационный диапазон простирается от 118,000 МГц до 136,975 МГц, при этом используется в основном амплитудная модуляция.
На рис. 27 показаны настройки для приема данных о погоде во Внуково на частоте 128,123330 МГц.
Обратите внимание, что задана амплитудная модуляция AM, выбрана ширина полосы пропускания примерно 2900 Гц, что соответствует речевому диапазону.
Я нахожусь вне прямой видимости аэропорта, поэтому сигнал приходит у меня слабый с высоким уровнем шумов. Для того чтобы речь стала разборчивой, я включил фильтры Audio Noise Reduction и IF Noise Reduction (рис. 28).
Регулируя полосу пропускания и пороги срабатывания фильтров, я добился относительно хорошего качества приема.
Прием радио без SDR-RTL
Если вы еще не приобрели приёмник SDR-RTL, но уже установили программу SDRSharp, у вас есть возможность подключиться через интернет к приемникам SDR, расположенным в разных уголках мира.
Запустив SDRSharp, выберите в меню Source строку AIRSPY Server Network. Затем щелкните кнопку с троеточием, отмеченную на рис. 29 красной стрелкой.
На экране появится карта мира (рис. 30).
Зелеными значками здесь отмечены работающие приёмники, доступные через сеть AIRSPY Server Network. Выбирайте значки и слушайте радиоэфир в других странах (рис. 31).
Дальнейшие планы
Я надеюсь, что мой рассказ о приёмниках вас заинтриговал, и вы попробуете в работе программу SDRSharp с устройством SDR-RTL и без такого устройства. Даже не обладая навыками самостоятельной сборки радиоаппаратуры, вы за один вечер сможете приступить к экспериментам с приёмом радиосигналов.
К сожалению, в одной статье невозможно подробно рассказать о приёмниках SDR и предназначенном для него программном обеспечении. В других статьях я постараюсь рассказать об этом подробнее.
Пишите в комментариях, что вы еще хотели бы узнать о приёмниках вообще и об SDR в частности.
Автор @AlexandreFrolov
НЛО прилетело и оставило здесь промокод для читателей нашего блога:
-15% на заказ любого VDS (кроме тарифа Прогрев) — HABRFIRSTVDS.
Автор: FirstJohn
