Если на клетке слона прочтешь надпись: буйвол, — не верь глазам своим
В одном разрабатываемом изделии применялась аккумуляторная батарея значительной емкости из нескольких параллельных секций по шесть банок LiIon аккумуляторных ячеек типа «1s1p MP 176065 IntegrationTM» на 6000мАч производства фирмы Saft в каждой. Одна батарея вернулась к нам на ремонт и я решил оценить степень баланса отдельных банок после длительной эксплуатации. Для этого следовало расцепить банки, зарядить по отдельности и оценить разброс принятого заряда.
Но для начала решил посмотреть напряжение на секции в целом, ожидая увидеть ноль, ведь любая разряженная банка отключает себя от цепи потребителя, и мы должны либо увидеть напряжение минимум 6*2.4В=14.4В, либо ничего.
Каково же было мое изумление, когда на одной секции было обнаружено 12В, а на другой и вовсе 7В (дальше я Вольты писать не буду и вовсе не из-за отсутствия уважения к великому итальянцу, а в силу лени).
Результат несколько обескураживающий, продолжаем исследования и измеряем каждую банку в секции на 12 — на четырех ожидаемое напряжение в 2.8-3.2, на двух — 0, в сумме все совпадает, но почему на отключенных ячейках именно 0, а не разрыв цепи — непонятно.
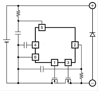
Ладно, предполагаю, что разрыв цепи имеет место, но он не абсолютный, остается небольшой ток через цепь контроля, она ведь не отключается от внешних контактов — смотрим схему (она расположена в конце поста, иначе пропадает вся интрига).
Подключаем к секции нагрузку в виде резистора 1к (ток 7мА), выходное напряжение несколько падает до 11.8, значит, внутреннее сопротивление цепи контроля порядка 0.2/7Е-3=200/7~30 Ом, как то маловато сопротивление, я рассчитывал на десяток кило, но, может оно нелинейно, хотя все равно странно. Увеличиваем ток до 50мА, напряжение падает до 11.6, что соответствует сопротивлению 0.4/50Е-3=400/50=20, увеличиваем ток до 100мА, напряжение практически не меняется, что дает уже 10 Ом.
Действительно, сопротивление нелинейное, но загибается явно не туда. Больше всего похоже на прямую ветвь ВАХ диода, но откуда ему тут взяться, непонятно. Ладно, снимаем защитную пленку с аккумулятора и извлекаем плату защиты (вы ведь понимаете, что без нее аккумулятор использовать нельзя, если вы не экстремал). Видим типовую схемку из двух транзисторов и микросхемы контроля напряжения, а вот на обратной стороне платы наблюдаем большой элемент с маркировкой STPS104B.
Ага, это диод Шотки, подключенный обратно полярности аккумулятора, вот откуда практически не зависящее от тока (при небольших токах) падения напряжения в ~0.2 на элемент. Загадка разгадана, это было несложно, теперь мы должны оценить техническое решение известной фирмы.
Первое — несомненный плюс — данная схема позволяет продолжать черпать энергию из секции, даже если одна ячейка полностью разрядилась. При том общее напряжение упадет на 2.4(минимальное допустимое на ячейке)+(0.2÷0.6)<=3, но это лучше, чем полное отключение, хотя возможны нюансы.
Второе — слабый минус — диоды вообще, а Шотки в особенности, имеют обратный ток, который будет паразитной нагрузкой и уменьшит располагаемую мощность ячейки. В данном конкретном случае обратный ток составит не более 100 мкА (при нормальных условиях), то есть за сутки хранения ячейки мы потеряем 0.1*24=2.4мАч~0.04% емкости, весьма мало по сравнению с саморазрядом в ~0.5%. Кстати, ток саморазряда в документации на ячейку просто не указан, я его придумываю из общих соображений и рекомендации под-заряжать ячейки при длительном хранении раз в 6 месяцев.
Третье — придуманный минус — если в процессе заряда все ячейки одновременно решат, что достигли требуемого уровня и отключатся от внешних клемм для предотвращения перезаряда (не слишком вероятное событие, но тем не менее), то входное напряжение зарядного устройства приложится к последовательной цепочке обратно включенных диодов и вполне может оказаться на одном из них, что ограничивает напряжение зарядки значением пробивного обратного для диода в 45 и, соответственно, количество ячеек в секции 45/4.2=10. Хотя насчет придуманости я не совсем прав — если все ячейки будут полностью разряжены (а это у нас возможно) и отключатся от внешних клемм, то в момент начала заряда будет аналогичная ситуация, хоть и совсем недолго, поэтому определенные ограничения по напряжению все таки указывать надо.
А вот четвертое — несомненный минус — полнейшее отсутствие указания на наличие подобного схемотехнического решения в документации на устройство. Ну нельзя так делать, это существенная особенность устройства и она должна быть отражена в ЭД. Хотя, наверное, это меня так учили, а в современной инженерной практике подобными соображениями принято пренебрегать. В конце концов, у меня нет фирмы уровня SAFT, а у тех, кто выпускает указанные ячейки с такой документацией, есть и они неплохо себя чувствуют на рынке. А Вы как думаете? — опрос в конце поста.
Ну и собственно по теме исследования, выяснилось, что после ~ 100 циклов заряда (без балансировки) и разряда (с учетом описанной выше особенности) разброс остаточного заряда в отдельных ячейка составил 12%, цифра не пренебрежимо малая, но я ожидал худшего, так что зачет.
Оценим возможную эффективность стандартной схемы пассивной балансировки, для чего примем ток через балластный резистор в 50мА (стандартное значение для китайских устройств), тогда при заряде рекомендованным током 0.2С и времени заряда не более 7 часов, получаем возможное уменьшение заряда ячейки в 50*7=350мАч, что соответствует приблизительно 5% заявленной емкости. На самом деле, конечно, намного меньше, поскольку шунт включится при режиме постоянного напряжения, а до него еще добраться надо, так что речь идет о верхней оценке, но хоть что-то.
Тогда мы можем предположить, что указанный выше разброс емкости ячеек может быть скомпенсирован за 5-10 циклов заряда с балансировкой. То есть, если сделать балансировку не-неотъемлемой части секции, можно ожидать, что негативные эффекты удастся компенсировать полностью в каждом цикле при данных ячейках. Конечно, все это только прикидки и точный ответ на вопрос о возможностях балансировки требует дополнительных исследований.
А вот и обещанная схема:

Автор: GarryC
