Рубеж пройден, и обе цели достигнуты: изначально мы хотели сделать так, чтобы всем было удобно, а потом — доступно. Эту, вроде бы, несложную работу поделили на два этапа. Оба — позади.

Эй, а чем мы хуже китайцев?!
Оригинальной идеей KeySmart мы прониклись давно, однако заимствовать долгое время не решались. Затем мы обратили внимание, что «цитирование» чужого в нашем постмодернистском мире — обычное дело и убедили себя, что действуем из побуждений благородных.

Так все и началось. Логика была достаточно проста: у каждого из нас есть несколько ключей.

А, порой, и так:

И все это чаще всего находится в таком виде:

Мы же, следуя изначальному сценарию, поверили в то, что придать этому куда более лаконичный и компактный вид — лучше для всех. И наше спасение людей заключалось в этом:

Проповедовать эту идею мы начали и тут, и на других ресурсах, но справедливо столкнулись с некоторыми вопросами… И один из них:
Эй, а чем вы лучше китайцев?!
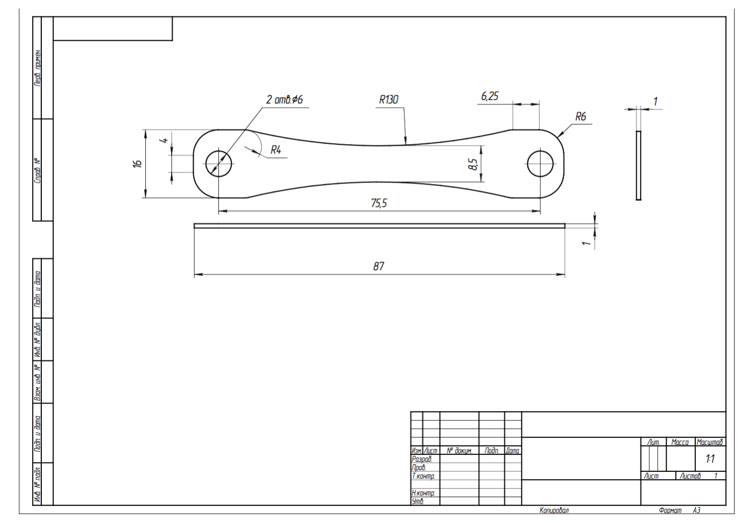
Изначально SmartPoket долгое время существовал на бумаге в виде чертежика:

Потом долгое время существовал в виде груды металла:

И еще какое-то время он пробыл в режиме сравнения, как с оригиналом, так и с китайскими клонами. Есть несколько случаев в жизни, когда спасают лишние сантиметры, и этот — один из них.
Самая, вероятно, популярная китайская ключница из-за цены, с которой неминуемо стали бы сравнивать, оказалась, например, чрезвычайно мала. Это буквально убивало идею компактности, которую мы отстаивали со SmartPoket'ом, и связка ключей так или иначе распухала:

Логотип не замазываем: по названию — ищется
Прочность ее также была не на высоте: алюминий, из которого сделан китайский образец можно было порезать как бумагу, обычными ножницами:

Ну а дальше выходило, что для такой ключницы из-за размера скрепляющих элементов еще и надо было подбирать нужное количество ключей, что тоже — так себе история.
Иными словами: по размерам, прочности и удобству — SmartPoket оказался впереди, но пока все еще выходил дорогим.
Надо отметить и тот факт, что не весь Aliexpress дешевый: тот самый органайзер, который на фото — единственный по такой цене, а с бесплатной доставкой он есть в одном месте, в основном же еще плюс 40-50 рублей.

Если же не искать конкретно эту модель, то ценники-то ого-го:

Причем за не самое удачное качество.
А что делать с большими ключами?
Большие ключи бывают маленькими. Понимая это, мы лишь едва заметно увеличили первую базовую версию ключницы:

В этом виде она способна вместить длинный ключ.

Однако большие ключи бывают и большие. И это как раз тот первый шаг и главное отличие, которым мы спешили гордиться: увеличенная версия ключницы.

Вопрос по прежнему не решен с ключами, которые имеют не плоский тип, но это уже кое-что. Многое! Теперь, при желании и некоторой усидчивости SmartPoket может упрятать в себя вот такой набор:

Да, кое-где придется подточить, кое-что придется поменять, кое-что (некоторые типы таблеток от домофона) закрепить снаружи, но эстетические перемены заметны невооруженным взглядом:

К сегодняшнему дню мы так и пришли с двумя версиями SmartPoket: большой и маленькой, и поэтому осталась вторая задача — снижать и снижать цену.
Цена
Несмотря на достаточно простую конструкцию, стоила ключница дорого.

Глупо оправдываться, но 999 рублей за первые версии. Да, на цене сказывался и маленький объем, и тонны отработанного и не подошедшего материала, и, хотя цена выходила дешевле на фоне оригинальной версии, сравнивать нас начали, понятное дело, с китайцами, и при всех плюсах — цена проигрывала.
Вторая задача, которую следовало решить: найти возможность снизить цену. Постепенный интерес к SmartPoket позволил увеличит объем, и уже теперь обе версии стоят на 300 рублей дешевле, и большой, и маленький — 690 рублей.

Если вам кажется такой способ носить ключи логичным, а наши доводы убедительными, то вы можете дополнительно воспользоваться купоном на скидку 200 рублей: EICKDF.
Купон действует при оплате ключницы на сайте. Также распространяется и на комплект. На всякий случай: скоро праздники. Можно купить как несложный сувенир к НГ.
Автор: Елена
