Краткая предыстория. Я разрабатывал электронику для усталостного стенда, на котором испытывают стенты. Стенд для стентов - музыка для ушей говорящего и когнитивный диссонанс для слышащего эти слова впервые. Поскольку необходимо имитировать сердцебиение человека, надо обеспечивать перепад давления, ну а чтобы что-то контролировать, желательно это что-то как-то измерять.
Установка с переменным успехом протестировала пачку стентов. Один из факторов "переменности" успеха стал отказавший датчик избыточного давления 19C015PG1K. О качестве этих дешевых (нет) сенсоров я рассуждать не берусь, но реверс-инжиниринг и восстановление производились из трех вышедших из строя датчиков (и только один из них погиб из-за объективных причин - проткнули мембрану, остальные - умерли при довольно бережной эксплуатации).

У датчика очень хрупкий шлейф, прикрепленный к хрупкой керамической плате, при небольшом перегибании которого происходит одно из двух: образуется микротрещина в месте пайки шлейфа и платы, которую сложно обнаружить и невероятно сложно припаять обратно, либо вам везёт и шлейф припаян очень качественно, так что забирает с собой часть керамической платы (см. фото). Кстати, шлейф бумажный (почему бы и нет, сенсор стоит всего-то $350+).



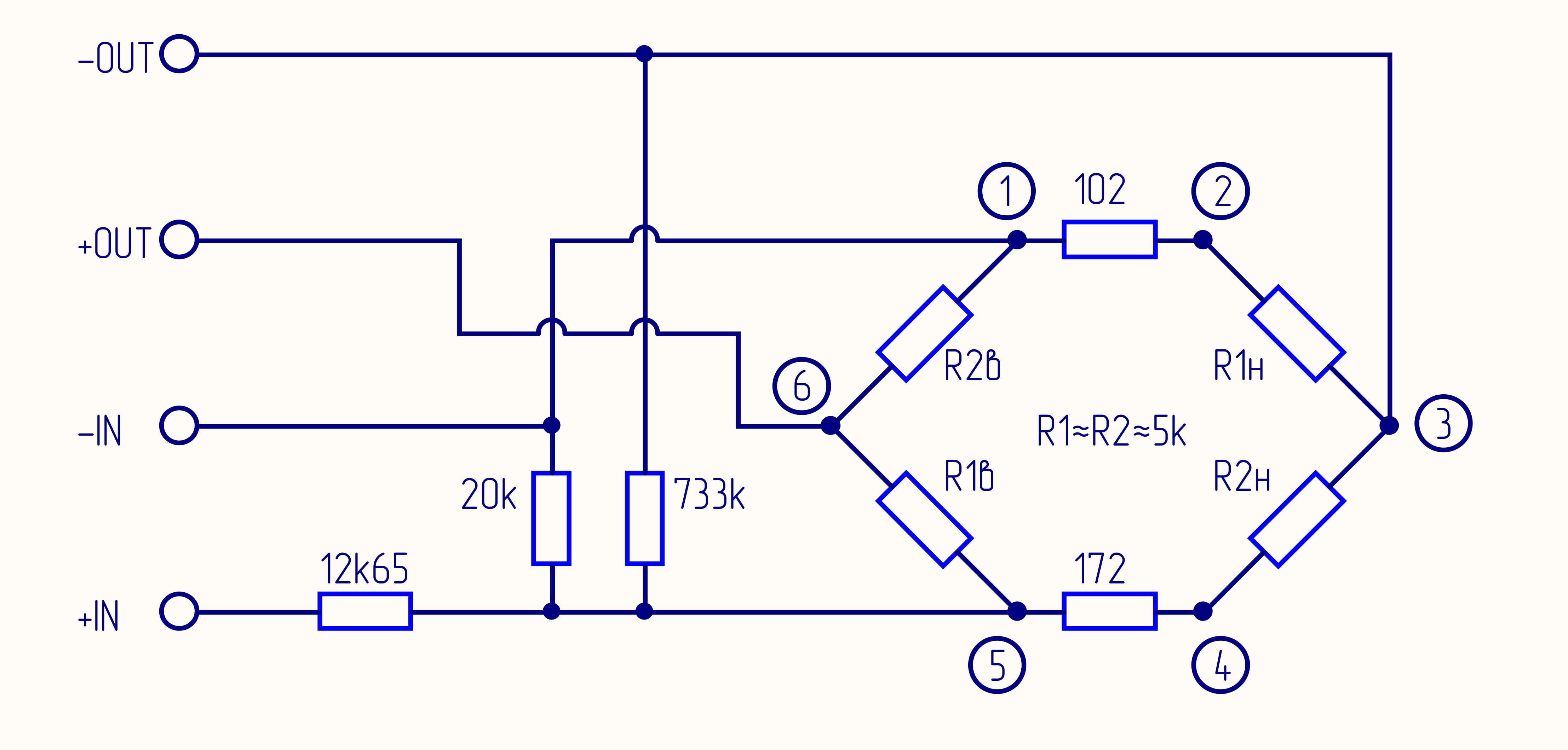
У меня появилось предположение, что датчик работает по принципу мостового измерителя. Я только не понял, зачем мосту Уинстона 6 ног, которые еще не звонятся между собой.
Вскрыв датчик, у которого была повреждена мембрана, я обнаружил, что это 2 пары резисторов, расположенных симметрично и не замкнутых в мост. ОК, 6 ног - оправдано. Сам чувствительный элемент плавает в маслянистой жидкости-буфере.
Зарисовываем, что увидели, делаем замеры, отпаяв керамическую плату.
Я обозначил резисторные пары как Верхняя и Нижняя и пронумеровал ножки, чтобы не путаться, т.к. керамическая плата по отношению к этому виду зеркально отражена.
Я снял керамическую плату и измерил сопротивления. Для наглядности, чтобы проще было восстанавливать схему, я рисовал поверх фотографии.

Пришлось потратить некоторое время, чтобы превратить рисунки в нечто читаемое, и вот что у меня получилось в итоге.

Воссоздав заново схему на макетной плате, получаем рабочий датчик. Надёжнее, чем заводское исполнение. Почему оно, исполнение, такое.. плохое? Могу предположить, что датчик калибруется после монтажа керамической платы, т.к. по сути это сложный SMD-резистор, т.е. видно как сопротивления подстраиваются лазером, перерезаются лишние соединения. Возможно, керамика лучше в плане температурной стабильности в связке с этим сенсором. Я не знаю, но знаю теперь как починить и делюсь тут.
Надеюсь, эти материалы помогут кому-то сэкономить время и/или деньги. Ну или хотя бы немного развлекут.
Автор:
coolebyak
